GM Service Manual Online
For 1990-2009 cars only
Makes
🢒
Saturn
🢒
2007
🢒
VUE - FWD
🢒 w/o T82
w/o T82
w/o T82
Master Electrical Component List
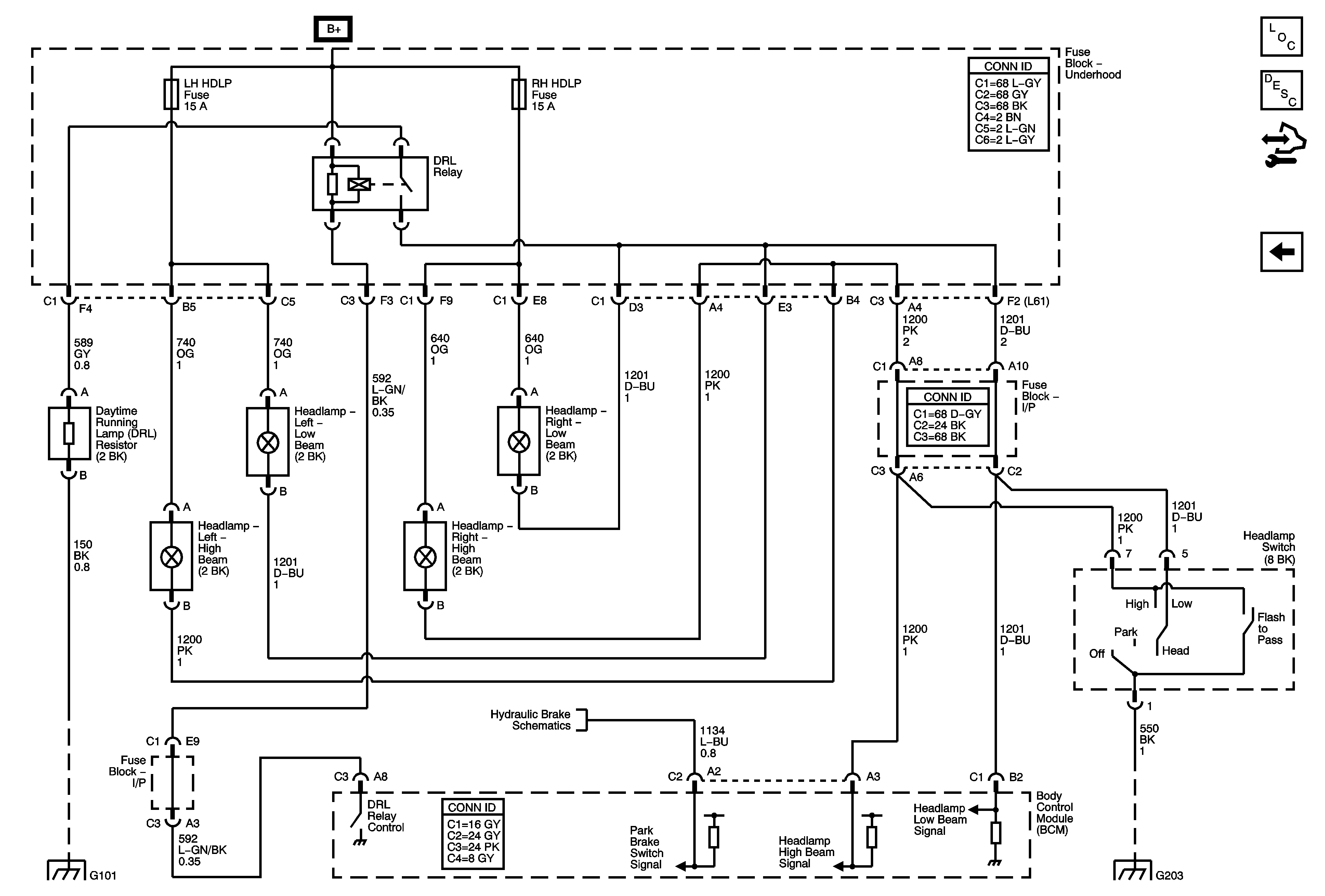
Exterior Lighting Systems Description and Operation
Control Module References
w/ T82
B+ Bus and EPS Fuse
Brake Warning System
G101
G203 and G205