GM Service Manual Online
For 1990-2009 cars only
Makes
🢒
Suzuki
🢒
2007
🢒
XL-7 AWD
🢒
Body Systems
🢒
Wipers and Washers
🢒 Wiper/Washer Schematics
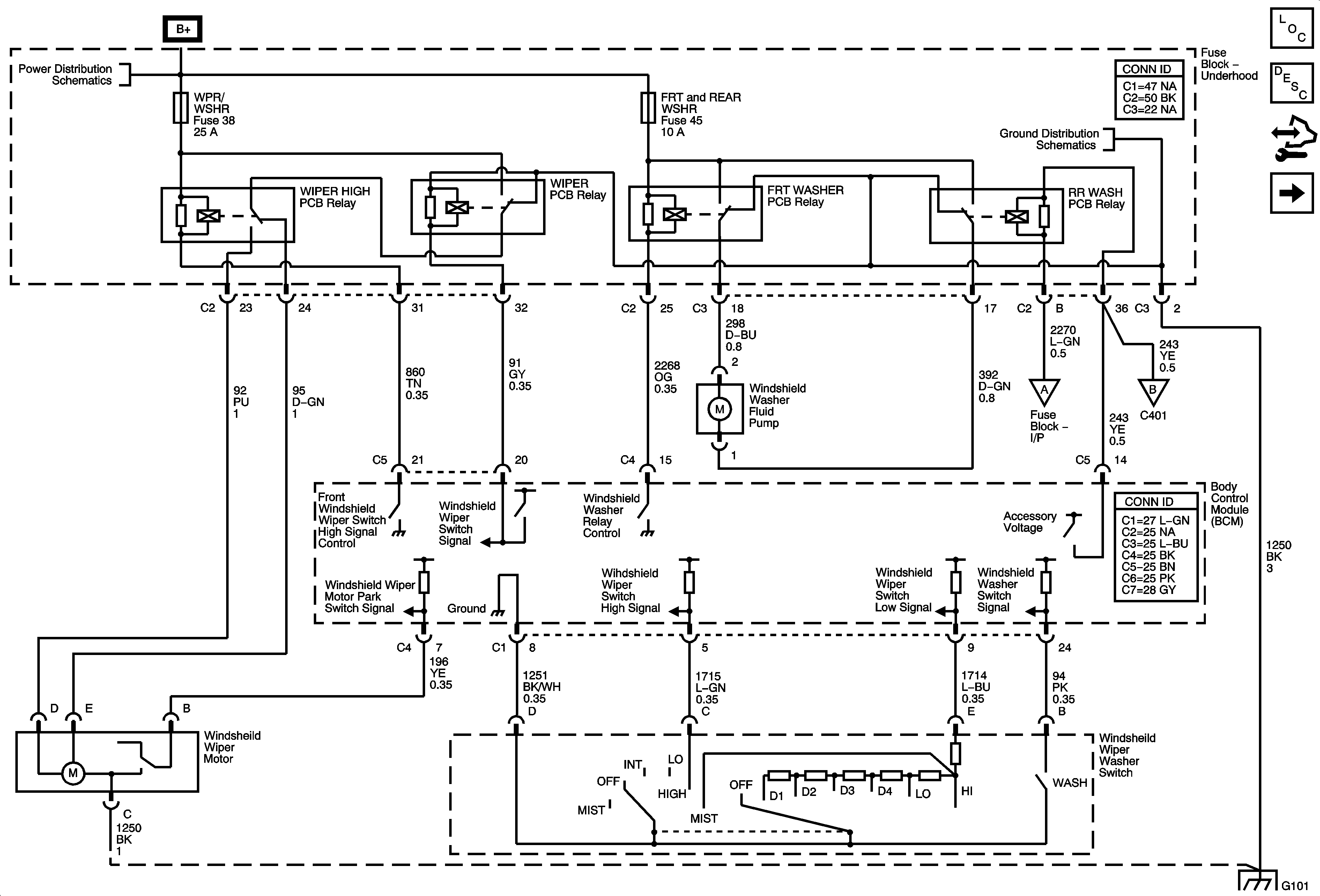
Figure
1:
Front Wiper/Washer
Master Electrical Component List
Wiper/Washer System Description and Operation
Control Module References
Rear Wiper Schematics
B+ BUS 1 of 2
G103, G105, G107, G108, and G109
G101
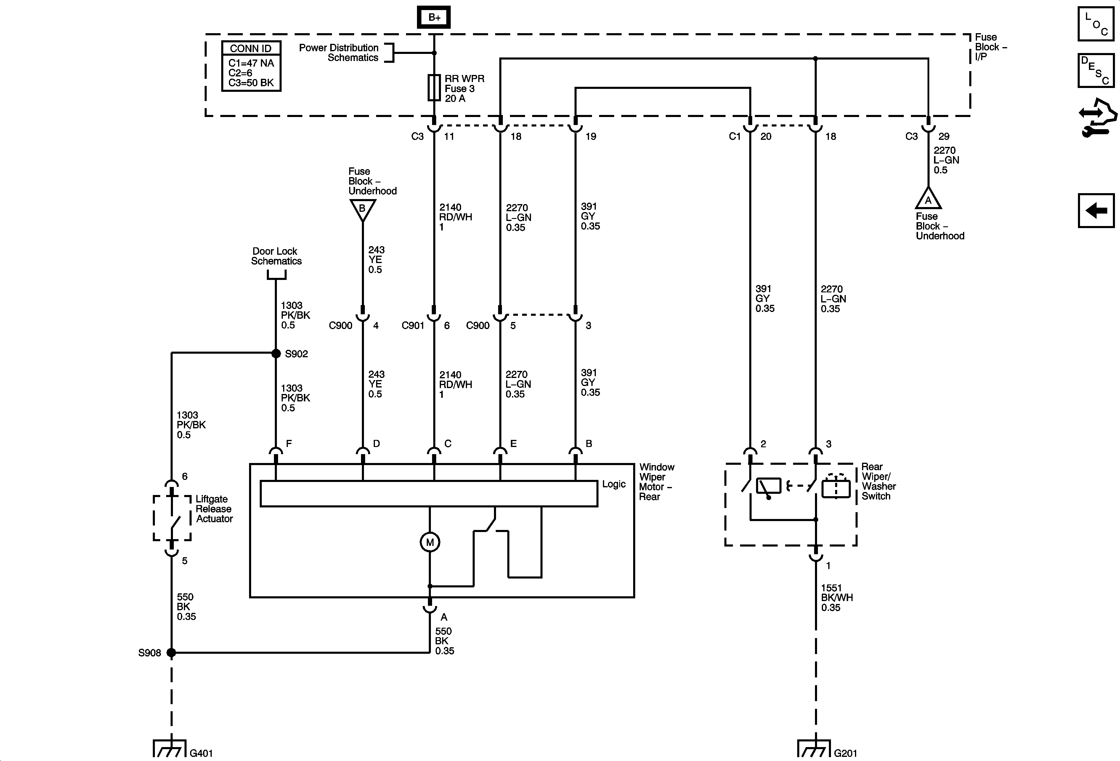
Figure
2:
Rear Wiper/Washer
Master Electrical Component List
Wiper/Washer System Description and Operation
Control Module References
Front Wiper Schematics
B+ BUS 1 of 2
Door Lock/Indicator Schematics
G401
G201