GM Service Manual Online
For 1990-2009 cars only
Figure 1:

Radio (UC1)


Object Number: 1861428  Size: FS
Master Electrical Component List
Radio/Audio System Description and Operation
Control Module References
Radio (U65)
B+ BUS 1 of 2
Low Speed GMLAN
G201
Figure 2:

Radio (U65)


Object Number: 1861429  Size: FS
Master Electrical Component List
Radio/Audio System Description and Operation
Control Module References
Speaker (U65)
B+ BUS 1 of 2
Low Speed GMLAN
G403
G201
Figure 3:

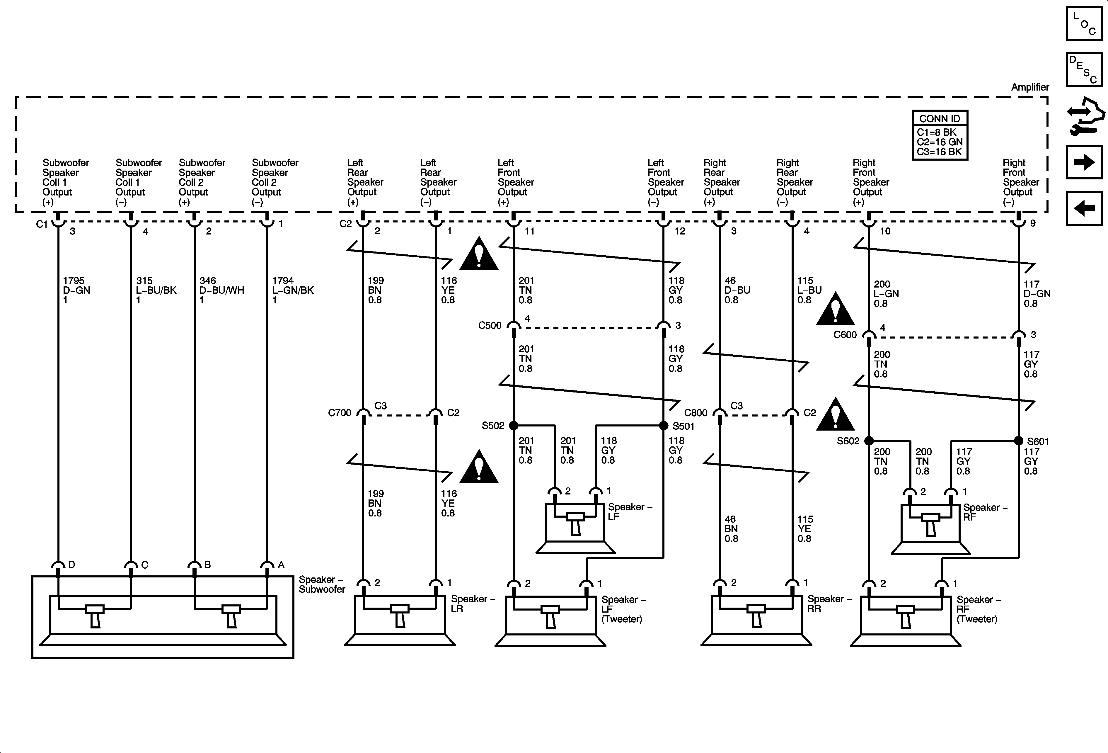
Speaker (U65)


Object Number: 1861430  Size: FS
Master Electrical Component List
Radio/Audio System Description and Operation
Control Module References
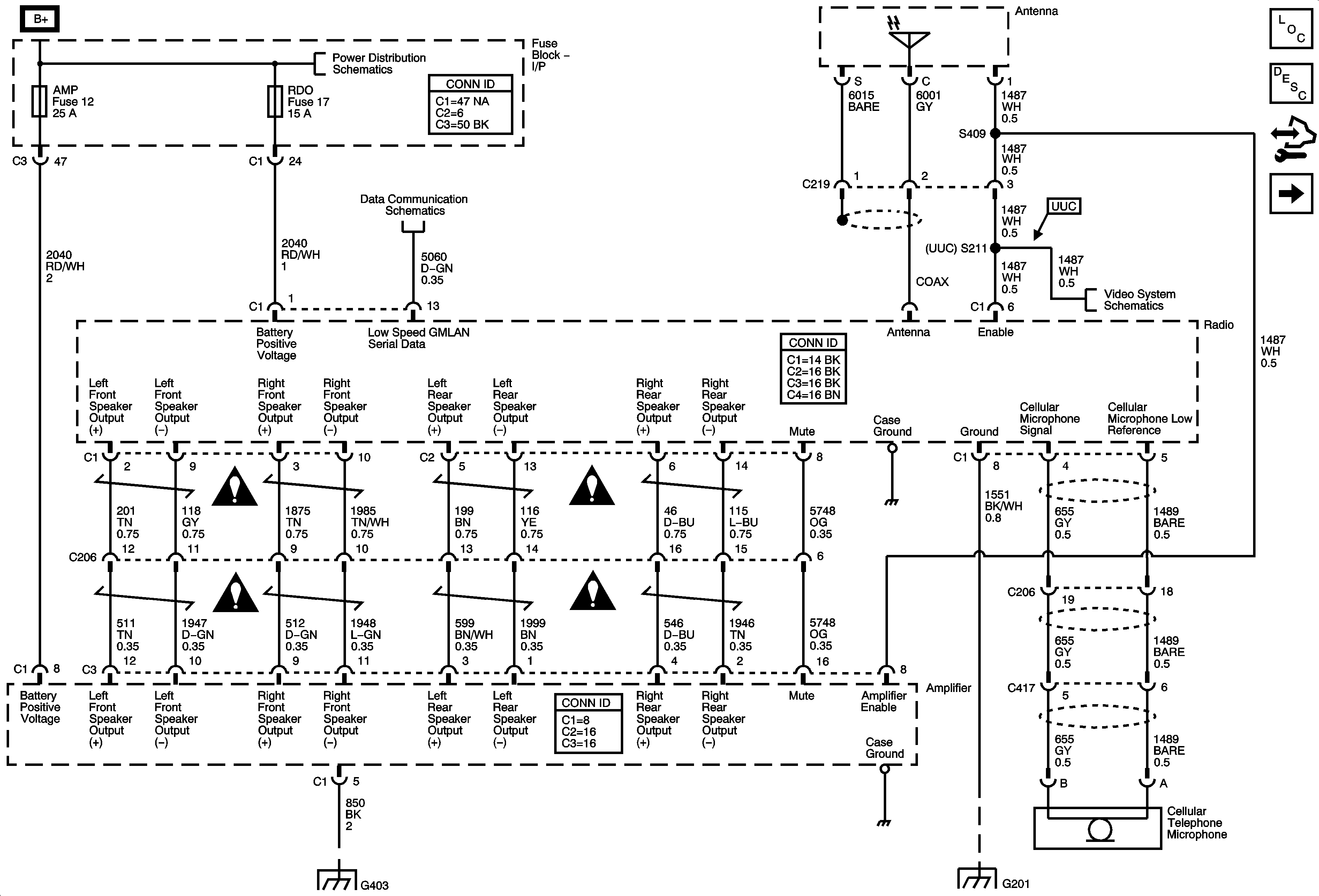
Digital Radio Reciever (U2K)
Radio (U65)
Figure 4:

Digital Radio Reciever (U2K)


Object Number: 1861431  Size: FS
Master Electrical Component List
Radio/Audio System Description and Operation
Control Module References
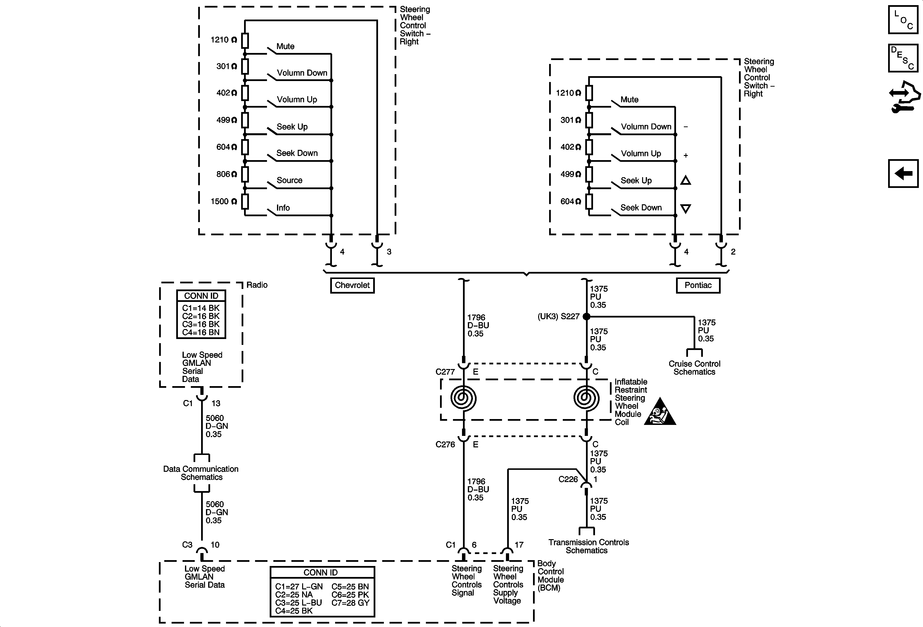
Steering Wheel Controls
Speaker (U65)
B+ BUS 1 of 2
BATT MAIN 1, CAN VENT, CLSTR, HVAC BLOWER, INFO, INT LTS, ONSTAR, REAR DEFOG, AND RVC Fuses
G311
Low Speed GMLAN
Figure 5:

Steering Wheel Controls


Object Number: 1861432  Size: FS
Master Electrical Component List
Radio/Audio System Description and Operation
Control Module References
Digital Radio Reciever (U2K)
Low Speed GMLAN
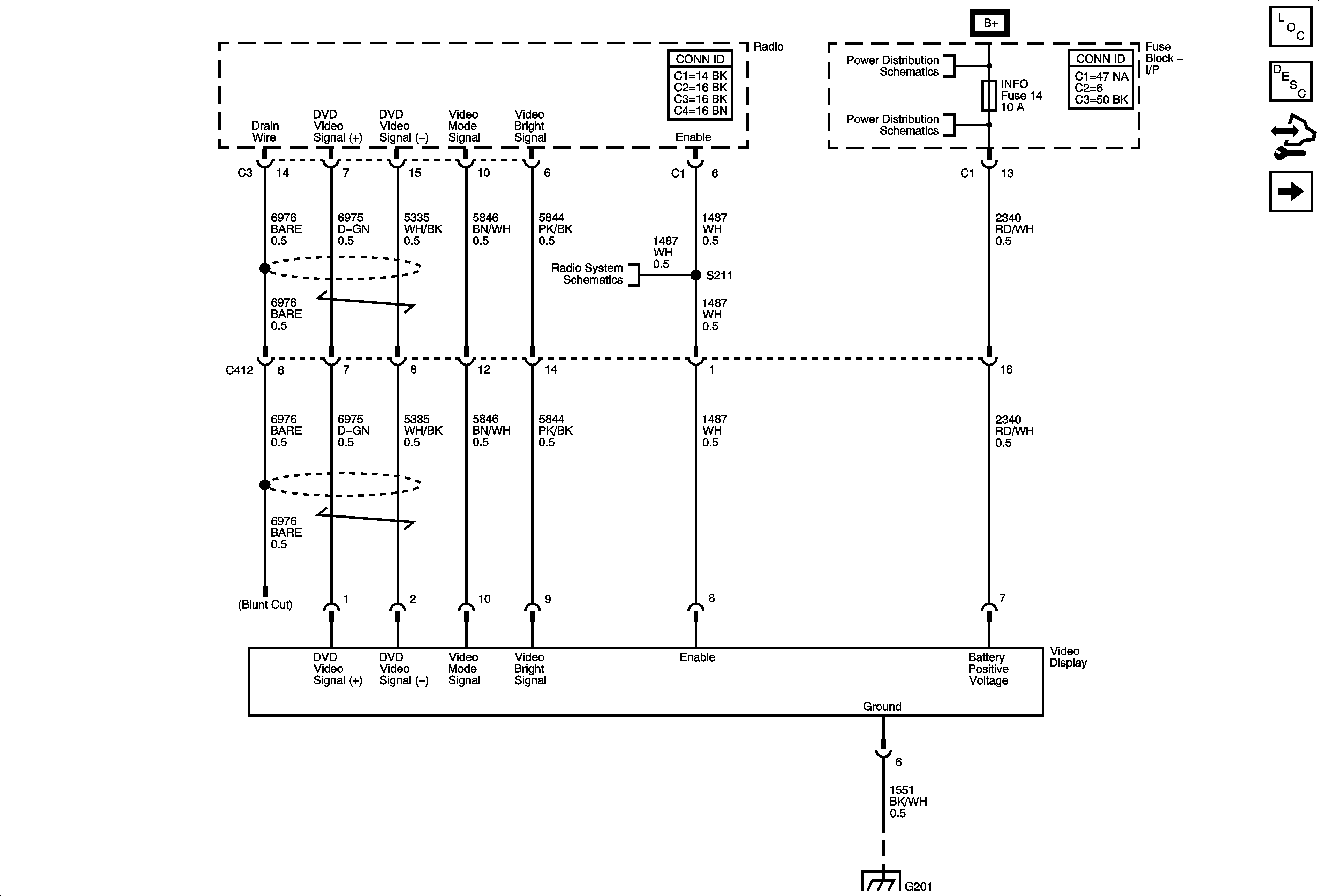
Power and Ground
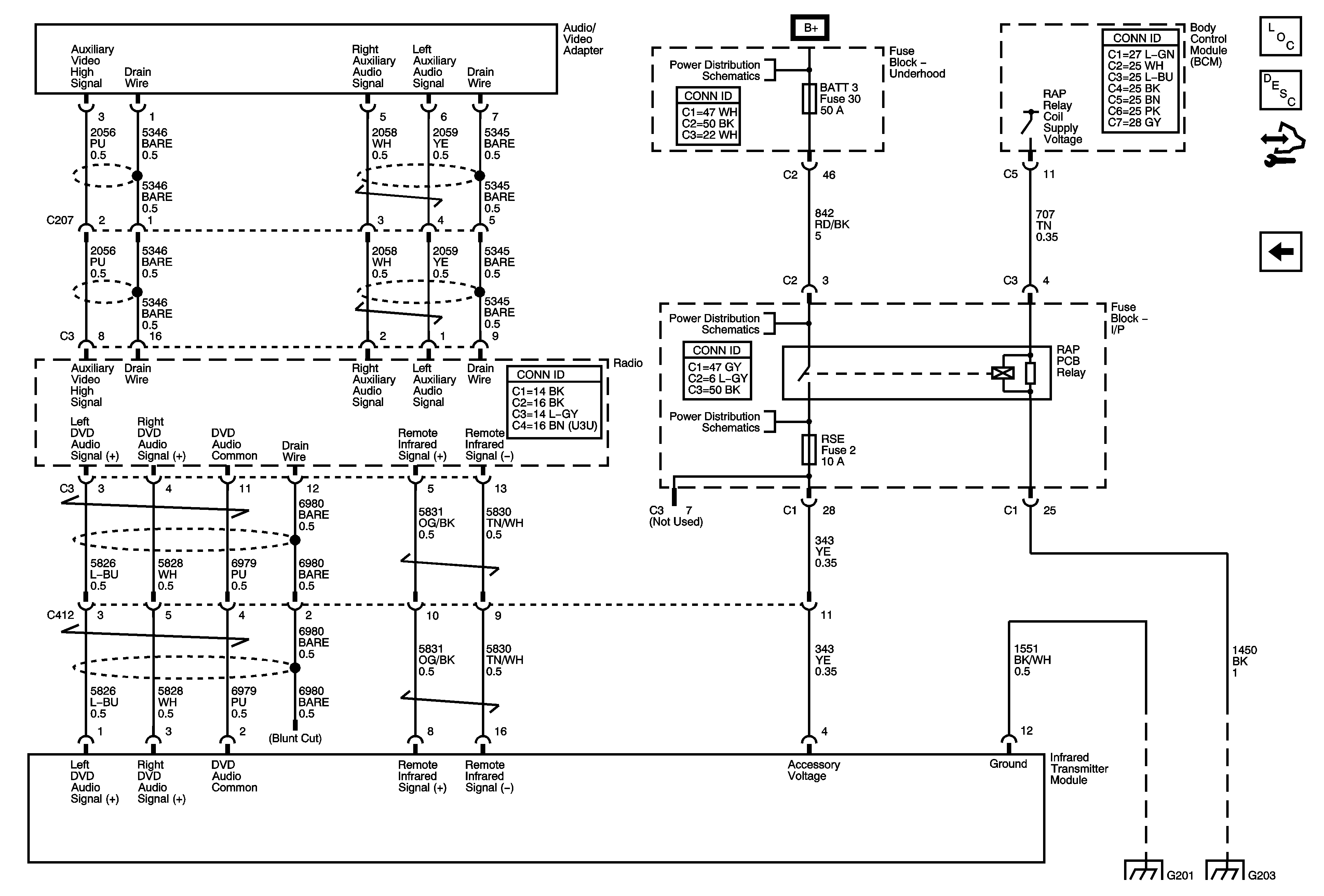
Figure 6:

Power, Ground, and Video Signal


Object Number: 1861433  Size: FS
Master Electrical Component List
Video Entertainment System Description and Operation
Control Module References
Audio Signals
B+ BUS 1 of 2
BATT MAIN 1, CAN VENT, CLSTR, HVAC BLOWER, INFO, INT LTS, ONSTAR, REAR DEFOG, AND RVC Fuses
Radio (U65)
G201
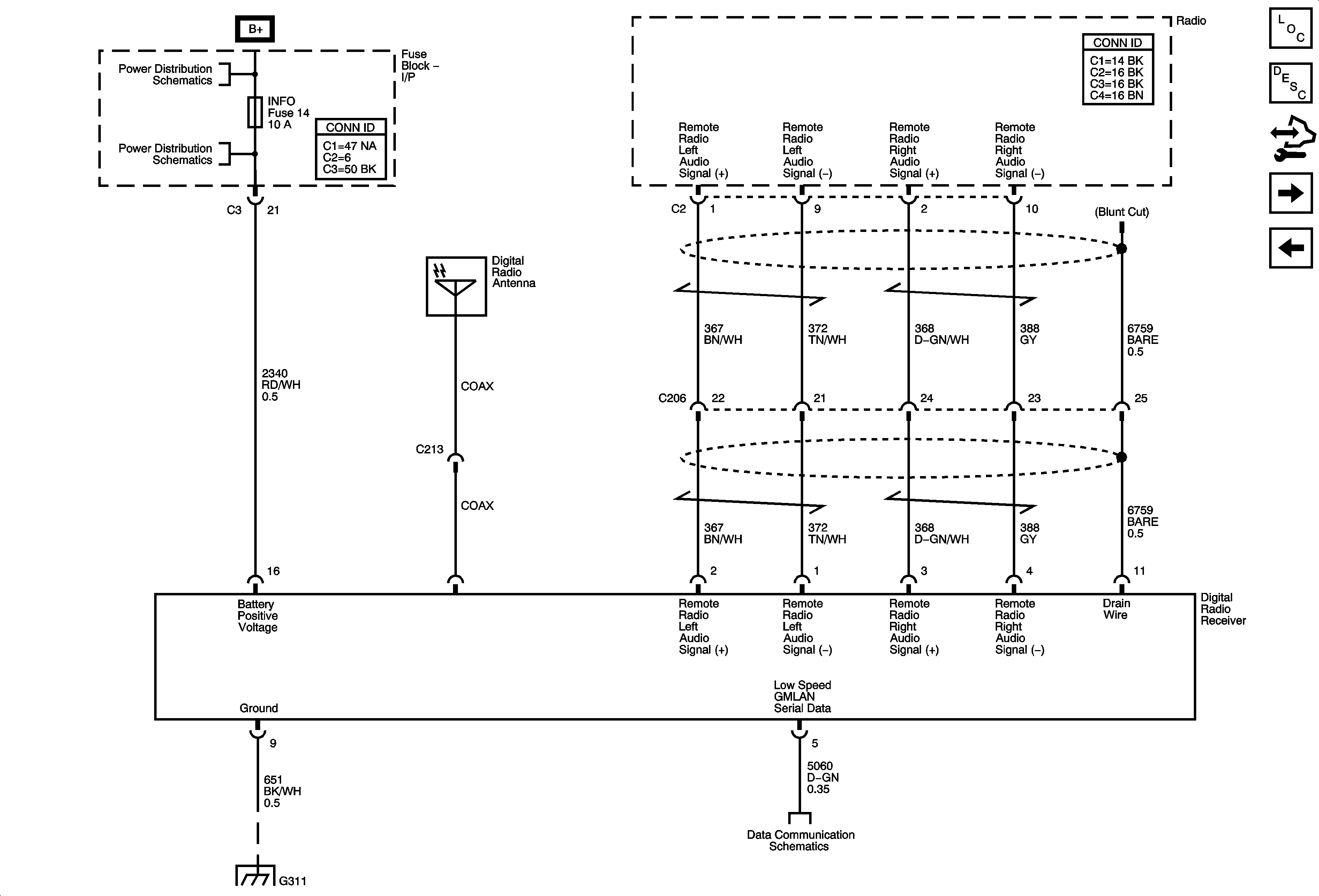
Figure 7:

Audio Signals


Object Number: 1810953  Size: FS
Master Electrical Component List
Video Entertainment System Description and Operation
Control Module References
Power, Ground, and Video Signal
IGN SWITCH, Fuse and Ignition Switch
BATT MAIN 3, DR/LCK, RRWPR, RSE/KEY CAPTR, and S/ROOF Fuses and POWER WNDW
BATT MAIN 3, DR/LCK, RRWPR, RSE/KEY CAPTR, and S/ROOF Fuses and POWER WNDW
G201
G203 and G205