GM Service Manual Online
For 1990-2009 cars only
Figure 1:

Stoplamp and Rear Turn Lamps


Object Number: 706417  Size: FS
Master Electrical Component List
Exterior Lighting Systems Description and Operation
Front Turn Lamps and Cornering Lamps
IGN 1
Batt 2
Cruse Control
Stoplamp and Torque Signals
Front Turn Lamps and Cornering Lamps
Front Turn Lamps and Cornering Lamps
Front Turn Lamps and Cornering Lamps
Front Turn Lamps and Cornering Lamps
G201
G401
G402, Page 2 of 2
Power Bussing for Fuse Block Underhood Page 1 of 2
Figure 2:

Front Turn Lamps and Cornering Lamps


Object Number: 706421  Size: FS
Master Electrical Component List
Exterior Lighting Systems Description and Operation
Front Park Lamps
Stoplamp and Rear Turn Lamps
Stoplamp and Rear Turn Lamps
Stoplamp and Rear Turn Lamps
Stoplamp and Rear Turn Lamps
Stoplamp and Rear Turn Lamps
G101
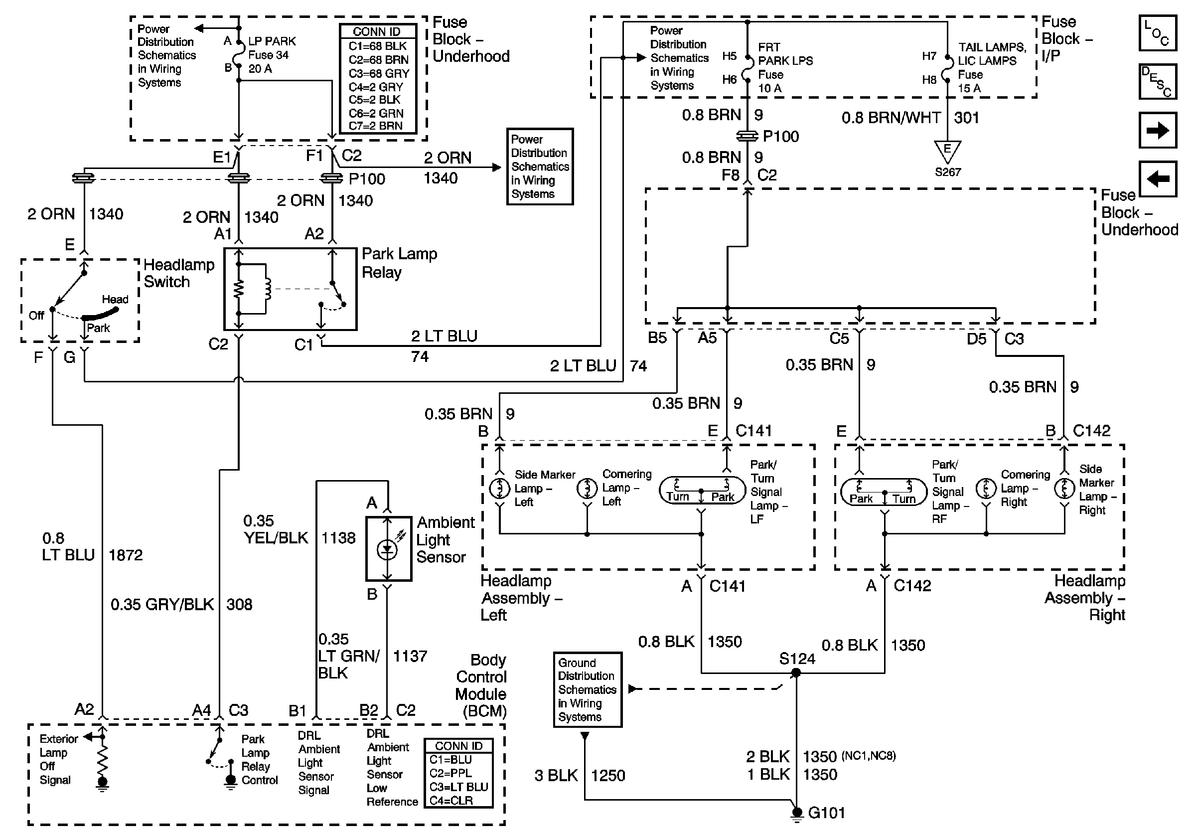
Figure 3:

Front Park Lamps


Object Number: 706427  Size: FS
Master Electrical Component List
Exterior Lighting Systems Description and Operation
Rear Park Lamps and License Lamps
Front Turn Lamps and Cornering Lamps
Power Bussing for Fuse Block Underhood Page 1 of 2
Lighting, Power Windows
Lighting, Power Windows
Rear Park Lamps and License Lamps
G101
Figure 4:

Rear Park Lamps and License Lamps


Object Number: 706443  Size: FS
Master Electrical Component List
Exterior Lighting Systems Description and Operation
Back Up Lights - Regal
Front Park Lamps
Lighting, Power Windows
Front Park Lamps
G402, Page 2 of 2
G401
G402, Page 2 of 2
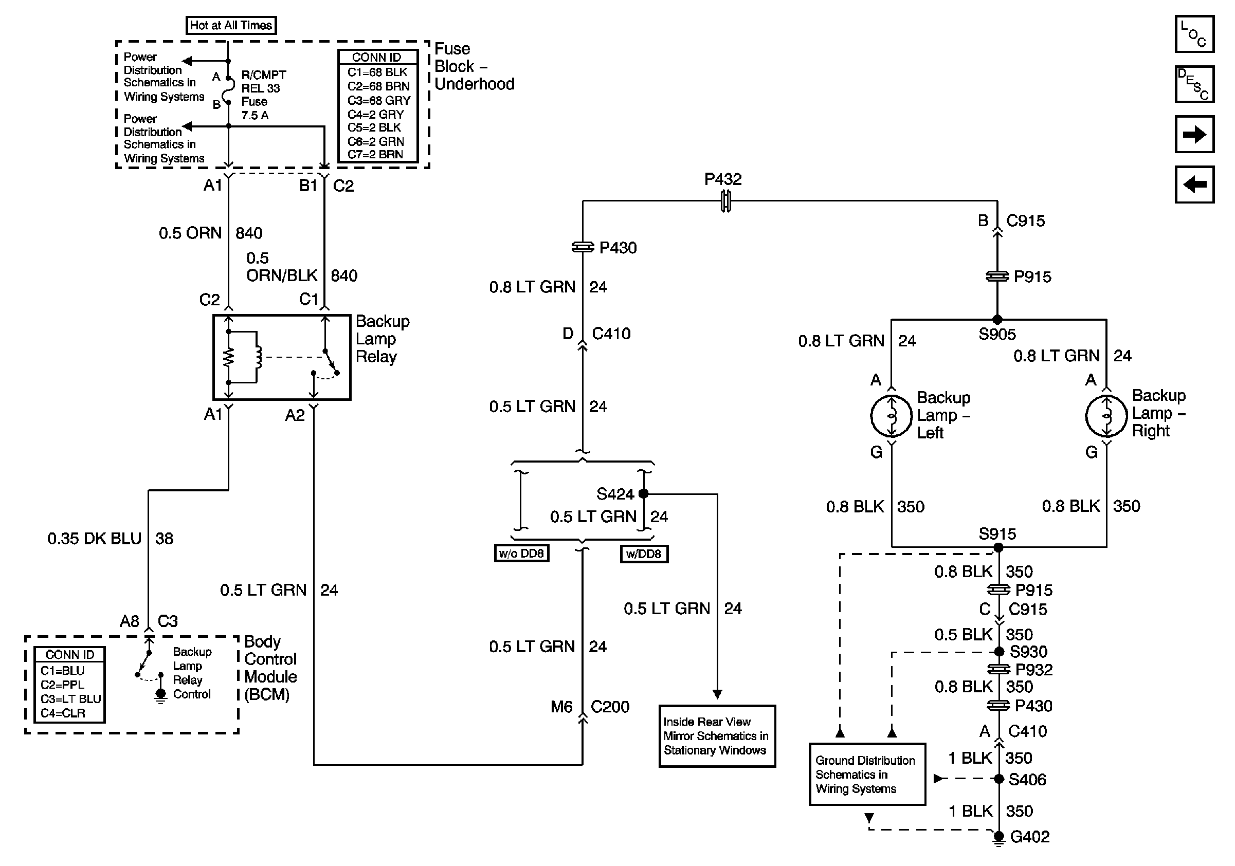
Figure 5:

Back Up Lights -- Regal


Object Number: 706448  Size: FS
Master Electrical Component List
Exterior Lighting Systems Description and Operation
Back Up Lights - Century
Rear Park Lamps and License Lamps
Power Bussing for Fuse Block Underhood Page 1 of 2
Headlamps, Generator
Regal Power, PNP and Ground
G402, Page 2 of 2
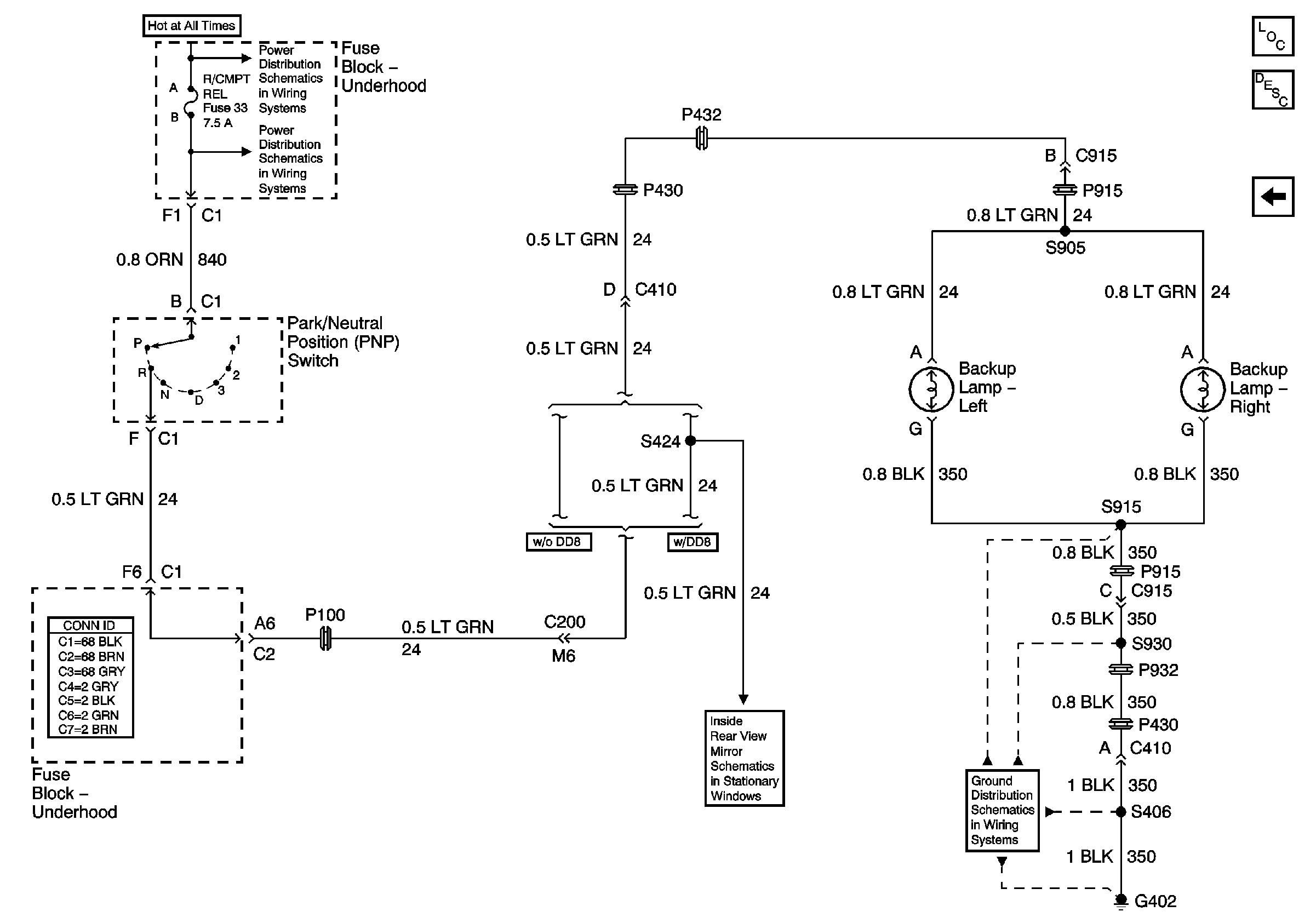
Figure 6:

Back Up Lights -- Century


Object Number: 706454  Size: FS
Master Electrical Component List
Exterior Lighting Systems Description and Operation
Back Up Lights - Regal
Power Bussing for Fuse Block Underhood Page 1 of 2
Headlamps, Generator
Century Power, PNP and Ground
G402, Page 2 of 2