GM Service Manual Online
For 1990-2009 cars only
Figure 1:

Stop Lamps and Rear Turn Lamps


Object Number: 803941  Size: FS
Master Electrical Component List
Exterior Lighting Systems Description and Operation
Front Turn Lamps and Cornering Lamps
PCM, BCM, Cluster, Turn, SDM
Batt 2
Cruise Control
Stop Lamp and Torque Signals
Front Turn Lamps and Cornering Lamps
Front Turn Lamps and Cornering Lamps
Front Turn Lamps and Cornering Lamps
Front Turn Lamps and Cornering Lamps
G201
G401
G402 (Page 2 of 2)
G402 (Page 2 of 2)
Figure 2:

Front Turn Lamps, Cornering Lamps, and DRL


Object Number: 803942  Size: FS
Master Electrical Component List
Exterior Lighting Systems Description and Operation
Front Park Lamps
Stop Lamp and Rear Turn Lamps
Stop Lamp and Rear Turn Lamps
Stop Lamp and Rear Turn Lamps
Stop Lamp and Rear Turn Lamps
Stop Lamp and Rear Turn Lamps
Front Park Lamps
Front Park Lamps
G101
Figure 3:

Front Park Lamps


Object Number: 803943  Size: FS
Master Electrical Component List
Exterior Lighting Systems Description and Operation
Rear Park Lamps and License Lamps
Front Turn Lamps and Cornering Lamps
Fuse Block Underhood Power Bussing (Page 1 of 2)
Lighting, Power Windows
Rear Park Lamps and License Lamps
G101
Figure 4:

Rear Park Lamps and License Lamps


Object Number: 803945  Size: FS
Master Electrical Component List
Exterior Lighting Systems Description and Operation
Back Up Lights (Regal)
Front Park Lamps
Lighting
Front Park Lamps
G402 (Page 2 of 2)
G401
G402 (Page 2 of 2)
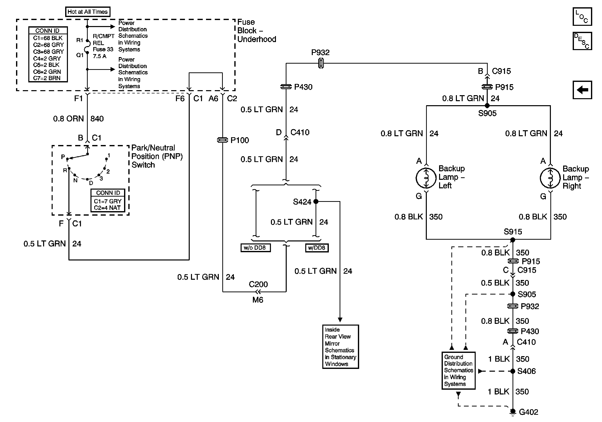
Figure 5:

Back Up Lights - Regal


Object Number: 803946  Size: FS
Master Electrical Component List
Exterior Lighting Systems Description and Operation
Back Up Lights (Century)
Rear Park Lamps and License Lamps
Fuse Block Underhood Power Bussing (Page 1 of 2)
Headlamps, Generator
Power, Ground, and PNP (Regal)
G402 (Page 2 of 2)
Figure 6:

Back Up Lights - Century


Object Number: 803947  Size: FS
Master Electrical Component List
Exterior Lighting Systems Description and Operation
Back Up Lights (Regal)
Fuse Block Underhood Power Bussing (Page 1 of 2)
Headlamps, Generator
Century
G402 (Page 2 of 2)