GM Service Manual Online
For 1990-2009 cars only
Figure 1:

Fuse Block - Underhood B+ Buss


Object Number: 797828  Size: FS
Master Electrical Component List
Batt 1 Fuse
Figure 2:

Fuse Block - Underhood BATT 1 Fuse, Fuse Block -- I/P RADIO HVAC, RFA, CLUSTER, DATA LINK, BCM PWR, INADV POWER BUS, RADIO PREM SOUND, and CIGAR LTR Fuses


Object Number: 797840  Size: FS
Master Electrical Component List
Batt 2
Fuse Block Underhood Power Bussing (Page 1 of 2)
Fuse Block Underhood Power Bussing (Page 1 of 2)
Figure 3:

Fuse Block - Underhood BATT 2 Fuse, Fuse Block - I/P HIGH BLOWER, HAZARD, STOP LAMPS, DOOR LOCKS, and POWER MIRRORS Fuses


Object Number: 797841  Size: FS
Master Electrical Component List
Batt 3
Batt 1 Fuse
Fuse Block Underhood Power Bussing (Page 1 of 2)
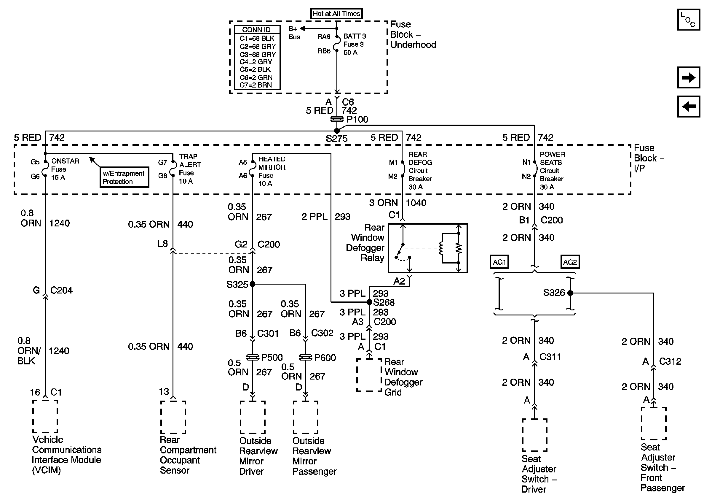
Figure 4:

Fuse Block - Underhood BATT 3 Fuse, Fuse Block - I/P ONSTAR, TRAP ALERT, HEATED MIRROR Fuses, REAR DEFOG, and POWER SEATS Circuit Breakers - Century


Object Number: 797842  Size: FS
Master Electrical Component List
Battery 3 (Regal)
Batt 2
Fuse Block Underhood Power Bussing (Page 1 of 2)
Figure 5:

Fues Block - Underhood BATT 3 Fuse , Fuse Block - I/P TRAP ALERT, ONSTAR, HEATED SEAT, HEATED MIRRORS Fuses, REAR DEFOG, and POWER SEAT Circuit Breakers - Regal


Object Number: 790954  Size: FS
Master Electrical Component List
Power Distribution Schematics (IGN 1)
Batt 3
Fuse Block Underhood Power Bussing (Page 1 of 2)
Figure 6:

Fuse Block - Underhood IGN 1 Fuse


Object Number: 797877  Size: FS
Master Electrical Component List
Power Distribution Schematics (IGN 2)
Battery 3 (Regal)
Fuse Block Underhood Power Bussing (Page 1 of 2)
Figure 7:

Fuse Block - Underhood IGN 2 Fuse


Object Number: 797879  Size: FS
Master Electrical Component List
Fuel Injectors
Power Distribution Schematics (IGN 1)
Fuse Block Underhood Power Bussing (Page 1 of 2)
Figure 8:

Fuse Block - Underhood F/INJR Fuse


Object Number: 797880  Size: FS
Master Electrical Component List
ATX, ICM, O2
Power Distribution Schematics (IGN 2)
Fuse Block Underhood Power Bussing (Page 1 of 2)
Figure 9:

Fuse Block - Underhood TRANS, ELEK IGN, and OXY SEN Fuses


Object Number: 797881  Size: FS
Master Electrical Component List
Stop, EVAP, MAF
Fuel Injectors
Fuse Block Underhood Power Bussing (Page 1 of 2)
Figure 10:

Fuse Block - Underhood ENG EMIS Fuse and AIR PUMP Relay


Object Number: 797882  Size: FS
Master Electrical Component List
Headlamps, Generator
ATX, ICM, O2
Fuse Block Underhood Power Bussing (Page 1 of 2)
Fuse Block Underhood Power Bussing (Page 1 of 2)
Figure 11:

Fuse Block - Underhood HDLP, GEN, ABS, R/CMPT REL, and ECM Fuses


Object Number: 797884  Size: FS
Master Electrical Component List
Fuse Block - Underhood FOG LP Fuse and FOG LP Relay
Stop, EVAP, MAF
Fuse Block Underhood Power Bussing (Page 1 of 2)
Figure 12:

Fuse Block - Underhood FOG LP Fuse and FOG LP Relay


Object Number: 802650  Size: FS
Master Electrical Component List
PCM, BCM, Cluster, Turn, SDM
Headlamps, Generator
Fuse Block Underhood Power Bussing (Page 1 of 2)
Figure 13:

Fuse Block - I/P TURN SIGNALS, CORN LPS, AIR BAG, CLUSTER, PCM, and BCM U/H RELAY Fuses, Fuse Block - Underhood CRANK and IGN MAIN Relays


Object Number: 797887  Size: FS
Master Electrical Component List
Cluster, BCM, PCM, BTSI
Fuse Block - Underhood FOG LP Fuse and FOG LP Relay
Figure 14:

Fuse Block - I/P CRANK SIGNAL, BCM, CLUSTER, IGN 0: CLUSTER, PCM, BCM, and PARK LOCK Fuses


Object Number: 797889  Size: FS
Master Electrical Component List
ABS, BTSI
PCM, BCM, Cluster, Turn, SDM
Figure 15:

Fuse Block - I/P ABS, and BTSI PARK LOCK Fuses


Object Number: 797892  Size: FS
Master Electrical Component List
Lighting, Power Windows
Cluster, BCM, PCM, BTSI
Figure 16:

Fuse Block - Underhood LP PARK Fuse, Fuse Block - I/P FRT PARK LP, FOG LP Fuse and PWR WINDOWS and SUNROOF Circuit Breaker


Object Number: 797893  Size: FS
Master Electrical Component List
Lighting
ABS, BTSI
Fuse Block Underhood Power Bussing (Page 1 of 2)
Lighting
Figure 17:

Fuse Block - I/P TAIL LAMPS, LIC LAMPS, and PANEL DIMMING Fuses


Object Number: 797896  Size: FS
Master Electrical Component List
BCM, Power Drop, Steering Wheel Switches
Lighting, Power Windows
Lighting, Power Windows
Fuse Block Underhood Power Bussing (Page 1 of 2)
BCM, Power Drop, Steering Wheel Switches
Figure 18:

Fuse Block - I/P WIPER, BCM ACC, POWER DROP, RADIO, and STRG WHL CONT Fuses


Object Number: 797898  Size: FS
Master Electrical Component List
Blower, Cruise, HVAC
Lighting
Lighting
SIR Caution
Figure 19:

Fuse Block - I/P LOW BLOWER, CRUISE, and HVAC Fuses


Object Number: 797902  Size: FS
Master Electrical Component List
BCM, Power Drop, Steering Wheel Switches