GM Service Manual Online
For 1990-2009 cars only
Figure 1:

Module Power, Ground, Serial Data, and MIL


Object Number: 1386716  Size: FS
Master Electrical Component List
Powertrain Control Module Description
Engine Data Sensors - 5 Volt and Low Reference
OBD II Symbol Description Notice
Fuse Block - Underhood IGN 1 Fuse
Fuse Block - I/P CRNK SIG, BCM, CLSTR, IGN0: CLSTR, PCM, BCM, ABS, and BTSI Fuses
Fuse Block-Underhood B+ Bus
Fuse Block - I/P TRN/SIG, AIRBAG, CLSTR, and PCM, BCM, U/H Fuses, Fuse Block-Underhood CRANK and IGN MAIN Relays
G100, G113, and G171
Data Link Connector (DLC) Schematics
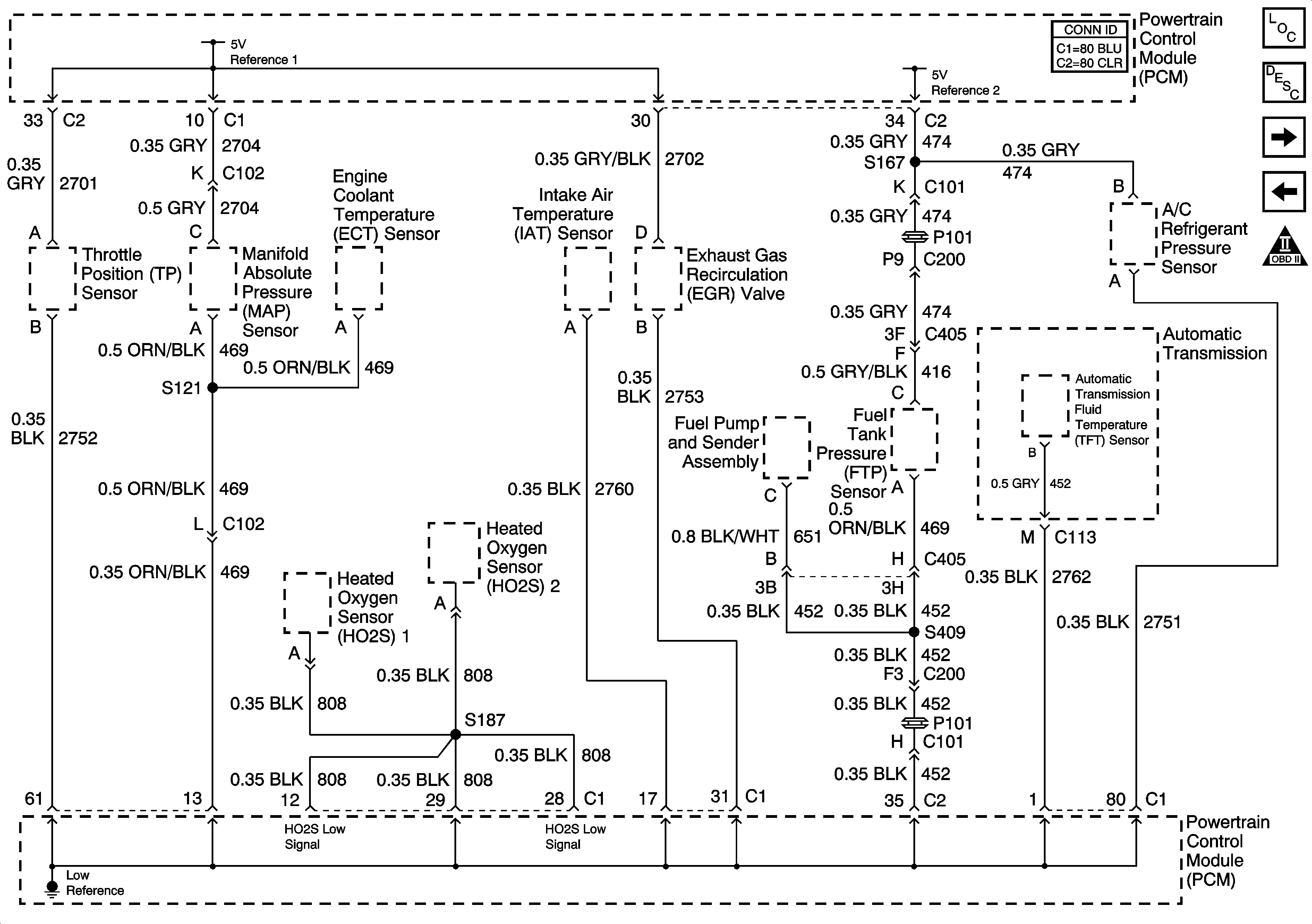
Figure 2:

Engine Data Sensors - 5-Volt and Low Reference


Object Number: 1469920  Size: FS
Master Electrical Component List
Powertrain Control Module Description
Engine Data Sensors - Pressure and Temperature
Module Power, Ground, Serial Data, and MIL
OBD II Symbol Description Notice
Figure 3:

Engine Data Sensors - Pressure and Temperature


Object Number: 1353607  Size: FS
Master Electrical Component List
Powertrain Control Module Description
Engine Data Sensors - MAF, VSS
Engine Data Sensors - 5 Volt and Low Reference
OBD II Symbol Description Notice
Figure 4:

Engine Data Sensors - MAF, VSS


Object Number: 1275561  Size: FS
Master Electrical Component List
Powertrain Control Module Description
Oxygen Sensors
Engine Data Sensors - Pressure and Temperature
OBD II Symbol Description Notice
Fuse Block-Underhood B+ Bus
Fuse Block - Underhood ENG EMIS Fuse
G100, G113, and G171
G100, G113, and G171
Gages
Fluid Pressure Manual Valve Position Switch, ISS and VSS Sensors
Engine Controls Schematic Icons
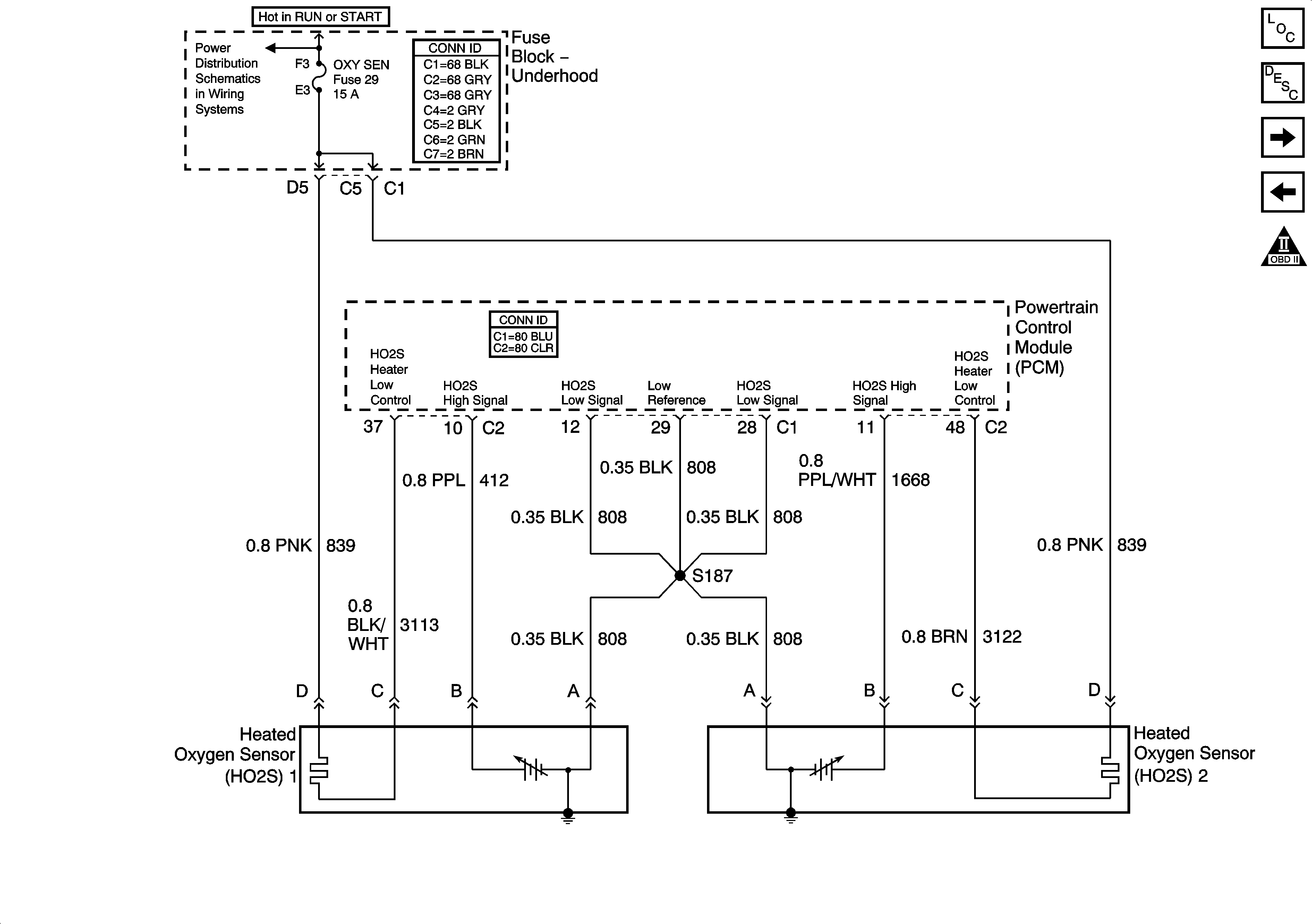
Figure 5:

Oxygen Sensors


Object Number: 1469939  Size: FS
Master Electrical Component List
Powertrain Control Module Description
Ignition Controls
Engine Data Sensors - MAF, VSS
OBD II Symbol Description Notice
Fuse Block-Underhood B+ Bus
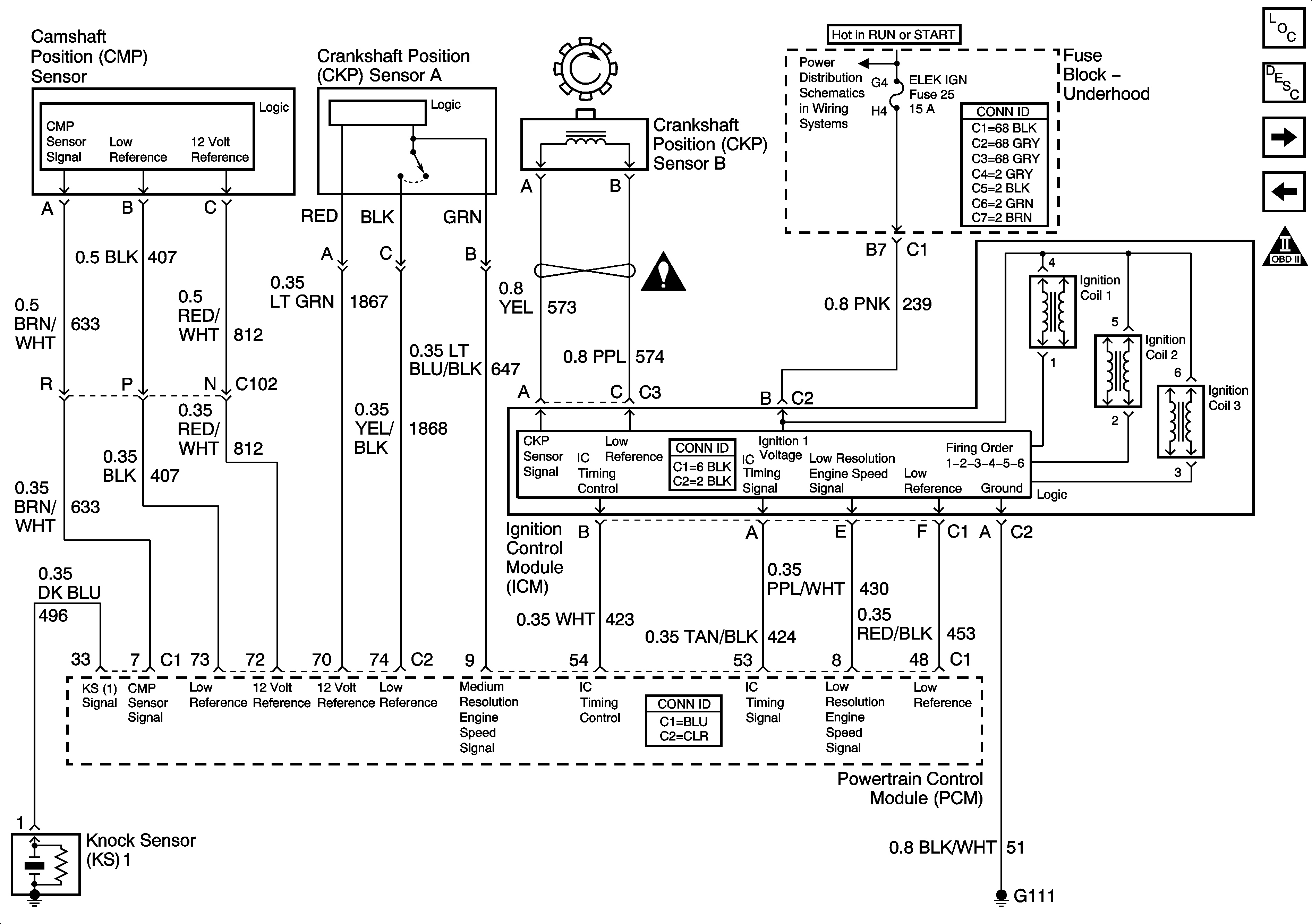
Figure 6:

Ignition Controls


Object Number: 1217241  Size: FS
Master Electrical Component List
Electronic Ignition (EI) System Description
Fuel Pump Controls
Oxygen Sensors
OBD II Symbol Description Notice
Fuse Block-Underhood B+ Bus
Engine Controls Schematic Icons
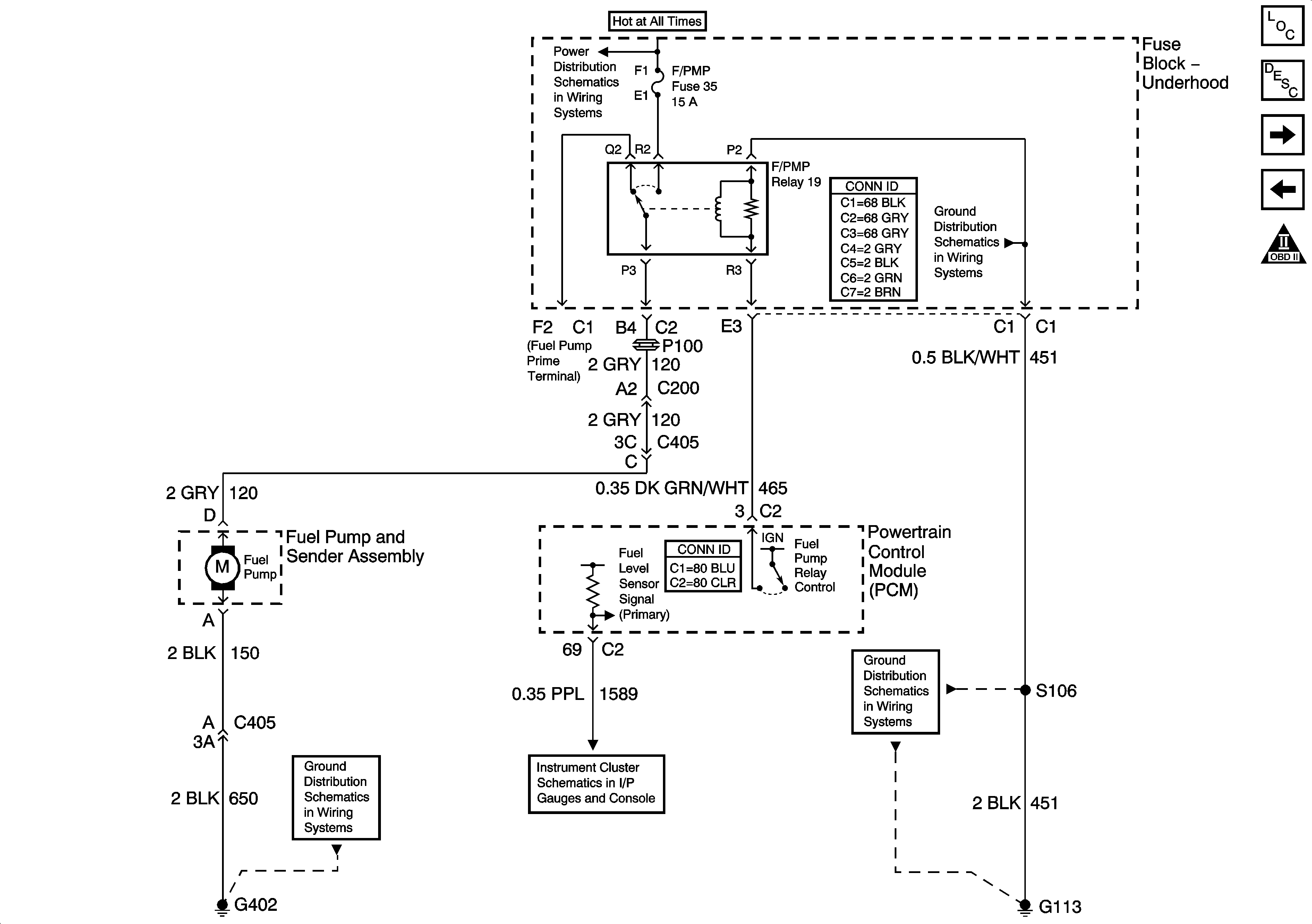
Figure 7:

Fuel Pump Controls


Object Number: 1219230  Size: FS
Master Electrical Component List
Fuel System Description
Fuel Injectors
Ignition Controls
OBD II Symbol Description Notice
Fuse Block-Underhood B+ Bus
G100, G113, and G171
G402, Page 1 of 2
Gages
G100, G113, and G171
Figure 8:

Fuel Injectors


Object Number: 789741  Size: FS
Master Electrical Component List
Fuel System Description
EVAP Controls
Fuel Pump Controls
OBD II Symbol Description Notice
Fuse Block-Underhood B+ Bus
Figure 9:

EVAP Controls


Object Number: 1219269  Size: FS
Master Electrical Component List
Evaporative Emission Control System Description
Device Controls
Fuel Injectors
OBD II Symbol Description Notice
Fuse Block-Underhood B+ Bus
Fuse Block - Underhood ENG EMIS Fuse
Gages
Compressor Controls
Compressor Controls
Figure 10:

Device Controls


Object Number: 1275566  Size: FS
Master Electrical Component List
Exhaust Gas Recirculation (EGR) System Description
Controlled/Monitored Subsystem References
EVAP Controls
OBD II Symbol Description Notice
Figure 11:

Controlled/Monitored Subsystem References


Object Number: 1217243  Size: FS
Master Electrical Component List
Powertrain Control Module Description
Transmission Control References
Device Controls
OBD II Symbol Description Notice
Compressor Controls
Compressor Controls
Compressor Controls
Compressor Controls
Compressor Controls
Engine Cooling Schematics
Charging
Indicators, Page 2 of 2
Cruise Control Schematics
Starting
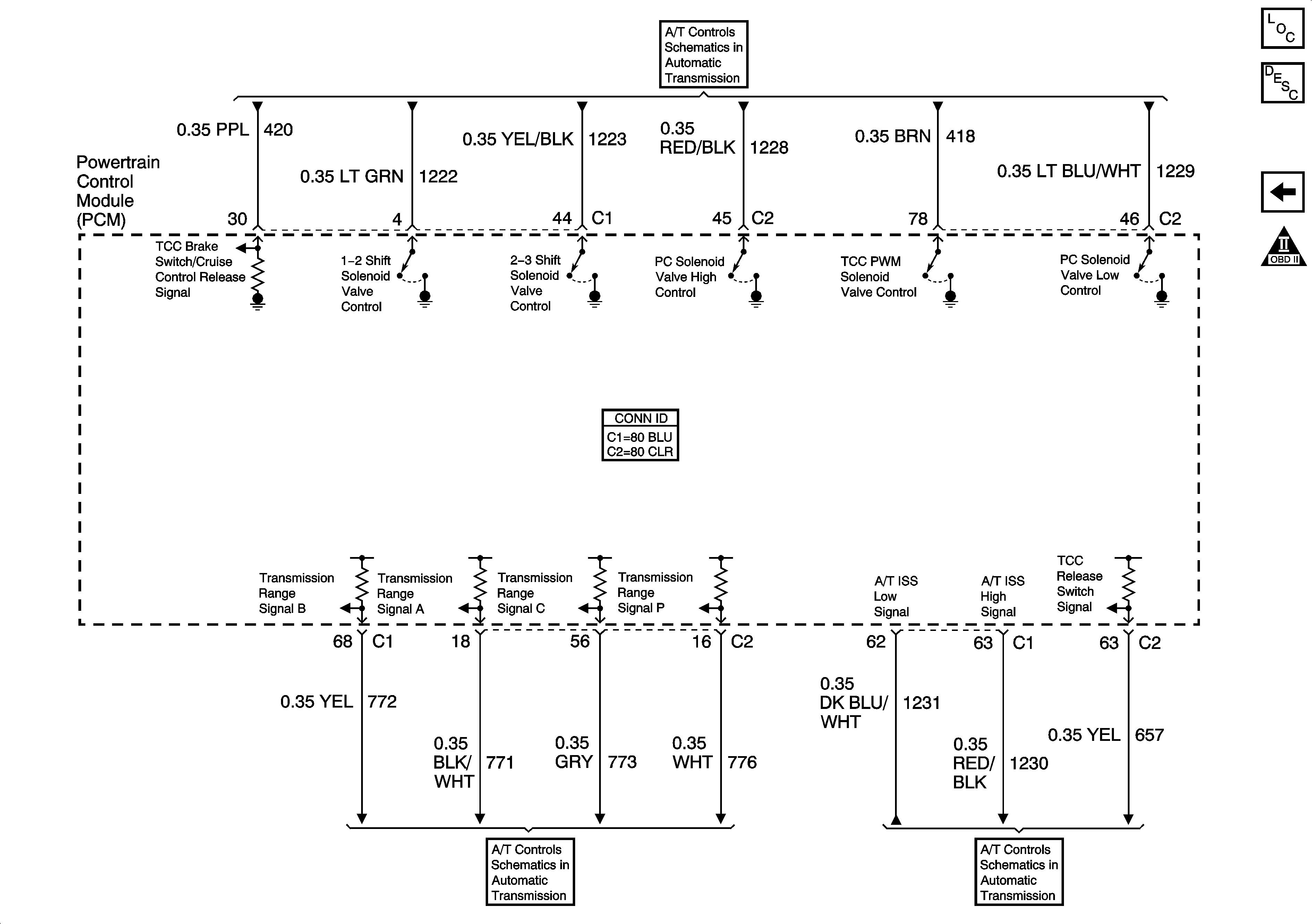
Figure 12:

Transmission Control References


Object Number: 1386740  Size: FS
Master Electrical Component List
Powertrain Control Module Description
Controlled/Monitored Subsystem References
OBD II Symbol Description Notice
Solenoid Controls and TFT Sensor
Internal Mode Switch (IMS)
Fluid Pressure Manual Valve Position Switch, ISS and VSS Sensors