GM Service Manual Online
For 1990-2009 cars only
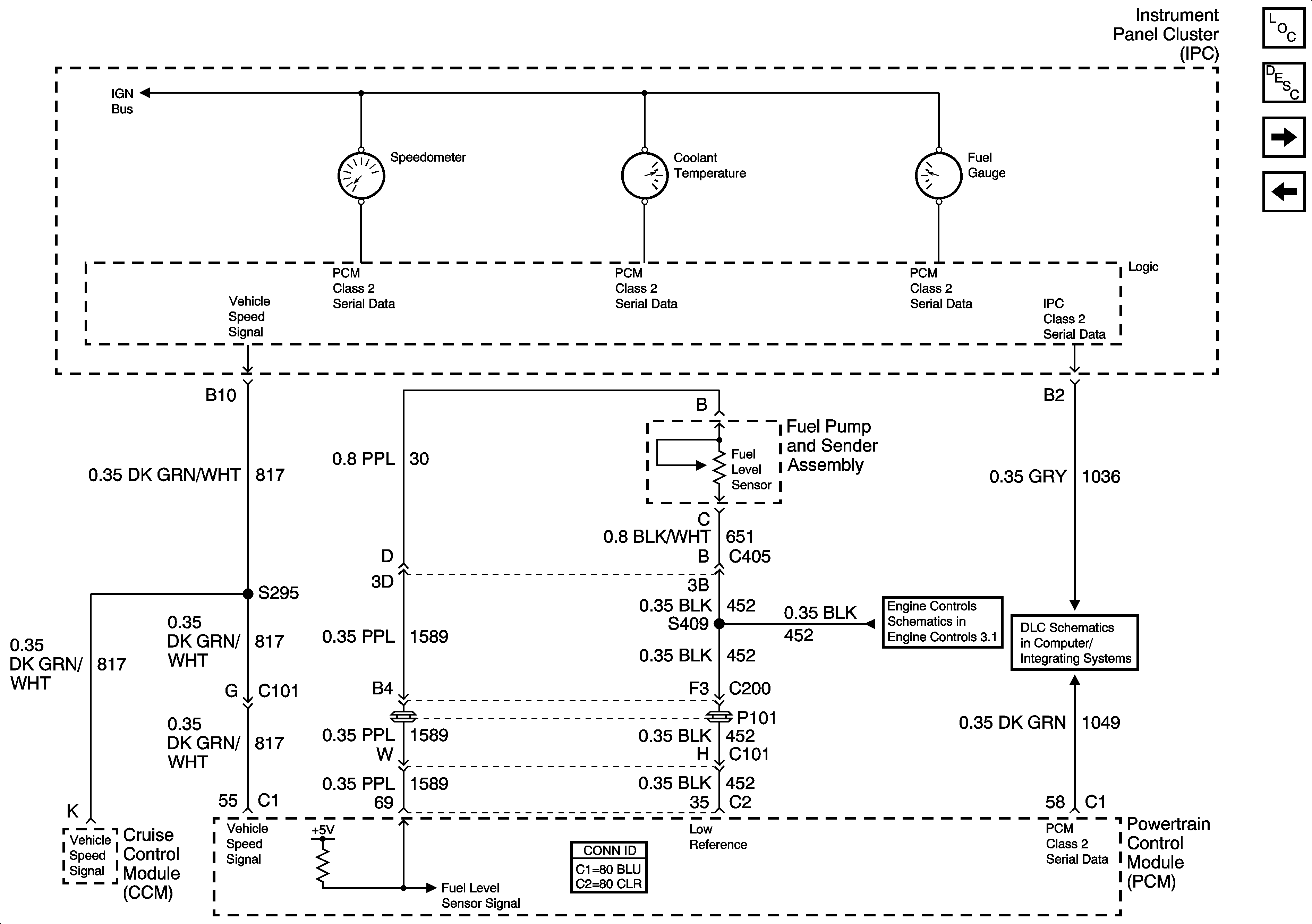
Figure 1:

Power, Ground, and Serial Data


Object Number: 1379552  Size: FS
Master Electrical Component List
Instrument Cluster Description and Operation
Gages
Fuse Block - Underhood BAT 1 Fuse, Fuse Block - I/P RADIO, HVAC, RFA, CLSTR ALDL, BCM PWR, ACCY PWR BUS, RADIO PREM SOUND, and LTR Fuses
Fuse Block - Underhood IGN 1 Fuse
Fuse Block - I/P R/LAMPS and INT/ILLUM Fuses
Fuse Block - Underhood IGN 1 Fuse
Fuse Block - Underhood BAT 1 Fuse, Fuse Block - I/P RADIO, HVAC, RFA, CLSTR ALDL, BCM PWR, ACCY PWR BUS, RADIO PREM SOUND, and LTR Fuses
Fuse Block - I/P CRNK SIG, BCM, CLSTR, IGN0: CLSTR, PCM, BCM, ABS, and BTSI Fuses
Fuse Block - I/P R/LAMPS and INT/ILLUM Fuses
Data Link Connector (DLC) Schematics
G203, Page 1 of 2
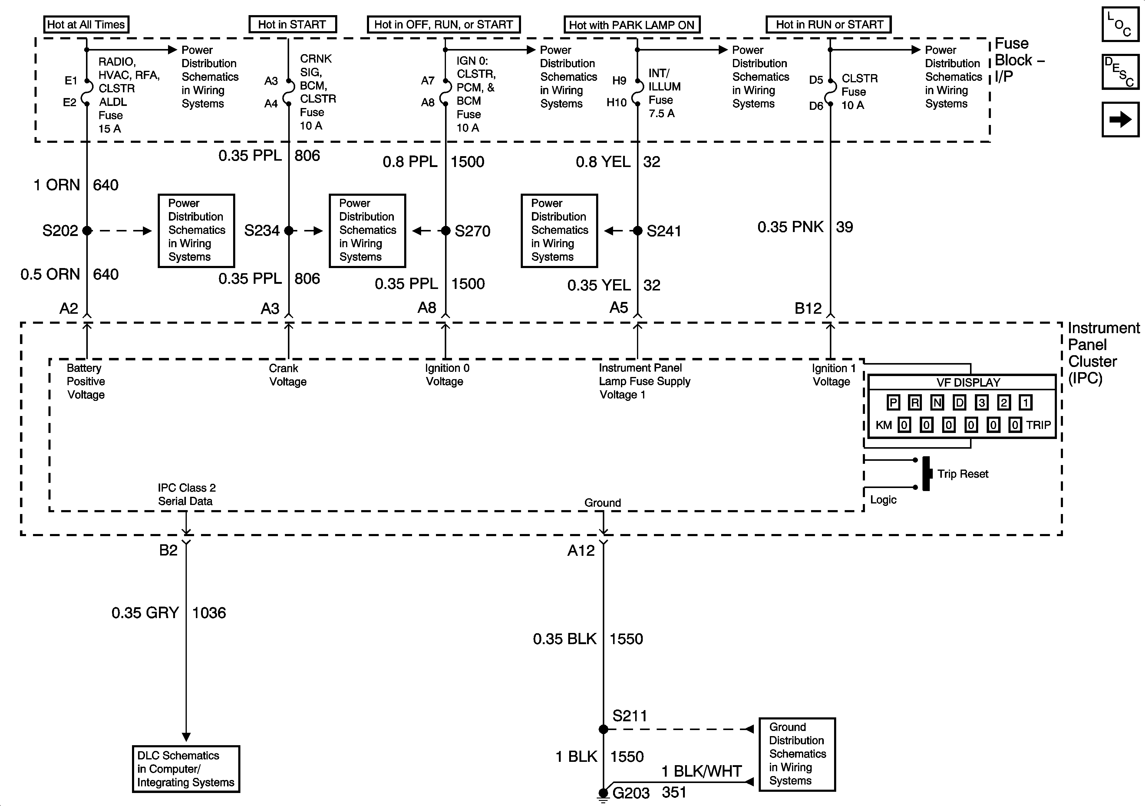
Figure 2:

Gages


Object Number: 1379556  Size: FS
Master Electrical Component List
Driver Information Center (DIC) Description and Operation
Indicators, Page 1 of 2
Power, Ground, and Serial Data
Fuse Block-Underhood B+ Bus
EVAP Controls
Data Link Connector (DLC) Schematics
Figure 3:

Indicators, Page 1 of 2


Object Number: 1379562  Size: FS
Master Electrical Component List
Indicator/Warning Message Description and Operation
Indicators, Page 2 of 2
Gages
DRL, Cornering and Front Turn Lamps
I/P Dimmer Switch, HVAC, and IPC
Module Power, Ground, Serial Data, and MIL
Wiper/Washer System Schematics
Brake Warning System Schematics
Headlamps
G201
Figure 4:

Indicators, Page 2 of 2


Object Number: 1379565  Size: FS
Master Electrical Component List
Indicator/Warning Message Description and Operation
Indicators, Page 1 of 2
Data Link Connector (DLC) Schematics