GM Service Manual Online
For 1990-2009 cars only
Makes
🢒
Buick
🢒
2007
🢒
LaCrosse
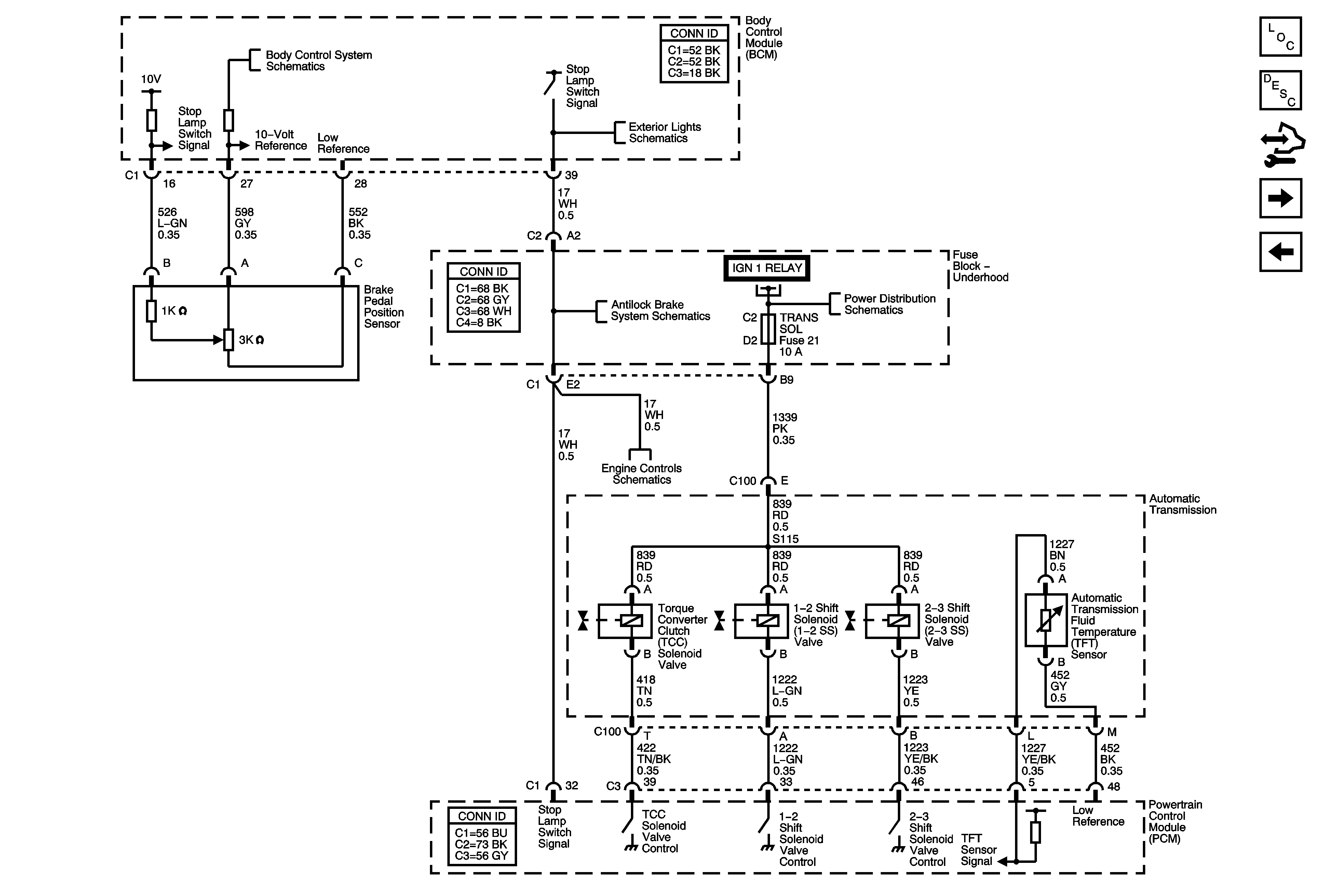
🢒 Shift and TCC Solenoid Valves, TFT Sensor, and Stop Lamp Switch (L26)
Shift and TCC Solenoid Valves, TFT Sensor, and Stop Lamp Switch (L26)
Shift and TCC Solenoid Valves, TFT Sensor, and Stop Lamp Switch (L26)
Master Electrical Component List
Transmission Component and System Description
Control Module References
PC Solenoid Valve, Fluid Pressure Manual Valve Position Switch, ISS and VSS Sensors (L26)
Internal Mode Switch (LY7)
Exterior Lights and Interior Lights References
Turn Signal, Hazard and Stop Lamps Outputs
Data Active Brake and Stability
Fuse Block-Underhood B+ Bus
Fuse Block - Underhood ABS, TRANS SOL, PCM, SIR, and DIPSLAY Fuses, CRANK Relay, and Fuse Block - I/P CRUISE SW Fuse
Electronic Throttle Controls