GM Service Manual Online
For 1990-2009 cars only
Figure 1:

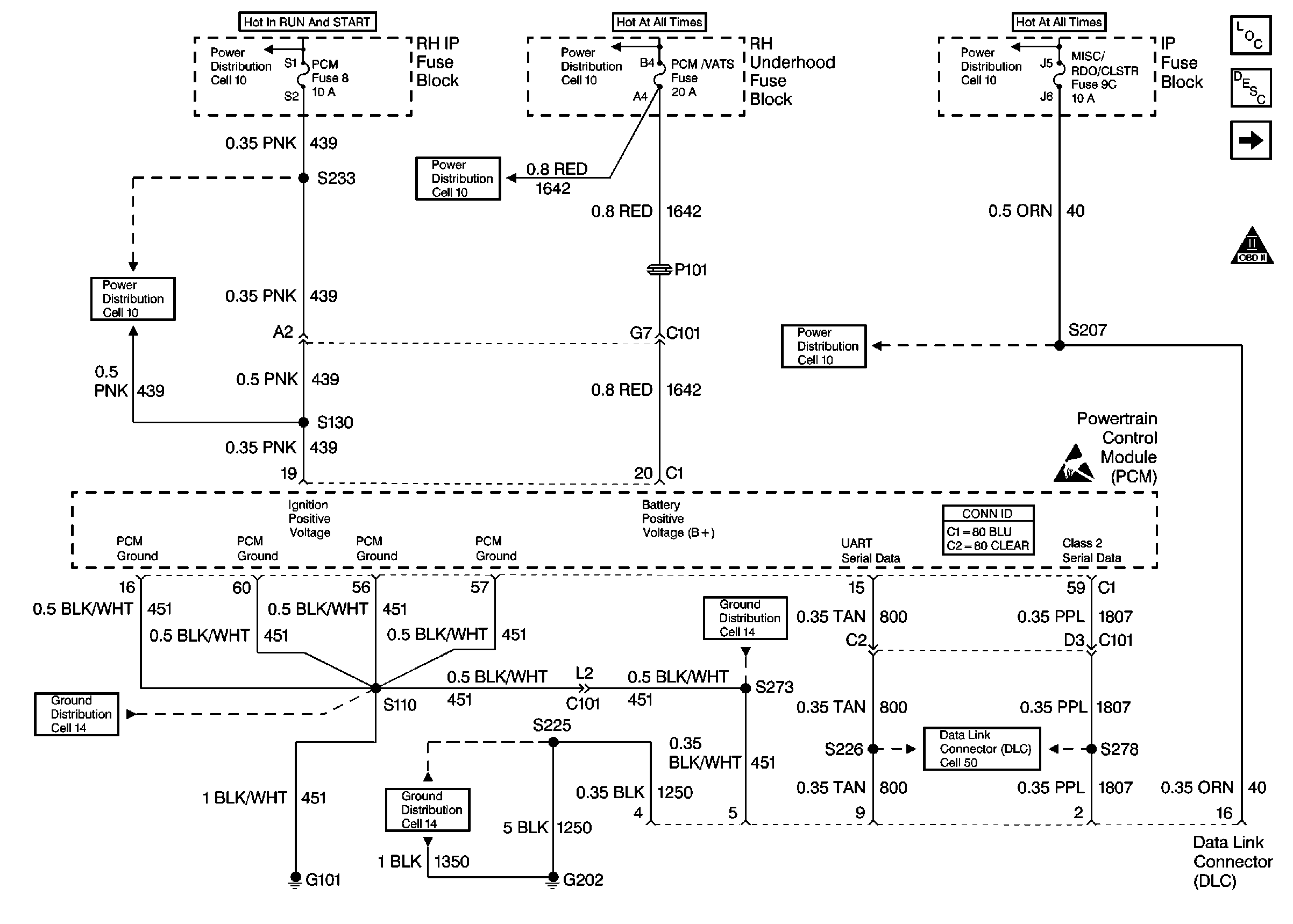
Cell 20: PCM Power, Grounds and DLC


Object Number: 381095  Size: FS
Engine Controls Components
Powertrain Control Module Description
Cell 20: MIL Control
OBD II Symbol Description Notice
Handling ESD Sensitive Parts Notice
Power Distribution Schematics
Power Distribution Schematics
Power Distribution Schematics
Power Distribution Schematics
Power Distribution Schematics
Power Distribution Schematics
Ground Distribution Schematics
Ground Distribution Schematics
Data Link Connector Schematics
Ground Distribution Schematics
Powertrain Control Module Connector End Views
Figure 2:

Cell 20: MIL Control


Object Number: 381096  Size: FS
Engine Controls Components
Powertrain Control Module Description
Cell 20: Ignition Control Module
Cell 20: PCM Power, Grounds and DLC
OBD II Symbol Description Notice
Handling ESD Sensitive Parts Notice
Handling ESD Sensitive Parts Notice
Handling ESD Sensitive Parts Notice
Handling ESD Sensitive Parts Notice
Handling ESD Sensitive Parts Notice
Power Distribution Schematics
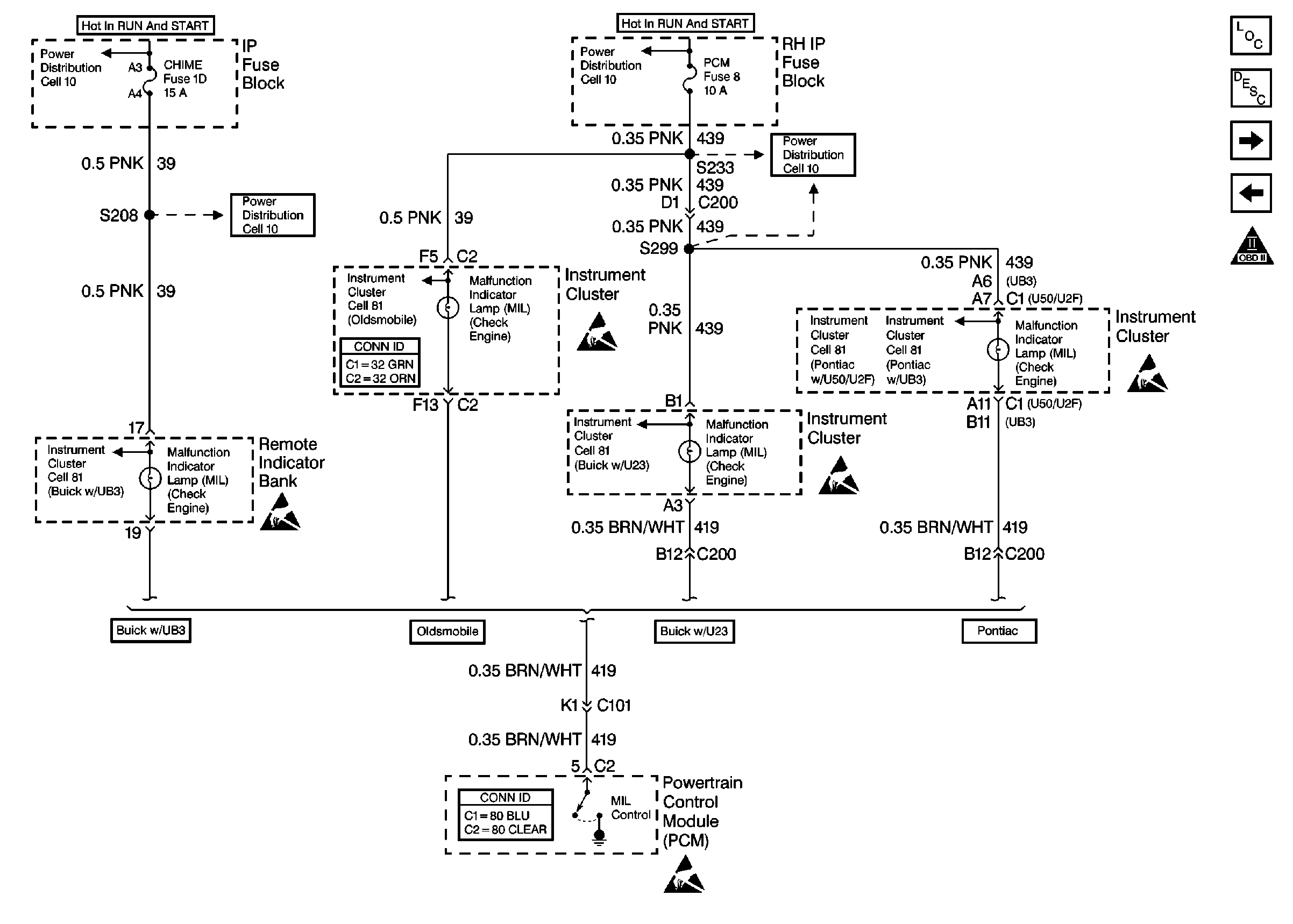
Instrument Cluster: Analog Schematics Pontiac with U50/U2F
Instrument Cluster: Analog Schematics Pontiac with UB3
Instrument Cluster: Analog Schematics Oldsmobile
Instrument Cluster: Analog Schematics Buick with UB3
Instrument Cluster: Analog Schematics Buick with U23
Power Distribution Schematics
Power Distribution Schematics
Power Distribution Schematics
Instrument Cluster and HUD Connector End Views
Powertrain Control Module Connector End Views
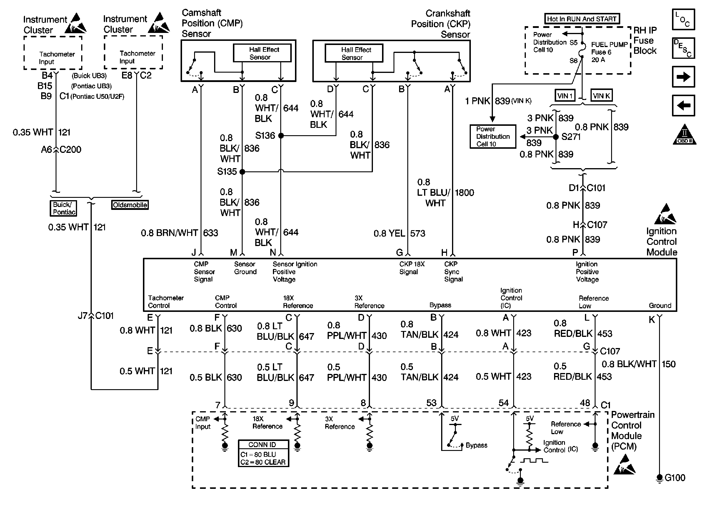
Figure 3:

Cell 20: Ignition Control Module


Object Number: 381097  Size: FS
Engine Controls Components
Powertrain Control Module Description
Cell 20: Fuel Control (VIN K)
Cell 20: MIL Control
OBD II Symbol Description Notice
Handling ESD Sensitive Parts Notice
Handling ESD Sensitive Parts Notice
Handling ESD Sensitive Parts Notice
Power Distribution Schematics
Power Distribution Schematics
Instrument Cluster: Analog Schematics Pontiac with U50/U2F
Instrument Cluster: Analog Schematics Pontiac with UB3
Instrument Cluster: Analog Schematics Buick with UB3
Instrument Cluster: Analog Schematics Oldsmobile
Powertrain Control Module Connector End Views
Figure 4:

Cell 20: Fuel Control (VIN K)


Object Number: 381098  Size: FS
Engine Controls Components
Powertrain Control Module Description
Cell 20: Fuel Control (VIN 1)
Cell 20: Ignition Control Module
OBD II Symbol Description Notice
Handling ESD Sensitive Parts Notice
Handling ESD Sensitive Parts Notice
Power Distribution Schematics
Power Distribution Schematics
Instrument Cluster: Analog Schematics Buick with UB3
Instrument Cluster: Analog Schematics Pontiac with U50/U2F
Instrument Cluster: Analog Schematics Pontiac with UB3
Instrument Cluster: Analog Schematics Buick with U23
Ground Distribution Schematics
Ground Distribution Schematics
Ground Distribution Schematics
Ground Distribution Schematics
Ground Distribution Schematics
Powertrain Control Module Connector End Views
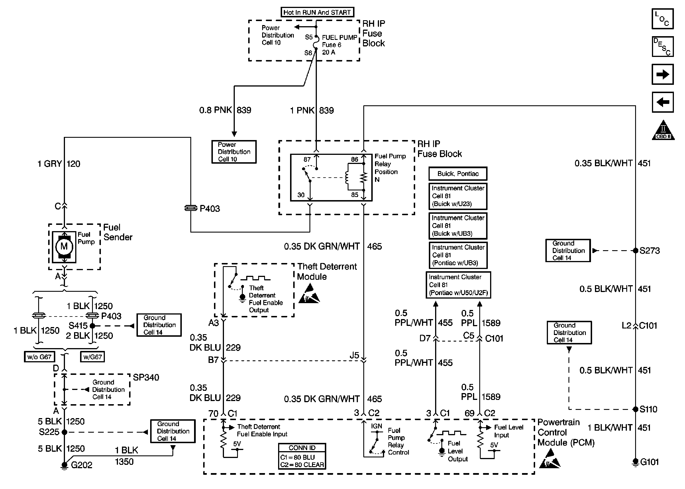
Figure 5:

Cell 20: Fuel Control (VIN 1)


Object Number: 381099  Size: FS
Engine Controls Components
Powertrain Control Module Description
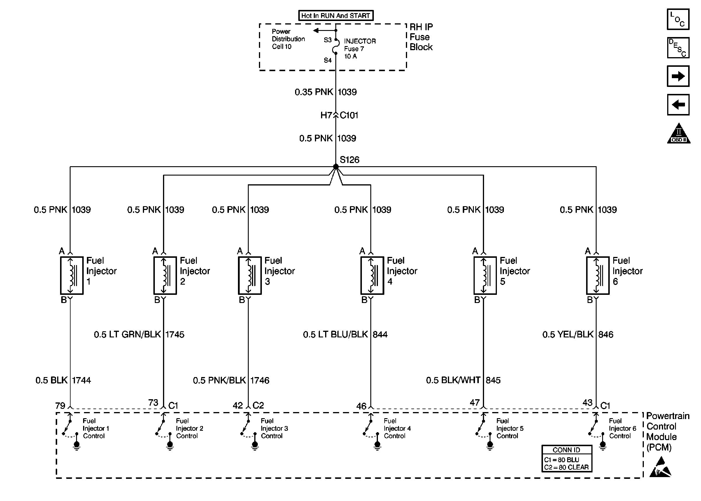
Cell 20: Fuel Injectors
Cell 20: Fuel Control (VIN K)
OBD II Symbol Description Notice
Handling ESD Sensitive Parts Notice
Handling ESD Sensitive Parts Notice
Handling ESD Sensitive Parts Notice
Power Distribution Schematics
Power Distribution Schematics
Power Distribution Schematics
Power Distribution Schematics
Ground Distribution Schematics
Ground Distribution Schematics
Ground Distribution Schematics
Instrument Cluster: Analog Schematics Pontiac with UB3
Instrument Cluster: Analog Schematics Pontiac with U50/U2F
Instrument Cluster: Analog Schematics Buick with U23
Instrument Cluster: Analog Schematics Buick with UB3
Powertrain Control Module Connector End Views
Figure 6:

Cell 20: Fuel Injectors


Object Number: 381101  Size: FS
Engine Controls Components
Powertrain Control Module Description
Cell 20: Sensors
Cell 20: Fuel Control (VIN 1)
OBD II Symbol Description Notice
Handling ESD Sensitive Parts Notice
Power Distribution Schematics
Powertrain Control Module Connector End Views
Figure 7:

Cell 20: Sensors


Object Number: 381102  Size: FS
Engine Controls Components
Powertrain Control Module Description
Cell 20: Heated Oxygen Sensors
Cell 20: Fuel Injectors
OBD II Symbol Description Notice
Handling ESD Sensitive Parts Notice
Handling ESD Sensitive Parts Notice
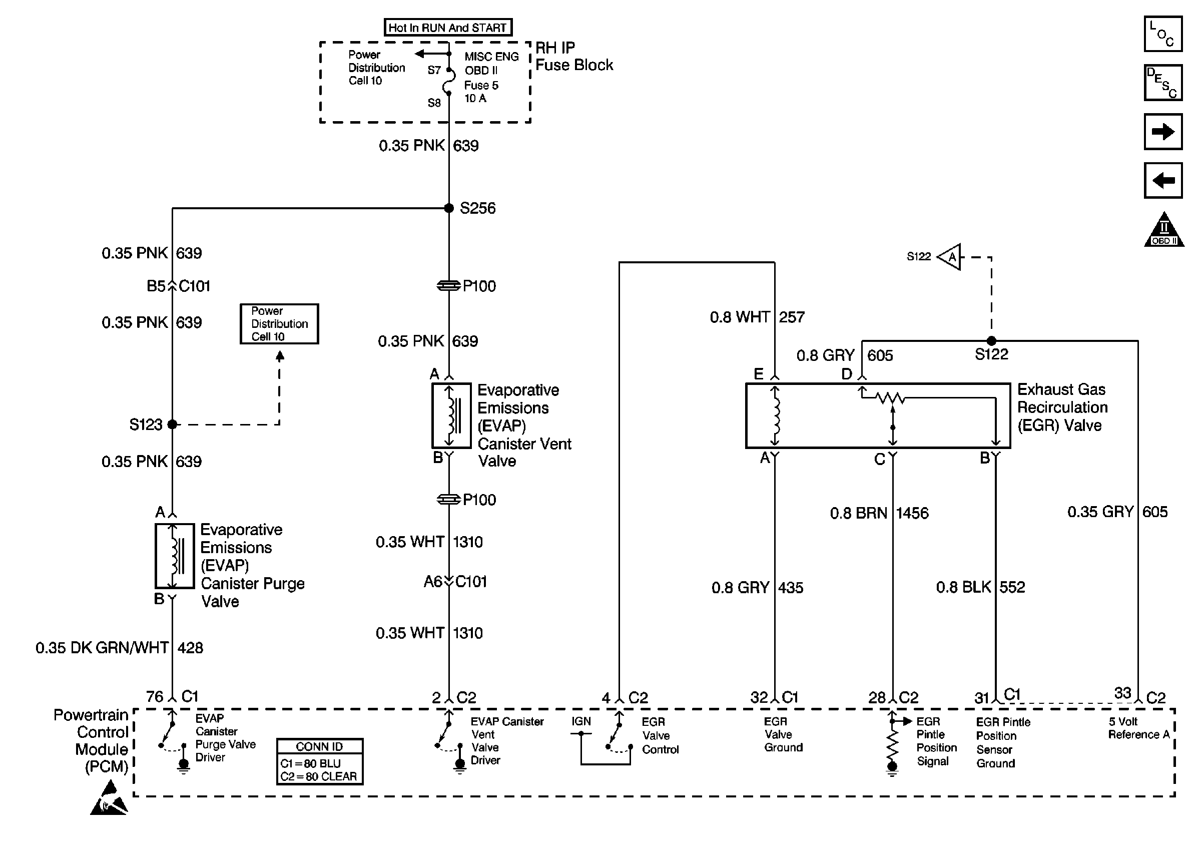
Cell 20: EGR Valve, EVAP System
Instrument Cluster: Analog Schematics Oldsmobile
Instrument Cluster: Analog Schematics Buick with U23
Instrument Cluster: Analog Schematics Buick with UB3
Instrument Cluster: Analog Schematics Pontiac with UB3
Instrument Cluster: Analog Schematics Pontiac with U50/U2F
Cell 20: Shift Select Switch
Cell 20: Transaxle - Sensors and TR Switch
Powertrain Control Module Connector End Views
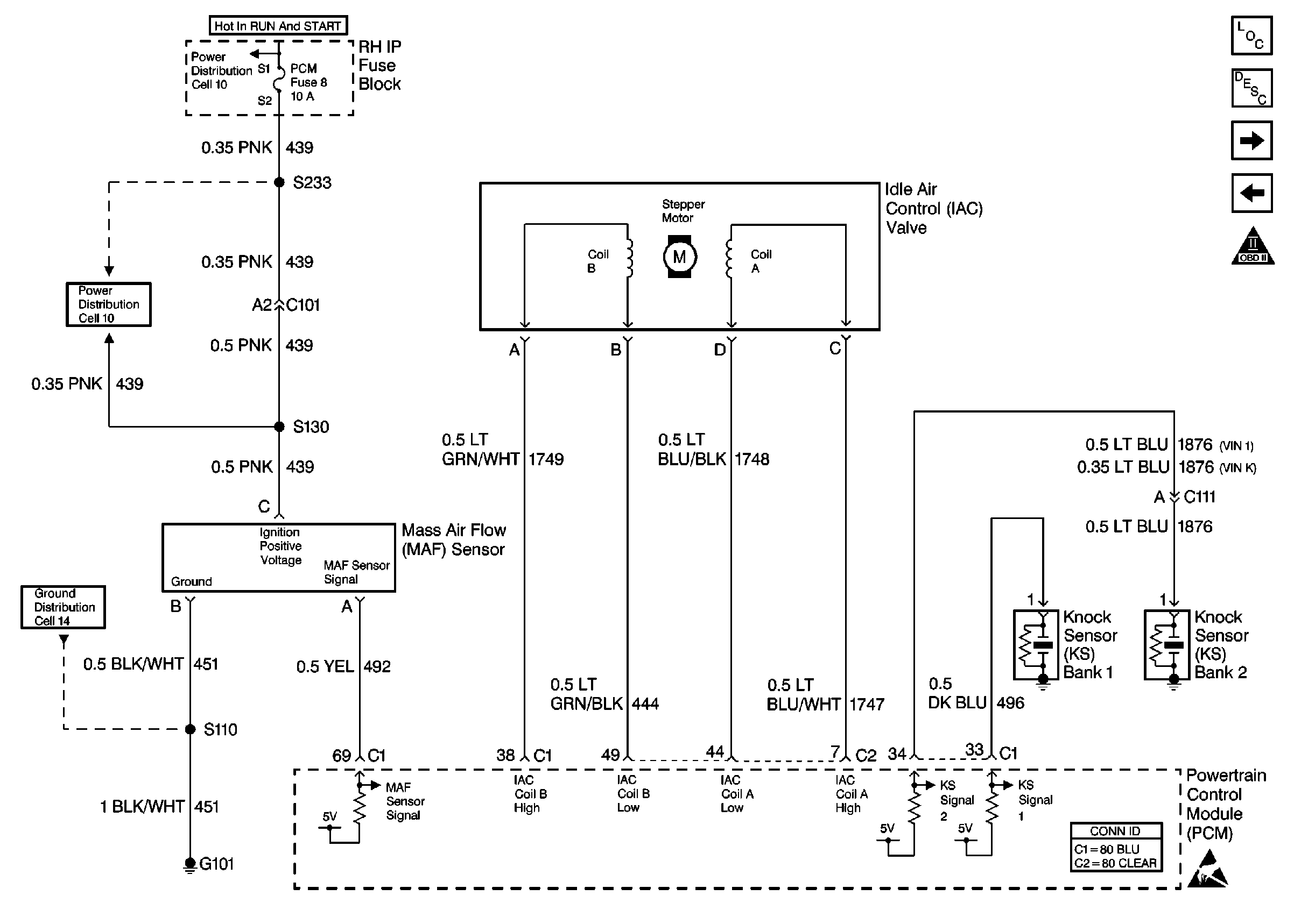
Figure 8:

Cell 20: Heated Oxygen Sensors


Object Number: 381105  Size: FS
Engine Controls Components
Powertrain Control Module Description
Cell 20: MAF, IAC, Knock Sensors
Cell 20: Sensors
OBD II Symbol Description Notice
Handling ESD Sensitive Parts Notice
Power Distribution Schematics
Power Distribution Schematics
Ground Distribution Schematics
Powertrain Control Module Connector End Views
Figure 9:

Cell 20: MAF, IAC, Knock Sensors


Object Number: 381104  Size: FS
Engine Controls Components
Powertrain Control Module Description
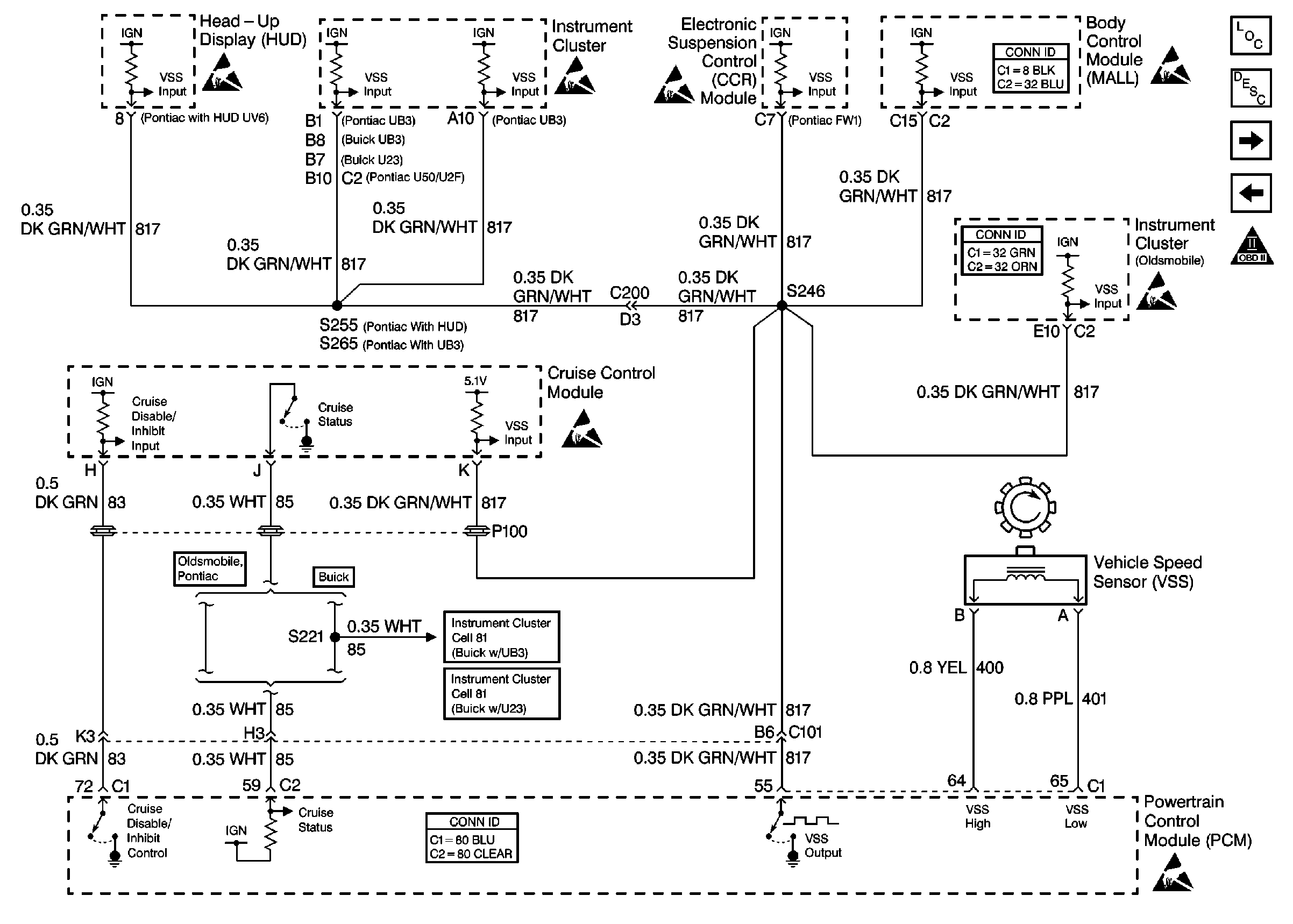
Cell 20: VSS, Cruise Control Module
Cell 20: Heated Oxygen Sensors
OBD II Symbol Description Notice
Handling ESD Sensitive Parts Notice
Power Distribution Schematics
Power Distribution Schematics
Ground Distribution Schematics
Powertrain Control Module Connector End Views
Figure 10:

Cell 20: VSS, Cruise Control Module


Object Number: 381106  Size: FS
Engine Controls Components
Powertrain Control Module Description
Cell 20: EGR Valve, EVAP System
Cell 20: MAF, IAC, Knock Sensors
OBD II Symbol Description Notice
Body Control System Connector End Views
Instrument Cluster and HUD Connector End Views
Handling ESD Sensitive Parts Notice
Handling ESD Sensitive Parts Notice
Handling ESD Sensitive Parts Notice
Handling ESD Sensitive Parts Notice
Handling ESD Sensitive Parts Notice
Handling ESD Sensitive Parts Notice
Handling ESD Sensitive Parts Notice
Instrument Cluster: Analog Schematics Buick with UB3
Instrument Cluster: Analog Schematics Buick with U23
Powertrain Control Module Connector End Views
Figure 11:

Cell 20: EGR Valve, EVAP System


Object Number: 381103  Size: FS
Engine Controls Components
Powertrain Control Module Description
Cell 20: Oil Life, Oil Level Switches
Cell 20: VSS, Cruise Control Module
OBD II Symbol Description Notice
Handling ESD Sensitive Parts Notice
Power Distribution Schematics
Power Distribution Schematics
Cell 20: Sensors
Powertrain Control Module Connector End Views
Figure 12:

Cell 20: Oil Life, Oil Level Switches


Object Number: 381109  Size: FS
Engine Controls Components
Powertrain Control Module Description
Cell 20: Generator, CCR, EBTCM
Cell 20: EGR Valve, EVAP System
OBD II Symbol Description Notice
Handling ESD Sensitive Parts Notice
Instrument Cluster: Analog Schematics Buick with UB3
Instrument Cluster: Analog Schematics Pontiac with U50/U2F
Instrument Cluster: Analog Schematics Buick with U23
Instrument Cluster: Analog Schematics Buick with UB3
Instrument Cluster: Analog Schematics Oldsmobile
Instrument Cluster: Analog Schematics Buick with UB3
Instrument Cluster: Analog Schematics Pontiac with U50/U2F
Instrument Cluster: Analog Schematics Buick with UB3
Instrument Cluster: Analog Schematics Buick with UB3
Ground Distribution Schematics
Ground Distribution Schematics
Ground Distribution Schematics
Ground Distribution Schematics
Powertrain Control Module Connector End Views
Figure 13:

Cell 20: Generator, CCR, EBTCM


Object Number: 381110  Size: FS
Engine Controls Components
Powertrain Control Module Description
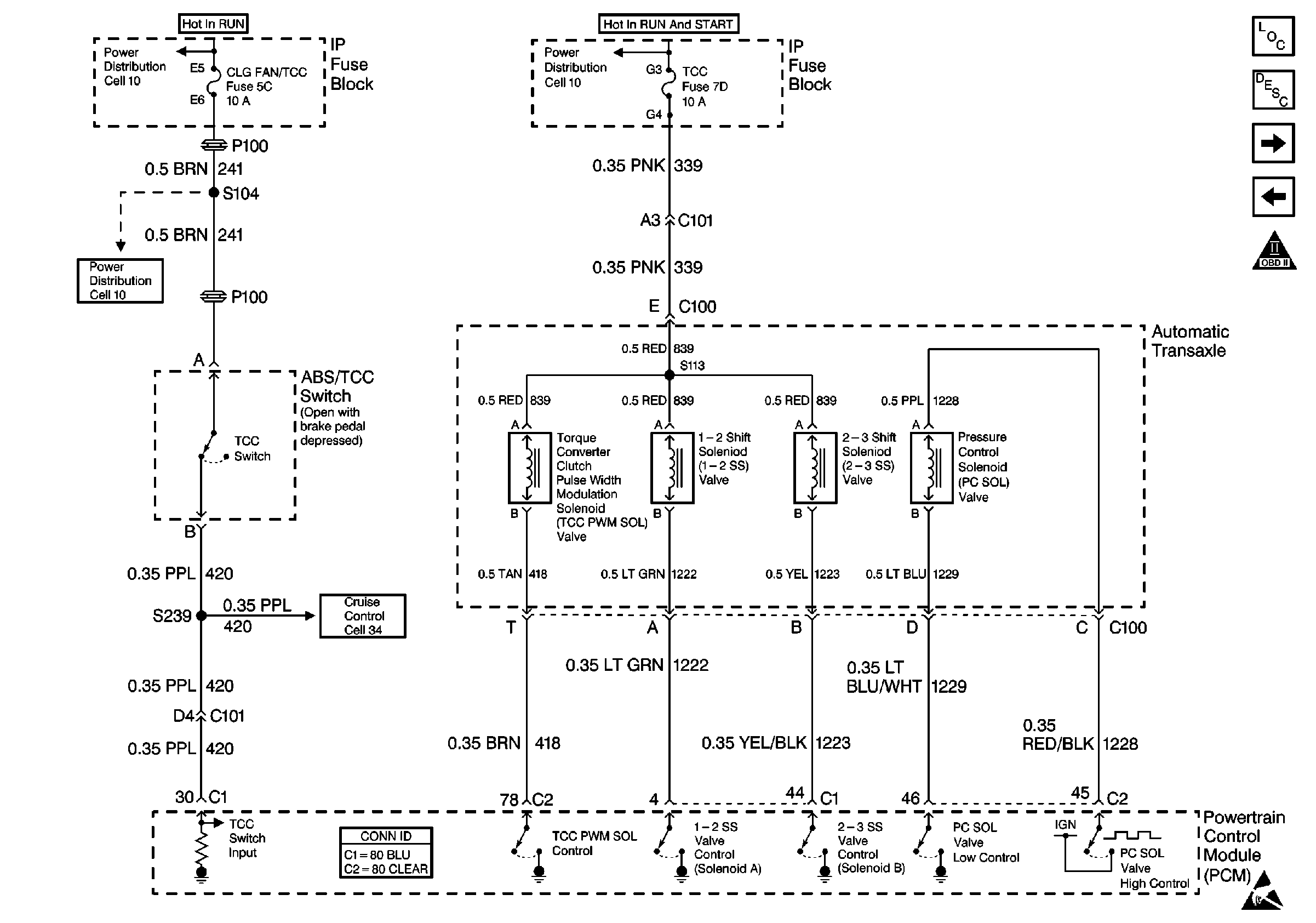
Cell 20: Transaxle - Solenoids
Cell 20: Oil Life, Oil Level Switches
OBD II Symbol Description Notice
Handling ESD Sensitive Parts Notice
Handling ESD Sensitive Parts Notice
Handling ESD Sensitive Parts Notice
Cell 30: VOLT Indicator Controls
Powertrain Control Module Connector End Views
Figure 14:

Cell 20: Transaxle -- Solenoids


Object Number: 381117  Size: FS
Engine Controls Components
Powertrain Control Module Description
Cell 20: Transaxle - Sensors and TR Switch
Cell 20: Park/Neutral Position (PNP) Switch - Buick/Pontiac
OBD II Symbol Description Notice
Handling ESD Sensitive Parts Notice
Cell 10: ABS/CCR and CLG FAN/TCC Fuses
Cell 10: ABS/CCR and CLG FAN/TCC Fuses
Cell 34: Multifunction Lever
Cell 10: NON OBD II MISC ENG, TCC, and IGN OFF/UNLOCK Fuses
Powertrain Control Module Connector End Views
Figure 15:

Cell 20: Transaxle -- Sensors and TR Switch


Object Number: 381118  Size: FS
Engine Controls Components
Powertrain Control Module Description
Cell 20: Park/Neutral Position (PNP) Switch - Buick/Pontiac
Cell 20: Transaxle - Solenoids
OBD II Symbol Description Notice
Handling ESD Sensitive Parts Notice
Handling ESD Sensitive Parts Notice
Cell 20: Sensors
Cell 20: Shift Select Switch
Powertrain Control Module Connector End Views
Figure 16:

Cell 20: Park/Neutral Position (PNP) Switch -- Buick/Pontiac


Object Number: 381107  Size: FS
Engine Controls Components
Powertrain Control Module Description
Cell 20: Transaxle - Solenoids
Cell 20: Transaxle - Sensors and TR Switch
OBD II Symbol Description Notice
Handling ESD Sensitive Parts Notice
Cell 134
Cell 14: G101 (2 of 2)
Cell 14: G100, G106, G301, and G101 (1 of 2)
Powertrain Control Module Connector End Views
Engine Controls Connector End Views
Figure 17:

Cell 20: Park/Neutral Position (PNP) Switch -- Oldsmobile


Object Number: 381115  Size: FS
Engine Controls Components
Powertrain Control Module Description
Cell 20: Shift Select Switch
Cell 20: Park/Neutral Position (PNP) Switch - Buick/Pontiac
OBD II Symbol Description Notice
Handling ESD Sensitive Parts Notice
Handling ESD Sensitive Parts Notice
Cell 134
Cell 14: G101 (2 of 2)
Cell 14: G100, G106, G301, and G101 (1 of 2)
Powertrain Control Module Connector End Views
Instrument Cluster and HUD Connector End Views
Engine Controls Connector End Views
Figure 18:

Cell 20: Shift Select Switch


Object Number: 381119  Size: FS
Engine Controls Components
Powertrain Control Module Description
Cell 20: A/C Clutch Control (C61, C67)
Cell 20: Park/Neutral Position (PNP) Switch - Oldsmobile
OBD II Symbol Description Notice
Handling ESD Sensitive Parts Notice
Engine Controls Schematic References
Cell 117: Instrument Cluster and Front Door Incandescent Dimming
Power Distribution Schematics
Power Distribution Schematics
Ground Distribution Schematics
Cell 20: Sensors
Cell 20: Transaxle - Sensors and TR Switch
Ground Distribution Schematics
Engine Controls Schematic References
Powertrain Control Module Connector End Views
Engine Controls Connector End Views
Figure 19:

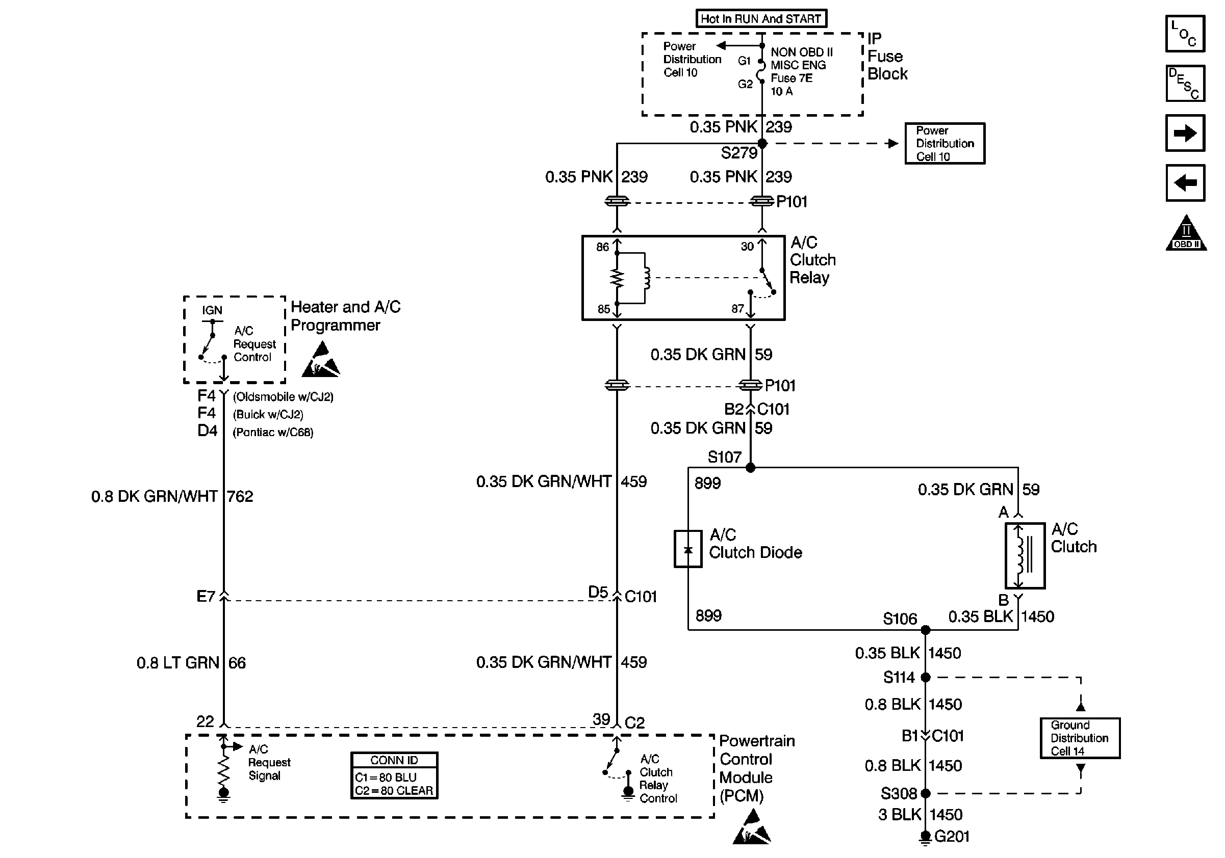
Cell 20: A/C Clutch Control (C61, C67)


Object Number: 381111  Size: FS
Engine Controls Components
Powertrain Control Module Description
Cell 20: A/C Clutch Control (CJ2, C68)
Cell 20: Shift Select Switch
OBD II Symbol Description Notice
Handling ESD Sensitive Parts Notice
Cell 10: NON OBD II MISC ENG, TCC, and IGN OFF/UNLOCK Fuses
Cell 10: NON OBD II MISC ENG, TCC, and IGN OFF/UNLOCK Fuses
Cell 10: AUTO A/C / CRUISE Fuse
Cell 10: BASE A/C Fuse
Cell 14: G201 (1 of 2)
Powertrain Control Module Connector End Views
Figure 20:

Cell 20: A/C Clutch Control (CJ2, C68)


Object Number: 381112  Size: FS
Engine Controls Components
Powertrain Control Module Description
Cell 20: Cooling Fans
Cell 20: A/C Clutch Control (C61, C67)
OBD II Symbol Description Notice
Handling ESD Sensitive Parts Notice
Handling ESD Sensitive Parts Notice
Power Distribution Schematics
Power Distribution Schematics
Ground Distribution Schematics
Powertrain Control Module Connector End Views
Figure 21:

Cell 20: Cooling Fans


Object Number: 381113  Size: FS
Engine Controls Components
Powertrain Control Module Description
Cell 20: A/C Clutch Control (CJ2, C68)
OBD II Symbol Description Notice
Handling ESD Sensitive Parts Notice
Cell 10: ABS/CCR and CLG FAN/TCC Fuses
Cell 10: MISC LGT, COOL FNS, C/LTR/RDO/CLSTR/MISC, IGN SW, RR DEFOG/PWRSEAT, ABS SOL, and ABS MOT Fuses
Cell 10: ABS/CCR and CLG FAN/TCC Fuses
Cell 14: G104
Powertrain Control Module Connector End Views