GM Service Manual Online
For 1990-2009 cars only
Makes
🢒
Buick
🢒
1999
🢒
LeSabre
🢒
Body and Accessories
🢒
Body Rear End
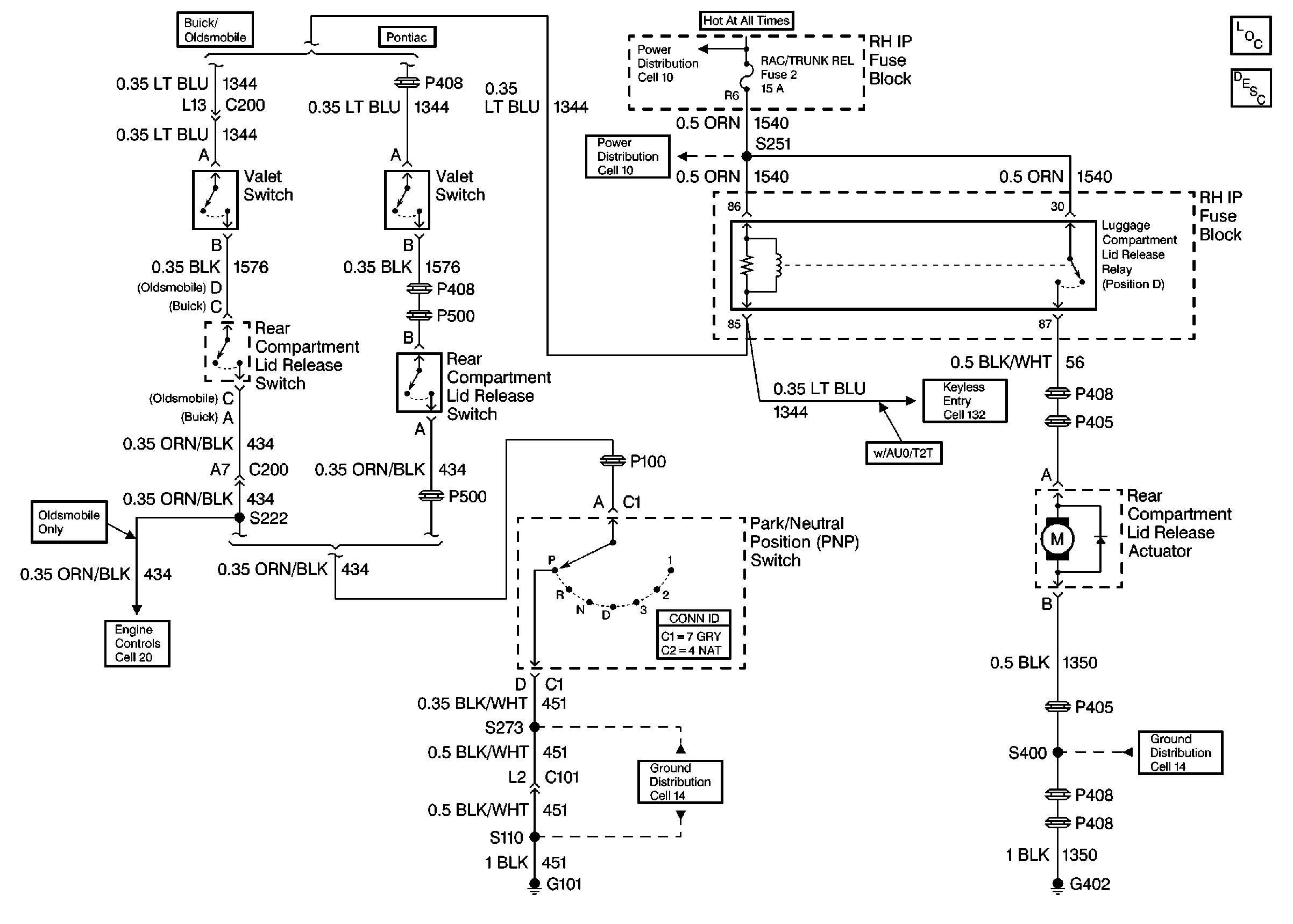
🢒 Release Systems Schematics
Cell 134
Body Rear End Components
Rear Compartment Lid Release Circuit Description
Power Distribution Schematics
Engine Controls Schematics
Ground Distribution Schematics
Keyless Entry Schematics
Ground Distribution Schematics
Power Distribution Schematics