GM Service Manual Online
For 1990-2009 cars only
Makes
🢒
Buick
🢒
2001
🢒
LeSabre
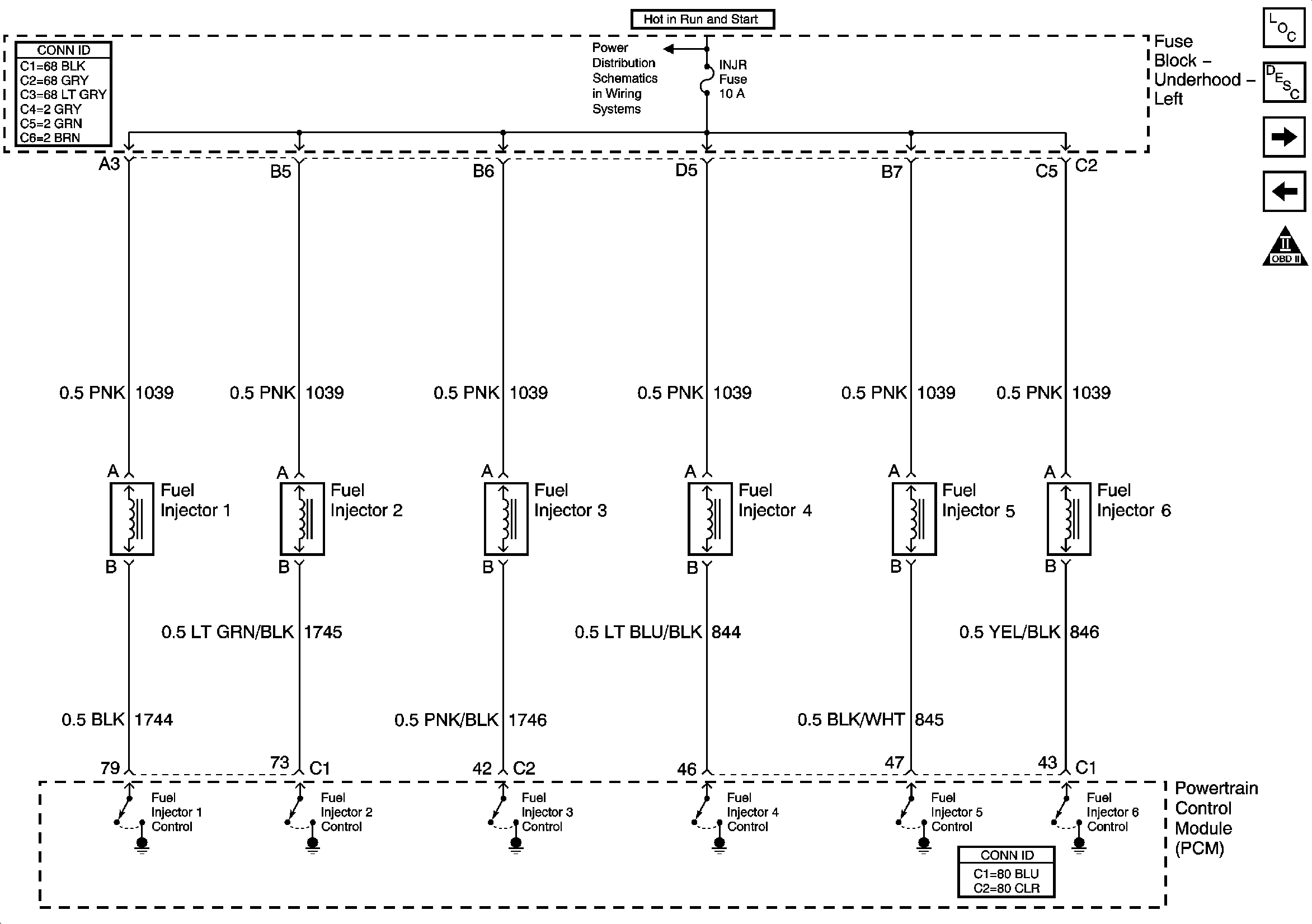
🢒 Fuel Injectors
Fuel Injectors
Fuel Injectors
Master Electrical Component List
Fuel System Description
Transaxle Solenoids and ABS/TCC Switch
Fuel Control
OBD II Symbol Description Notice
Underhood Fuse Block, RUN/CRK Fuse and IGN Relay