GM Service Manual Online
For 1990-2009 cars only
Makes
🢒
Buick
🢒
2001
🢒
LeSabre
🢒 Fuel Control
Fuel Control
Fuel Control
Master Electrical Component List
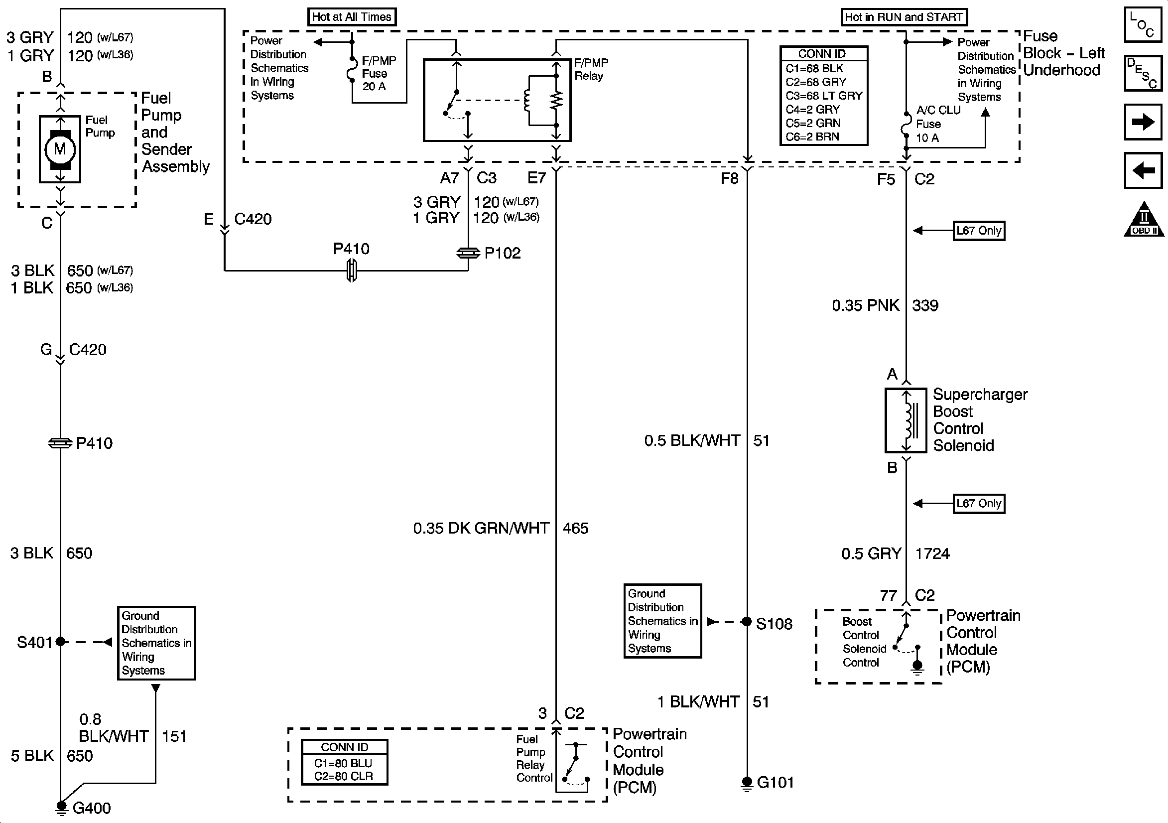
Fuel System Description
Fuel Injectors
Ignition Control
Underhood Fuse Block- T/SIG, A/C CLU Fuses and A/C CLU Relay
Underhood Fuse Block- PCM, ABS, HZDT/SG, F/PMP, PK LP Fuses and F/PMP Relay
G100, G101, G102 and G103
G400 (1 of 2)