GM Service Manual Online
For 1990-2009 cars only
Makes
🢒
Buick
🢒
2006
🢒
Lucerne
🢒
Vehicle Control Systems
🢒
Vehicle DTC Information
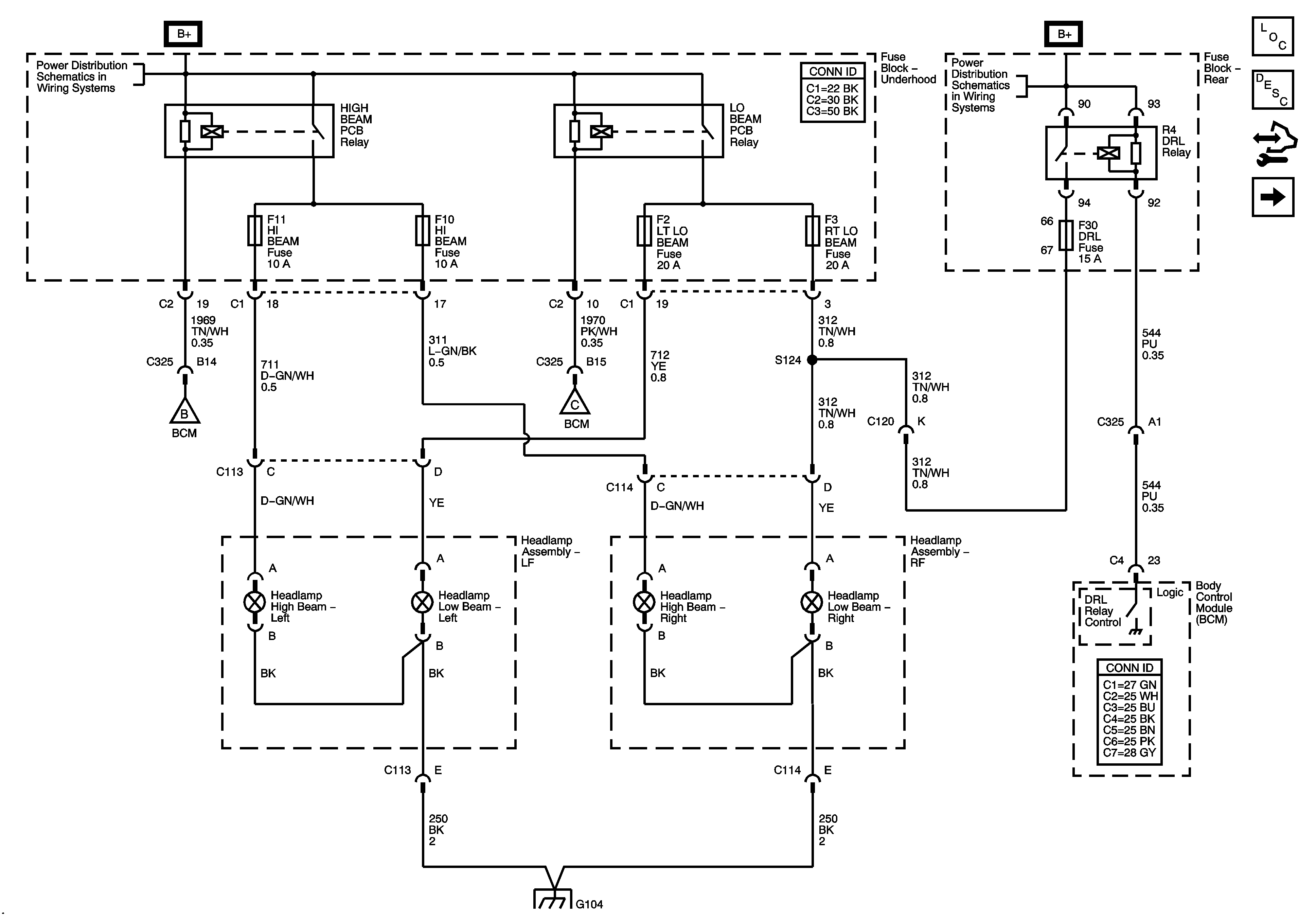
🢒 Headlights/Daytime Running Lights (DRL) Schematics
Figure
1:
Headlights/Daytime Running Lights (DRL), Headlamps
Master Electrical Component List
Exterior Lighting Systems Description and Operation
Control Module References
Headlamp Switch
Underhood Fuse Block B+
Rear Fuse Block B+
Headlamp Switch
Headlamp Switch
G104
Figure
2:
Headlamp Switch
Master Electrical Component List
Exterior Lighting Systems Description and Operation
Control Module References
Headlamps
Headlamps
Headlamps
Front Park, Marker Lamps
Power, Ground, and Low Speed GMLAN
Fog Lamps
Air Temperature Sensors
G300
G304
G300