GM Service Manual Online
For 1990-2009 cars only
Makes
🢒
Buick
🢒
2006
🢒
Lucerne
🢒
Vehicle Control Systems
🢒
Vehicle DTC Information
🢒 Wiper/Washer Schematics
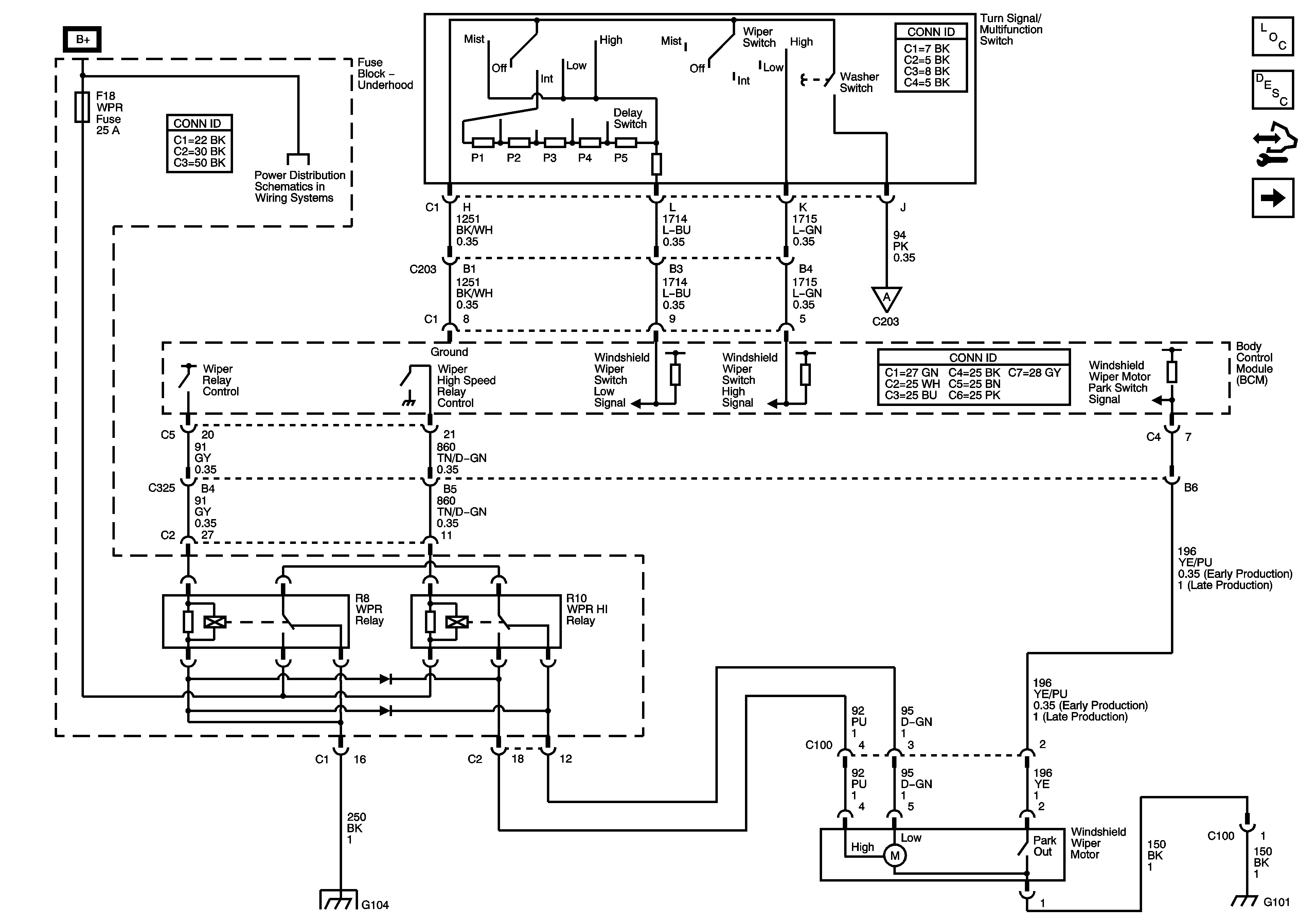
Figure
1:
Wiper System Power and Ground
Master Electrical Component List
Wiper/Washer System Description and Operation (Wipers and Washers)
Control Module References
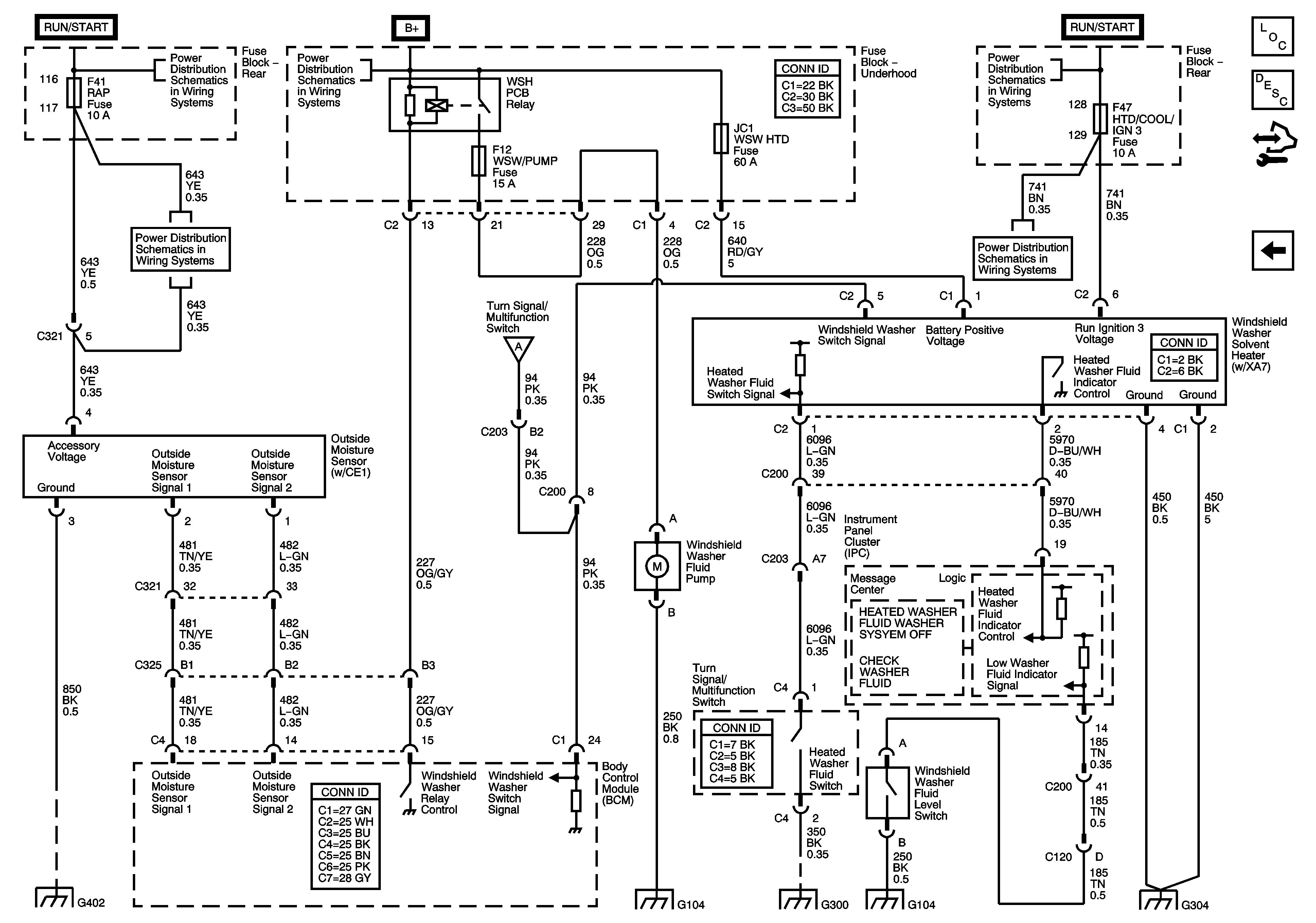
Outside Moisture Sensor and Windshield Washer Solvent Heater
Underhood Fuse Block B+
Outside Moisture Sensor and Windshield Washer Solvent Heater
G104
G101, G110, G111, G114, G115, G302, G303, G306, G307
Figure
2:
Outside Moisture Sensor and Windshield Washer Solvent Heater
Master Electrical Component List
Wiper/Washer System Description and Operation (Heated Washer System)
Control Module References
Wiper Motor Power and Ground
Rear Fuse Block B+
Underhood Fuse Block B+
Rear Fuse Block B+
RAP Relay, CTSY/RF TRN, S/ROOF, SHFTR SOL, RAP Fuses
RUN Relay, HTD/COOL/IGN3, BCM LOGIC Fuses
Wiper Motor Power and Ground
G402
G104
G300
G104
G304