GM Service Manual Online
For 1990-2009 cars only
Makes
🢒
Buick
🢒
2006
🢒
Lucerne
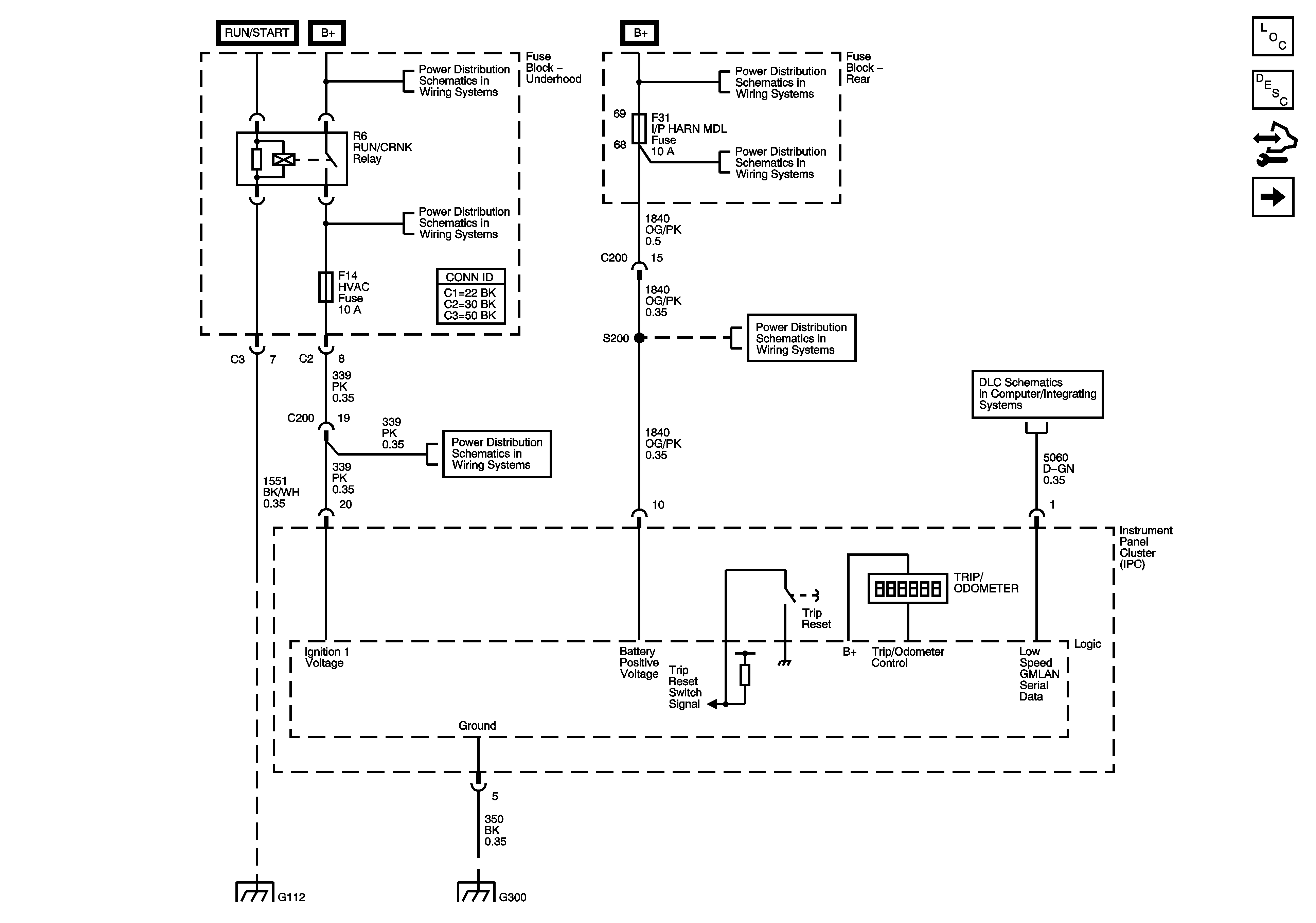
🢒 IPC Power and Ground
IPC Power and Ground
Power and Ground
Master Electrical Component List
Instrument Cluster Description and Operation
Control Module References
Indicators
Underhood Fuse Block B+
Rear Fuse Block B+
PRK LAMP, DRL Relays, IP HARN MDL, LT PRK LAMP, RT PRK LAMP, DRL Fuses
Underhood Fuse Block B+
RUN/CRANK Relay, TRANS IGN 3, AIRBAG IGN 3, HVAC/IPC, ECM IGN 3 Fuses
PRK LAMP, DRL Relays, IP HARN MDL, LT PRK LAMP, RT PRK LAMP, DRL Fuses
Power, Ground, and Low Speed GMLAN
G112 (L26)
G300