GM Service Manual Online
For 1990-2009 cars only
Makes
🢒
Buick
🢒
2001
🢒
Park Avenue
🢒 Power Lumbar
Power Lumbar
Power Lumbar
Master Electrical Component List
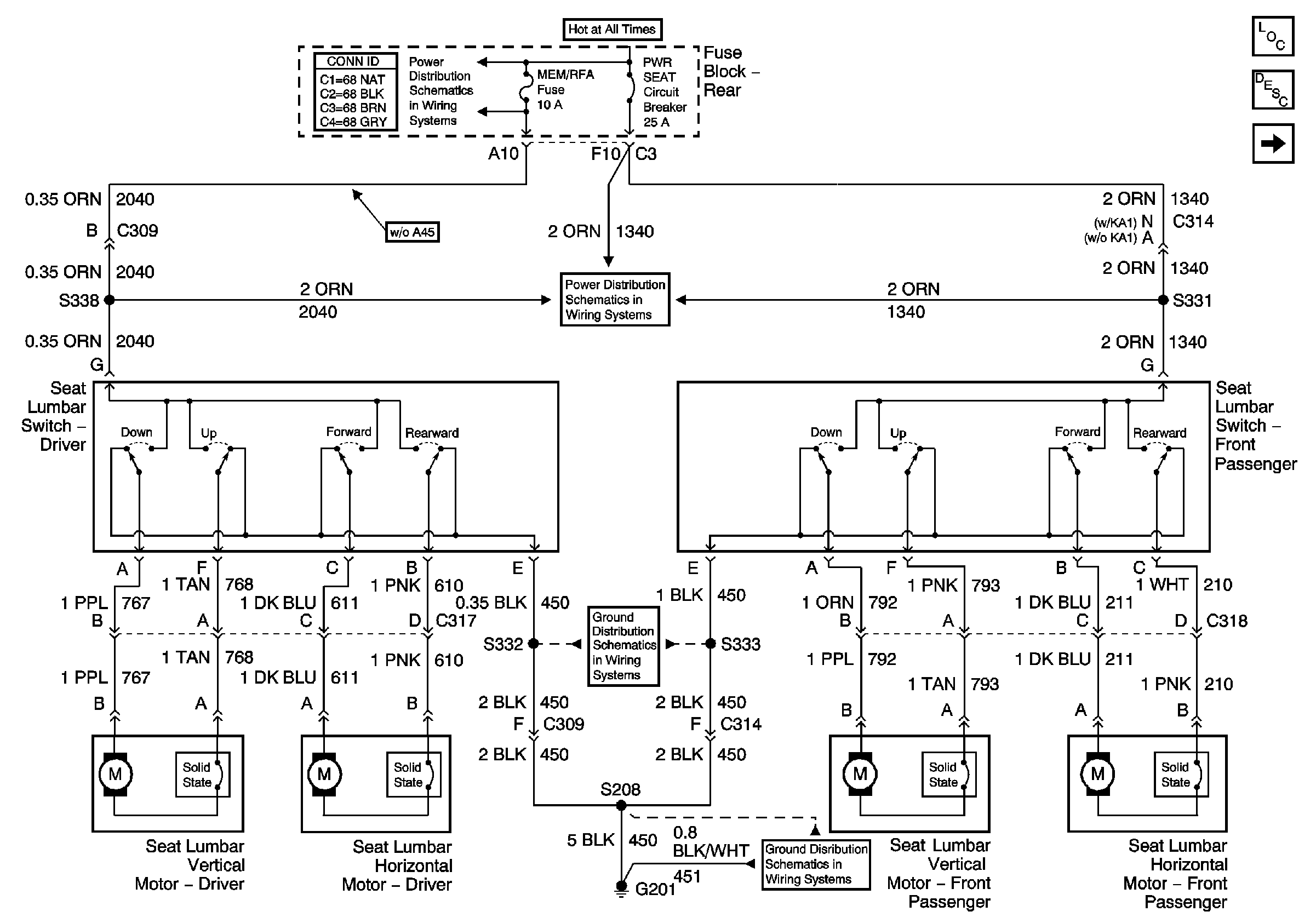
Lumbar Support Description and Operation w/o A45
Memory Power Lumbar
Underhood Fuse Block- BAT 2 Fuse/ Rear Fuse Block- PWR SEAT and MEM/RFA FUSEs
Underhood Fuse Block- BAT 2 Fuse/ Rear Fuse Block- PWR SEAT and MEM/RFA FUSEs
G201 (1 of 2)
G201 (1 of 2)