GM Service Manual Online
For 1990-2009 cars only
Makes
🢒
Buick
🢒
2005
🢒
Park Avenue
🢒
Vehicle Control Systems
🢒
Computer/Integrating Systems
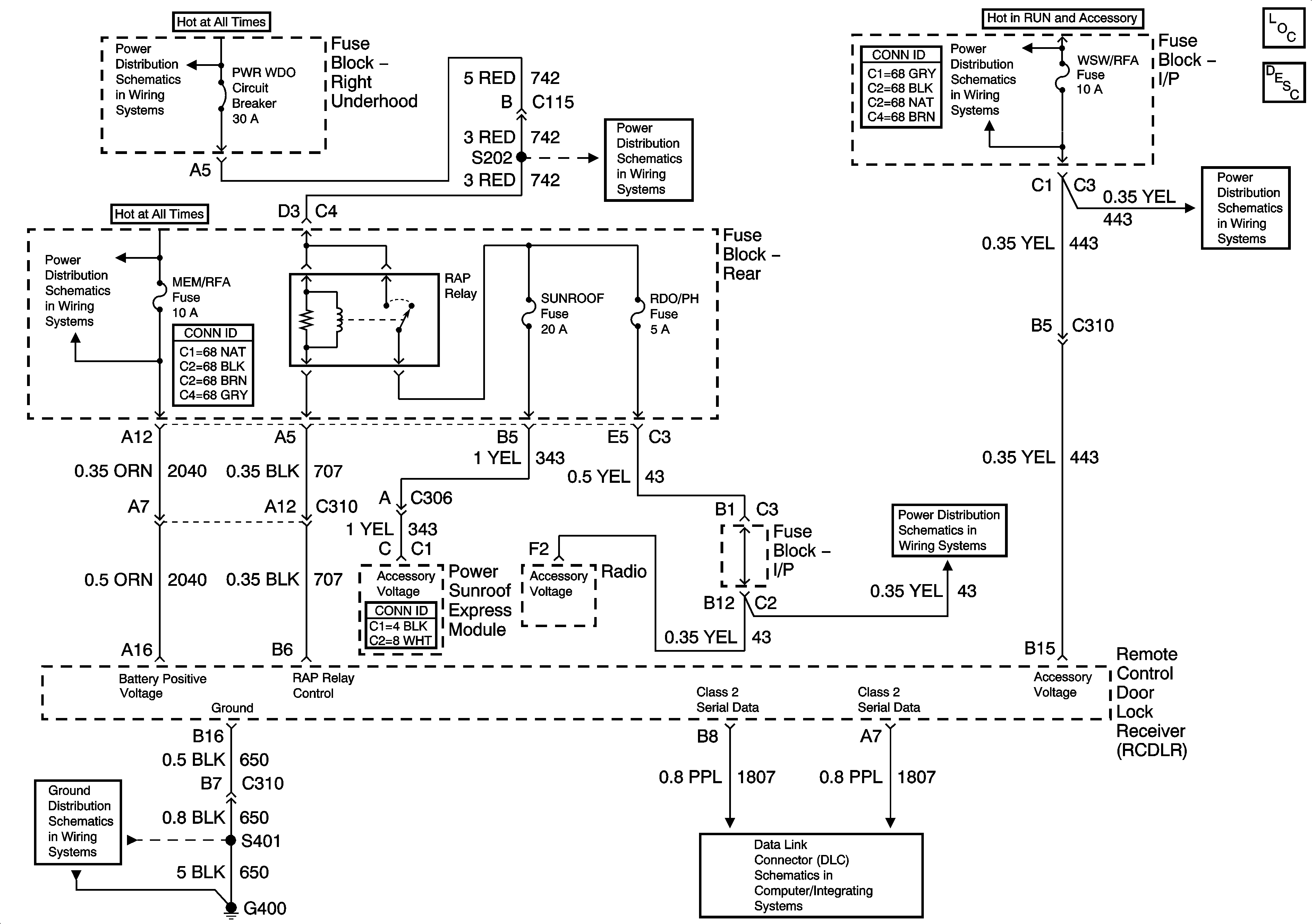
🢒 Retained Accessory Power (RAP) Schematics
Master Electrical Component List
Retained Accessory Power (RAP) Description and Operation
Battery Feed to Left and Right Underhood Fuse Blocks
PWR WDO Circuit Breaker, RDO/PH and SUNRF Fuses
WSW/RFA and WSW Fuses
WSW/RFA and WSW Fuses
PWR SEAT Circuit Breaker, MEM/RFA and BAT 2 Fuses
PWR WDO Circuit Breaker, RDO/PH and SUNRF Fuses
Class 2 Serial Data Lines
G400 - 1 of 2