GM Service Manual Online
For 1990-2009 cars only
Makes
🢒
Buick
🢒
2005
🢒
Park Avenue
🢒 Power and Ground
Power and Ground
Power and Ground
Master Electrical Component List
Air Delivery Description and Operation
Compressor Control
Blower Control
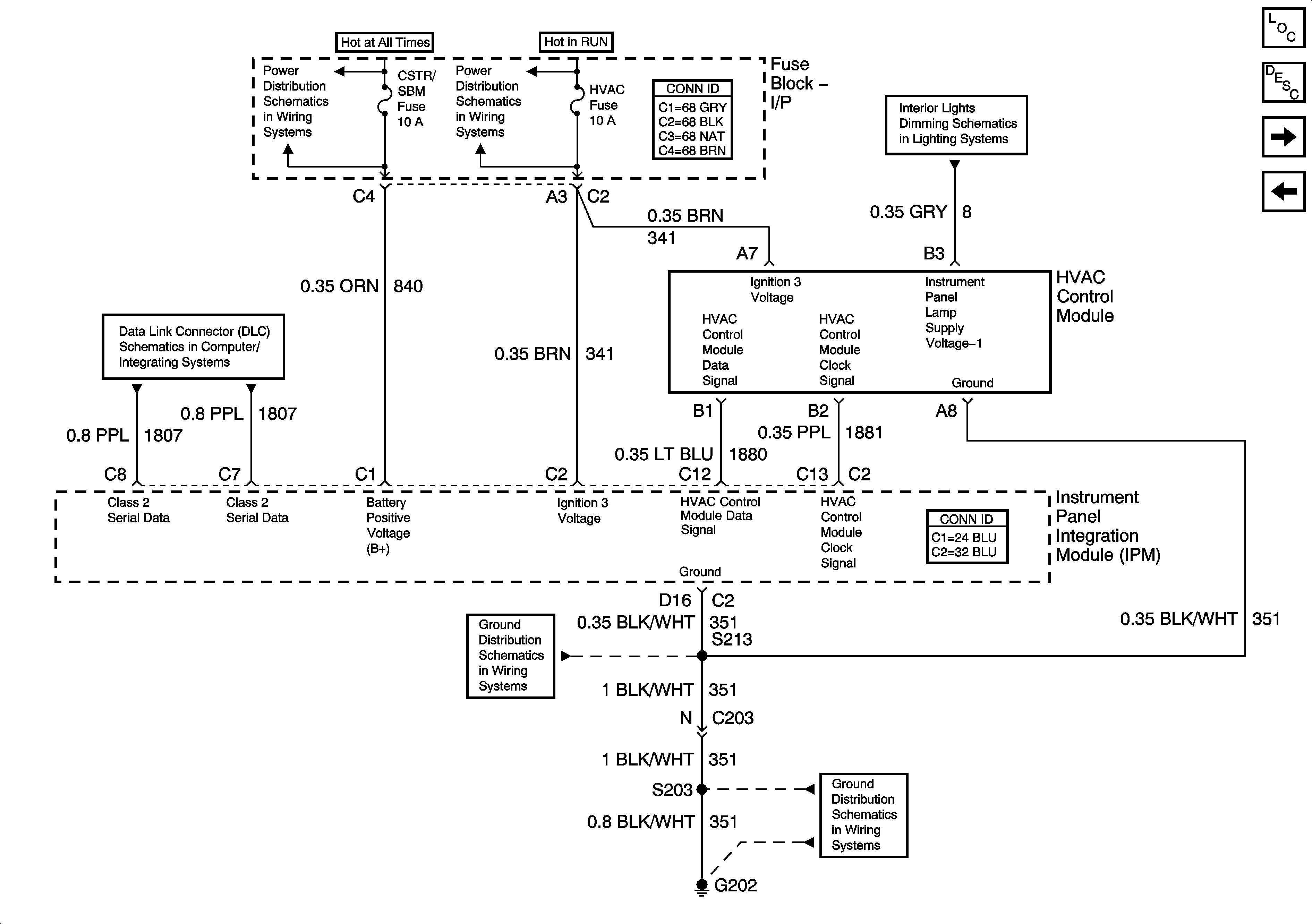
BAT 1, RRINMDL, C/LTR, DRVMDL, HTDST L, TRK REL, PDM, SBM and CSTR/SBM Fuses
HVAC and A/C Fuses
I/P and Front Door Backlighting
Class 2 Serial Data Lines
G202 - 2 of 4
G202 - 1 of 4