GM Service Manual Online
For 1990-2009 cars only
Makes
🢒
Buick
🢒
1998
🢒
Regal
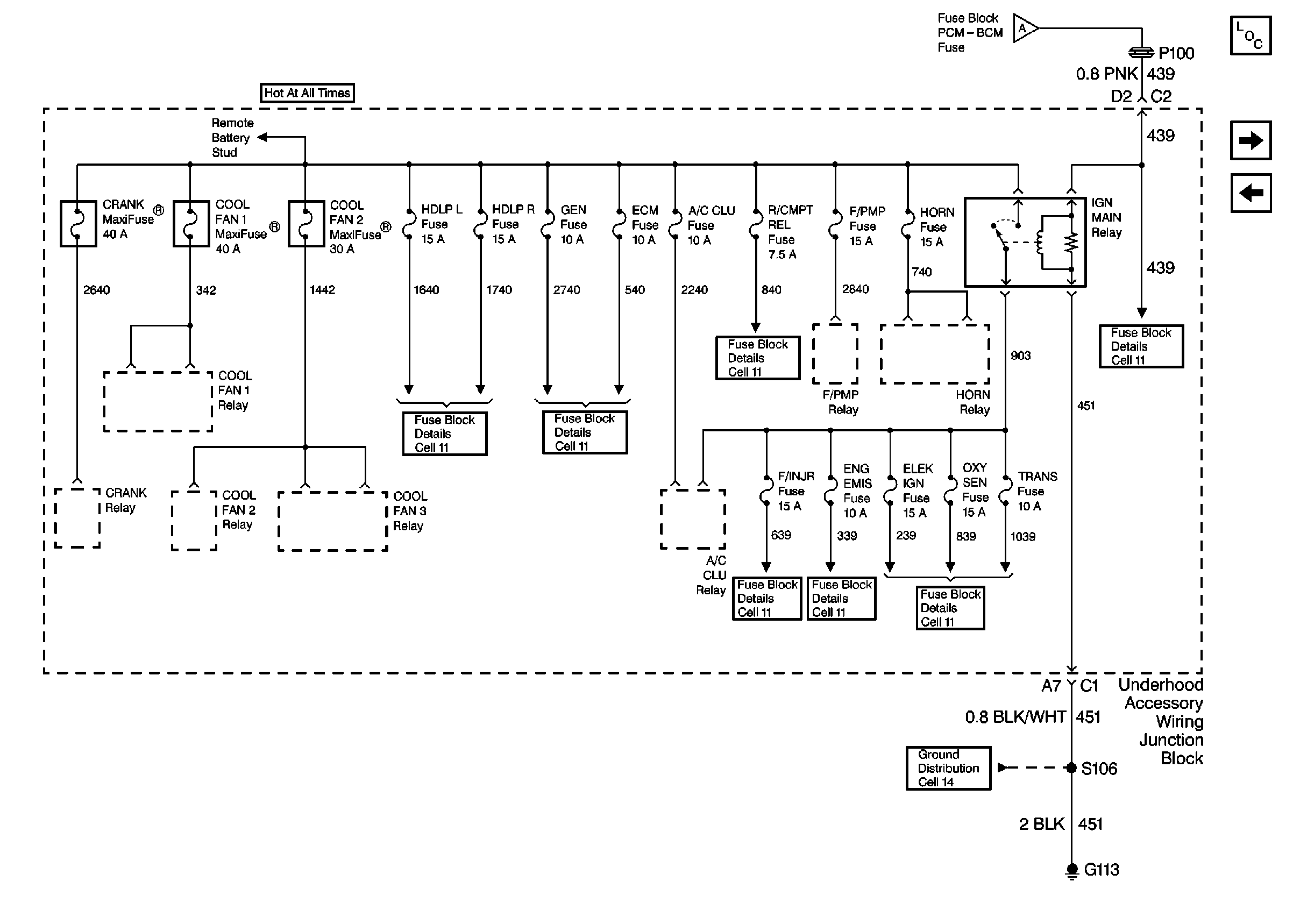
🢒 Cell 10: Underhood Accessory Wiring Junction Block
Cell 10: Underhood Accessory Wiring Junction Block
Cell 10: Underhood Accessory Wiring Junction Block
Power and Grounding Components
Cell 10: LP Park, HDLP L, And HDLP R Fuses
Cell 10: Underhood Accessory Wiring Junction Block, Ignition Switch, And Fuse Block
Cell 10: LP Park, HDLP L, And HDLP R Fuses
Cell 10: R/CMPT REL, ECM, GEN, F/PMP, A/C CLU, And HORN Fuses
Cell 10: R/CMPT REL, ECM, GEN, F/PMP, A/C CLU, And HORN Fuses
Cell 10: TURN SIGNALS CORN LPS, AIR BAG, CLUSTER, DRL, And PCM-BCM Fuses
Cell 14: Engine Grounds G100, G111, And G113
Cell 10: F/INJR Fuse
Cell 10: ENG EMIS Fuse
Cell 10: TRANS, ELEK IGN, And OXY SEN Fuses
Cell 10: Underhood Accessory Wiring Junction Block, Ignition Switch, And Fuse Block