GM Service Manual Online
For 1990-2009 cars only
Figure 1:

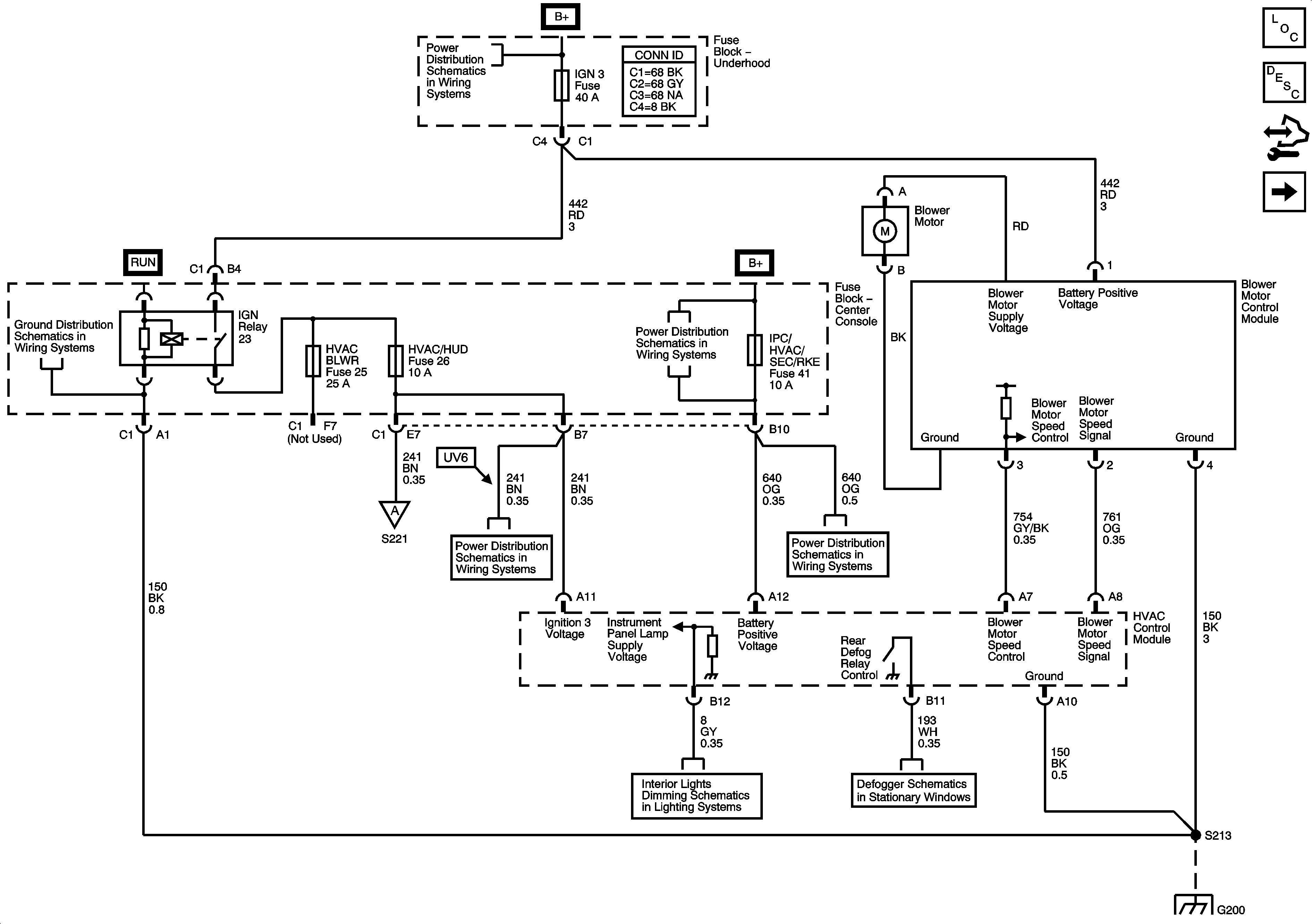
Power, Ground, and Blower Controls


Object Number: 1619565  Size: FS
Master Electrical Component List
Air Delivery Description and Operation
Control Module References
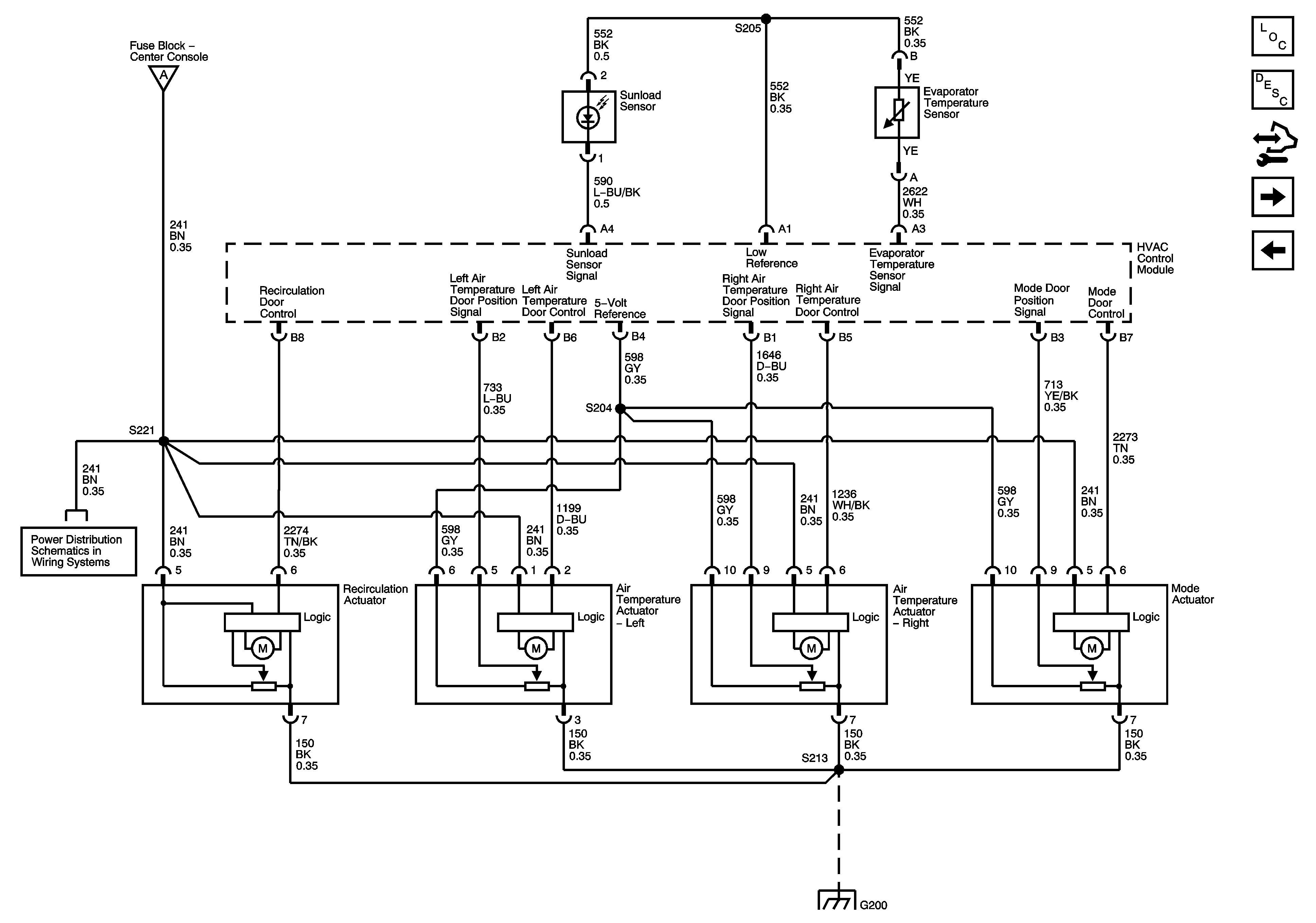
Air Delivery and Temperature Controls
B+ Bus 1 of 2
G200
Ignition Switch-ACCY/RUN/START and RUN and START Bus Bars, HVAC BLWR, IPC/BCM/PK3, PK3, and PRK LCK IGN Fuses
Air Delivery and Temperature Controls
HVAC/HUD Fuse
BATT 1, HAZRD LAMP, HUD, IPC/HVAC/SEC/RKE, IS LAMP, PK3, RDO and RDO AMP Fuses
BATT 1, HAZRD LAMP, HUD, IPC/HVAC/SEC/RKE, IS LAMP, PK3, RDO and RDO AMP Fuses
I/P and Console Lamps
Defogger Schematics
Figure 2:

Air Delivery and Temperature Controls


Object Number: 1619567  Size: FS
Master Electrical Component List
Air Delivery Description and Operation
Control Module References
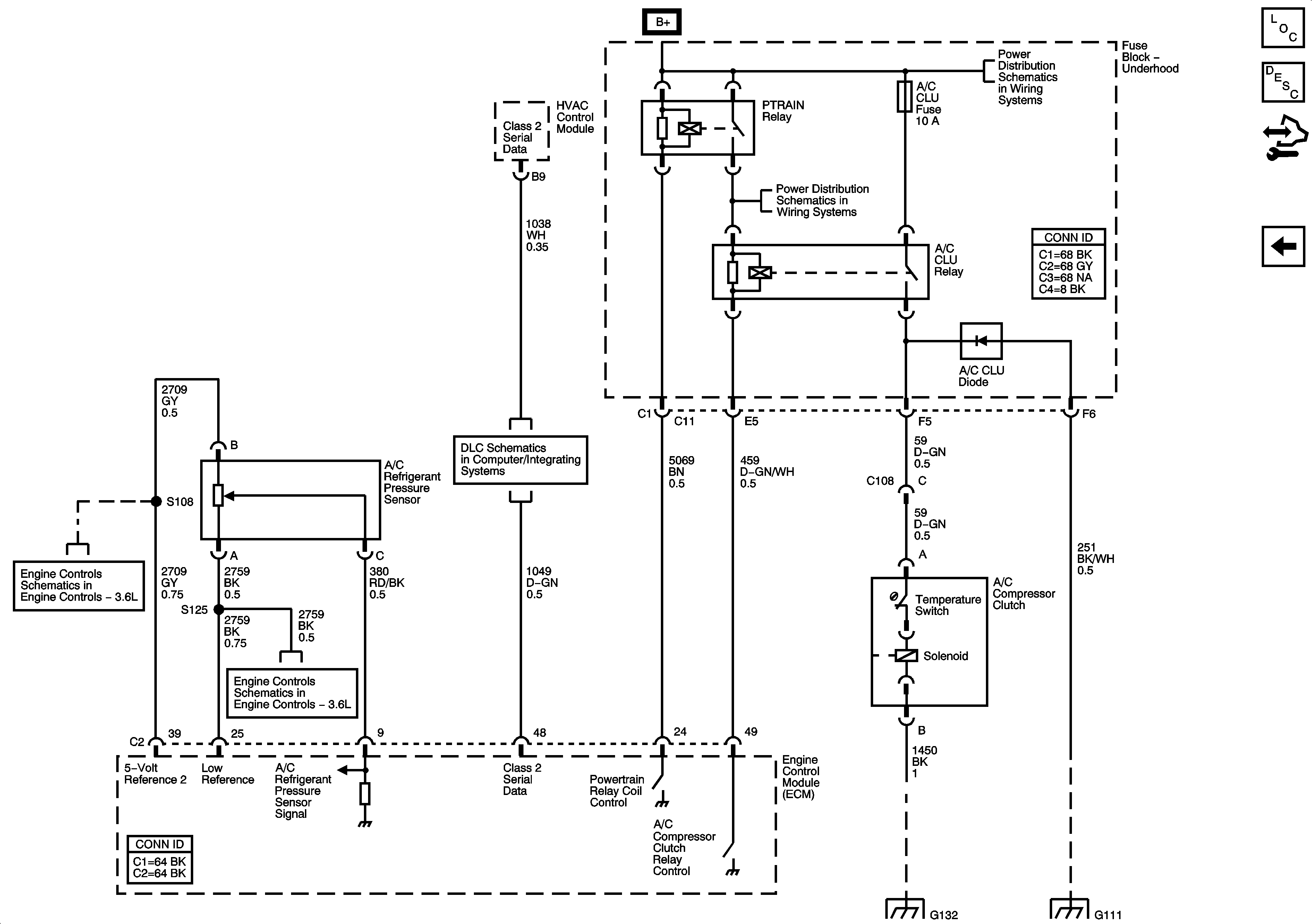
Compressor Controls-LX9
Power, Ground, and Blower Controls
Power, Ground, and Blower Controls
HVAC/HUD Fuse
G200
Figure 3:

Compressor Controls - LX9


Object Number: 1619568  Size: FS
Master Electrical Component List
Air Delivery Description and Operation
Control Module References
Compressor Controls-LY7
Air Delivery and Temperature Controls
DLC Schematics
B+ Bus 2 of 2
B+ Bus 1 of 2
G100, G111, and G119
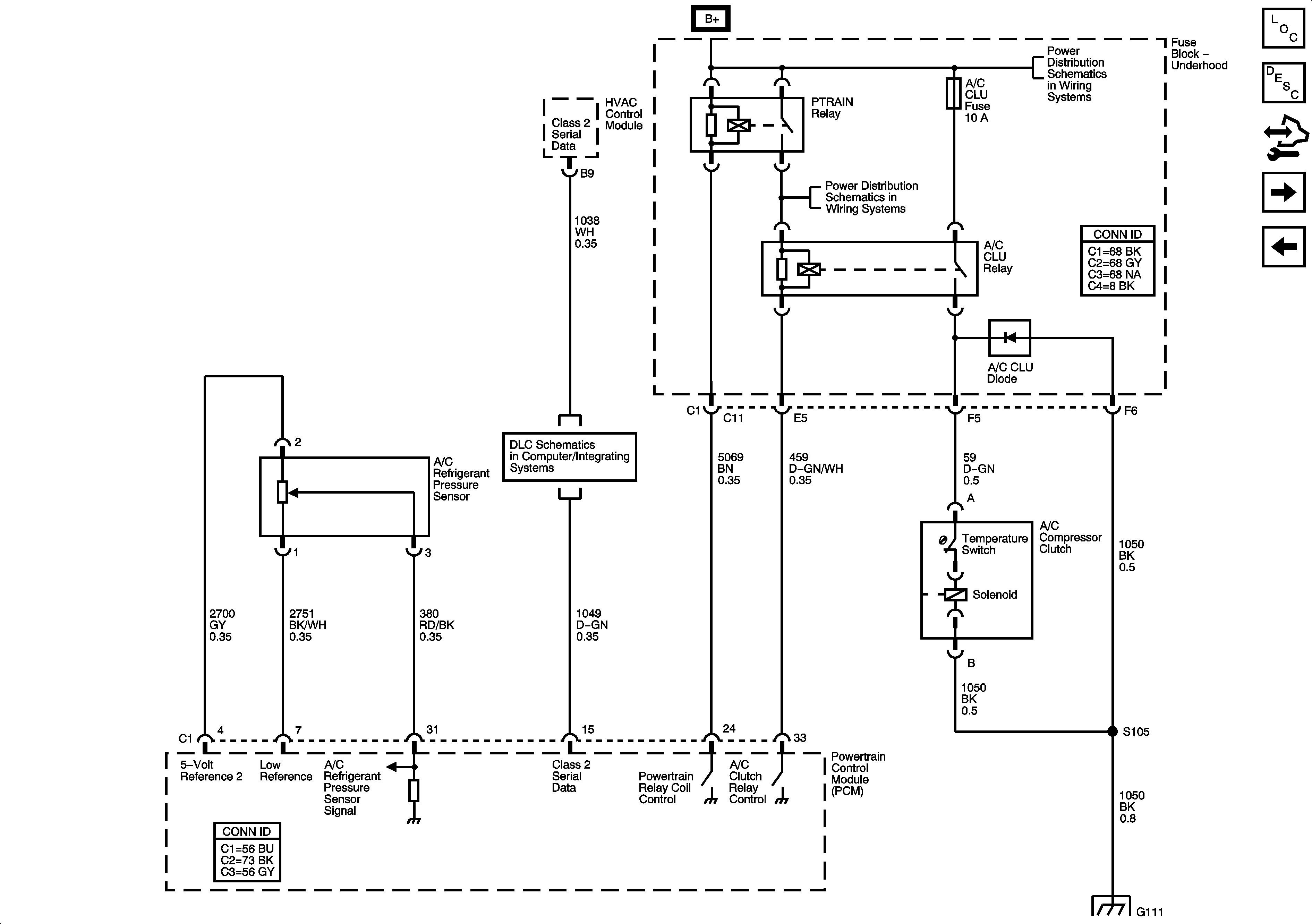
Figure 4:

Compressor Controls - LY7


Object Number: 1619569  Size: FS
Master Electrical Component List
Air Delivery Description and Operation
Control Module References
Compressor Controls-LX9
B+ Bus 1 of 2
B+ Bus 2 of 2
DLC Schematics
Engine Data Sensors-5-Volt Reference
Engine Data Sensors-Low Reference
G117 and G132
G100, G111, and G119