GM Service Manual Online
For 1990-2009 cars only
Figure 1:

G100, and G111


Object Number: 1740851  Size: FS
Master Electrical Component List
Control Module References
G101
Figure 2:

G101


Object Number: 1740852  Size: FS
Master Electrical Component List
Control Module References
G117
G100, and G111
Figure 3:

G117


Object Number: 1740853  Size: FS
Master Electrical Component List
Control Module References
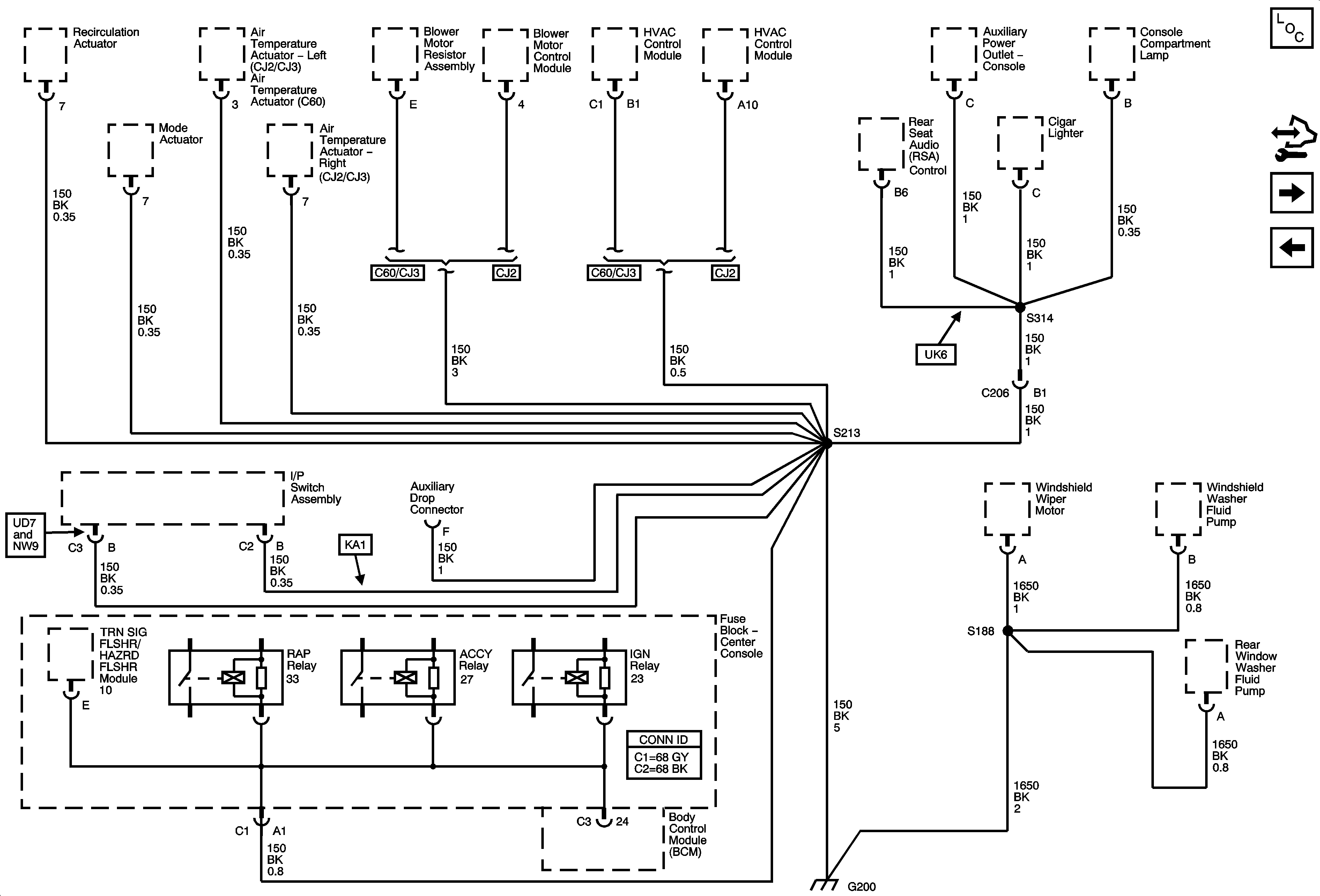
G200
G101
Figure 4:

G200


Object Number: 1740854  Size: FS
Master Electrical Component List
Control Module References
G201
G117
Figure 5:

G201


Object Number: 1740855  Size: FS
Master Electrical Component List
Control Module References
G202
G200
Figure 6:

G202


Object Number: 1740856  Size: FS
Master Electrical Component List
Control Module References
G302
G201
Power and Grounding Schematic Icons
Figure 7:

G302


Object Number: 1740857  Size: FS
Master Electrical Component List
Control Module References
G303-1 of 2
G202
Figure 8:

G303 1 of 2


Object Number: 1740858  Size: FS
Master Electrical Component List
Control Module References
G303-2 of 2
G302
G303-2 of 2
Figure 9:

G303 2 of 2


Object Number: 1740859  Size: FS
Master Electrical Component List
Control Module References
G401
G303-1 of 2
G303-1 of 2
Figure 10:

G401


Object Number: 1740860  Size: FS
Master Electrical Component List
Control Module References
G402
G303-2 of 2
Figure 11:

G402


Object Number: 1740861  Size: FS
Master Electrical Component List
Control Module References
G401