GM Service Manual Online
For 1990-2009 cars only
Figure 1:

Audio System - U96


Object Number: 1740995  Size: FS
Master Electrical Component List
Radio/Audio System Description and Operation
Control Module References
Audio System-U96 w/UK6
BATT 1, HAZRD LAMP, HUD, IPC/HVAC/SEC/RKE, IS LAMP, PK3, RDO and RDO AMP Fuses
BATT 1, HAZRD LAMP, HUD, IPC/HVAC/SEC/RKE, IS LAMP, PK3, RDO and RDO AMP Fuses
I/P and Console Lamps
Data Communication Schematics
Steering Wheel Controls - UK3
OnStar Schematics
G202
G201
Figure 2:

Audio System - U96 w/UK6


Object Number: 1740997  Size: FS
Master Electrical Component List
Radio/Audio System Description and Operation
Control Module References
Audio System Controls-UQ3
Audio System-U96
BATT 1, HAZRD LAMP, HUD, IPC/HVAC/SEC/RKE, IS LAMP, PK3, RDO and RDO AMP Fuses
BATT 1, HAZRD LAMP, HUD, IPC/HVAC/SEC/RKE, IS LAMP, PK3, RDO and RDO AMP Fuses
I/P and Console Lamps
Data Communication Schematics
Steering Wheel Controls - UK3
OnStar Schematics
G202
I/P and Console Lamps
G200
G201
Figure 3:

Audio System Controls - UQ3


Object Number: 1740998  Size: FS
Master Electrical Component List
Radio/Audio System Description and Operation
Control Module References
Audio System Controls-UQ3 w/UK6
Audio System-U96 w/UK6
BATT 1, HAZRD LAMP, HUD, IPC/HVAC/SEC/RKE, IS LAMP, PK3, RDO and RDO AMP Fuses
BATT 1, HAZRD LAMP, HUD, IPC/HVAC/SEC/RKE, IS LAMP, PK3, RDO and RDO AMP Fuses
I/P and Console Lamps
Data Communication Schematics
Gages
Gages
OnStar Schematics
Steering Wheel Controls - UK3
Steering Wheel Controls - UK3
G202
G201
Figure 4:

Audio System Controls - UQ3 w/UK6


Object Number: 1740999  Size: FS
Master Electrical Component List
Radio/Audio System Description and Operation
Control Module References
Speakers-UQ3
Audio System Controls-UQ3
BATT 1, HAZRD LAMP, HUD, IPC/HVAC/SEC/RKE, IS LAMP, PK3, RDO and RDO AMP Fuses
BATT 1, HAZRD LAMP, HUD, IPC/HVAC/SEC/RKE, IS LAMP, PK3, RDO and RDO AMP Fuses
I/P and Console Lamps
Data Communication Schematics
OnStar Schematics
Gages
Steering Wheel Controls - UK3
Steering Wheel Controls - UK3
I/P and Console Lamps
G202
G201
I/P and Console Lamps
G200
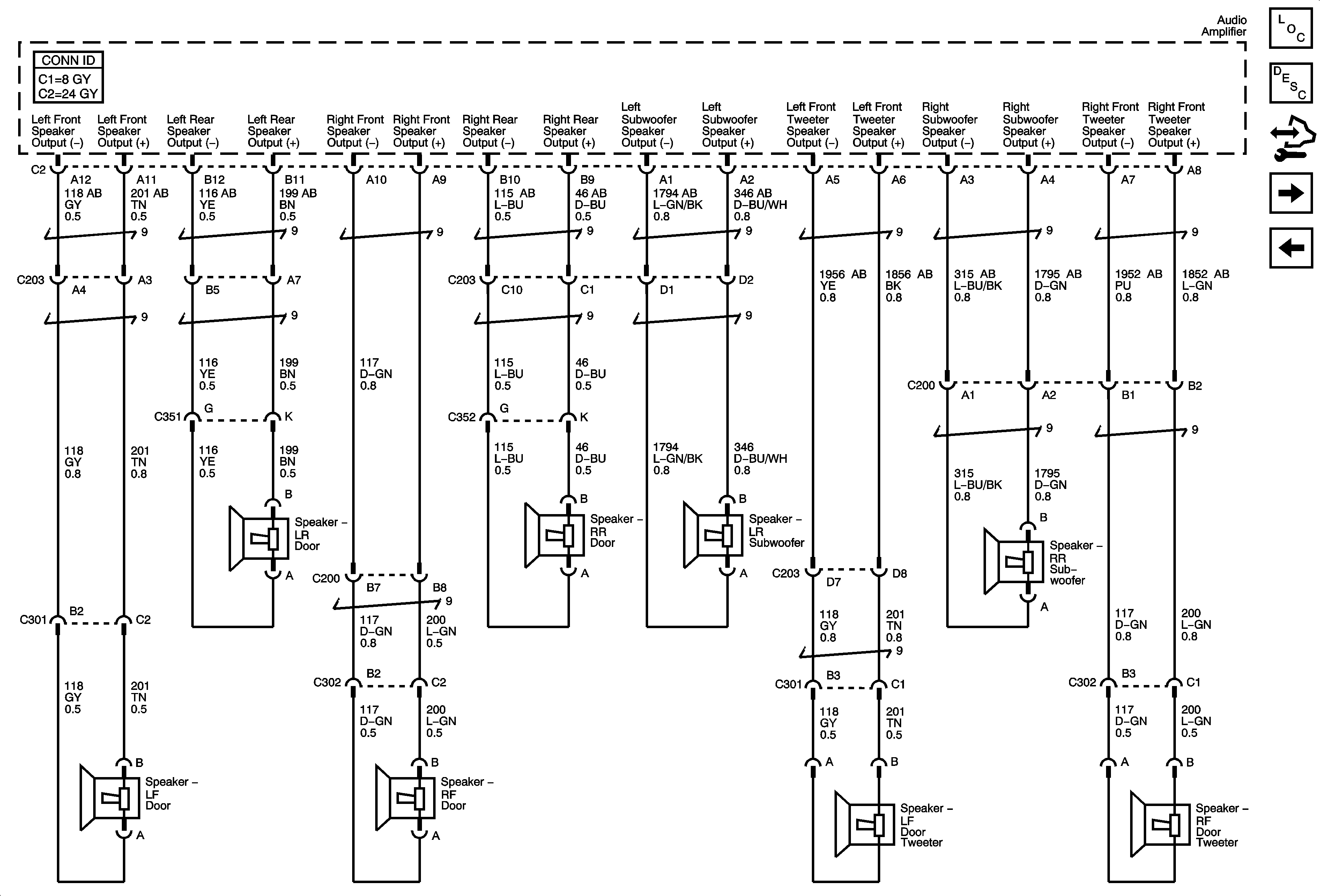
Figure 5:

Speakers - UQ3


Object Number: 1741001  Size: FS
Master Electrical Component List
Radio/Audio System Description and Operation
Control Module References
Digital Radio Receiver
Audio System Controls-UQ3 w/UK6
Figure 6:

Digital Radio Receiver


Object Number: 1741002  Size: FS
Master Electrical Component List
Radio/Audio System Description and Operation
Control Module References
Digital Radio Receiver w/U32
Speakers-UQ3
B+ Bus 1 of 2
Data Communication Schematics
G201
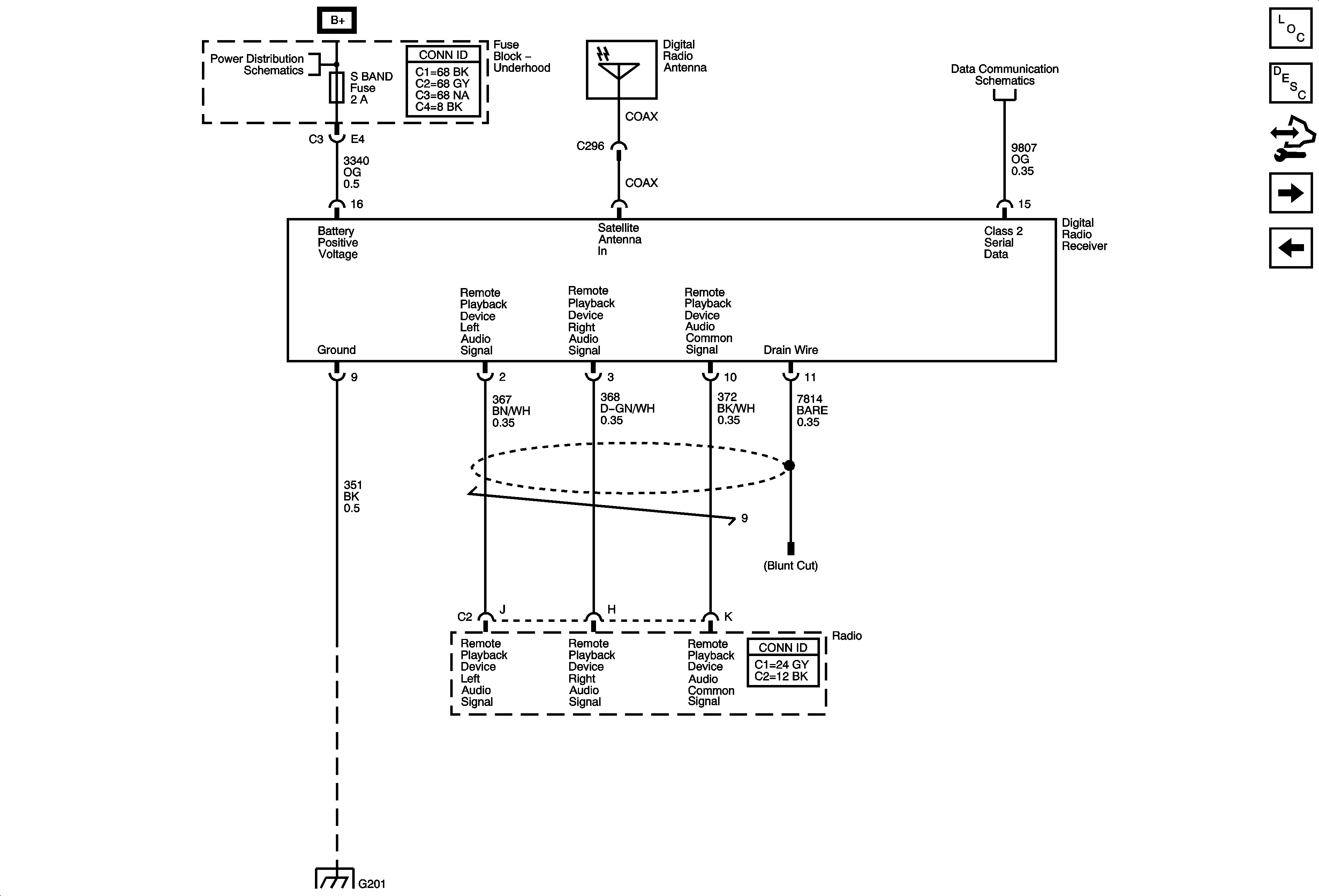
Figure 7:

Digital Radio Receiver w/U32


Object Number: 1741003  Size: FS
Master Electrical Component List
Radio/Audio System Description and Operation
Control Module References
Steering Wheel Controls - UK3
Digital Radio Receiver
ABSMTR, ABS SOL, BCM, DVD, ECM, FRT AUX, S BAND, TCM, and VENT SOL Fuses
Data Communication Schematics
G201
Video System Schematics
Video System Schematics
Video System Schematics
Video System Schematics
Figure 8:

Steering Wheel Controls - UK3


Object Number: 1741007  Size: FS
Master Electrical Component List
Radio/Audio System Description and Operation
Control Module References
Digital Radio Receiver w/U32
Audio System-U96 w/UK6
Audio System Controls-UQ3 w/UK6
Entertainment Schematic Icons