GM Service Manual Online
For 1990-2009 cars only

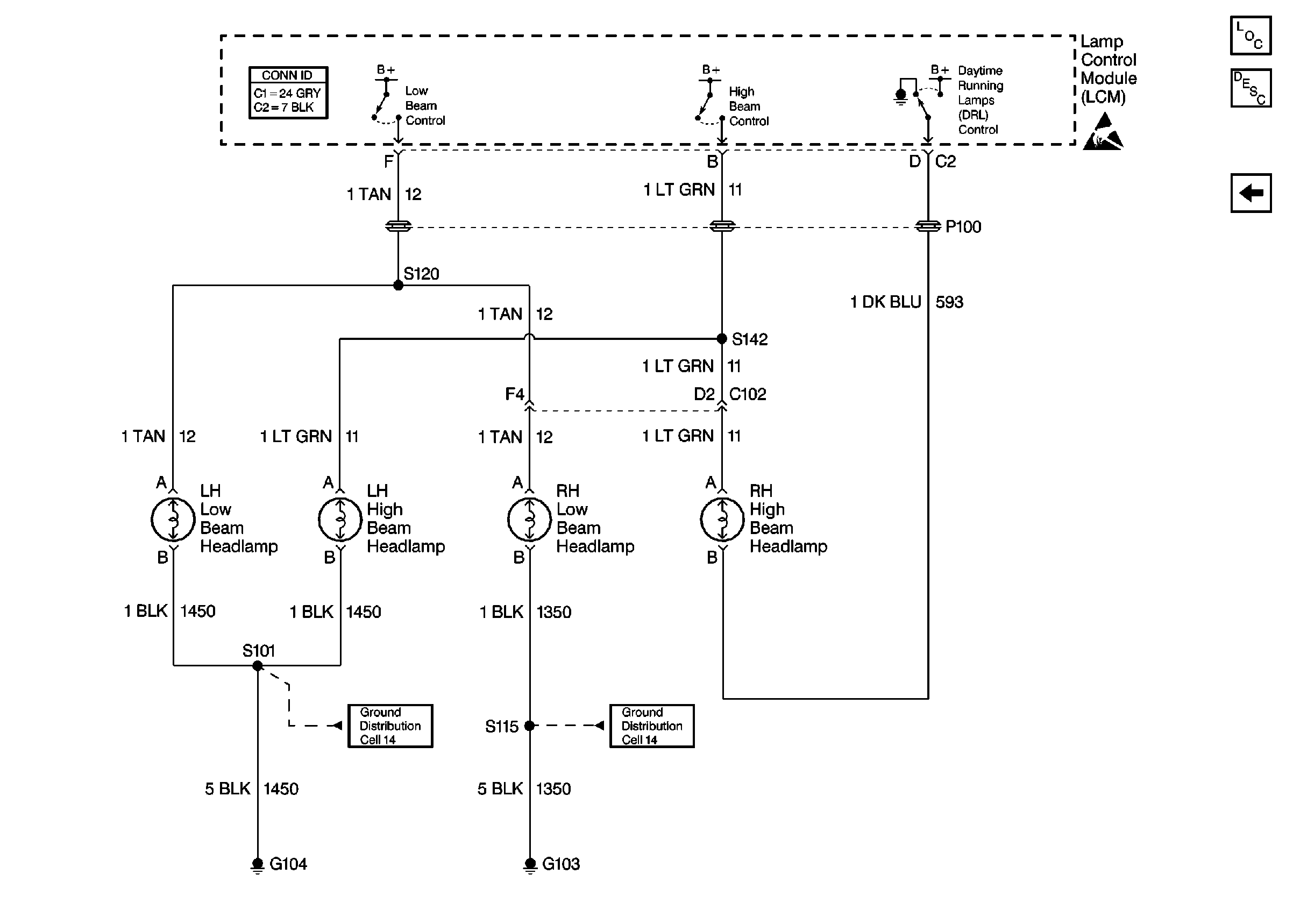
Headlights Schematics Buick

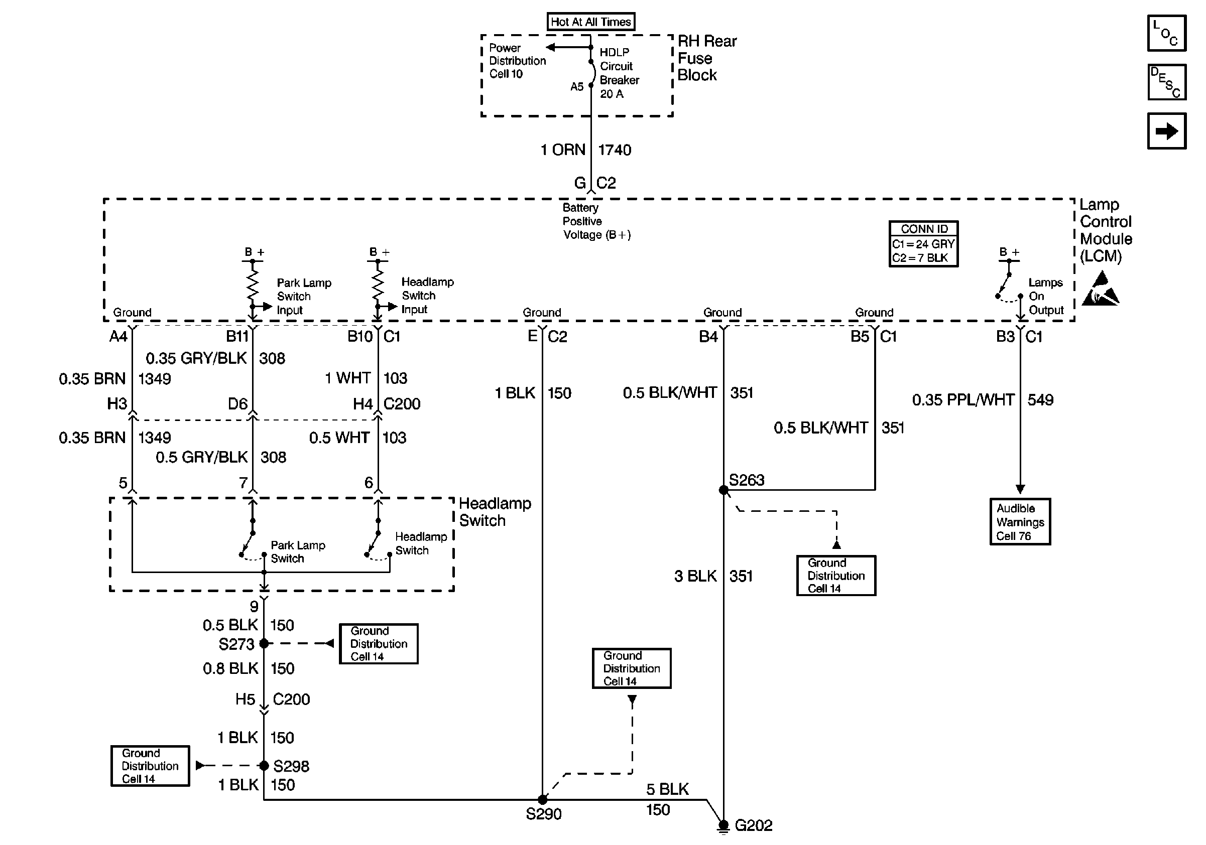
Figure 1:

Cell 100: PWR, GND, Headlamp Switch and Lamps On Output


Object Number: 341959  Size: FS
Lighting Systems Components
Headlights Circuit Description
Cell 100: Ignition and Park Inputs, Twilight Delay and Ambient Light Sensor
Cell 76: Instrument Cluster
Ground Distribution Schematics
Ground Distribution Schematics
Ground Distribution Schematics
Ground Distribution Schematics
Handling ESD Sensitive Parts Notice
Power Distribution Schematics
Lighting Systems Connector End Views
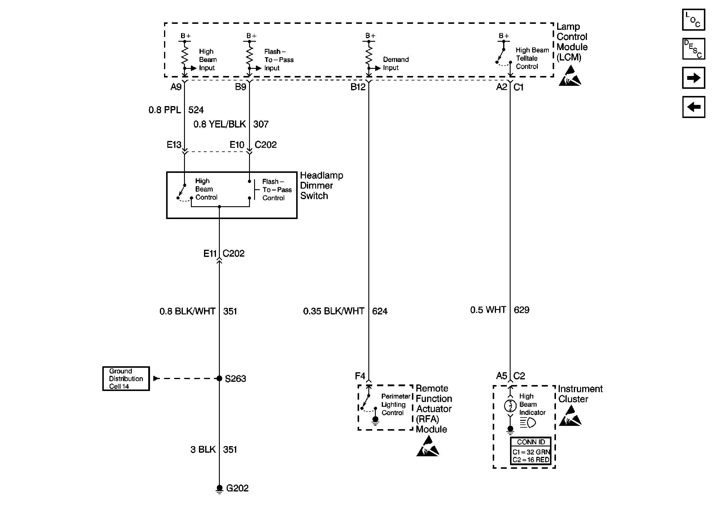
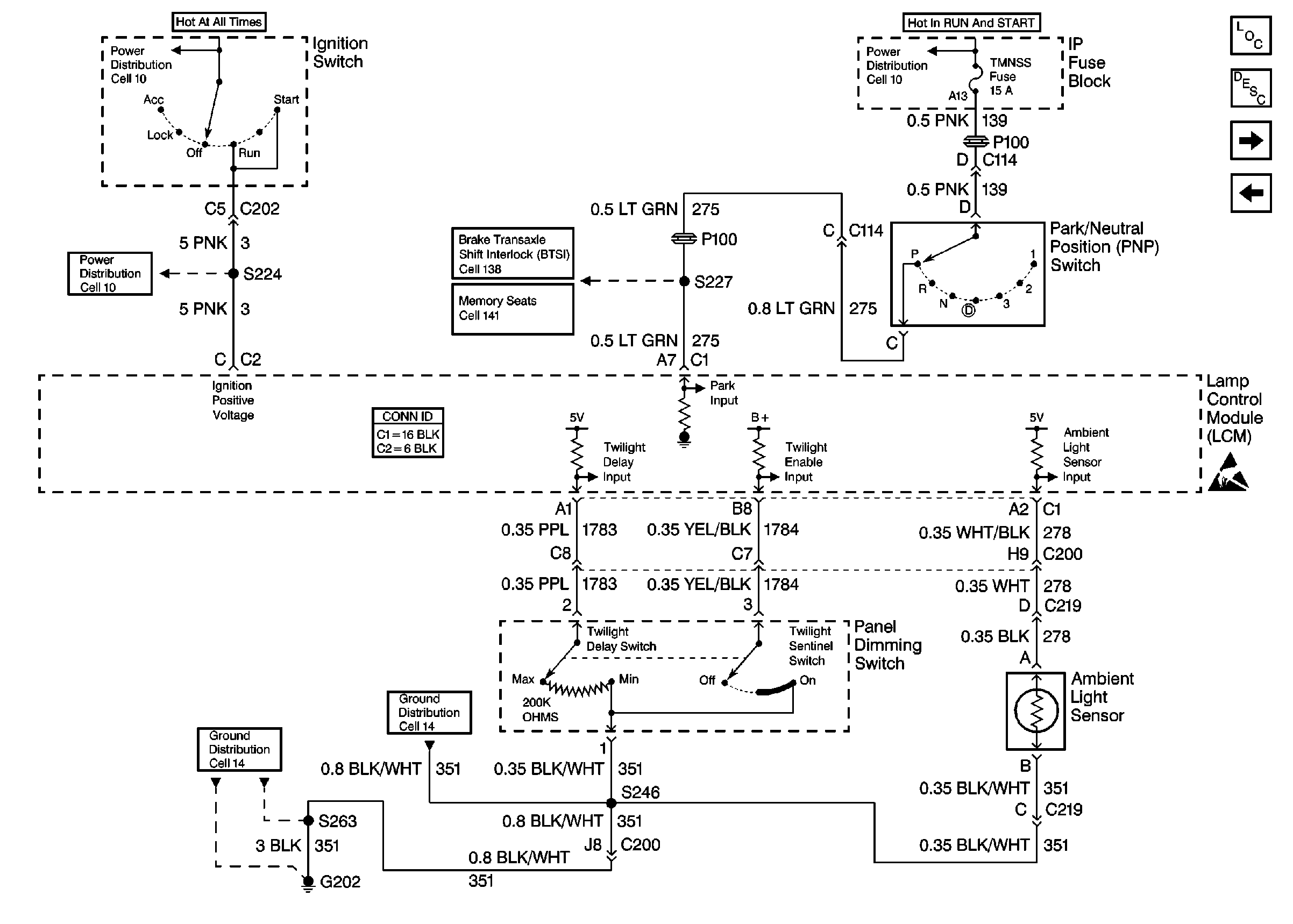
Figure 2:

Cell 100: Ignition and Park Inputs, Twilight Delay and Ambient Light Sensor


Object Number: 341961  Size: FS
Lighting Systems Components
Headlights Circuit Description
Cell 100: Headlamp Dimmer Switch, RFA, and High Beam Indicator
Cell 100: PWR, GND, Headlamp Switch and Lamps On Output
Handling ESD Sensitive Parts Notice
Power Distribution Schematics
Power Distribution Schematics
Power Distribution Schematics
Ground Distribution Schematics
Ground Distribution Schematics
Ground Distribution Schematics
Cell 138: Buick
Cell 141: PWR, GND, LH Seat/Lock Switch and Memory Seat/Mirror Module
Lighting Systems Connector End Views
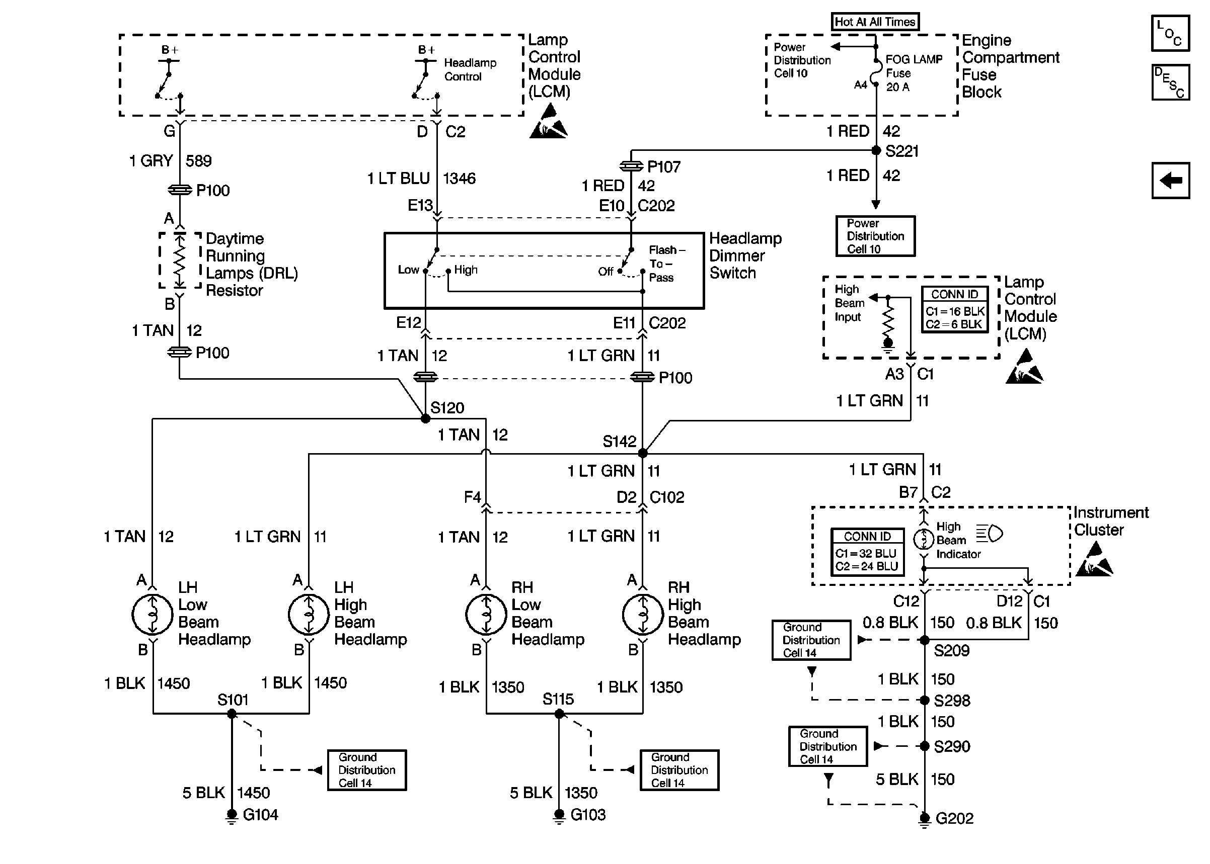
Figure 3:

Cell 100: Headlamp Dimmer Switch, RFA, and High Beam Indicator


Object Number: 341964  Size: FS
Lighting Systems Components
Headlights Circuit Description
Cell 100: Headlamps
Cell 100: Ignition and Park Inputs, Twilight Delay and Ambient Light Sensor
Handling ESD Sensitive Parts Notice
Handling ESD Sensitive Parts Notice
Ground Distribution Schematics
Handling ESD Sensitive Parts Notice
Instrument Panel, Gages, and Console Connector End Views
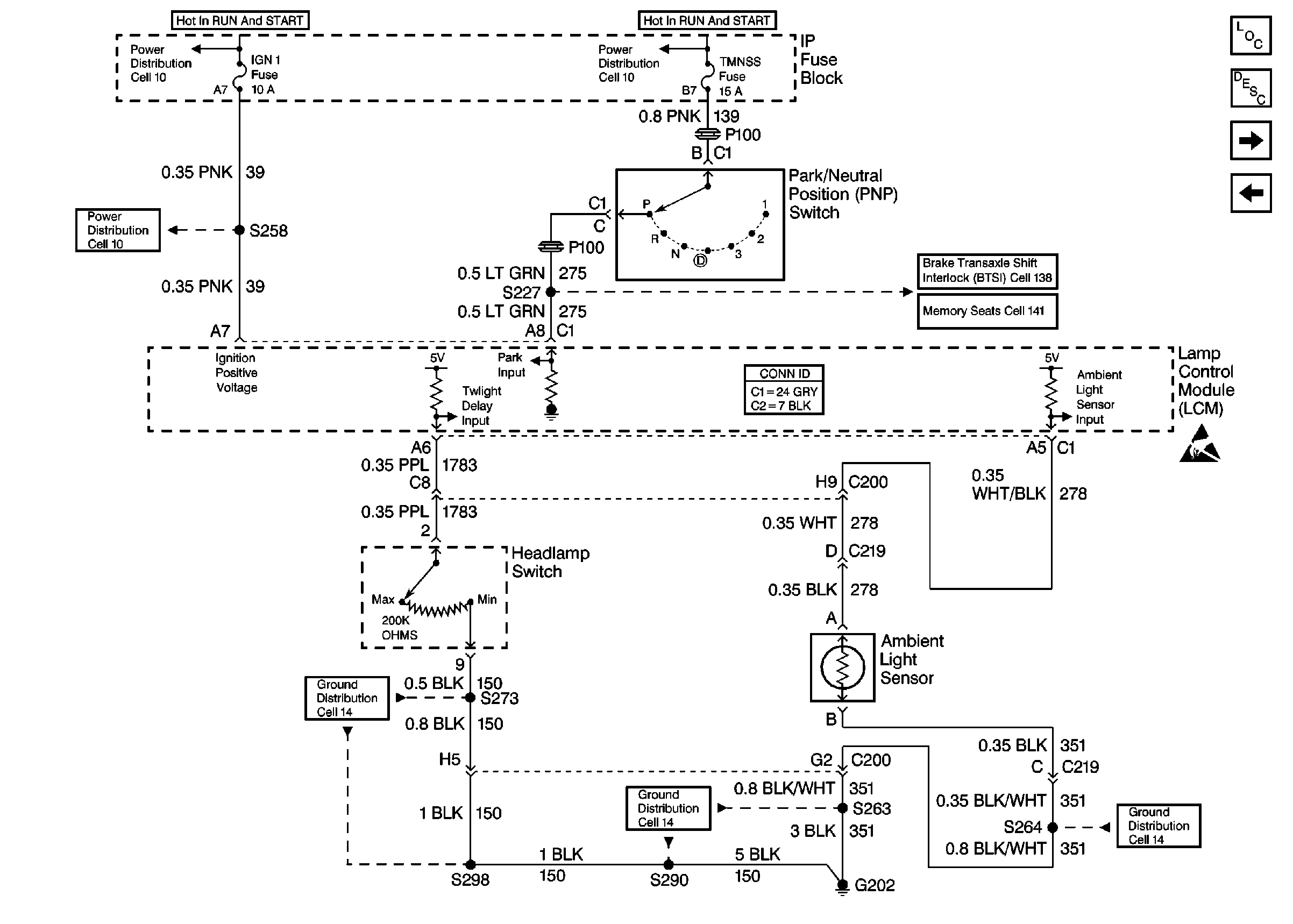
Figure 4:

Cell 100: Headlamps


Object Number: 341966  Size: FS
Lighting Systems Components
Headlights Circuit Description
Cell 100: Headlamp Dimmer Switch, RFA, and High Beam Indicator
Handling ESD Sensitive Parts Notice
Ground Distribution Schematics
Ground Distribution Schematics
Lighting Systems Connector End Views

Headlights Schematics Oldsmobile

Figure 1:

Cell 100: PWR, GND, Headlamp Switch, RFA, and Lamps On Output


Object Number: 341969  Size: FS
Lighting Systems Components
Headlights Circuit Description
Cell 100: Ignition and Park Inputs, Twilight Delay and Ambient Light Sensor
Handling ESD Sensitive Parts Notice
Cell 76: Instrument Cluster
Handling ESD Sensitive Parts Notice
Ground Distribution Schematics
Power Distribution Schematics
Lighting Systems Connector End Views
Figure 2:

Cell 100: Ignition and Park Inputs, Twilight Delay and Ambient Light Sensor


Object Number: 341970  Size: FS
Lighting Systems Components
Headlights Circuit Description
Cell 100: Headlamps and High Beam Indicator
Cell 100: PWR, GND, Headlamp Switch, RFA, and Lamps On Output
Handling ESD Sensitive Parts Notice
Power Distribution Schematics
Ground Distribution Schematics
Ground Distribution Schematics
Cell 138: Oldsmobile
Cell 141: PWR, GND, LH Seat/Lock Switch and Memory Seat/Mirror Module
Power Distribution Schematics
Lighting Systems Connector End Views
Power Distribution Schematics
Figure 3:

Cell 100: Headlamps and High Beam Indicator


Object Number: 341976  Size: FS
Lighting Systems Components
Headlights Circuit Description
Cell 100: Ignition and Park Inputs, Twilight Delay and Ambient Light Sensor
Handling ESD Sensitive Parts Notice
Handling ESD Sensitive Parts Notice
Handling ESD Sensitive Parts Notice
Ground Distribution Schematics
Ground Distribution Schematics
Ground Distribution Schematics
Ground Distribution Schematics
Power Distribution Schematics
Power Distribution Schematics
Lighting Systems Connector End Views
Instrument Panel, Gages, and Console Connector End Views