GM Service Manual Online
For 1990-2009 cars only
Figure 1:

Underhood Fuse Block B+ Bus - 1 of 2


Object Number: 1470747  Size: FS
Master Electrical Component List
Control Module References
Underhood Fuse Block B+ Bus - 2 of 2
Underhood Fuse Block B+ Bus - 2 of 2
Figure 2:

Underhood Fuse Block B+ Bus - 2 of 2


Object Number: 1470751  Size: FS
Master Electrical Component List
Control Module References
Left Rear Fuse Block B+ Bus
Underhood Fuse Block B+ Bus - 1 of 2
Underhood Fuse Block B+ Bus - 1 of 2
Figure 3:

Left Rear Fuse Block B+ Bus


Object Number: 1470754  Size: FS
Master Electrical Component List
Control Module References
Right Rear Fuse Block B+ Bus
Underhood Fuse Block B+ Bus - 2 of 2
Underhood Fuse Block B+ Bus - 1 of 2
Figure 4:

Right Rear Fuse Block B+ Bus


Object Number: 1470755  Size: FS
Master Electrical Component List
Control Module References
Ignition Switch - 1 of 2
Left Rear Fuse Block B+ Bus
Underhood Fuse Block B+ Bus - 2 of 2
Figure 5:

Ignition Switch - 1 of 2


Object Number: 1470759  Size: FS
Master Electrical Component List
Control Module References
Ignition Switch - 2 of 2
Right Rear Fuse Block B+ Bus
Underhood Fuse Block B+ Bus - 2 of 2
Figure 6:

Ignition Switch - 2 of 2


Object Number: 1470760  Size: FS
Master Electrical Component List
Control Module References
Underhood Fuse Block PARK LAMP Relay/Fuses and DIMMING Fuse
Ignition Switch - 1 of 2
Underhood Fuse Block B+ Bus - 2 of 2
Figure 7:

Underhood Fuse Block PARK LAMP Relay/Fuses and DIMMING Fuse


Object Number: 1470783  Size: FS
Master Electrical Component List
Control Module References
Underhood Fuse Block Cooling Fan Fuses/Relays, MAIN Relay, ECM and TOS Fuses
Ignition Switch - 2 of 2
Underhood Fuse Block B+ Bus - 2 of 2
Figure 8:

Underhood Fuse Block MAIN Relay, Cooling Fan Fuses/Relays, ECM and TOS Fuses


Object Number: 1470786  Size: FS
Master Electrical Component List
Control Module References
Underhood Fuse Block PRE 02/CAM Fuse
Underhood Fuse Block PARK LAMP Relay/Fuses and DIMMING Fuse
Underhood Fuse Block B+ Bus - 2 of 2
Underhood Fuse Block PRE 02/CAM Fuse
Figure 9:

Underhood Fuse Block PRE O2/CAM Fuse


Object Number: 1470788  Size: FS
Master Electrical Component List
Control Module References
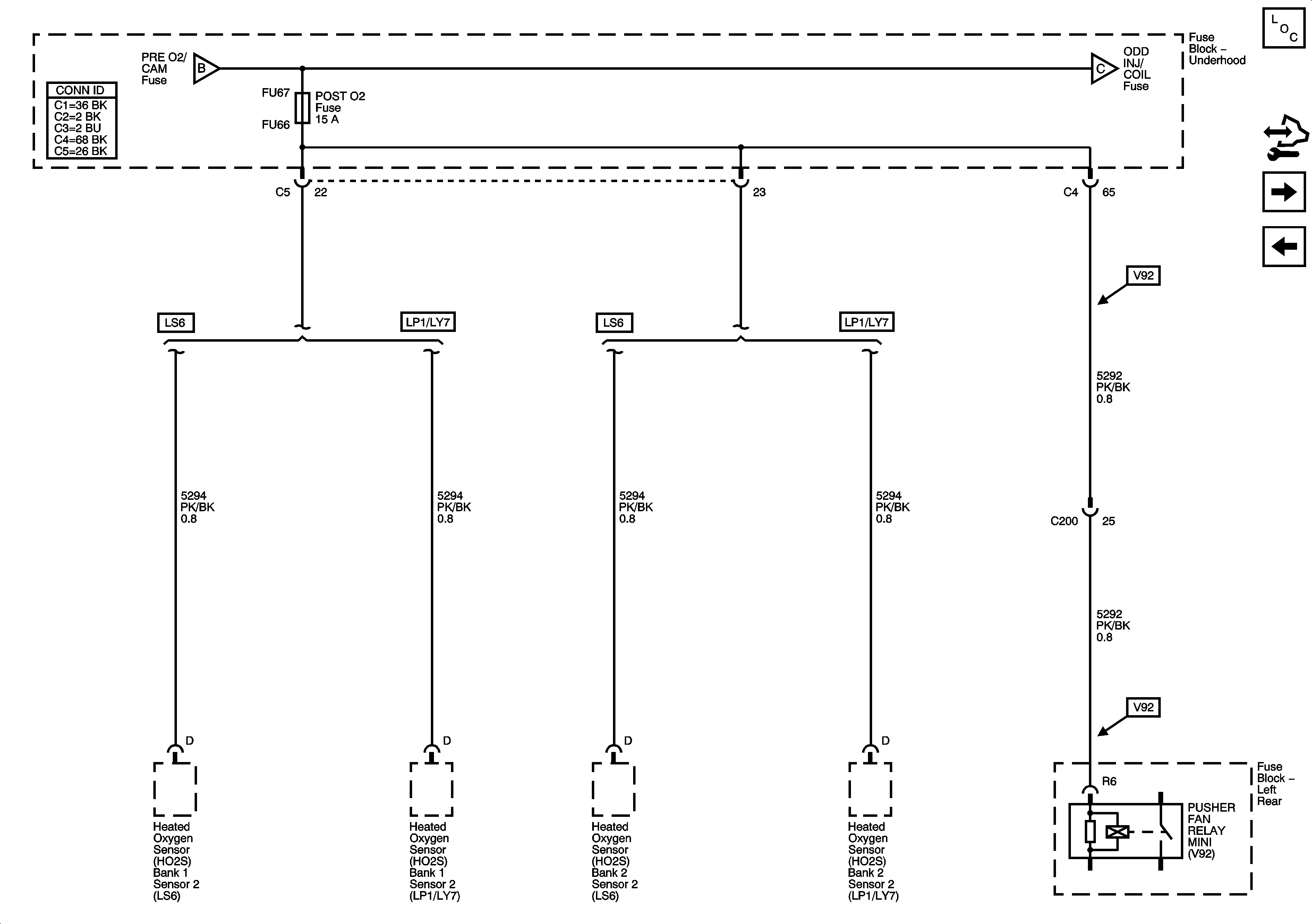
Underhood Fuse Block POST 02 Fuse
Underhood Fuse Block Cooling Fan Fuses/Relays, MAIN Relay, ECM and TOS Fuses
Underhood Fuse Block Cooling Fan Fuses/Relays, MAIN Relay, ECM and TOS Fuses
Underhood Fuse Block POST 02 Fuse
Figure 10:

Underhood Fuse Block POST O2 Fuse


Object Number: 1470790  Size: FS
Master Electrical Component List
Control Module References
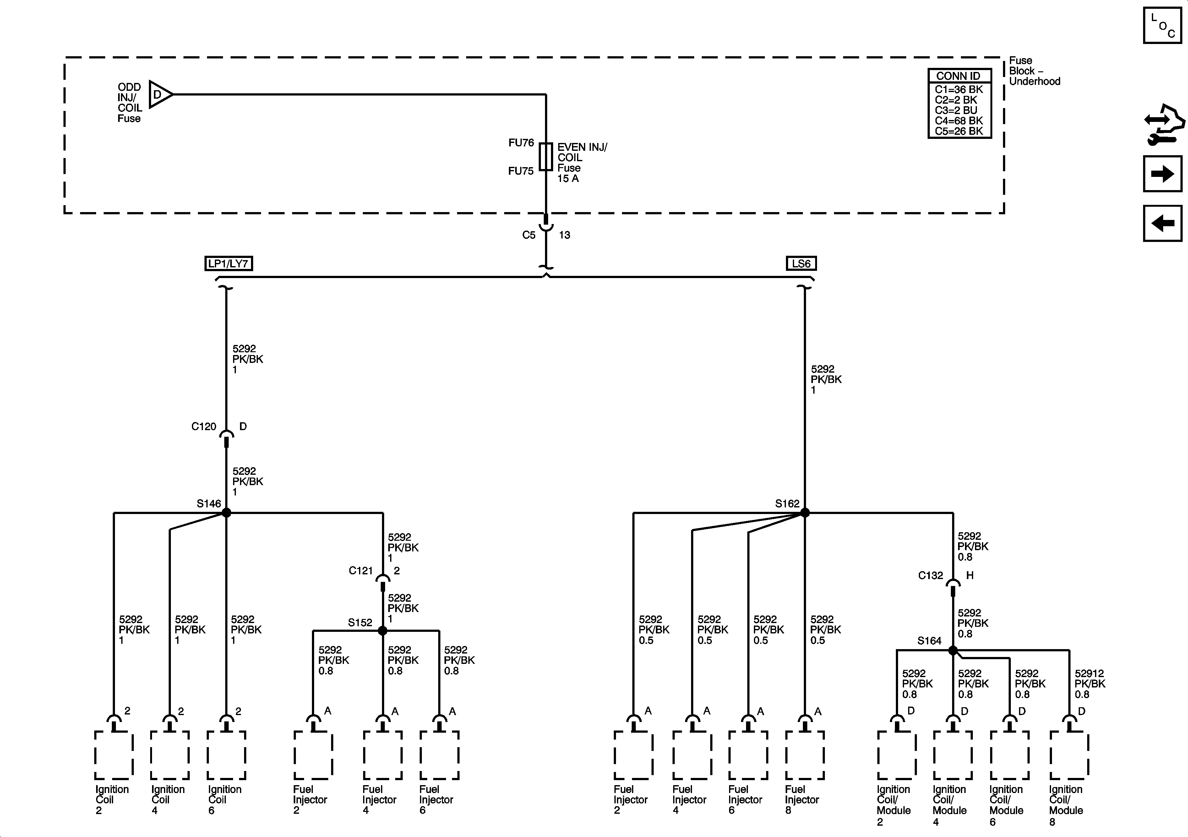
Underhood Fuse Block ODD INJ/COIL Fuse
Underhood Fuse Block PRE 02/CAM Fuse
Underhood Fuse Block PRE 02/CAM Fuse
Underhood Fuse Block ODD INJ/COIL Fuse
Figure 11:

Underhood Fuse Block ODD INJ/COIL Fuse


Object Number: 1470791  Size: FS
Master Electrical Component List
Control Module References
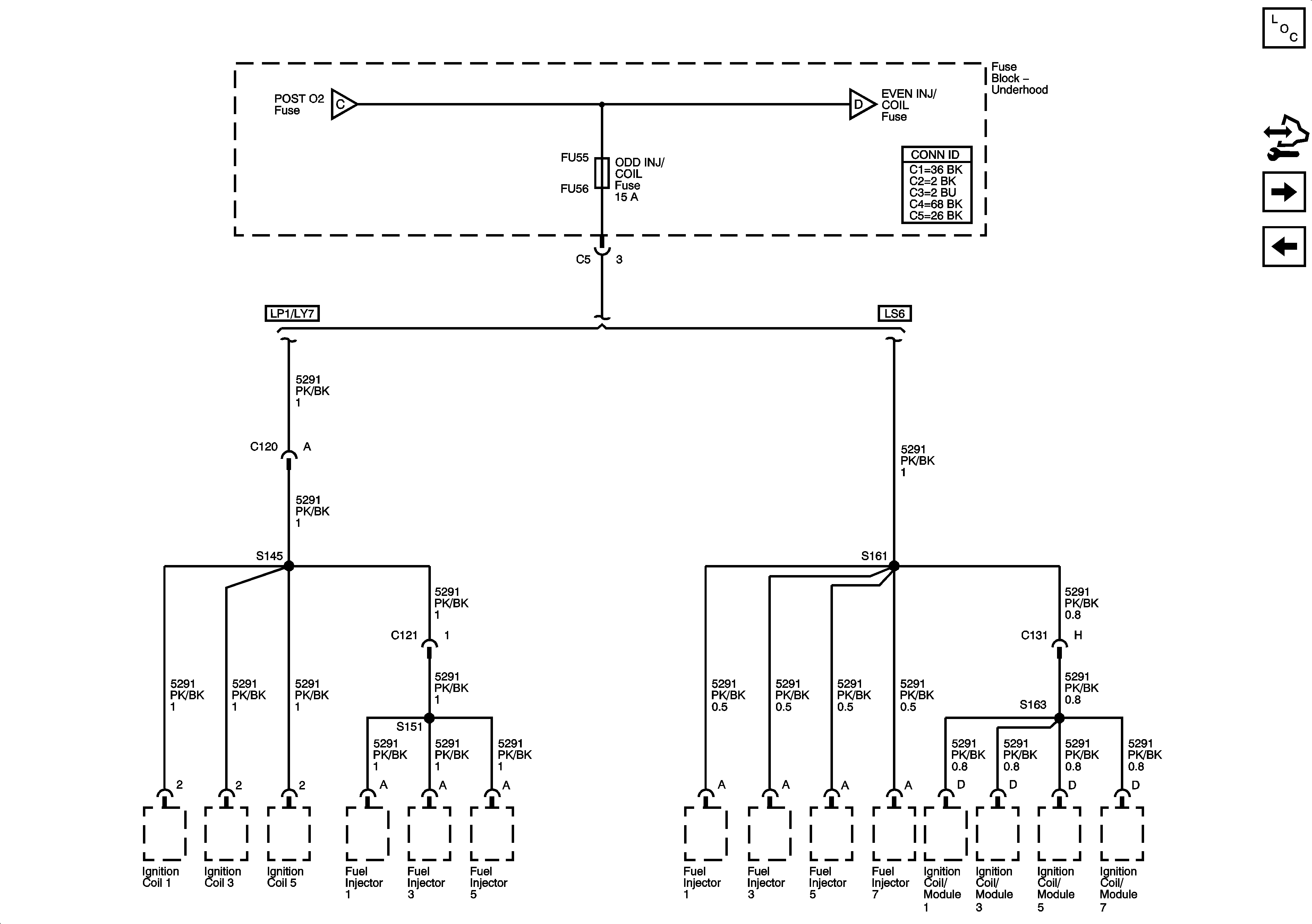
Underhood Fuse Block EVEN INJ/COIL Fuse
Underhood Fuse Block POST 02 Fuse
Underhood Fuse Block POST 02 Fuse
Underhood Fuse Block EVEN INJ/COIL Fuse
Figure 12:

Underhood Fuse Block EVEN INJ/COIL Fuse


Object Number: 1470795  Size: FS
Master Electrical Component List
Control Module References
Underhood Fuse Block DIM/ALDL, VOLT CHECK, FLASHER, CCP, EGM/TCM and ABS Fuses
Underhood Fuse Block ODD INJ/COIL Fuse
Underhood Fuse Block ODD INJ/COIL Fuse
Figure 13:

Underhood Fuse Block DIM/ALDL,VOLT CHECK, FLASHER, CCP, ECM/TCM and ABS Fuses


Object Number: 1470796  Size: FS
Master Electrical Component List
Control Module References
Underhood Fuse Block Headlamp Relays/Fuses, ACCESSORY Relay, I/P OUTLET, OUTLET, WPR MOD, WPR SW and ELEC PRNDL Fuses
Underhood Fuse Block EVEN INJ/COIL Fuse
Underhood Fuse Block B+ Bus - 2 of 2
Figure 14:

Underhood Fuse Block Headlamp Fuses/Relays, ACCESSORY Relay, I/P OUTLET, OUTLET, WPR MOD, WPR SW and ELEC PRNDL Fuses


Object Number: 1470798  Size: FS
Master Electrical Component List
Control Module References
Underhood Fuse Block STARTER Relay, IGN 1 Relay, HTR VLV/CLTCH and TCM/IPC Fuses
Underhood Fuse Block DIM/ALDL, VOLT CHECK, FLASHER, CCP, EGM/TCM and ABS Fuses
Underhood Fuse Block B+ Bus - 2 of 2
Figure 15:

Underhood Fuse Block STARTER and IGN-1 Relays, HTR VLV/CLTCH and TCM/IPC Fuses


Object Number: 1470799  Size: FS
Master Electrical Component List
Control Module References
Underhood Fuse Block WASH NOZ, STRG CTLS and IGN MOD/MAF Fuses
Underhood Fuse Block Headlamp Relays/Fuses, ACCESSORY Relay, I/P OUTLET, OUTLET, WPR MOD, WPR SW and ELEC PRNDL Fuses
Underhood Fuse Block B+ Bus - 2 of 2
Underhood Fuse Block WASH NOZ, STRG CTLS and IGN MOD/MAF Fuses
Figure 16:

Underhood Fuse Block WASH NOZ, STRG CTLS and IGN MOD/MAF Fuses


Object Number: 1470800  Size: FS
Master Electrical Component List
Control Module References
Left Rear Fuse Block, IGN3 Relay, L FRT HTD SEAT MOD, MEM/ADAPT SEAT, CCP, HDLP LEVELING and IGN3 Fuses
Underhood Fuse Block STARTER Relay, IGN 1 Relay, HTR VLV/CLTCH and TCM/IPC Fuses
Underhood Fuse Block STARTER Relay, IGN 1 Relay, HTR VLV/CLTCH and TCM/IPC Fuses
SIR Caution for Zoning
Figure 17:

Left Rear Fuse Block IGN 3 Relay, L FRT HTD SEAT MOD, MEM/ADAPT SEAT, CCP, HDLP LEVELING and IGN 3 Fuses


Object Number: 1470801  Size: FS
Master Electrical Component List
Control Module References
Left Rear Fuse Block SEAT Circuit Breaker, TRUNK Relay/Fuse, AMP, AUDIO, DRIVER DR MOD and REAR DR MOD Fuses
Underhood Fuse Block WASH NOZ, STRG CTLS and IGN MOD/MAF Fuses
Underhood Fuse Block B+ Bus - 2 of 2
Figure 18:

Left Rear Fuse Block SEAT Circuit Breaker,TRUNK Relay/Fuse, AMP, AUDIO, DRIVER DR MOD and REAR DR MOD Fuses


Object Number: 1470804  Size: FS
Master Electrical Component List
Control Module References
Right Rear Fuse Block IGN1 Relay, AIRBAG, RIM, ABS, PSGR DR MOD and TV/VICS Fuses
Left Rear Fuse Block, IGN3 Relay, L FRT HTD SEAT MOD, MEM/ADAPT SEAT, CCP, HDLP LEVELING and IGN3 Fuses
Underhood Fuse Block B+ Bus - 2 of 2
Figure 19:

Right Rear Fuse Block IGN 1 Relay, AIRBAG, RIM, ABS, PSGR DR MOD and TV/VICS Fuses


Object Number: 1470805  Size: FS
Master Electrical Component List
Control Module References
Right Rear Fuse Block DR MOD PWR Circuit Breaker, CANISTER VENT, RIM/IGN SW, R FRT HTD SEAT MOD, and POWER SOUNDER Fuses
Left Rear Fuse Block SEAT Circuit Breaker, TRUNK Relay/Fuse, AMP, AUDIO, DRIVER DR MOD and REAR DR MOD Fuses
Underhood Fuse Block B+ Bus - 2 of 2
Figure 20:

Right Rear Fuse Block DR MOD PWR Circuit Breaker, CANISTER VENT, RIM/IGN SW, R FRT HTD SEAT MOD and POWER SOUNDER Fuses


Object Number: 1470807  Size: FS
Master Electrical Component List
Control Module References
Right Rear Fuse Block IGN1 Relay, AIRBAG, RIM, ABS, PSGR DR MOD and TV/VICS Fuses
Underhood Fuse Block B+ Bus - 2 of 2