GM Service Manual Online
For 1990-2009 cars only
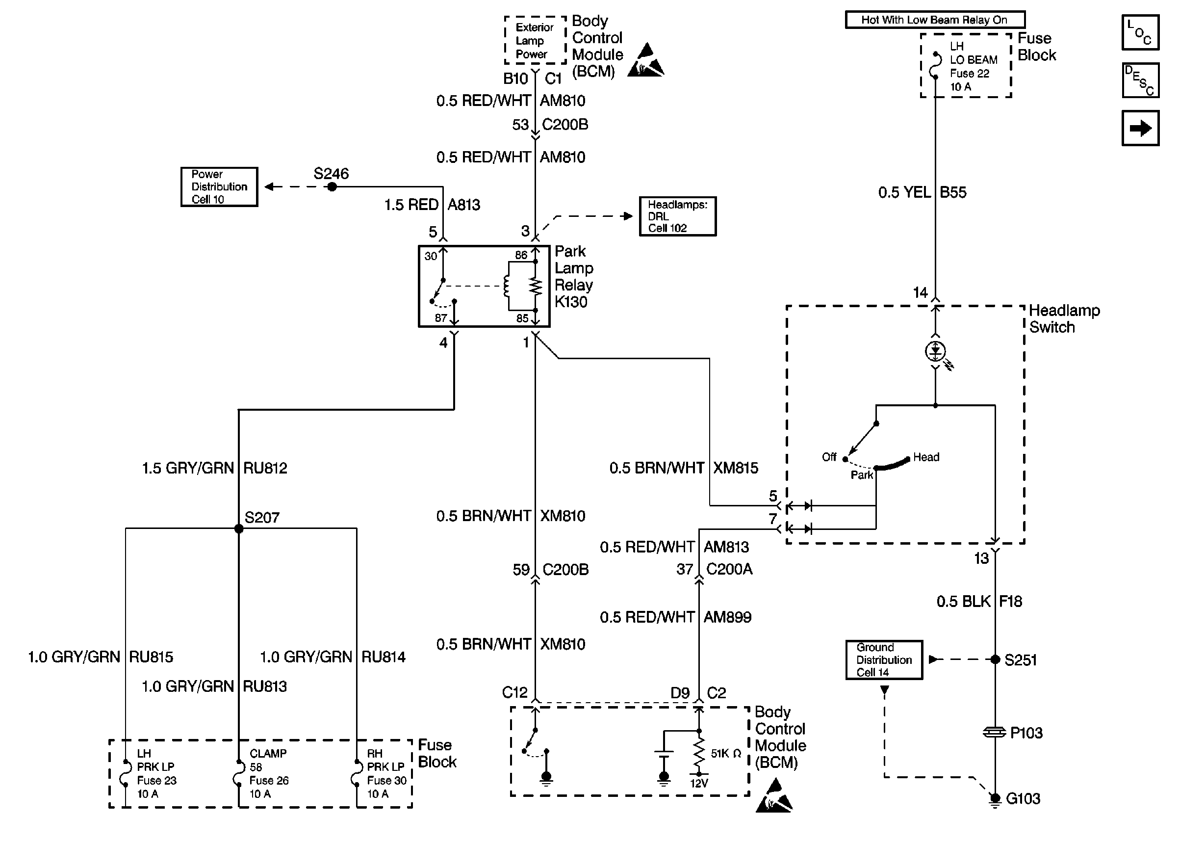
Figure 1:

Cell 110 BCM, Headlamp Switch, Park Lamp Relay K130 and Fuse Block


Object Number: 241883  Size: FS
Lighting Systems Components
Lighting System Description
Cell 110 Park/Turn Signal Lamps, Front and Rear Side Marker Lamps, and Stop/Taillamps
Power Distribution Schematics
Headlights/Daytime Running Lights (DRL) Schematics
Ground Distribution Schematics
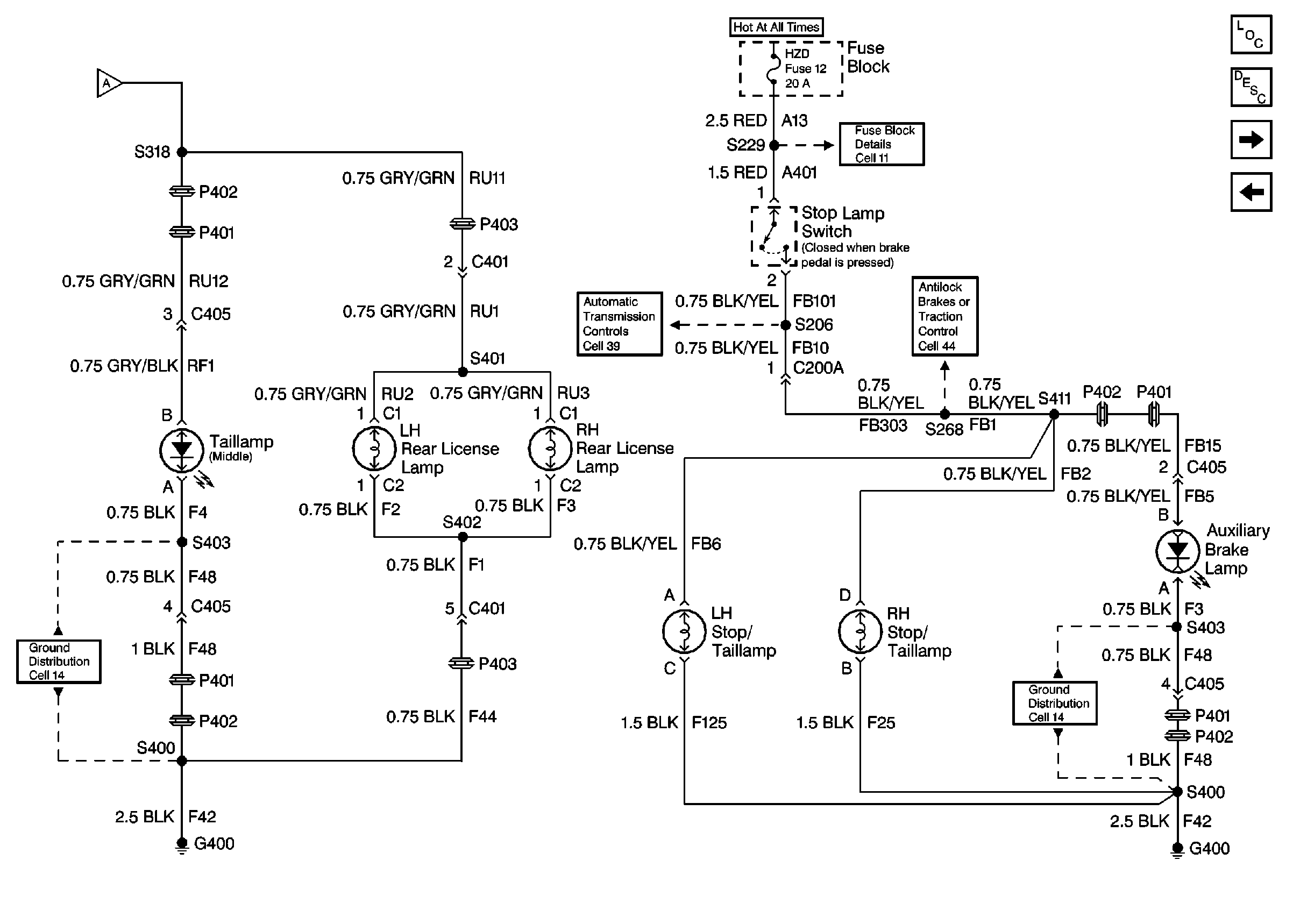
Figure 2:

Cell 110 Park/Turn Signal Lamps, Front and Rear Side Marker Lamps, and Stop/Taillamps


Object Number: 241879  Size: FS
Lighting Systems Components
Lighting System Description
Cell 110 Stop Lamp Switch, Stop/Taillamps, and Rear License Lamps (MY97 ONLY)
Cell 110 BCM, Headlamp Switch, Park Lamp Relay K130 and Fuse Block
Fuse Block Schematics Schematics
Fuse Block Schematics Schematics
Ground Distribution Schematics
Ground Distribution Schematics
Ground Distribution Schematics
Ground Distribution Schematics
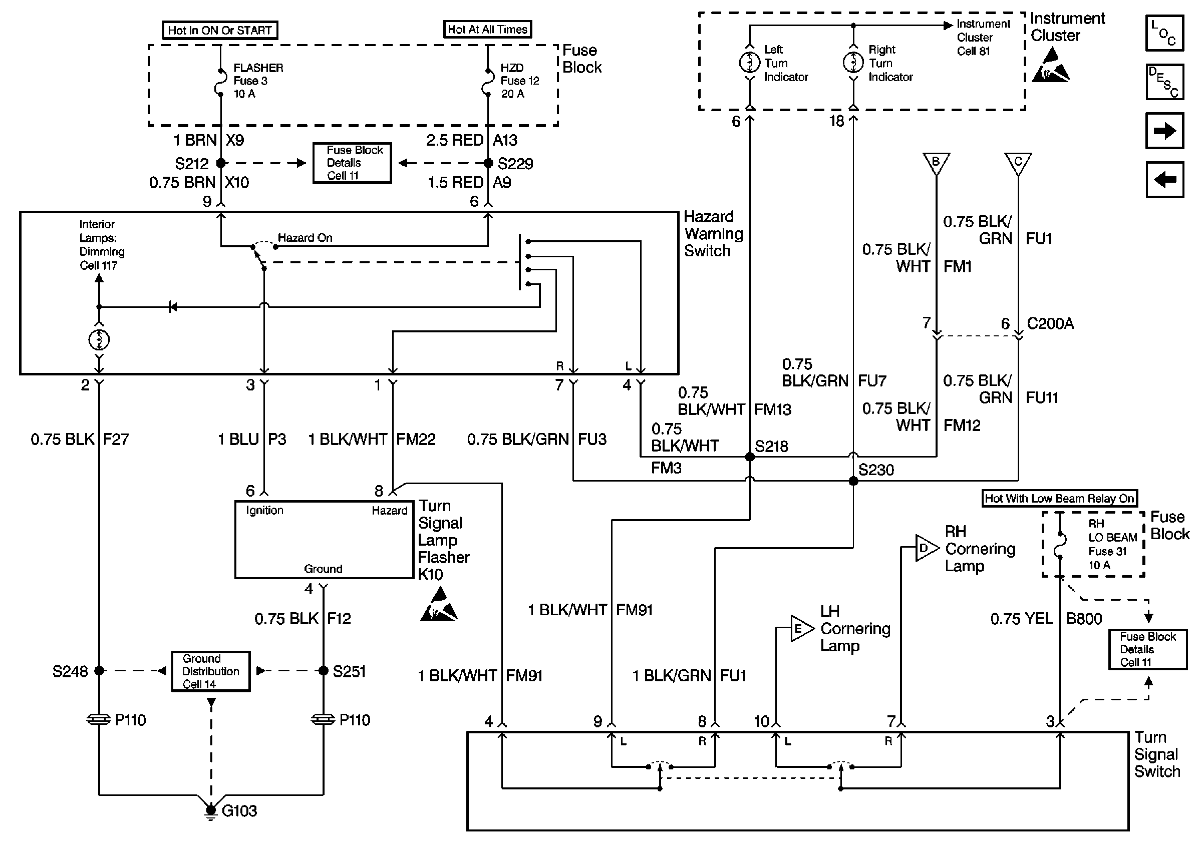
Figure 3:

Cell 110 Stop Lamp Switch, Stop/Taillamps, and Rear License Lamps


Object Number: 241881  Size: FS
Lighting Systems Components
Lighting System Description
Cell 110 Hazard Warning Switch, Turn Signal Switch and Instrument Cluster
Cell 110 Park/Turn Signal Lamps, Front and Rear Side Marker Lamps, and Stop/Taillamps
Fuse Block Schematics Schematics
Ground Distribution Schematics
Fuse Block Schematics Schematics
Figure 4:

Cell 110 Hazard Warning Switch, Turn Signal Switch and Instrument Cluster


Object Number: 241878  Size: FS
Lighting Systems Components
Lighting System Description
Cell 110 Cornering Lamps
Cell 110 Stop Lamp Switch, Stop/Taillamps, and Rear License Lamps (MY97 ONLY)
Fuse Block Schematics Schematics
Ground Distribution Schematics
Fuse Block Schematics Schematics
Figure 5:

Cell 110 Cornering Lamps


Object Number: 241882  Size: FS
Lighting Systems Components
Lighting System Description
Cell 110 Hazard Warning Switch, Turn Signal Switch and Instrument Cluster
Ground Distribution Schematics