GM Service Manual Online
For 1990-2009 cars only
Makes
🢒
Cadillac
🢒
1998
🢒
Catera
🢒
Body and Accessories
🢒
Stationary Windows
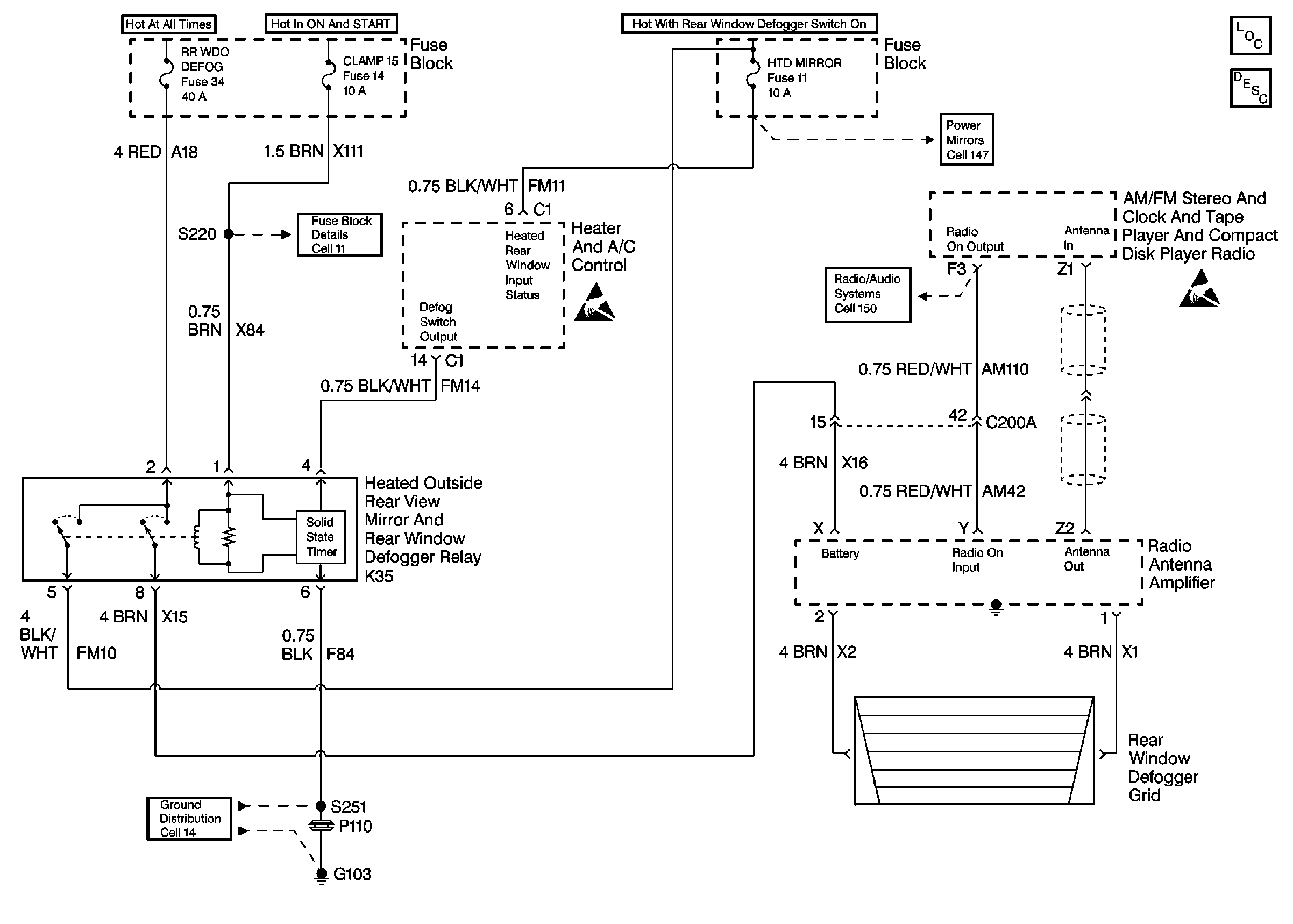
🢒 Defogger Schematics
Cell 61
Stationary Windows Components
Rear Window Defogger Description
Fuse Block Schematics Schematics
Outside Rearview Mirror Schematics
Radio/Audio System Schematics
Ground Distribution Schematics