GM Service Manual Online
For 1990-2009 cars only
Figure 1:

Cell 147 Outside Remote Control Rear View Mirror Switch Without Memory


Object Number: 246068  Size: FS
Power Door Systems Components
Outside Mirrors Circuit Description
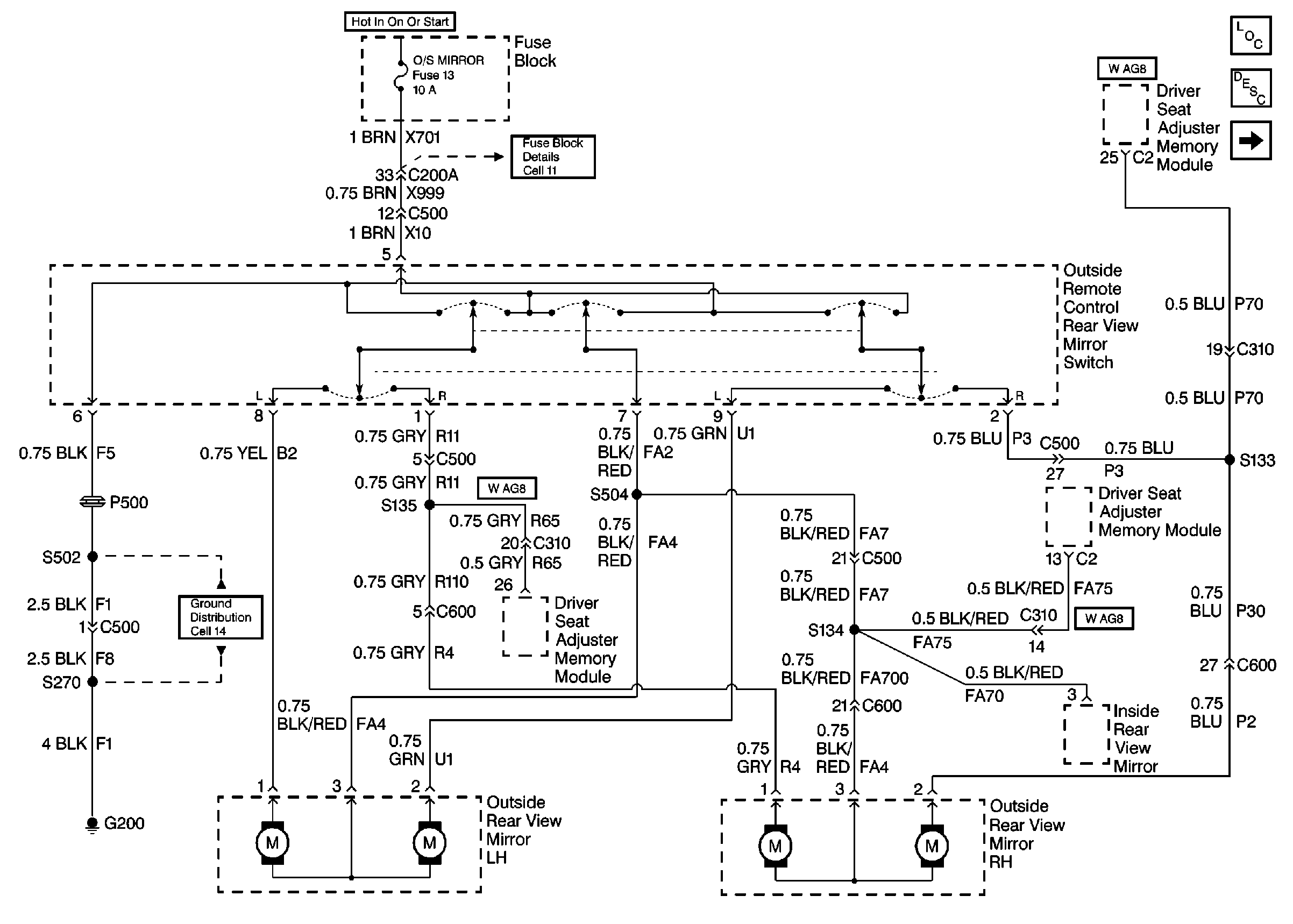
Cell 147 Driver Seat Adjuster Memory Module and Outside Remote Control Rear View Mirror Switch
Fuse Block Schematics Schematics
Ground Distribution Schematics
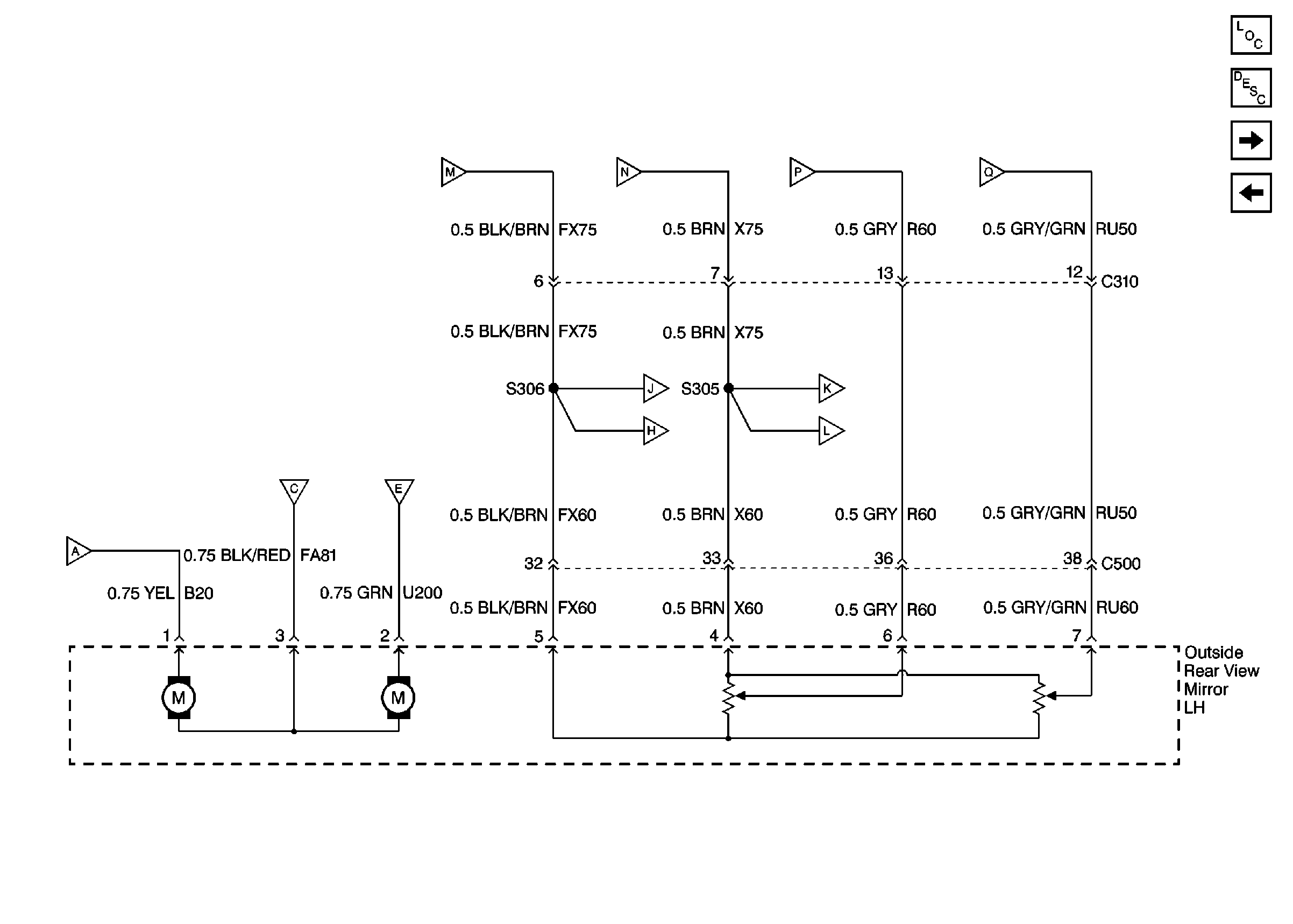
Figure 2:

Cell 147 Driver Seat Adjuster Memory Module and Outside Remote Control Rear View Mirror Switch


Object Number: 246070  Size: FS
Power Door Systems Components
Outside Mirrors Circuit Description
Cell 147 LH Outside Rear View Mirror With Memory
Cell 147 Outside Remote Control Rear View Mirror Switch Without Memory
Fuse Block Schematics Schematics
Ground Distribution Schematics
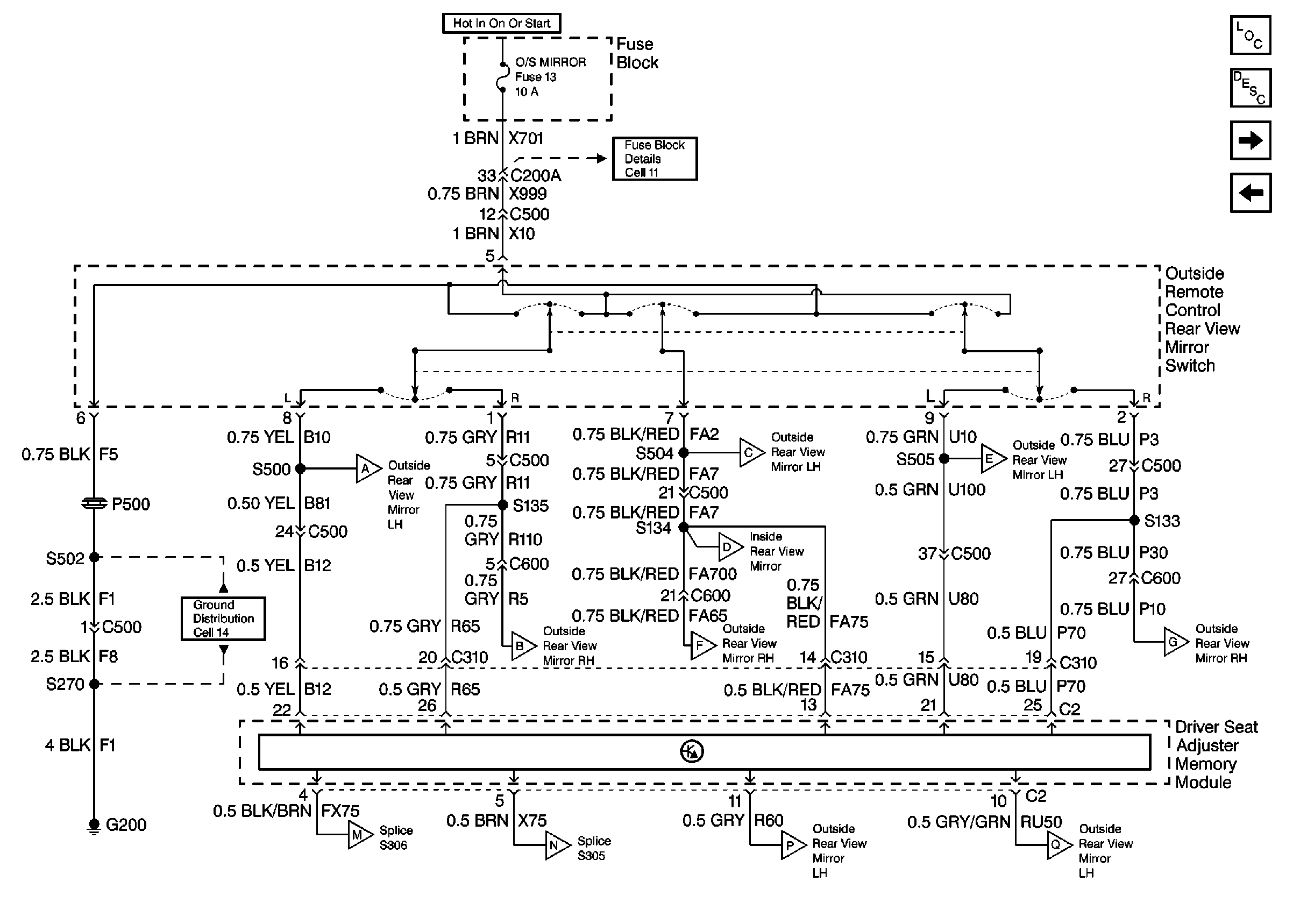
Figure 3:

Cell 147 LH Outside Rear View Mirror With Memory


Object Number: 246072  Size: FS
Power Door Systems Components
Outside Mirrors Circuit Description
Cell 147 RH Outside Rear View Mirror and Inside Rear View Mirror With Memory
Cell 147 Driver Seat Adjuster Memory Module and Outside Remote Control Rear View Mirror Switch
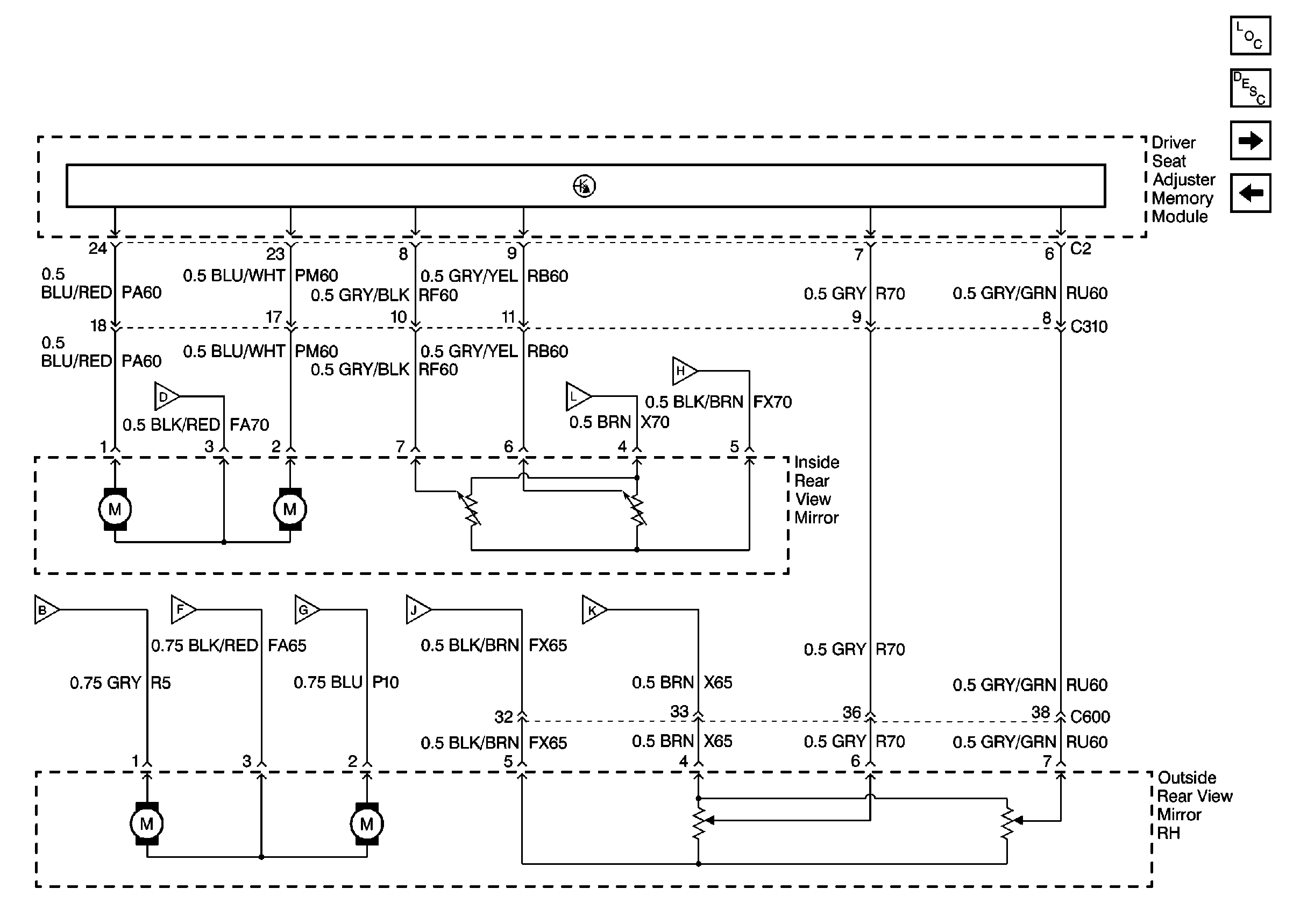
Figure 4:

Cell 147 RH Outside Rear View Mirror and Inside Rear View Mirror With Memory


Object Number: 246074  Size: FS
Power Door Systems Components
Outside Mirrors Circuit Description
Cell 61 LH and RH Outside Heated Mirrors
Cell 147 LH Outside Rear View Mirror With Memory
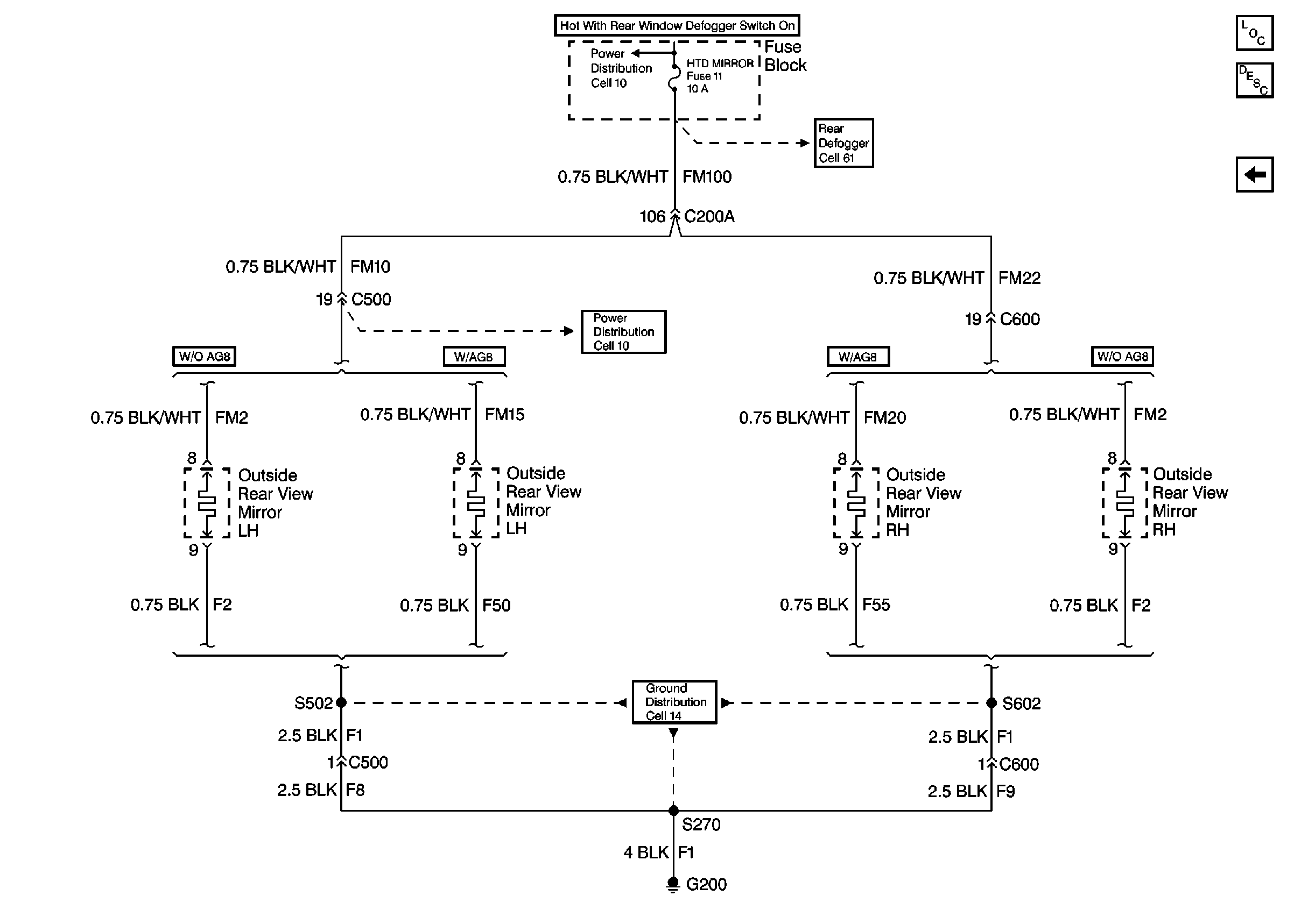
Figure 5:

Cell 61 LH and RH Outside Heated Mirrors


Object Number: 242538  Size: FS
Power Door Systems Components
Heated Mirror Circuit Description
Cell 147 RH Outside Rear View Mirror and Inside Rear View Mirror With Memory
Fuse Block Schematics Schematics
Ground Distribution Schematics
Defogger Schematics