GM Service Manual Online
For 1990-2009 cars only
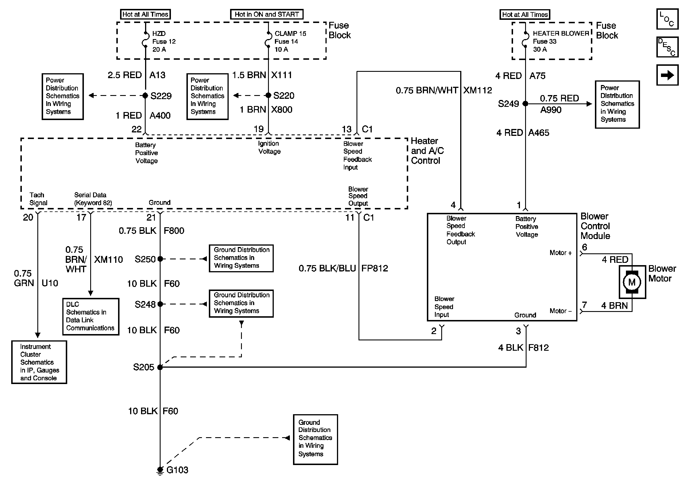
Figure 1:

HVAC Blower Controls


Object Number: 606877  Size: FS
Master Electrical Component List
Air Temperature Description and Operation
Compressor Controls
Underhood Fuse Block Fuse V5 and Fuse Block Fuses 6, 7, 20, and 25
Underhood Fuse Block Fuses V1 and V4, and Ignition Switch
Underhood Fuse Block Fuse V6 and Fuse Block Fuses 17, 28, 29, 33, and34
Fuse Block Fuses 4, 12, 21, and 32
Fuse Block Fuses 2, 9, and 14
Underhood Fuse Block Fuse V6 and Fuse Block Fuses 17, 28, 29, 33, and34
G103 (7 of 8)
DLC Pins 8 and 12
G103 (6 of 8)
Tachometer, Speedometer and Overspeed Indicator
G103 (1 of 8)
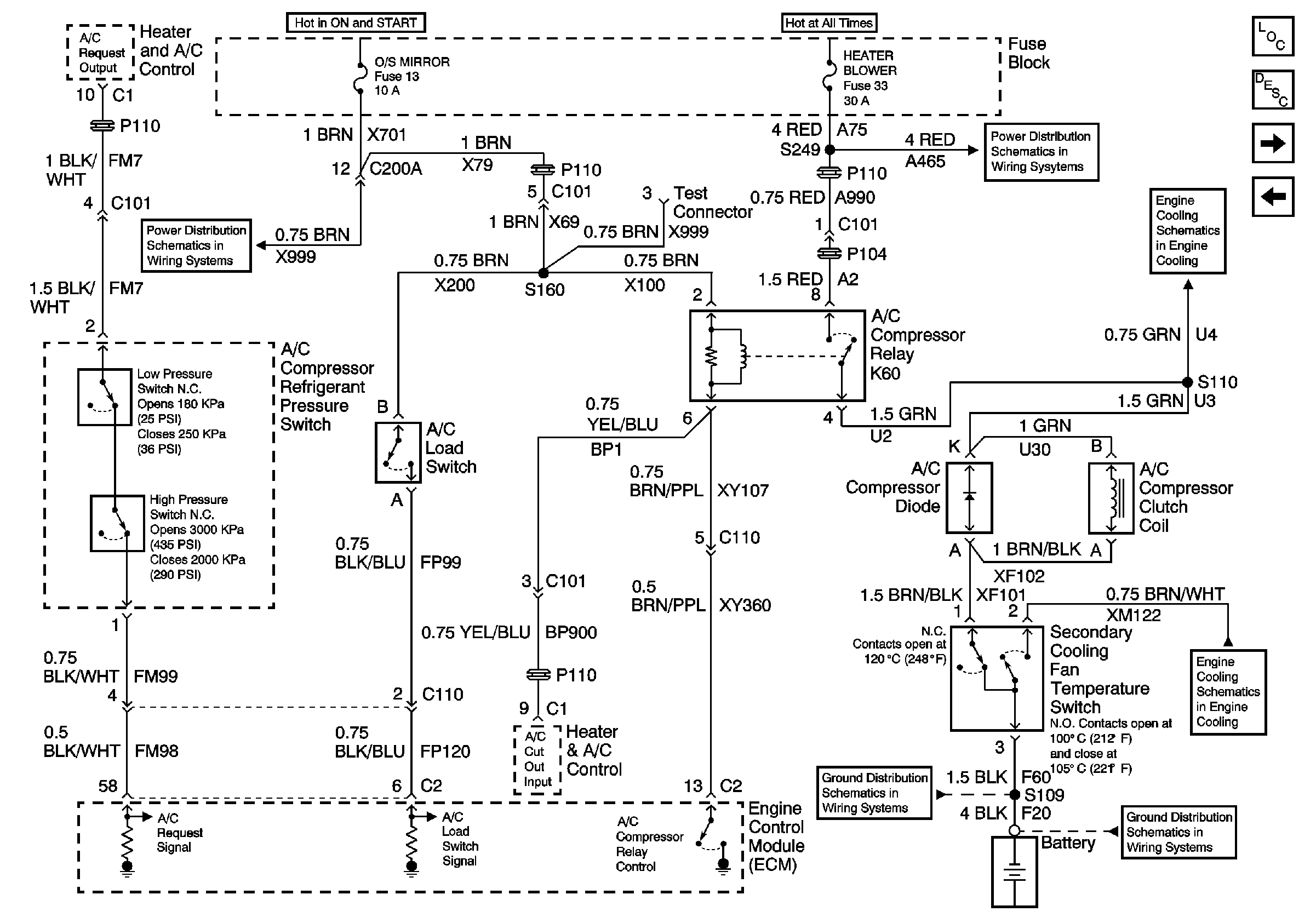
Figure 2:

HVAC Compressor Controls


Object Number: 607171  Size: FS
Master Electrical Component List
Air Temperature Description and Operation
Ambient Light/Sunload and Air Temperature Sensors
Blower Controls
Underhood Fuse Block Fuses V1 and V4, and Ignition Switch
Underhood Fuse Block Fuse V6 and Fuse Block Fuses 17, 28, 29, 33, and34
Fuse Block Fuses 3, 13, and 19
Underhood Fuse Block Fuse V6 and Fuse Block Fuses 17, 28, 29, 33, and34
Auxiliary Engine Cooling Fan #2
Auxiliary Engine Cooling Fan #2
G103 (2 of 8)
G103 (1 of 8)
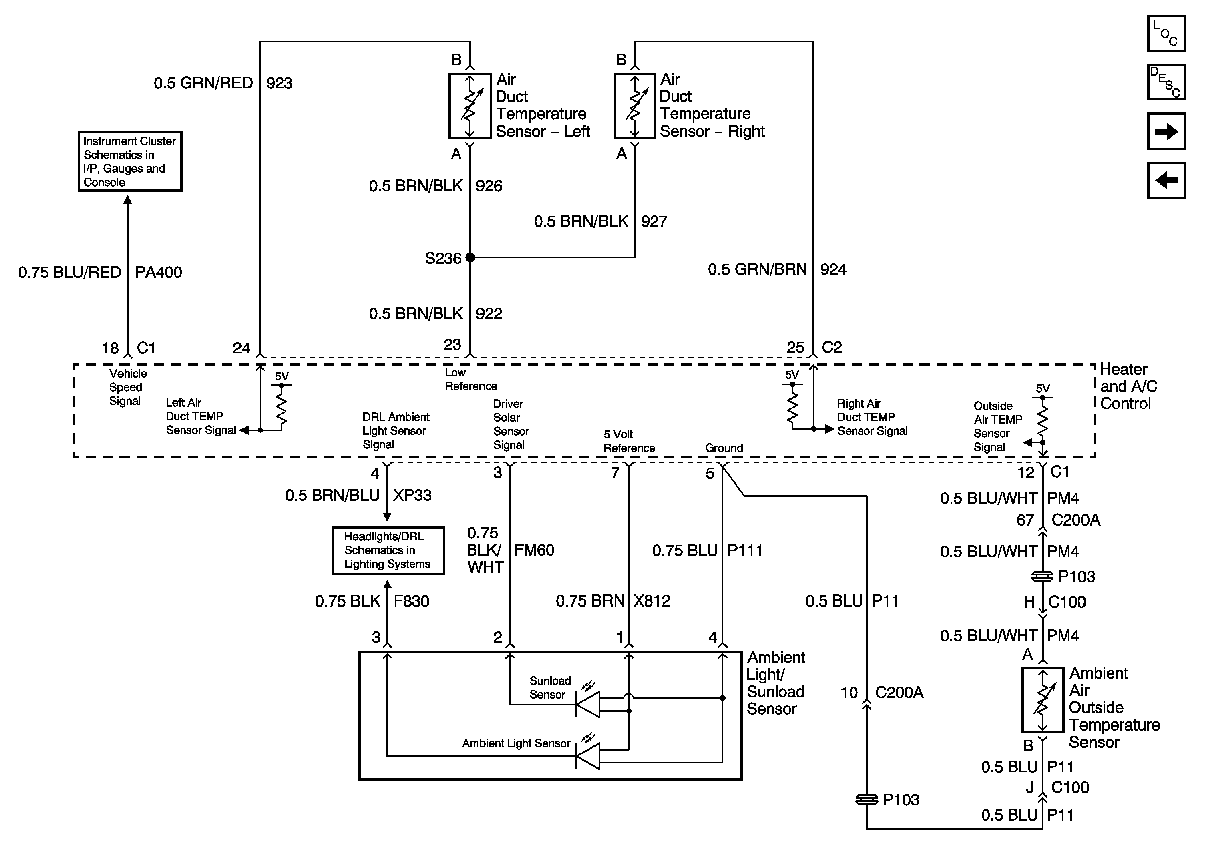
Figure 3:

Ambient Light/Sunload Sensor and Air Temperature Sensors


Object Number: 606875  Size: FS
Master Electrical Component List
Air Temperature Description and Operation
Defrost Valve Actuator and Vacuum Solenoid Valves
Compressor Controls
Tachometer, Speedometer and Overspeed Indicator
Headlamp Switch, BCM, Heater and A/C Control and Instrument Cluster
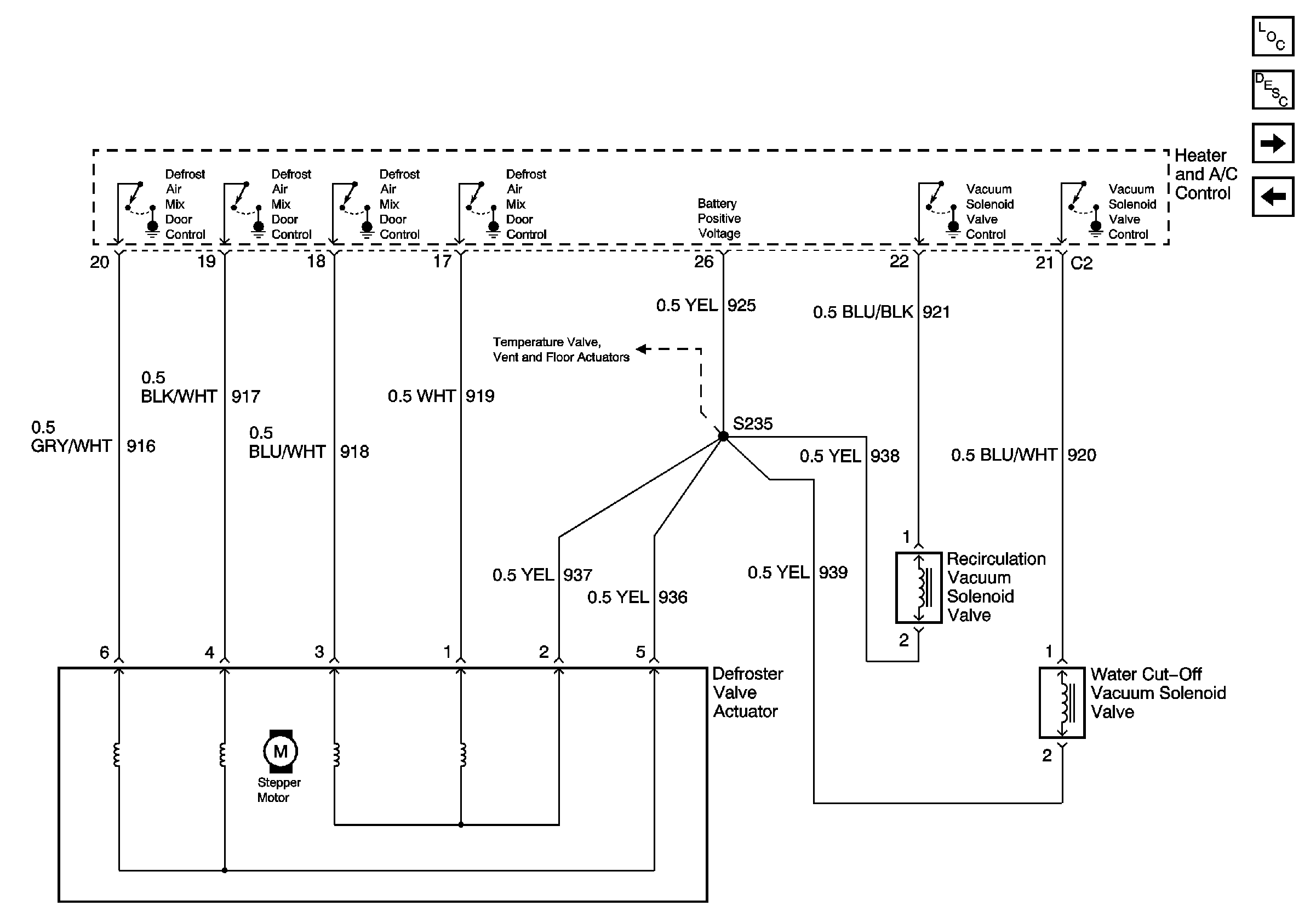
Figure 4:

HVAC Defrost Valve Actuator and Vacuum Solenoid Valves


Object Number: 371333  Size: FS
Master Electrical Component List
Air Temperature Description and Operation
Vent and Floor Actuators
Ambient Light/Sunload and Air Temperature Sensors
Vent and Floor Actuators
Figure 5:

HVAC Vent and Floor Actuators


Object Number: 371335  Size: FS
Master Electrical Component List
Air Temperature Description and Operation
Temperature Valve Actuators
Defrost Valve Actuator and Vacuum Solenoid Valves
Temperature Valve Actuators
Figure 6:

HVAC Temp Valve Actuators


Object Number: 371336  Size: FS
Master Electrical Component List
Air Temperature Description and Operation
Vent and Floor Actuators
Defrost Valve Actuator and Vacuum Solenoid Valves