GM Service Manual Online
For 1990-2009 cars only
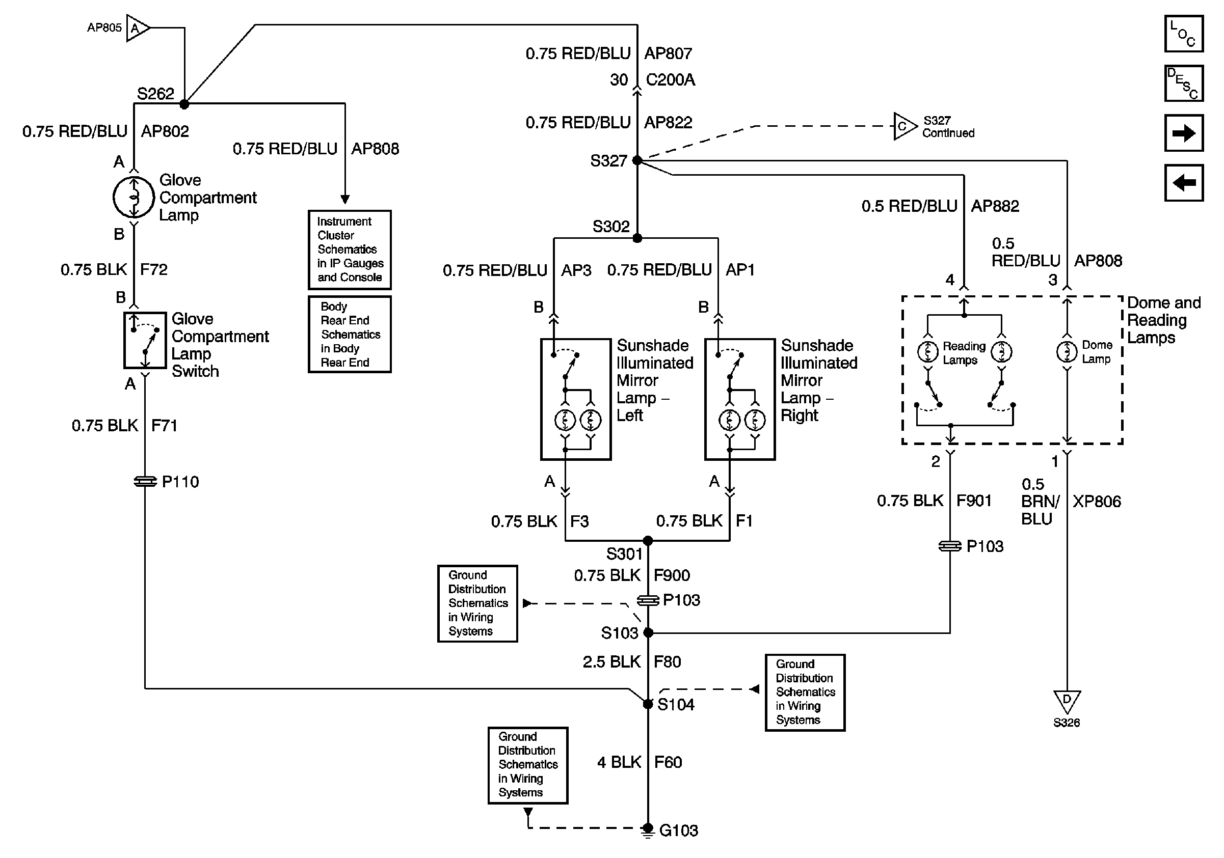
Figure 1:

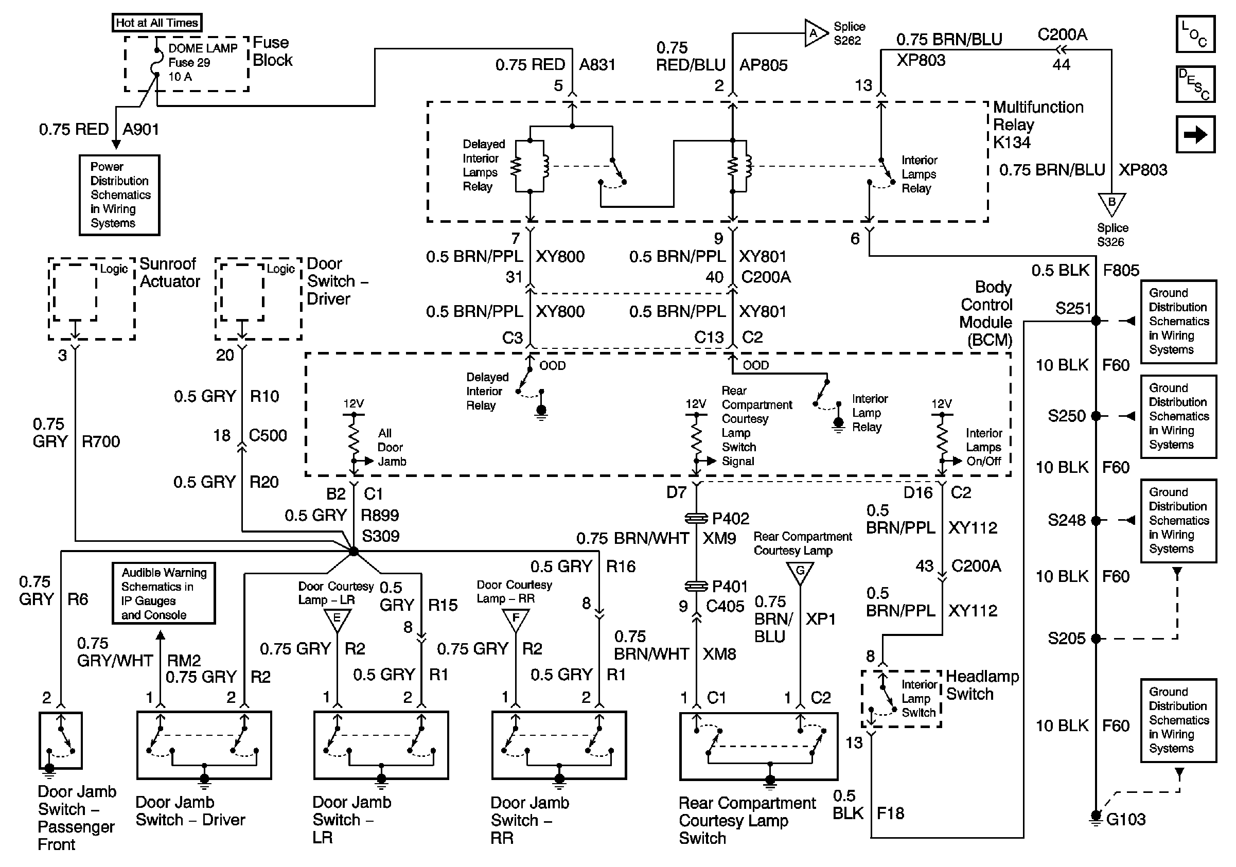
BCM, Door Jamb Switches and Relay


Object Number: 788570  Size: FS
Master Electrical Component List
Interior Lighting Systems Description and Operation
I/P Compartment, Dome/Reading, and Sunshade Lamps
Underhood Fuse Block Fuse V6 and Fuse Block Fuses 17, 28, 29, 33, and34
I/P Compartment, Dome/Reading, and Sunshade Lamps
Underhood Fuse Block Fuse V6 and Fuse Block Fuses 17, 28, 29, 33, and34
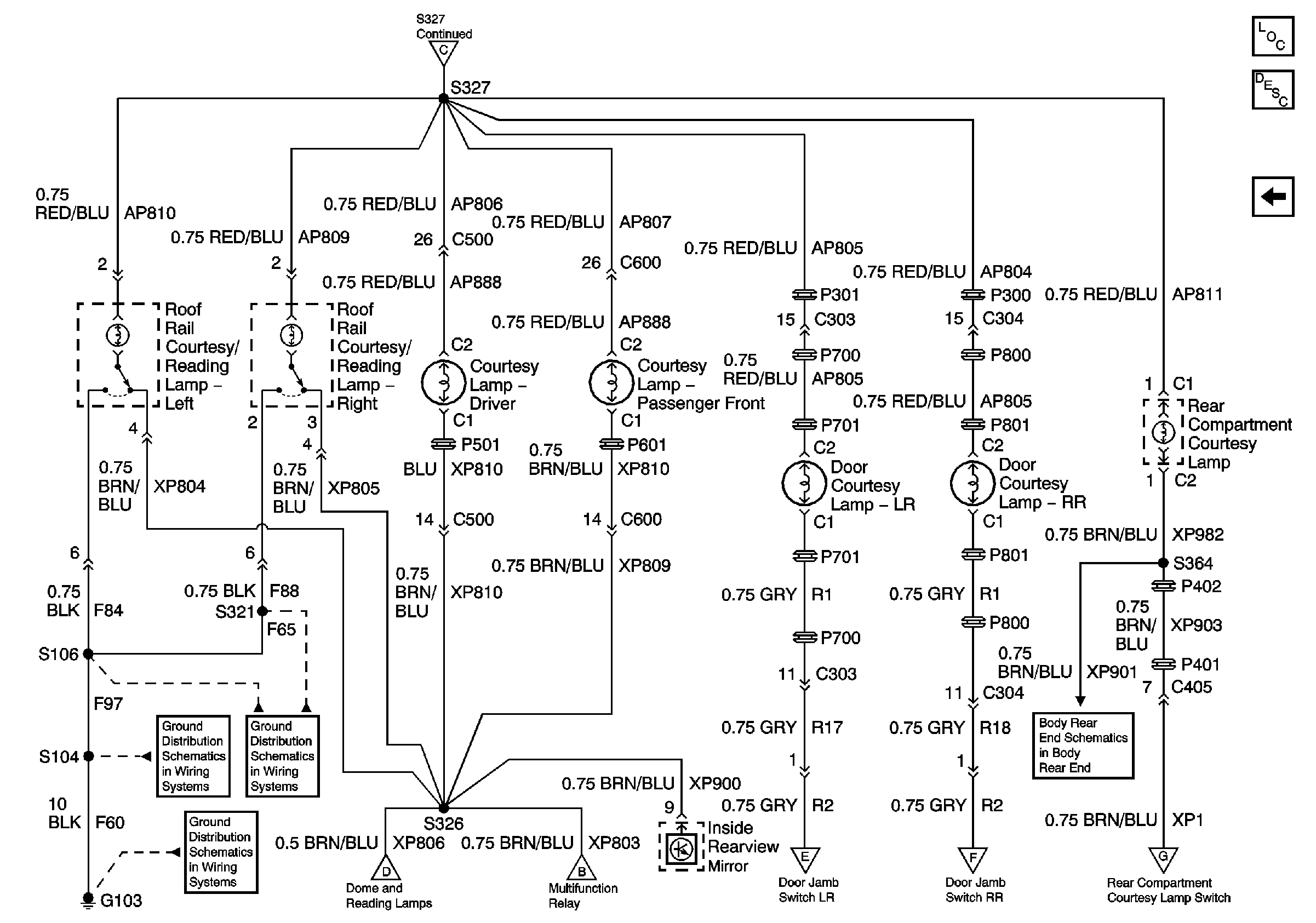
Door and Roof Rail Courtesy Lamps
Audible Warning
Door and Roof Rail Courtesy Lamps
Door and Roof Rail Courtesy Lamps
Door and Roof Rail Courtesy Lamps
G103 (8 of 8)
G103 (7 of 8)
G103 (6 of 8)
G103 (1 of 8)
Figure 2:

Glove Compartment, Sunshade and Dome/Reading Lamps


Object Number: 782709  Size: FS
Master Electrical Component List
Interior Lighting Systems Description and Operation
Door and Roof Rail Courtesy Lamps
Interior Lamps Relay and Door Jamb Switches
Interior Lamps Relay and Door Jamb Switches
Door and Roof Rail Courtesy Lamps
Power, Ground, DLC, Turn Signal, Fog Lamp, Security, Rear Compartment Lid Release Open, High Beam Indicators and Back Lighting Lamps
Rear Compartment Lid Ajar Indicator
G103 (4 of 8)
G103 (1 of 8)
G103 (3 of 8)
Door and Roof Rail Courtesy Lamps
Figure 3:

Courtesy Lamps


Object Number: 782704  Size: FS
Master Electrical Component List
Interior Lighting Systems Description and Operation
I/P Compartment, Dome/Reading, and Sunshade Lamps
I/P Compartment, Dome/Reading, and Sunshade Lamps
G103 (3 of 8)
G103 (5 of 8)
G103 (1 of 8)
I/P Compartment, Dome/Reading, and Sunshade Lamps
Interior Lamps Relay and Door Jamb Switches
Interior Lamps Relay and Door Jamb Switches
Interior Lamps Relay and Door Jamb Switches
Rear Compartment Lid Ajar Indicator
Interior Lamps Relay and Door Jamb Switches