GM Service Manual Online
For 1990-2009 cars only
Makes
🢒
Cadillac
🢒
2001
🢒
Catera
🢒 Audible Warning
Audible Warning
Master Electrical Component List
Audible Warnings Description and Operation
Underhood Fuse Block Fuse V5 and Fuse Block Fuses 6, 7, 20, and 25
Underhood Fuse Block Fuses V1 and V4, and Ignition Switch
Underhood Fuse Block Fuses V1 and V4, and Ignition Switch
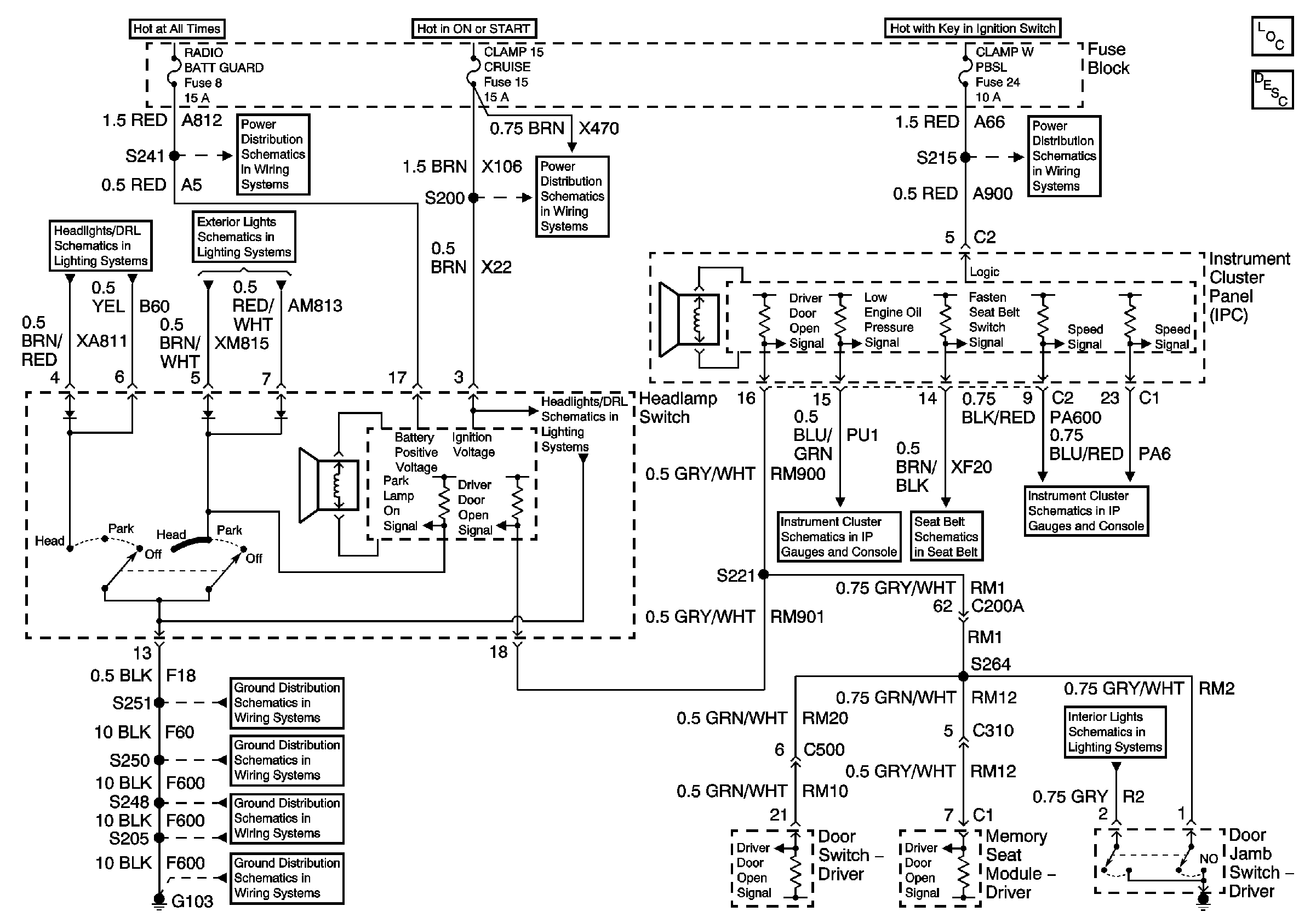
Fuse Block Fuses 1, 8, and 27
Fuse Block Fuse 15
Fuse Block Fuses 10 and 24
Headlamp Switch, BCM, Heater and A/C Control and Instrument Cluster
Park Lamp Relay and Headlamp Switch
Headlamp Switch, BCM, Heater and A/C Control and Instrument Cluster
Fuel, Coolant and Oil Gauges and Indicators
Seat Belt Schematics
Tachometer, Speedometer and Overspeed Indicator
G103 (8 of 8)
G103 (7 of 8)
G103 (6 of 8)
G103 (1 of 8)
Interior Lamps Relay and Door Jamb Switches