GM Service Manual Online
For 1990-2009 cars only
Makes
🢒
Cadillac
🢒
2001
🢒
Catera
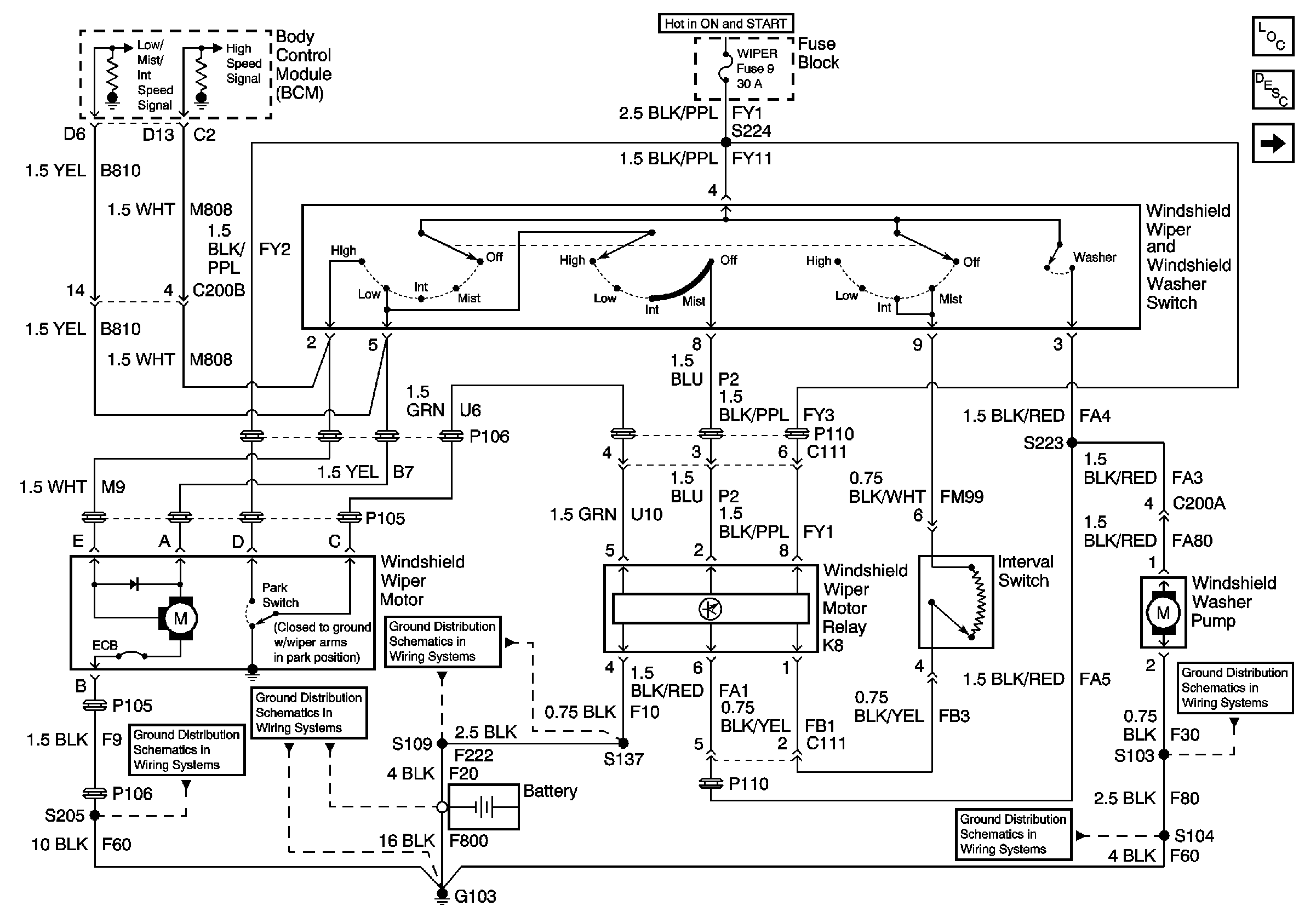
🢒 Windshield Wipers and Washer Pump
Windshield Wipers and Washer Pump
Windshield Wipers and Washer Pump
Master Electrical Component List
Wiper/Washer System Description and Operation
Windshield Washer Nozzle Heating and Low Washer Fluid Indicator
Underhood Fuse Block Fuses V1 and V4, and Ignition Switch
G103 (6 of 8)
G103 (1 of 8)
G103 (2 of 8)
G103 (3 of 8)
G103 (4 of 8)