GM Service Manual Online
For 1990-2009 cars only
Makes
🢒
Cadillac
🢒
2001
🢒
Catera
🢒 W/O Memory
W/O Memory
Without Memory
Master Electrical Component List
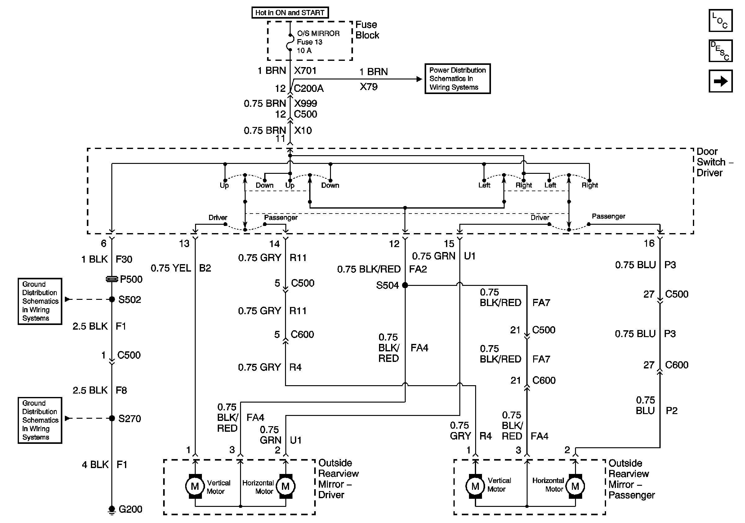
Outside Mirror Description and Operation
Door Switch Driver and Memory Seat Module - Driver
Underhood Fuse Block Fuses V1 and V4, and Ignition Switch
Fuse Block Fuses 3, 13, and 19
G200 (2 of 2)
G200 (1 of 2) and G203