GM Service Manual Online
For 1990-2009 cars only
Figure 1:

Front Park, Marker, Position Lamps


Object Number: 1759177  Size: FS
Exterior Lighting Systems Description and Operation
Rear Park and Tail Lamps
Rear Fuse Block B+
Headlamp Switch
G304
Rear Park and Tail Lamps
Rear Park and Tail Lamps
Rear Park and Tail Lamps
License Lamps
Front Turn Signal/Hazard Lamps
G104
Front Turn Signal/Hazard Lamps
License Lamps
License Lamps
Rear Park and Tail Lamps
Rear Park and Tail Lamps
Rear Park and Tail Lamps
Figure 2:

Rear Park and Tail Lamps


Object Number: 1759190  Size: FS
Exterior Lighting Systems Description and Operation
License Lamps
Front Park, Marker, Position Lamps
Front Park, Marker, Position Lamps
Front Park, Marker, Position Lamps
Front Park, Marker, Position Lamps
Front Park, Marker, Position Lamps
Front Park, Marker, Position Lamps
Front Park, Marker, Position Lamps
G402
G403
G301
G304
G301
G304
Figure 3:

License Lamps


Object Number: 1759192  Size: FS
Exterior Lighting Systems Description and Operation
Front Turn Signal/Hazard Lamps
Rear Park and Tail Lamps
Front Park, Marker, Position Lamps
Front Park, Marker, Position Lamps
Front Park, Marker, Position Lamps
G403
G301
Figure 4:

Front Turn Signal/Hazard Lamps


Object Number: 1759197  Size: FS
Exterior Lighting Systems Description and Operation
Cornering Lamps
License Lamps
Hazard, Headlamp, Driver Information Display Switches, Ashtray, HVAC Control Module, Radio, Clock
G300
Front Park, Marker, Position Lamps
G104
Front Park, Marker, Position Lamps
Figure 5:

Cornering Lamps


Object Number: 1759198  Size: FS
Exterior Lighting Systems Description and Operation
Stop/Rear Turn Signal Lamps
Front Turn Signal/Hazard Lamps
Underhood Fuse Block B+
Fog Lamps Schematics
Fog Lamps Schematics
G104
Figure 6:

Stop/Rear Turn Signal Lamps


Object Number: 1759202  Size: FS
Exterior Lighting Systems Description and Operation
Center High-Mounted Stop Lamp
Cornering Lamps
Rear Fuse Block B+
Center High-Mounted Stop Lamp
G402
G403
Center High-Mounted Stop Lamp
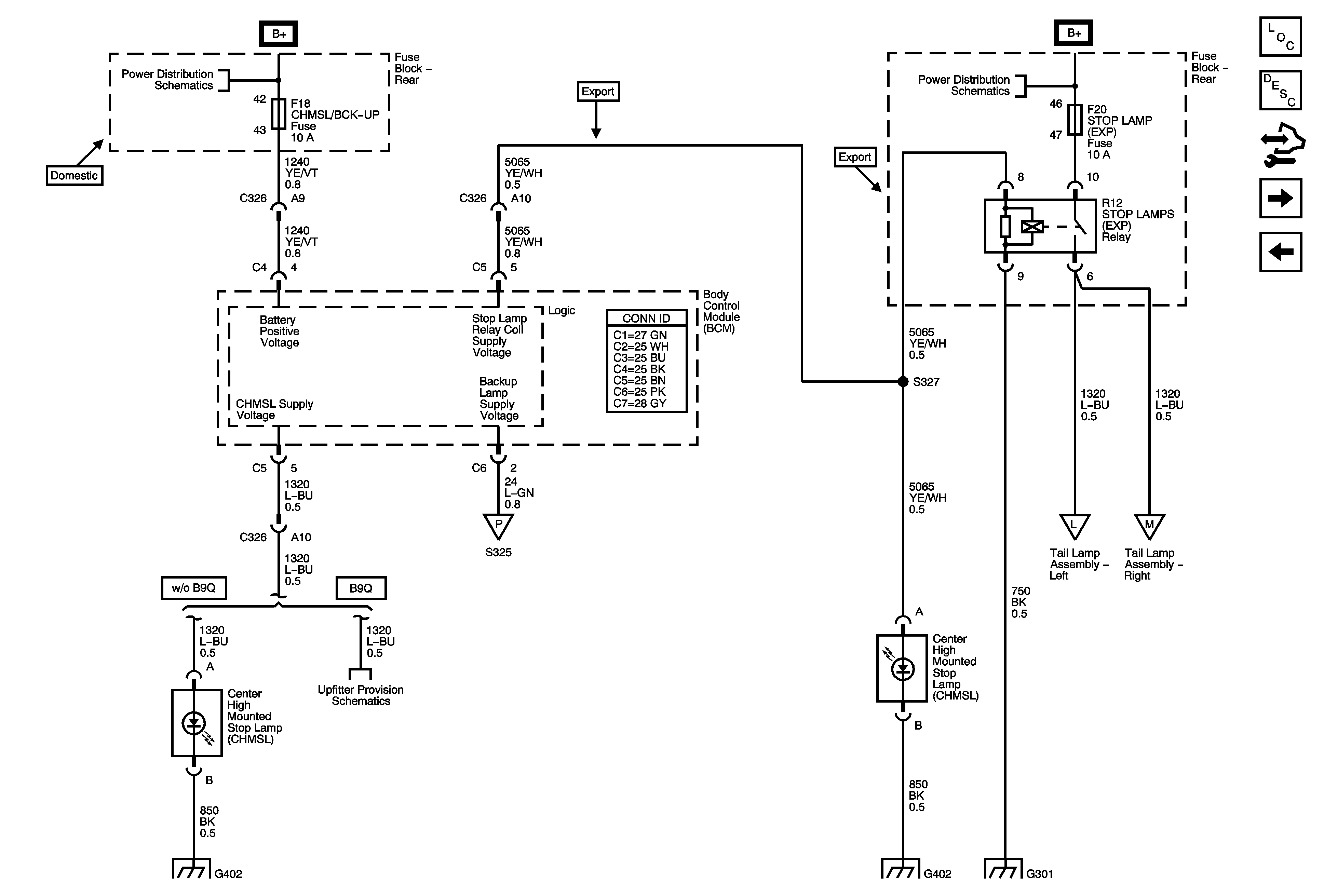
Figure 7:

Center High Mounted Stop Lamp


Object Number: 1759204  Size: FS
Exterior Lighting Systems Description and Operation
Backup Lamps
Stop/Rear Turn Signal Lamps
Rear Fuse Block B+
Backup Lamps
Upfitter Provisions, Rear Door Latch (B9Q)
G402
Rear Fuse Block B+
Stop/Rear Turn Signal Lamps
Stop/Rear Turn Signal Lamps
G402
G301
Figure 8:

Backup Lamps


Object Number: 1759207  Size: FS
Exterior Lighting Systems Description and Operation
Center High-Mounted Stop Lamp
Center High-Mounted Stop Lamp
G402
G403