GM Service Manual Online
For 1990-2009 cars only
Makes
🢒
Cadillac
🢒
2001
🢒
DeVille
🢒 Reverse Lockout Actuator Control
Reverse Lockout Actuator Control
Reverse Lockout Actuator Control
Master Electrical Component List
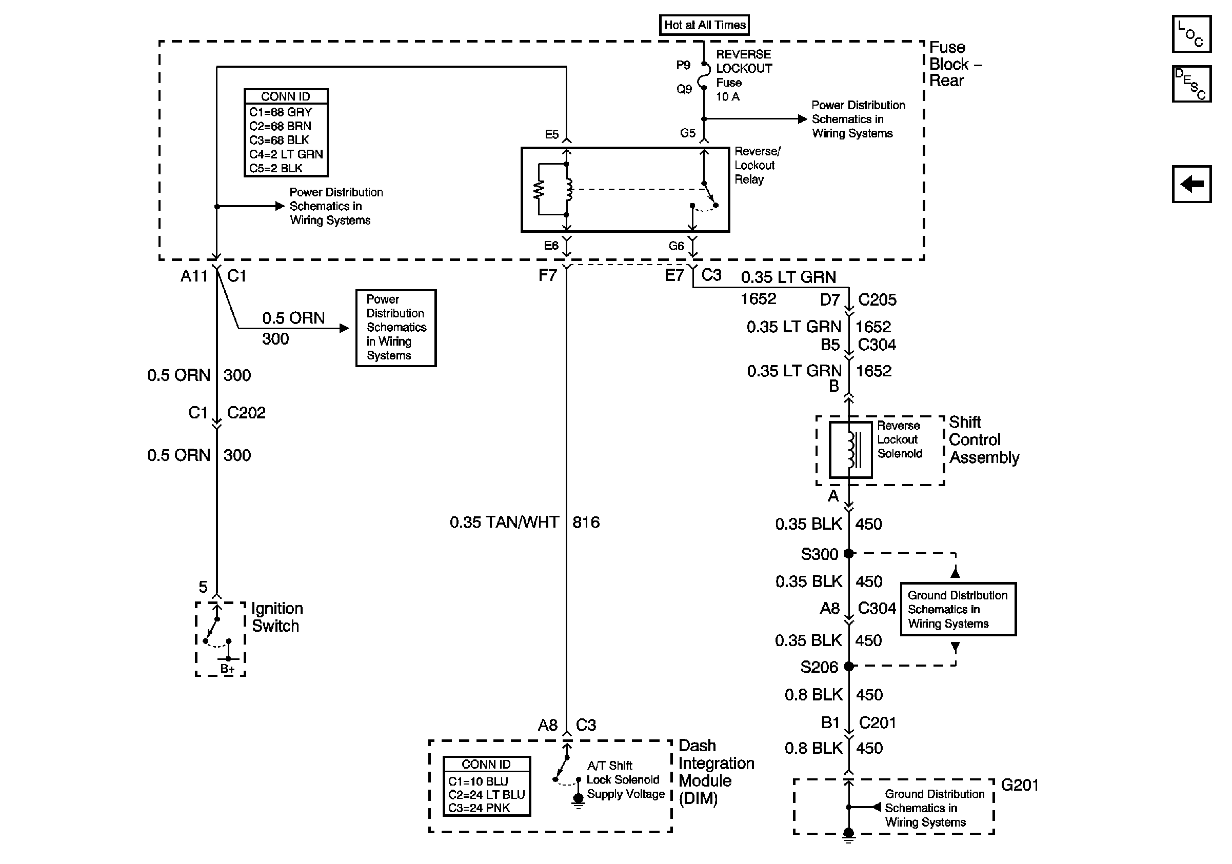
Reverse Lockout System Description and Operation
w/Column Shift
F/PMP and REV/LK Fuses
G201 IP Harness and Console Harness
G201 IP Harness and Console Harness
Ignition Feeds to Underhood and Rear Fuse Blocks
Ignition Feeds to Underhood and Rear Fuse Blocks