GM Service Manual Online
For 1990-2009 cars only
Figure 1:

PCM Power, Ground, Serial Data, and MIL


Object Number: 1411441  Size: FS
Master Electrical Component List
Powertrain Control Module Description
Engine Data Sensors- 5 Volt and Low Reference
Engine Controls Schematic Icons
Brakes and Engine Indicators
ALDL, PCM BATT, and I/P Fuses
Underhood Fuse Block Battery Voltage
Ignition Switch
RR BLO, RRDR MDL, HVAC BAT, STOP LP, IGN SW, and TSIG/HAZ Fuses
Ignition Switch
Class 2 Serial Data (1 of 3)
Starting System
Ignition Switch
G100
Figure 2:

Engine Data Sensors - 5-Volt and Low Reference


Object Number: 1411444  Size: FS
Master Electrical Component List
Powertrain Control Module Description
Pressure and Temperature Sensors
PCM Power, Ground, Serial Data, and MIL
OBD II Symbol Description Notice
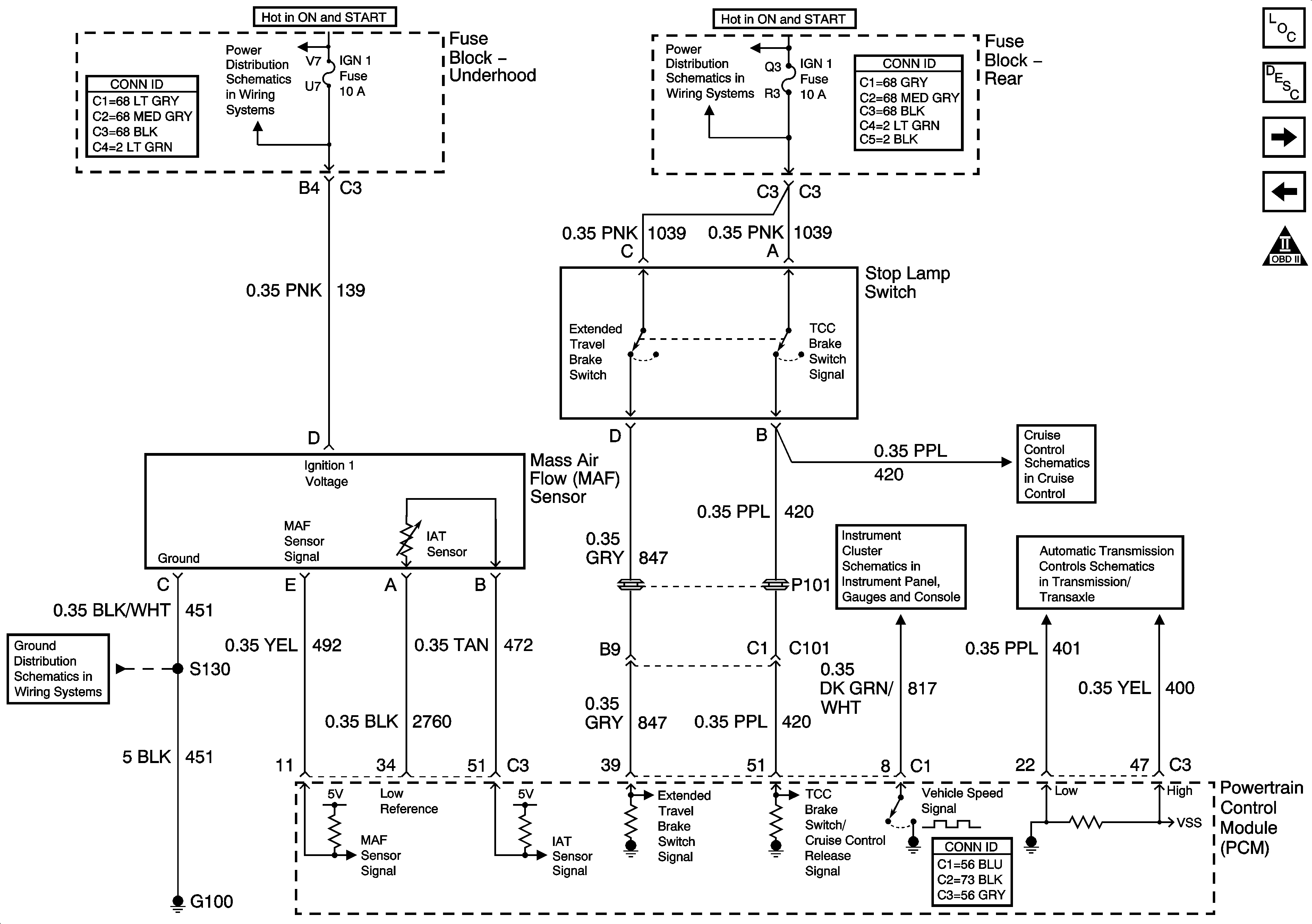
Figure 3:

Pressure and Temperature Sensors


Object Number: 1411445  Size: FS
Master Electrical Component List
Air Intake System Description
MAF, VSS, Stop Lamp Switch
Engine Data Sensors- 5 Volt and Low Reference
OBD II Symbol Description Notice
Figure 4:

MAF, VSS, and Extended Brake Travel Switch Sensors


Object Number: 1411446  Size: FS
Master Electrical Component List
Powertrain Control Module Description
HO2S Sensors
Pressure and Temperature Sensors
OBD II Symbol Description Notice
PCM IGN and IGN1 Fuses
SIR, VENT SOL, and IGN 1 Fuse and IGN 1 Relay
G100
Gages
Switches and CCM Power and Gruond
Internal Mode Switch and VSS
Figure 5:

HO2S Sensors


Object Number: 1411449  Size: FS
Master Electrical Component List
Powertrain Control Module Description
Ignition Controls- Ignition Coil/Modules 1, 3, 5, and 7
MAF, VSS, Stop Lamp Switch
OBD II Symbol Description Notice
Underhood Fuse Block Battery Voltage
OXY SEN, CR CONT, and TRANS Fuses
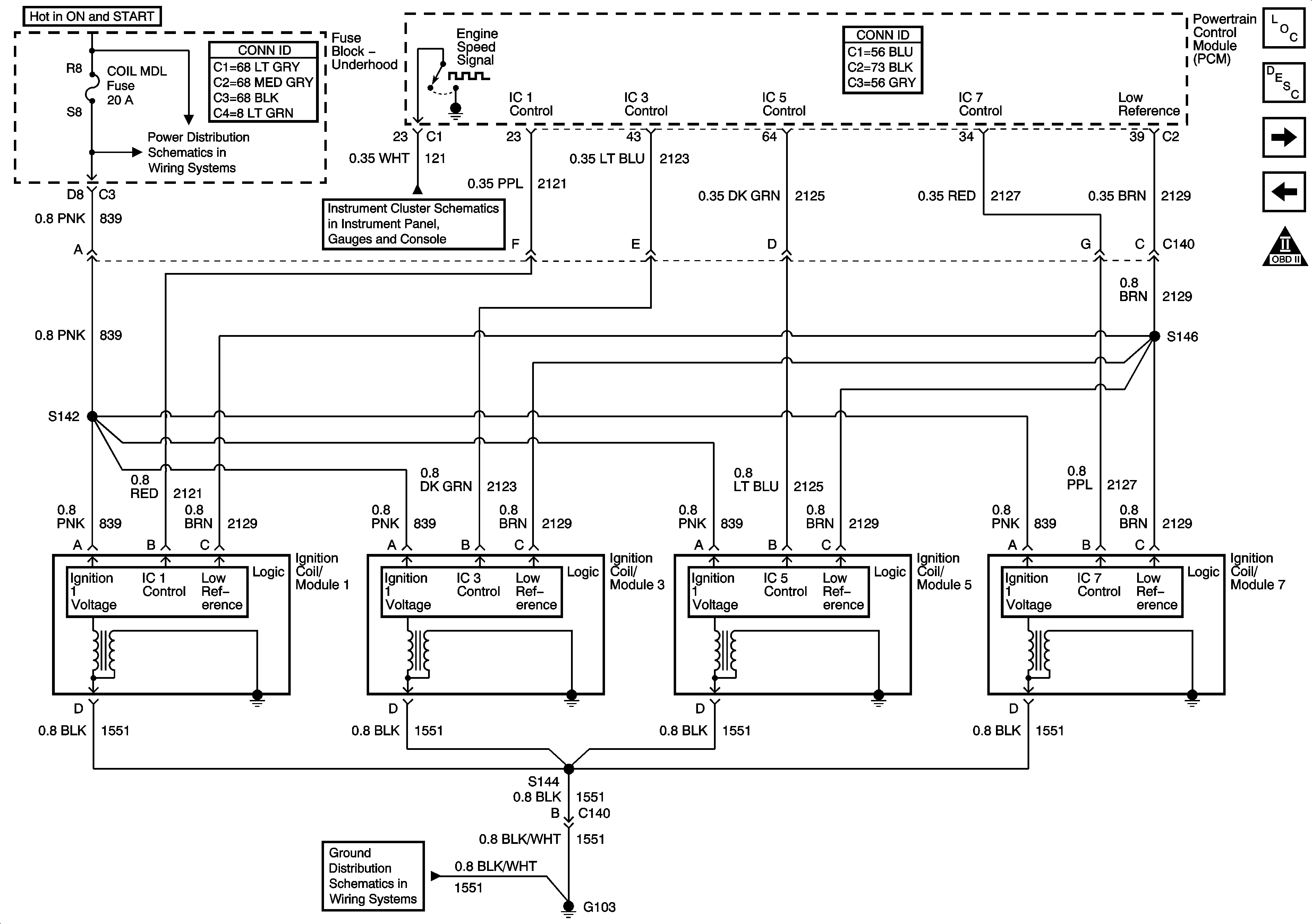
Figure 6:

Ignition Controls - Ignition Coil/Modules 1, 3, 5, and 7


Object Number: 1411454  Size: FS
Master Electrical Component List
Electronic Ignition (EI) System Description
Ignition Controls- Ignition Coil/Modules 2, 4, 6, and 8
HO2S Sensors
Engine Controls Schematic Icons
COIL MDL Fuse
Gages
G102, G103, G105, G106, and G110
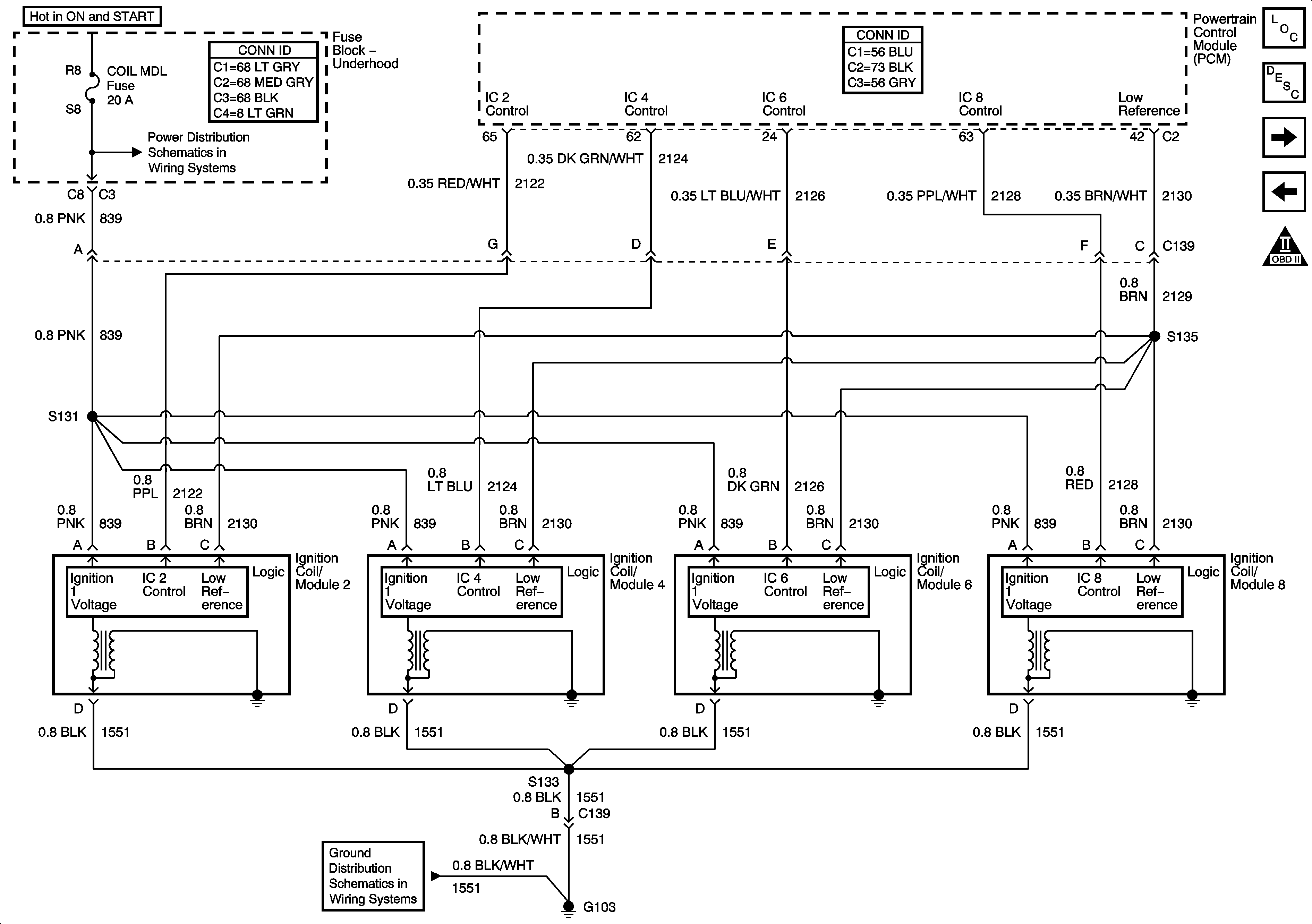
Figure 7:

Ignition Controls - Ignition Coil/Modules 2, 4, 6, and 8


Object Number: 1411458  Size: FS
Master Electrical Component List
Electronic Ignition (EI) System Description
Ignition Controls- Sensors
Ignition Controls- Ignition Coil/Modules 1, 3, 5, and 7
Engine Controls Schematic Icons
COIL MDL Fuse
G102, G103, G105, G106, and G110
Figure 8:

Ignition Controls - Sensors


Object Number: 1411463  Size: FS
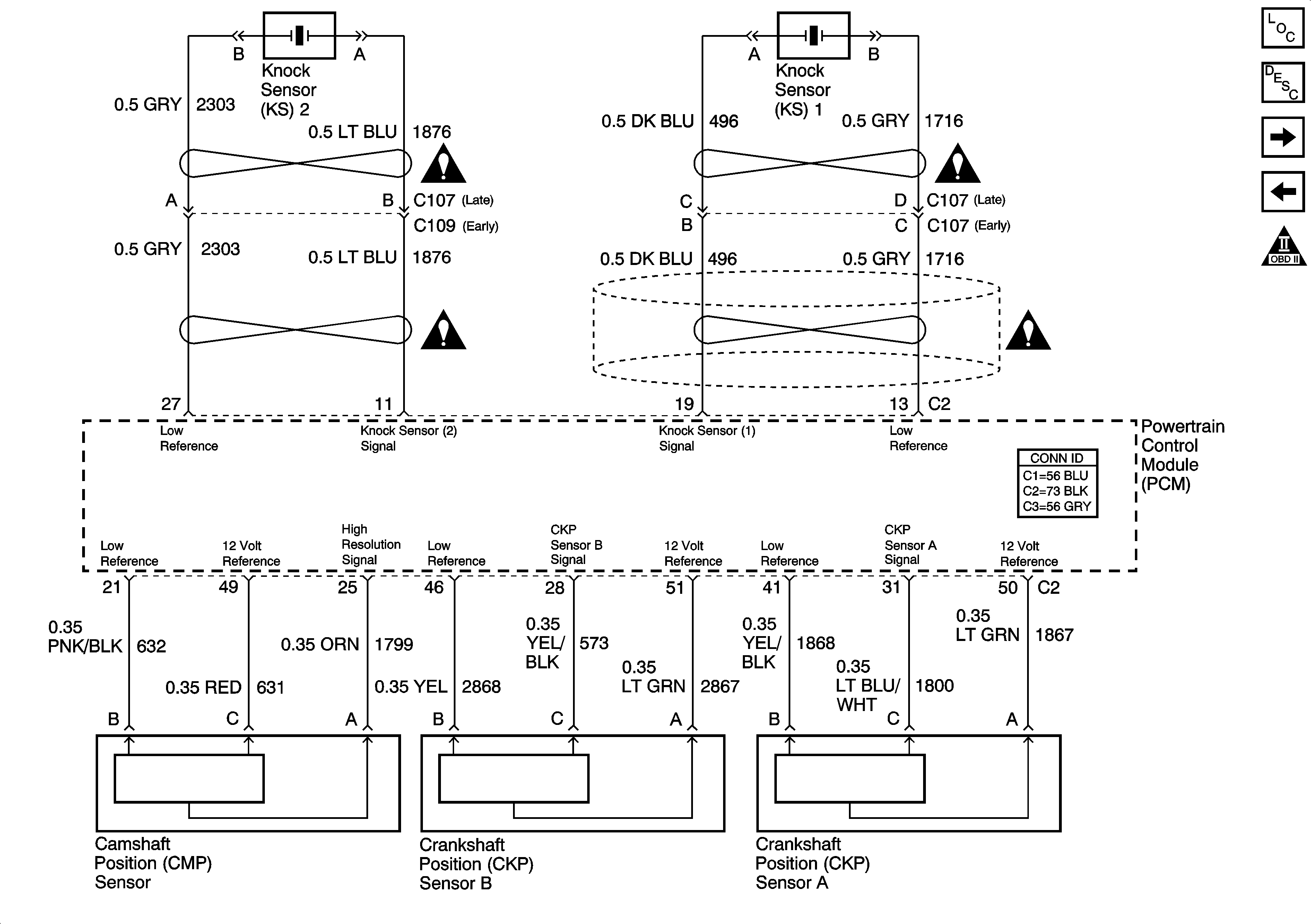
Master Electrical Component List
Knock Sensor (KS) System Description
Fuel Pump Controls
Ignition Controls- Ignition Coil/Modules 2, 4, 6, and 8
OBD II Symbol Description Notice
Engine Controls Schematic Icons
Engine Controls Schematic Icons
Engine Controls Schematic Icons
Engine Controls Schematic Icons
Figure 9:

Fuel Controls - Fuel Pump Controls


Object Number: 1411465  Size: FS
Master Electrical Component List
Fuel System Description
Fuel Injectors
Ignition Controls- Sensors
OBD II Symbol Description Notice
Rear Fuse Block Battery Voltage
G402 - 2 of 2
Gages
G301
Figure 10:

Fuel Controls - Fuel Injectors


Object Number: 1411466  Size: FS
Master Electrical Component List
Fuel System Description
EVAP Controls
Fuel Pump Controls
OBD II Symbol Description Notice
INJR 1 and INJR 2 Fuses
Figure 11:

EVAP Controls


Object Number: 1411467  Size: FS
Master Electrical Component List
Evaporative Emission Control System Description
AIR, IAC and EGR Controls
Fuel Injectors
OBD II Symbol Description Notice
SIR, VENT SOL, and IGN 1 Fuse and IGN 1 Relay
Underhood Fuse Block Battery Voltage
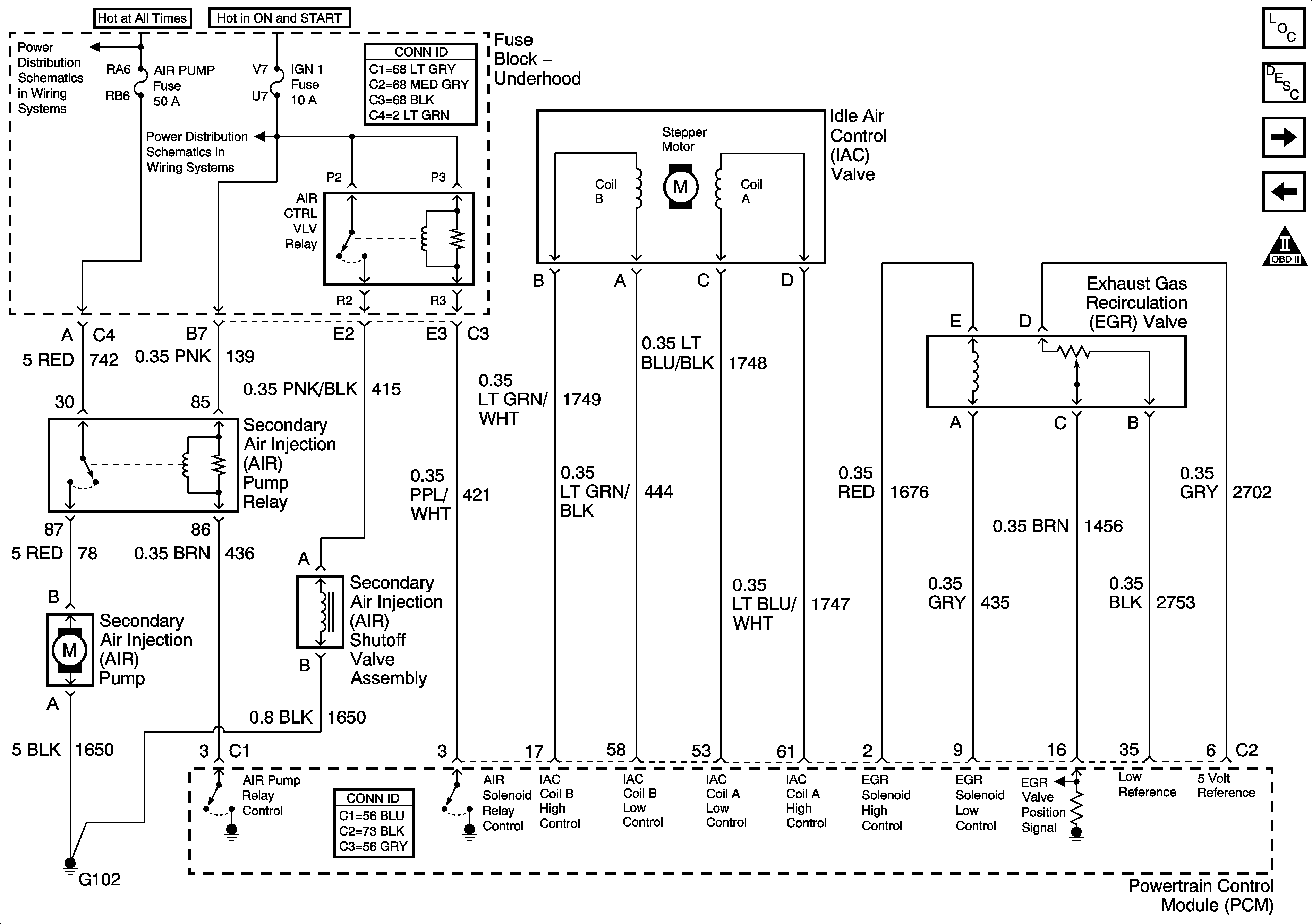
Figure 12:

Device Controls


Object Number: 1411468  Size: FS
Master Electrical Component List
Secondary Air Injection System Description
Controlled/Monitored Subsystem References
EVAP Controls
OBD II Symbol Description Notice
Underhood Fuse Block Battery Voltage
PCM IGN and IGN1 Fuses
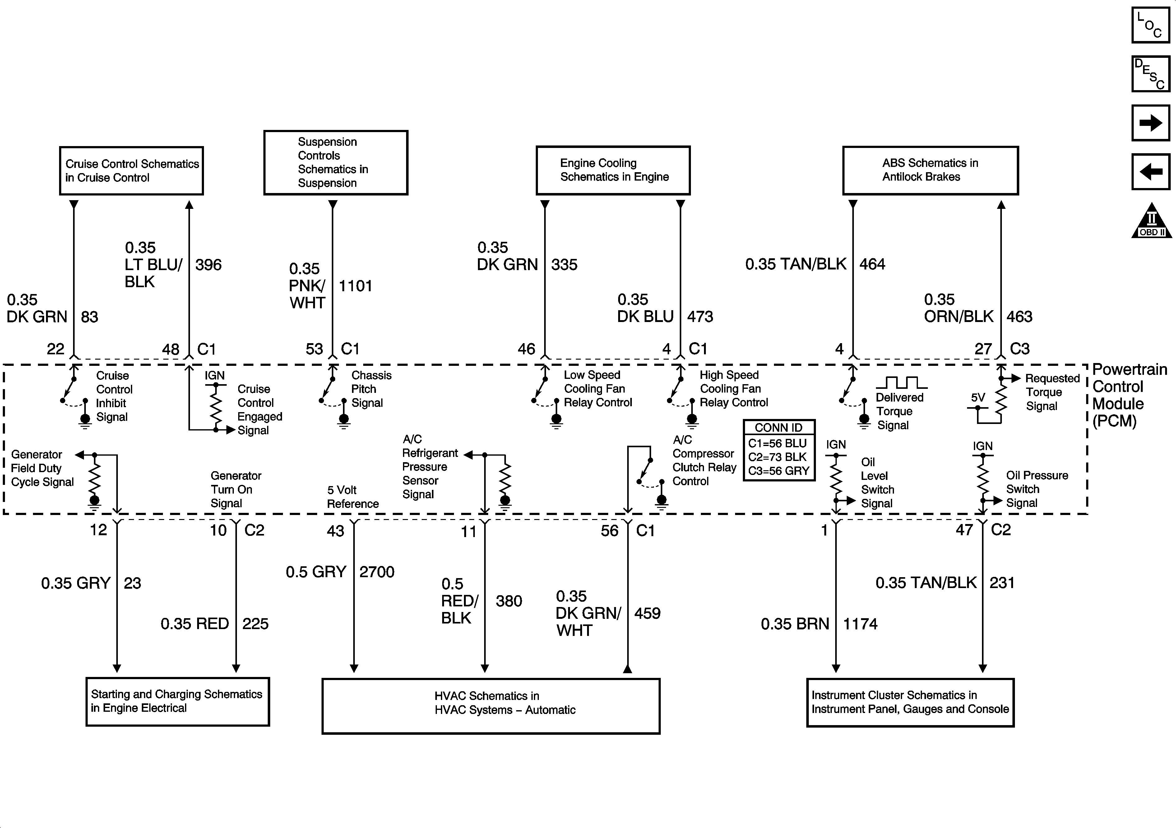
Figure 13:

Controlled/Monitored Subsystem References


Object Number: 1411470  Size: FS
Master Electrical Component List
Powertrain Control Module Description
Transmission Controls References
AIR, IAC and EGR Controls
OBD II Symbol Description Notice
Cruise Control Module (CCM) Inputs
ESC Module Power and Ground
Cooling Fans
Subsystem References and Serial Data
Generator and Battery
A/C Compressor Control
Brakes and Engine Indicators
Figure 14:

Transmission Controls References


Object Number: 1411471  Size: FS
Master Electrical Component List
Fuel System Description
Controlled/Monitored Subsystem References
OBD II Symbol Description Notice
Solenoids and Stop Lamp Switch
Sensors
Engine Controls Schematic Icons
Internal Mode Switch and VSS
Sensors