GM Service Manual Online
For 1990-2009 cars only
Figure 1:

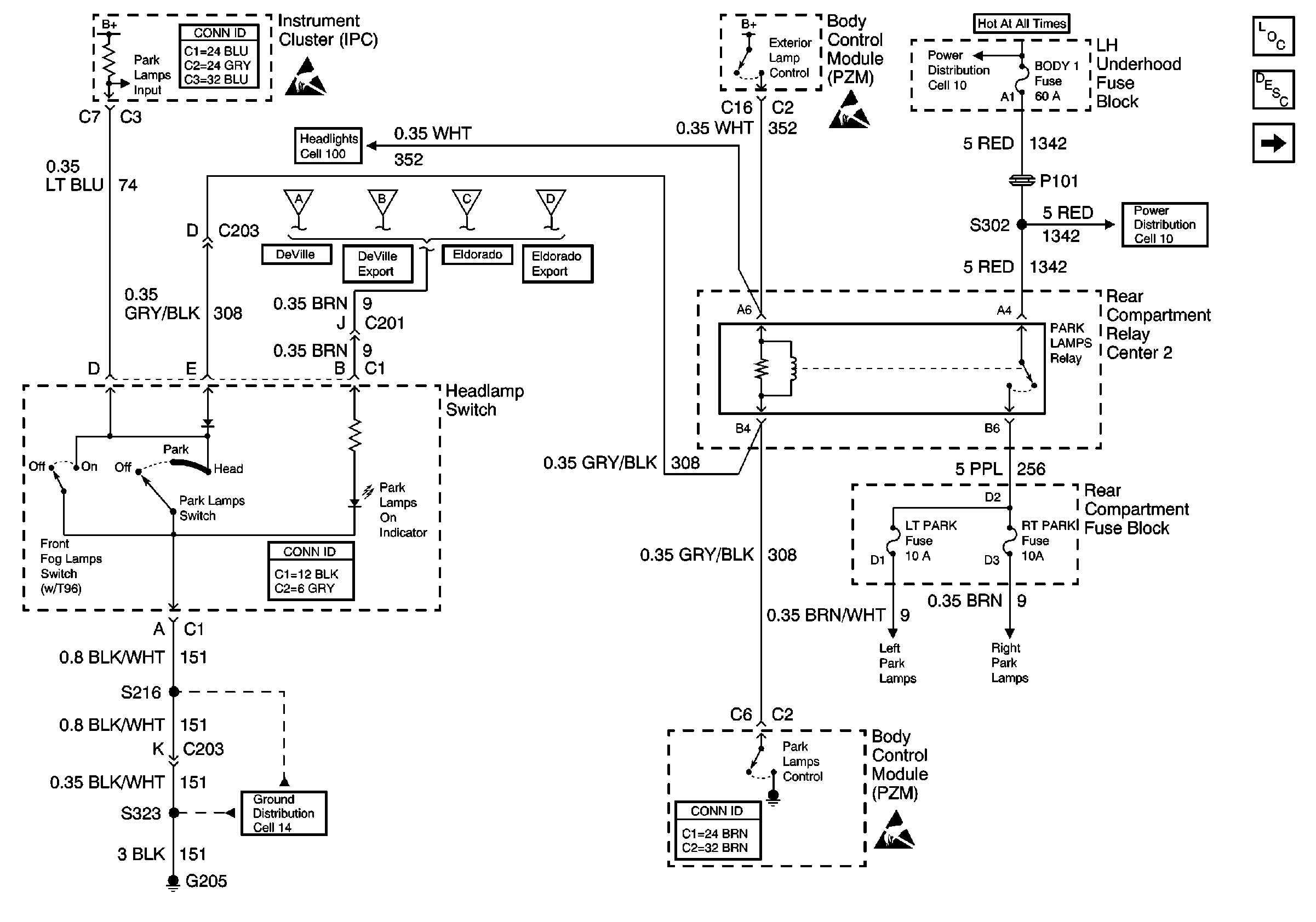
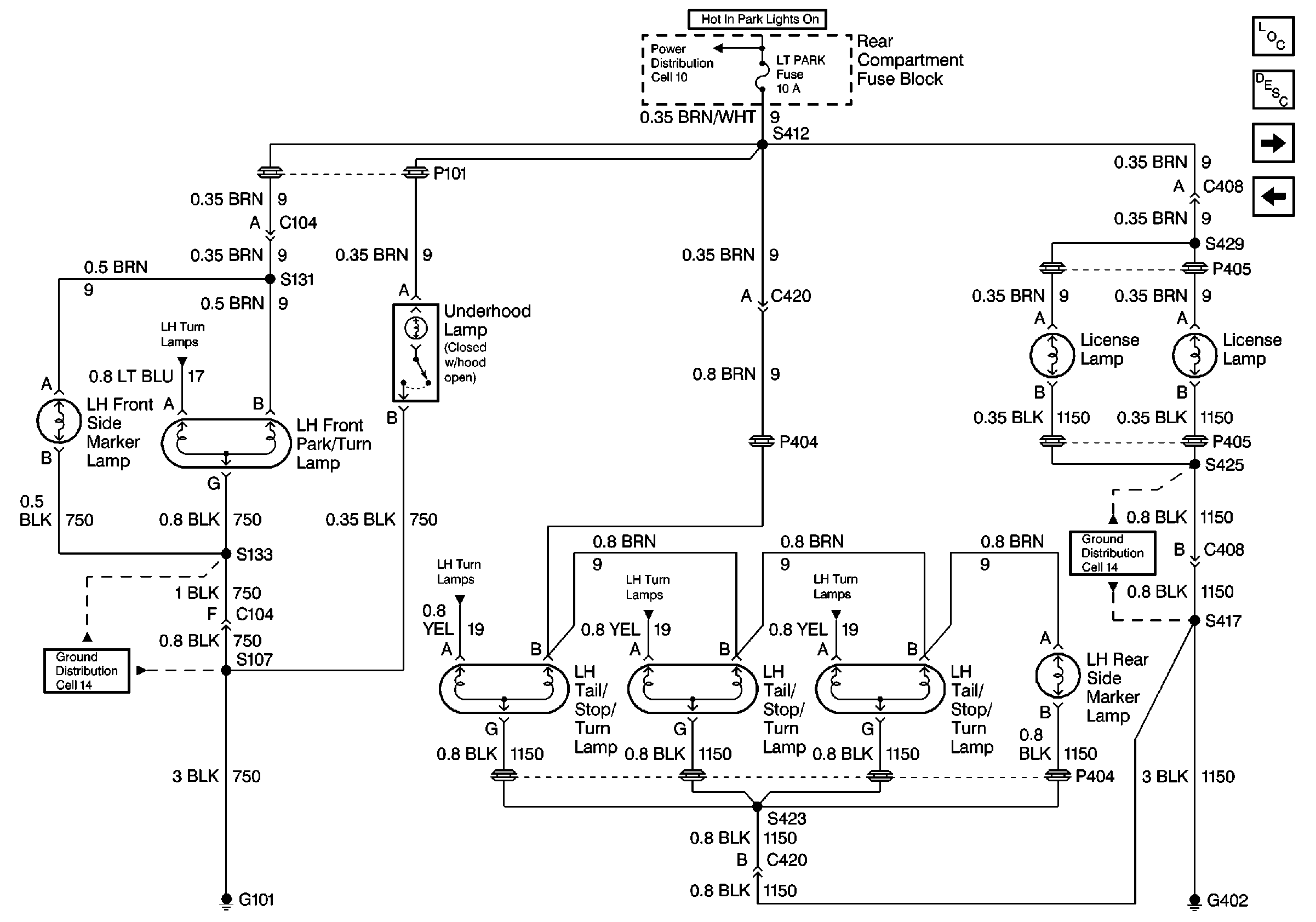
Cell 110: Headlamp Switch and Park Lamp Control


Object Number: 502012  Size: FS
Lighting Systems Components
Exterior Lights Circuit Description
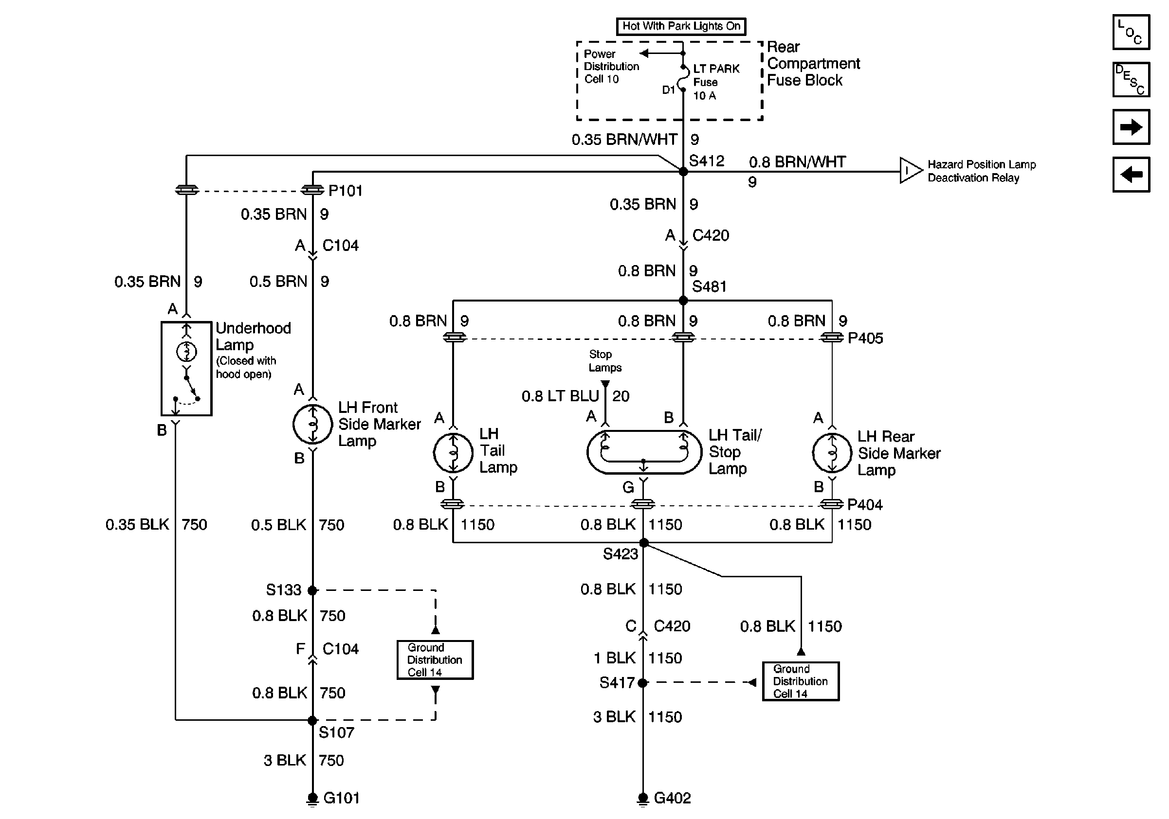
Cell 110: LH Park Lamps; DeVille
Instrument Panel, Gages, and Console Connector End Views
Handling ESD Sensitive Parts Notice
Handling ESD Sensitive Parts Notice
Power Distribution Schematics
Power Distribution Schematics
Cell 100: Headlamp Switch and Headlamp Control
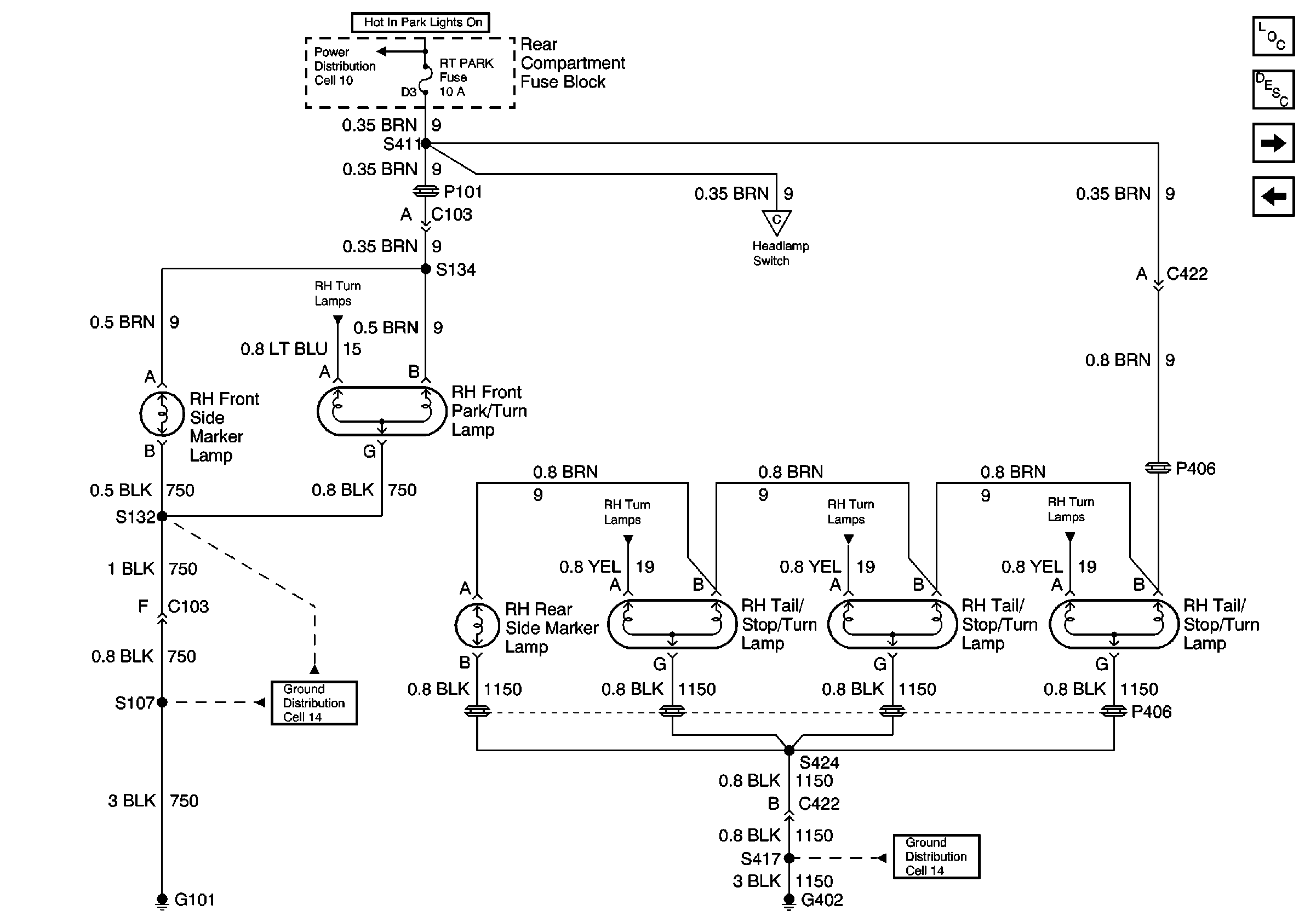
Cell 110: RH Park Lamps; DeVille
Cell 110: RH Park Lamps; DeVille Export
Cell 110: RH Park Lamps; Eldorado
Cell 110: RH Park Lamps; Eldorado Export
Ground Distribution Schematics
Body Control System Connector End Views
Handling ESD Sensitive Parts Notice
Lighting Systems Connector End Views
Figure 2:

Cell 110: LH Park Lamps; DeVille


Object Number: 502013  Size: FS
Lighting Systems Components
Exterior Lights Circuit Description
Cell 110: RH Park Lamps; DeVille
Cell 110: Headlamp Switch and Park Lamp Control
Ground Distribution Schematics
Ground Distribution Schematics
Power Distribution Schematics
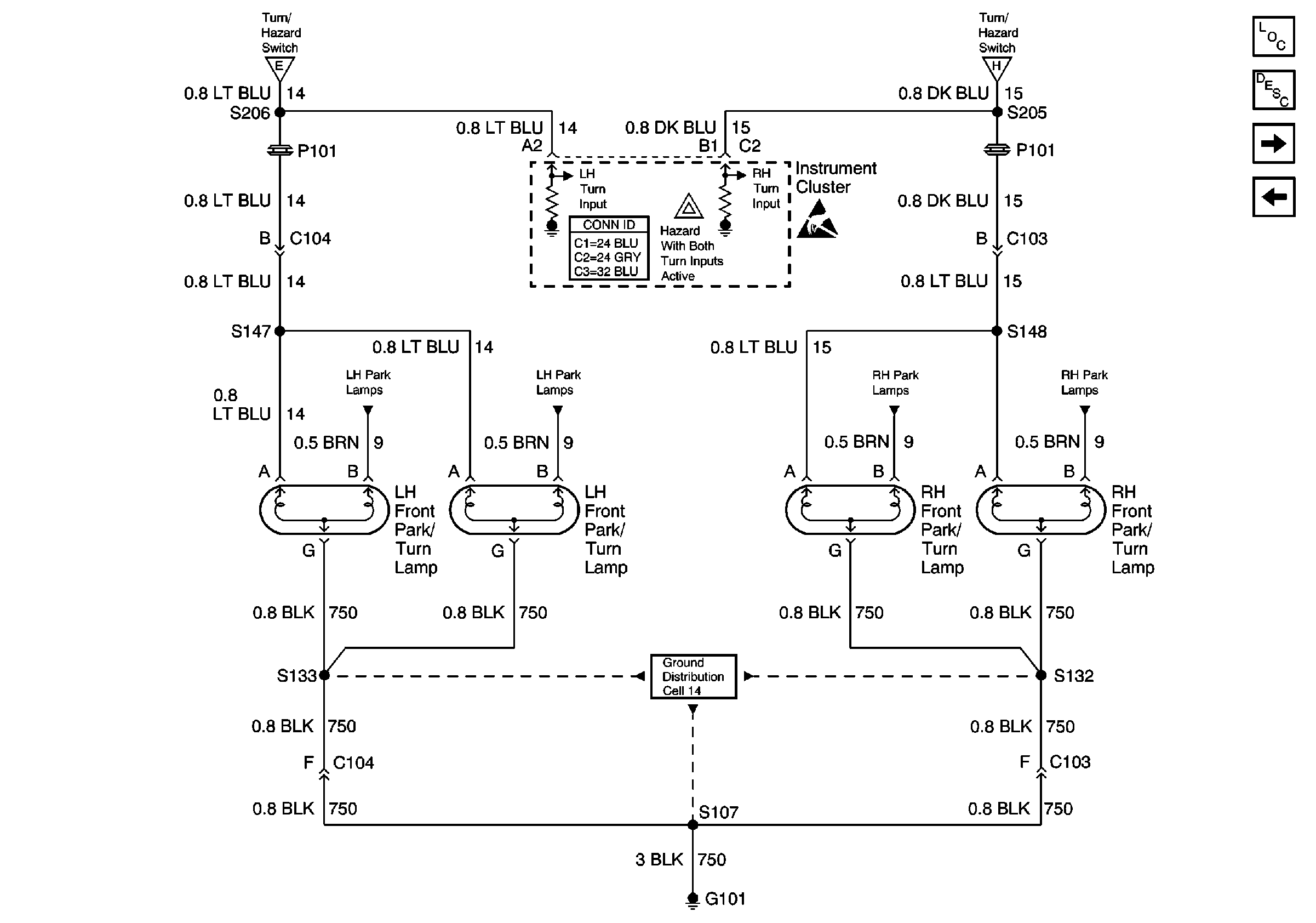
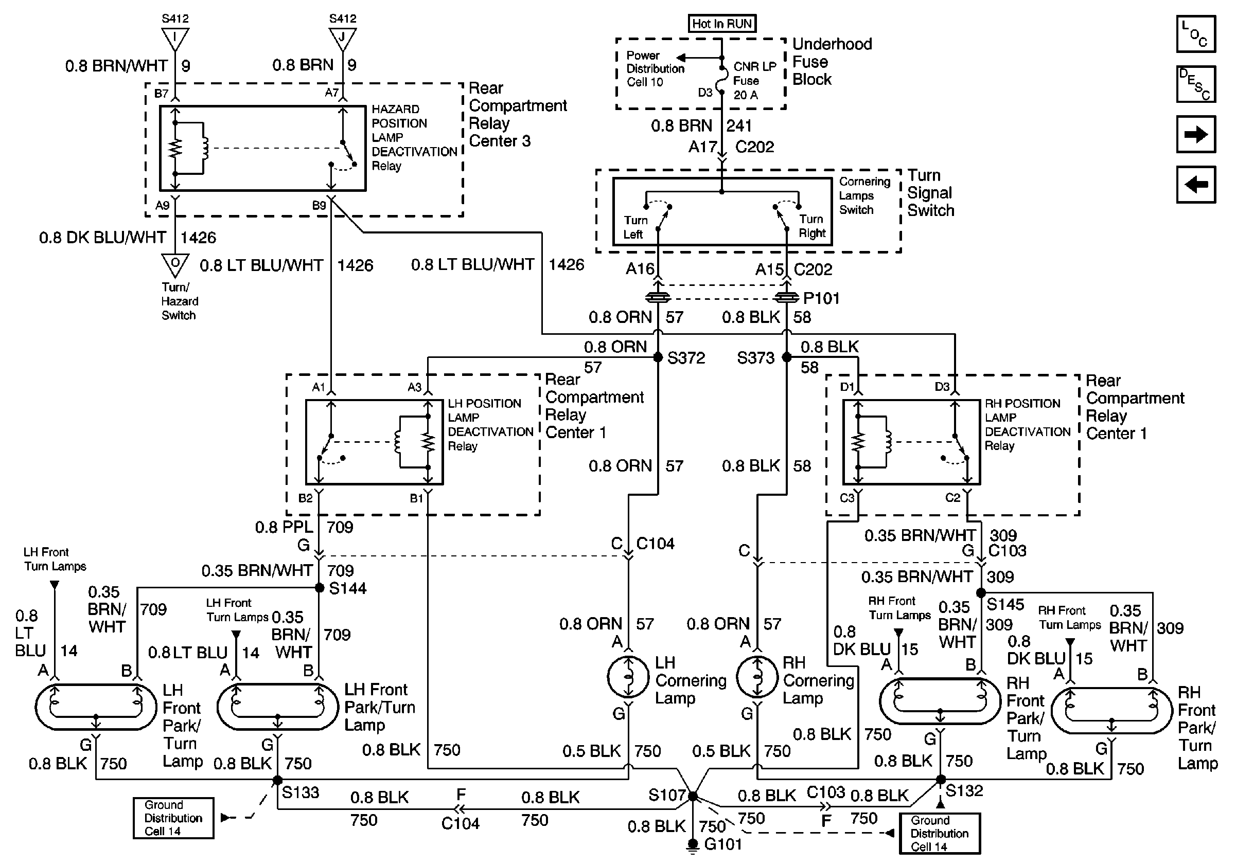
Cell 110: Front Turn Lamps; DeVille
Cell 110: Front Turn Lamps; DeVille
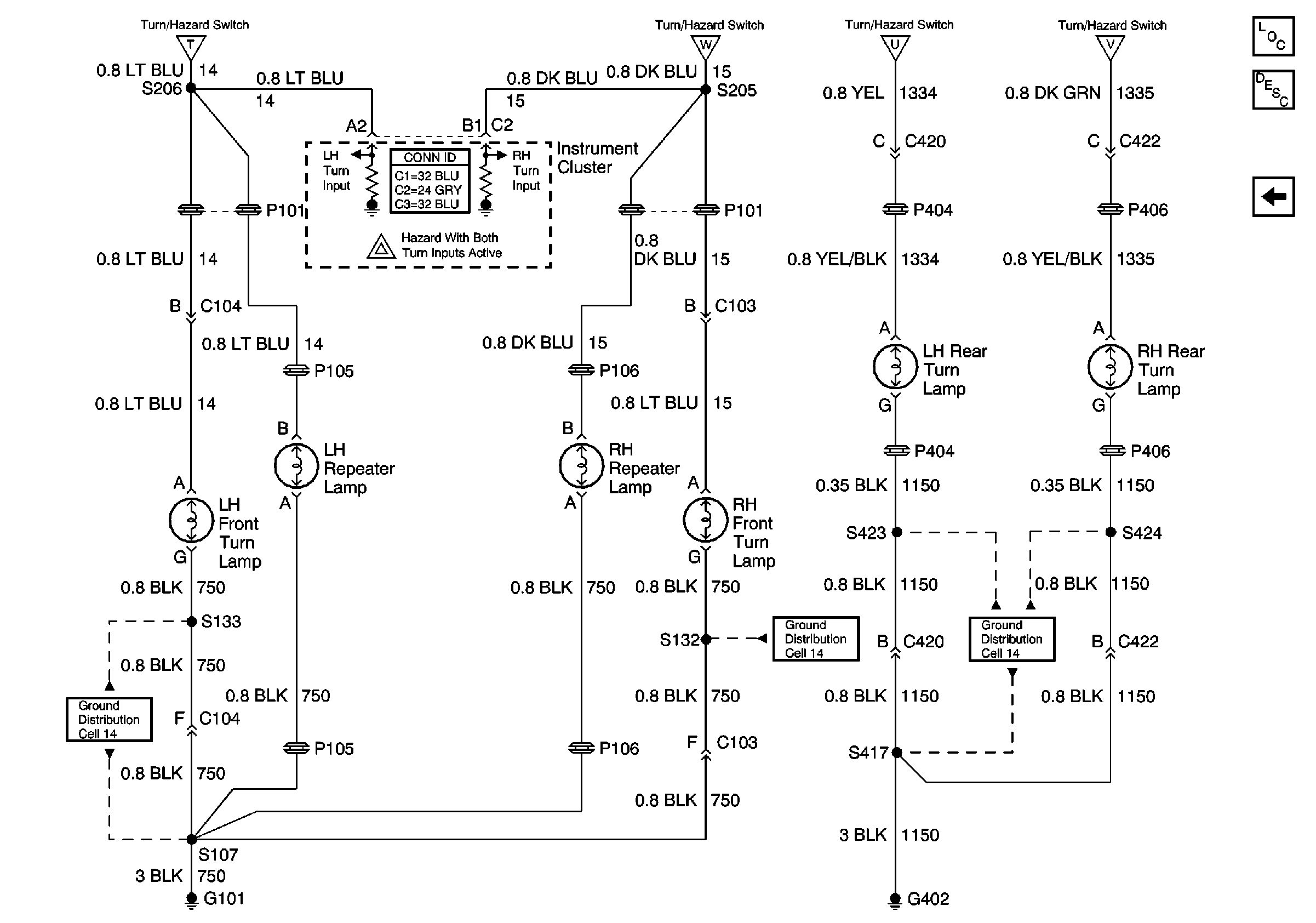
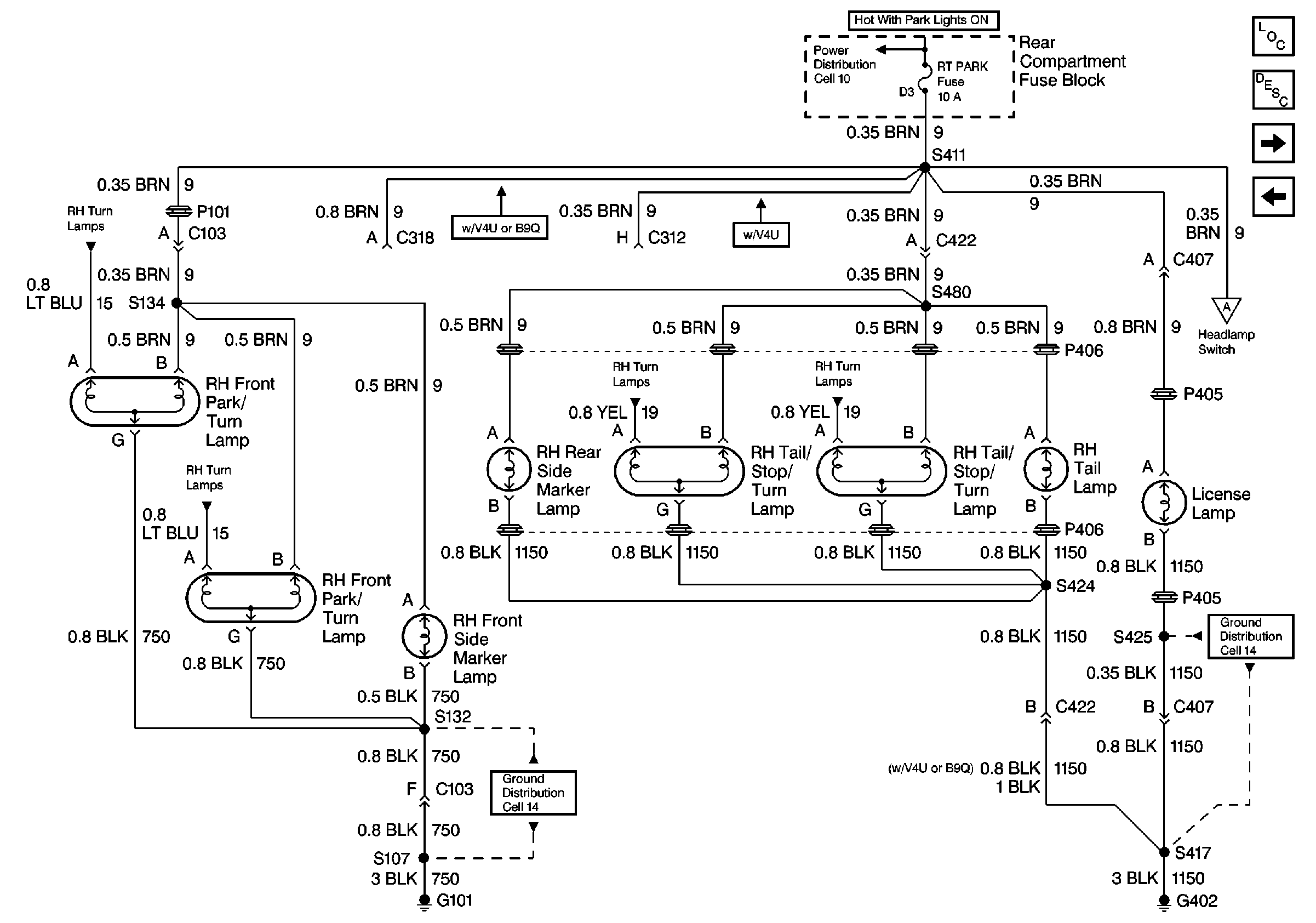
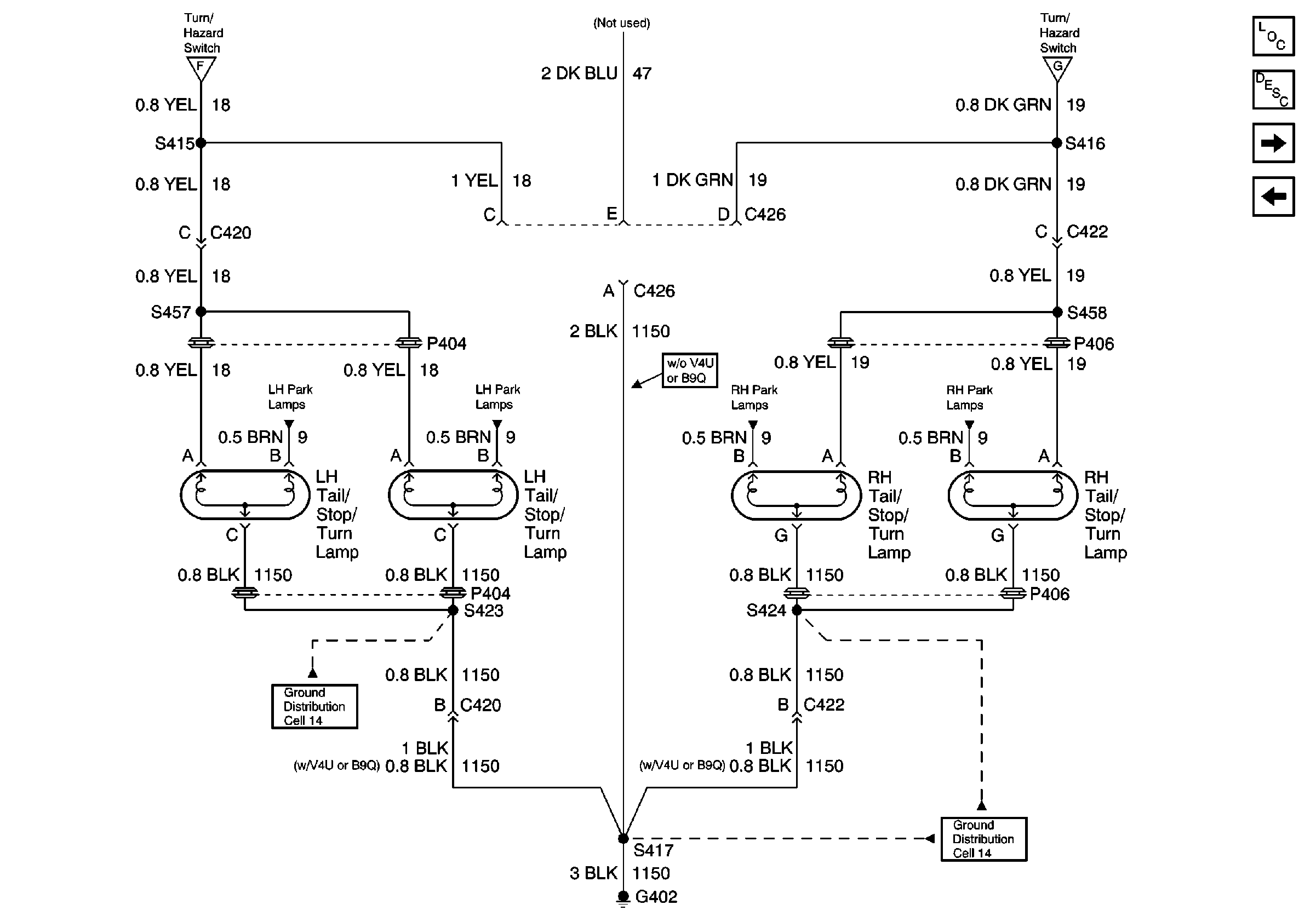
Cell 110: Rear Turn Lamps; DeVille
Cell 110: Rear Turn Lamps; DeVille
Figure 3:

Cell 110: RH Park Lamps; DeVille


Object Number: 502015  Size: FS
Lighting Systems Components
Exterior Lights Circuit Description
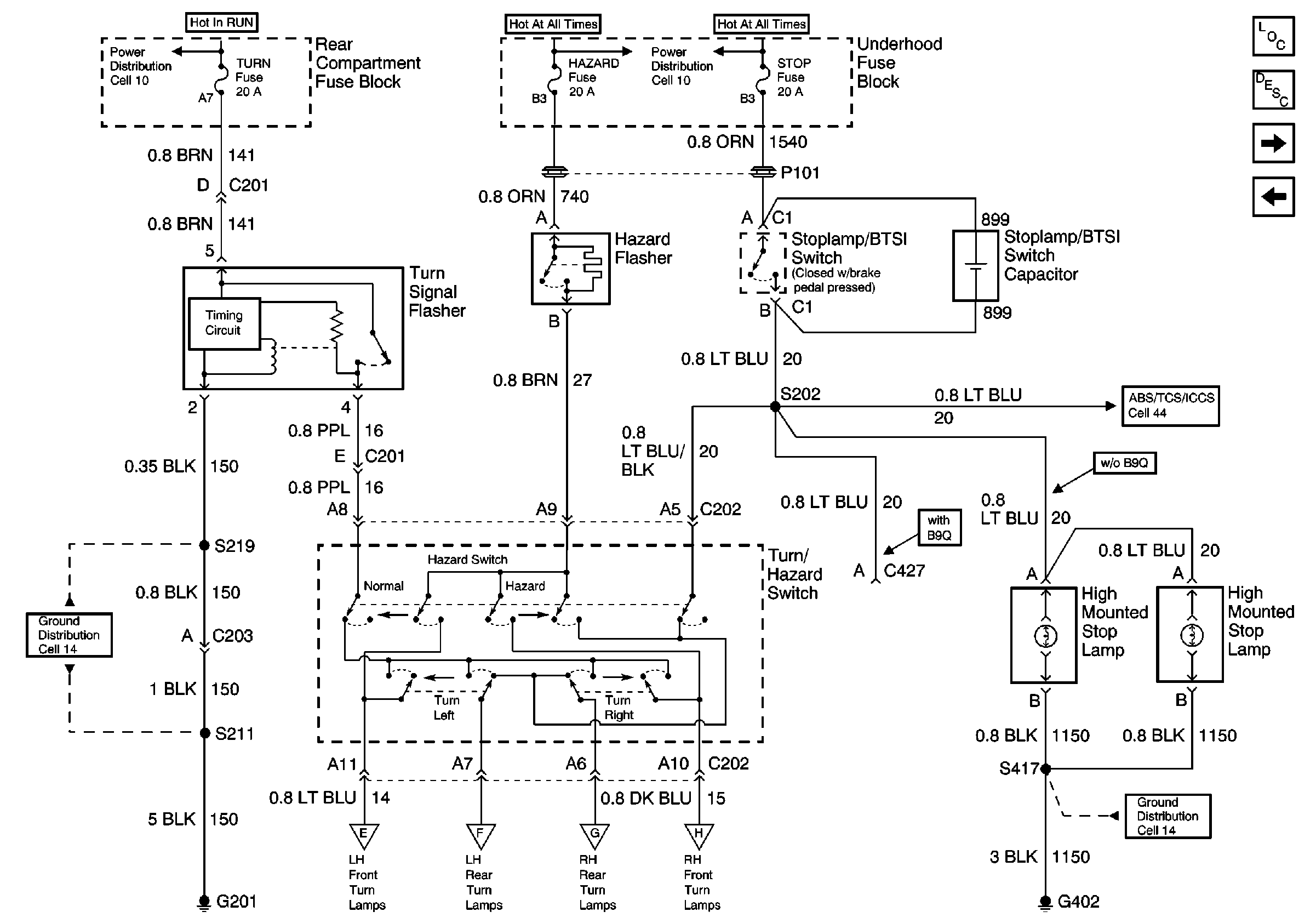
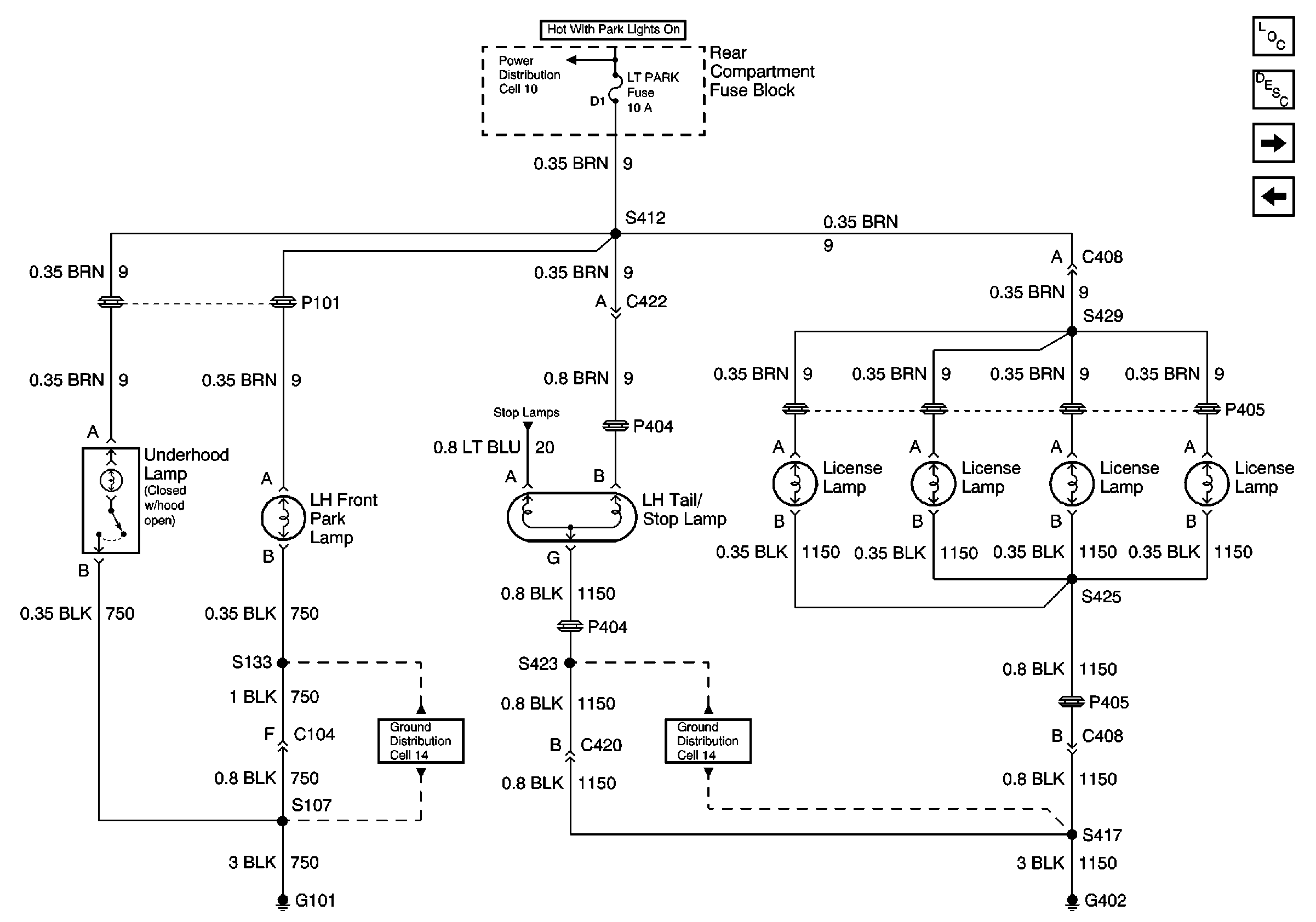
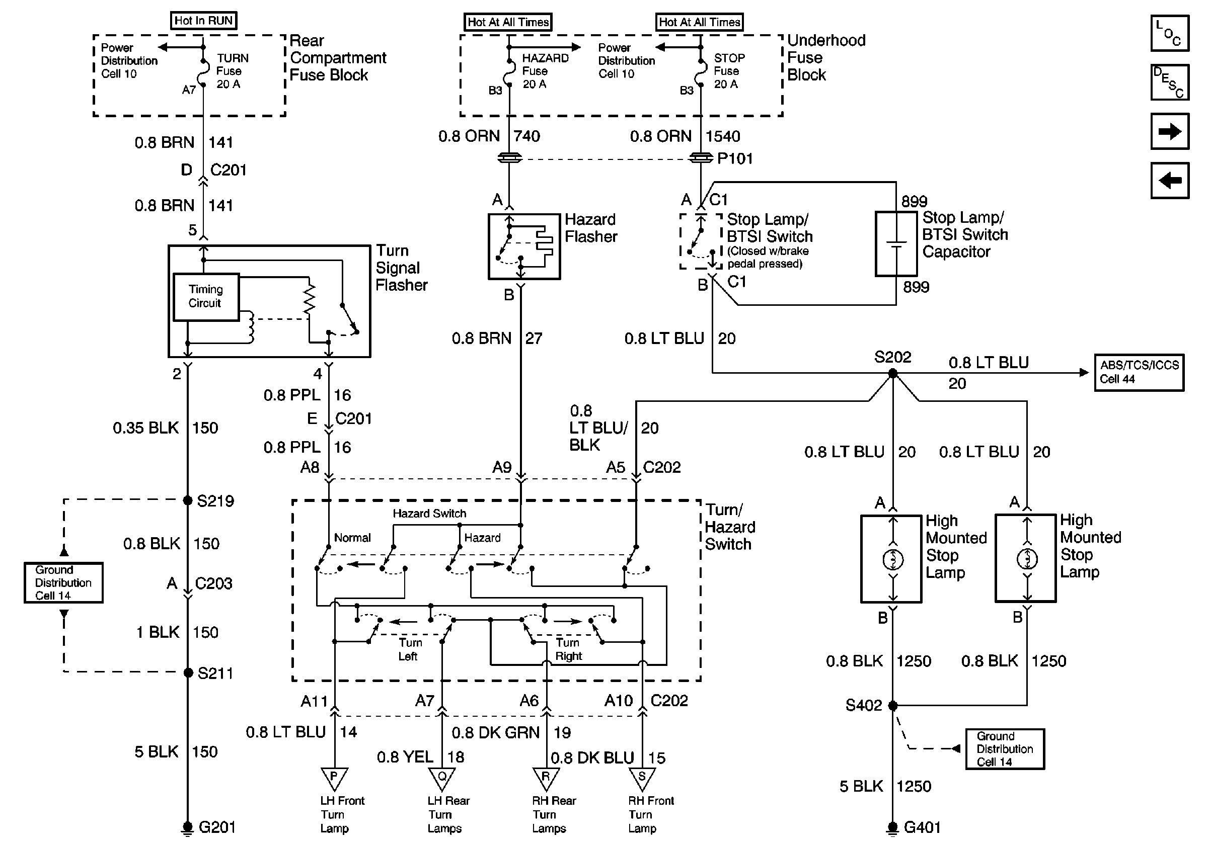
Cell 110: Turn Signal Flasher, Hazard Flasher, and Stoplamp/BTSI Switch; DeVille
Cell 110: LH Park Lamps; DeVille
Cell 110: Headlamp Switch and Park Lamp Control
Ground Distribution Schematics
Ground Distribution Schematics
Power Distribution Schematics
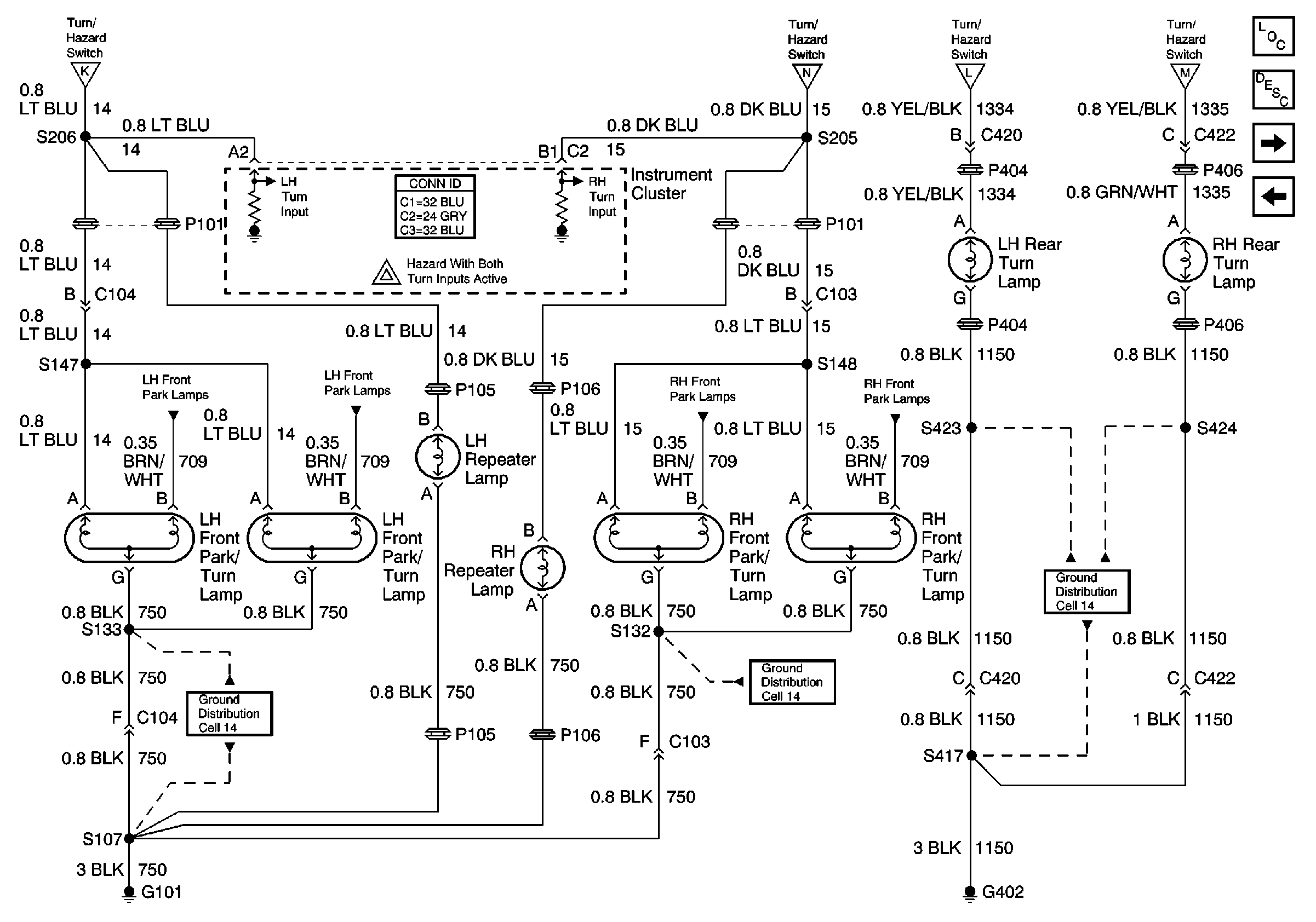
Cell 110: Front Turn Lamps; DeVille
Cell 110: Front Turn Lamps; DeVille
Cell 110: Rear Turn Lamps; DeVille
Cell 110: Rear Turn Lamps; DeVille
Figure 4:

Cell 110: Turn Signal Flasher, Hazard Flasher, and Stoplamp/BTSI Switch; DeVille


Object Number: 502016  Size: FS
Lighting Systems Components
Exterior Lights Circuit Description
Cell 110: Front Turn Lamps; DeVille
Cell 110: RH Park Lamps; DeVille
Cell 110: Front Turn Lamps; DeVille
Cell 110: Rear Turn Lamps; DeVille
Cell 110: Rear Turn Lamps; DeVille
Cell 110: Front Turn Lamps; DeVille
Ground Distribution Schematics
Ground Distribution Schematics
Cell 44: Stoplamp Switch, Traction Control Switch, Torque Status, andClass 2
Power Distribution Schematics
Power Distribution Schematics
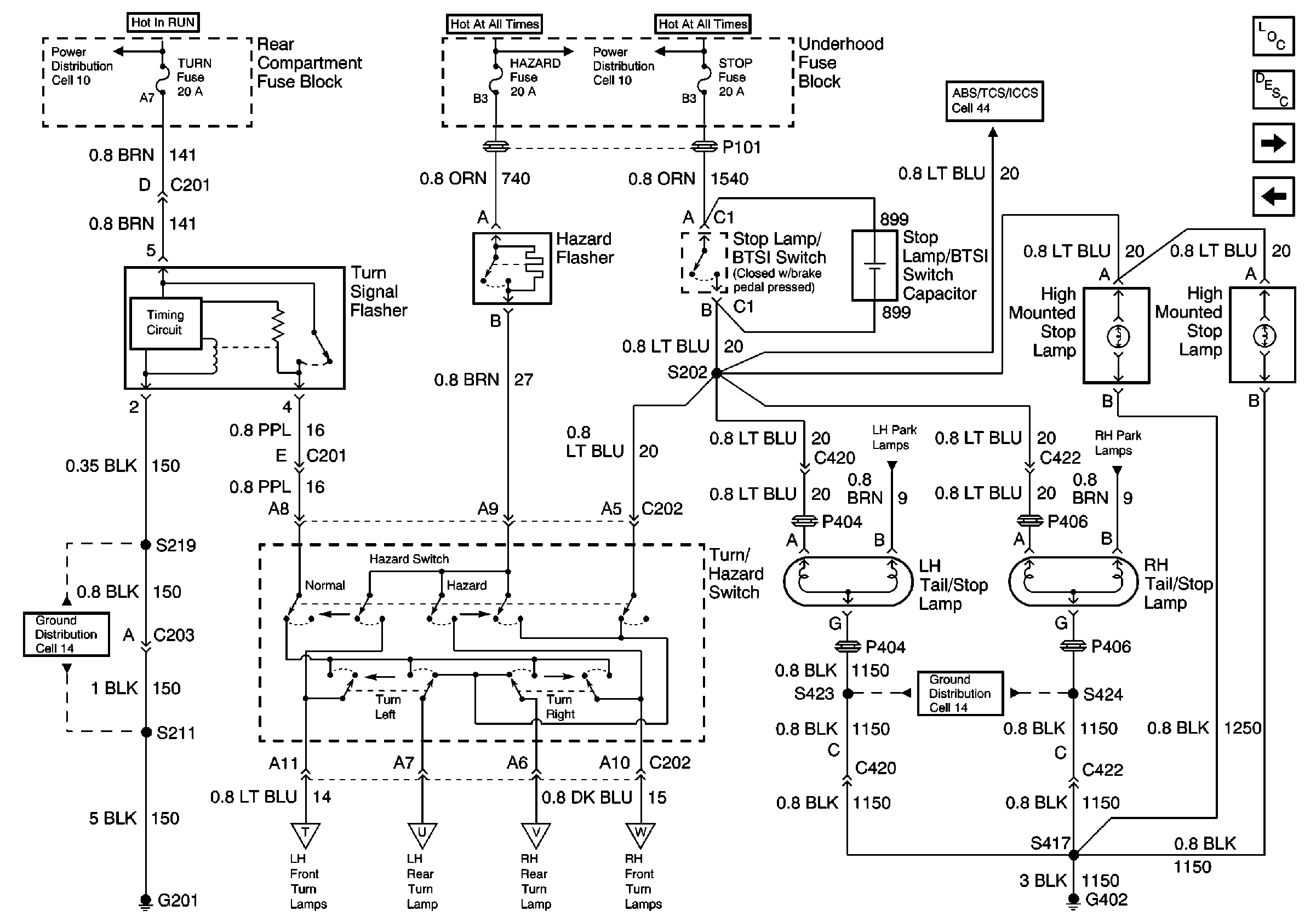
Figure 5:

Cell 110: Front Turn Lamps; DeVille


Object Number: 502017  Size: FS
Lighting Systems Components
Exterior Lights Circuit Description
Cell 110: Rear Turn Lamps; DeVille
Cell 110: Turn Signal Flasher, Hazard Flasher, and Stoplamp/BTSI Switch; DeVille
Cell 110: Turn Signal Flasher, Hazard Flasher, and Stoplamp/BTSI Switch; DeVille
Cell 110: Turn Signal Flasher, Hazard Flasher, and Stoplamp/BTSI Switch; DeVille
Instrument Panel, Gages, and Console Connector End Views
Handling ESD Sensitive Parts Notice
Ground Distribution Schematics
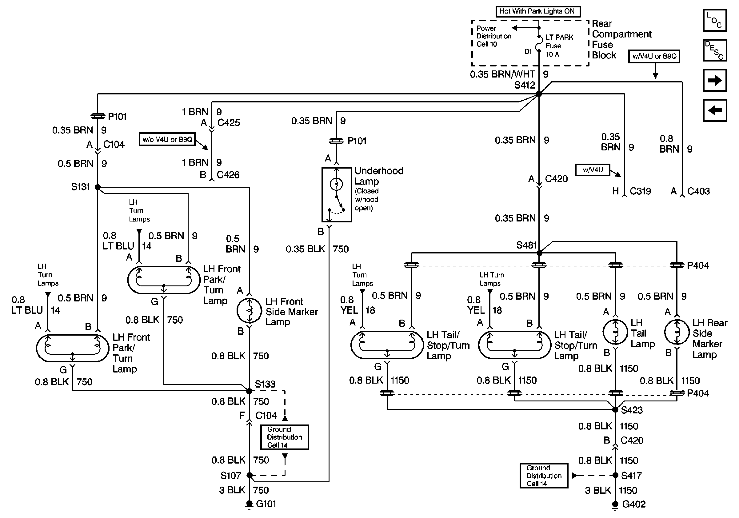
Cell 110: LH Park Lamps; DeVille
Cell 110: LH Park Lamps; DeVille
Cell 110: RH Park Lamps; DeVille
Cell 110: RH Park Lamps; DeVille
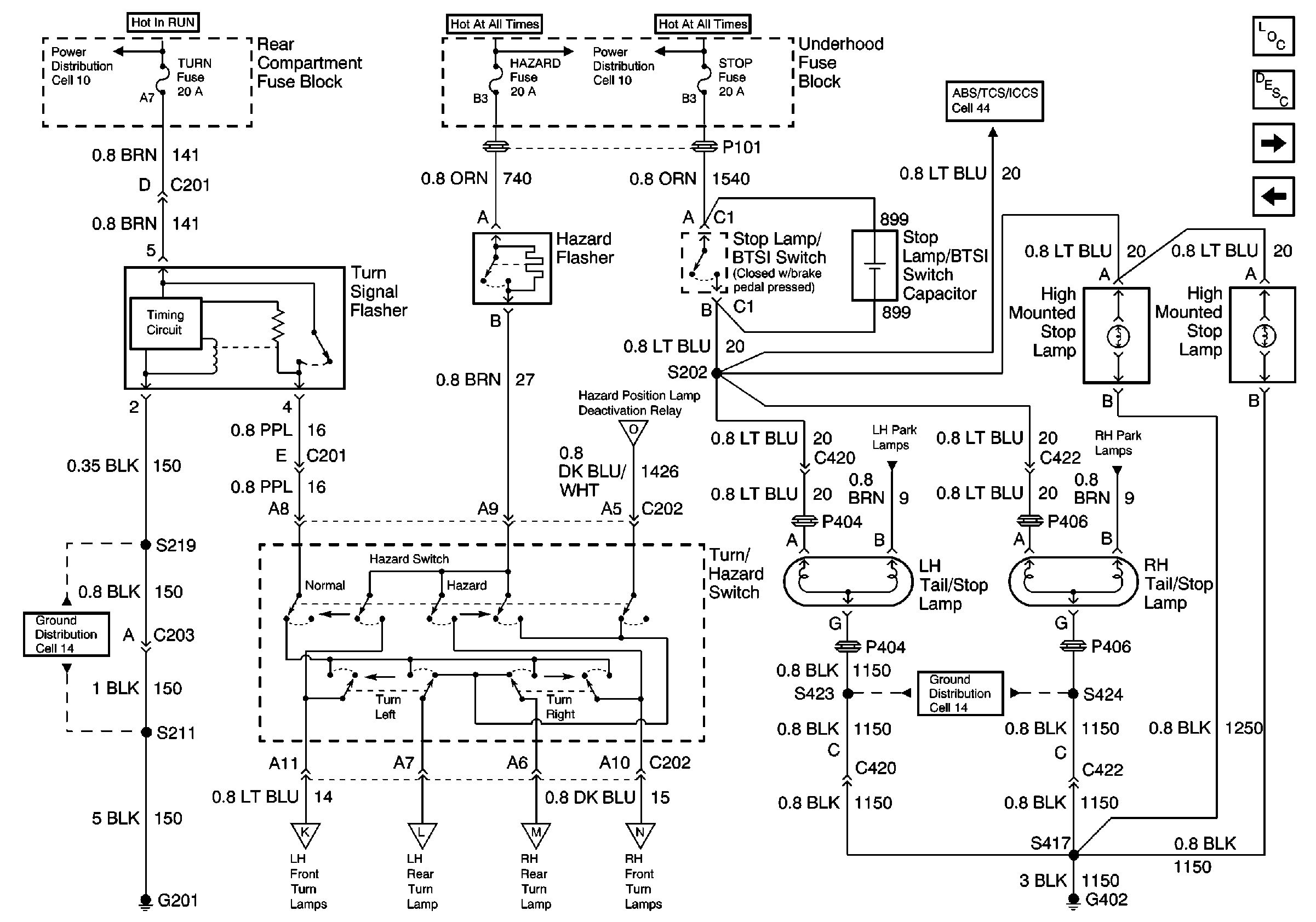
Figure 6:

Cell 110: Rear Turn Lamps; DeVille


Object Number: 502018  Size: FS
Lighting Systems Components
Exterior Lights Circuit Description
Cell 110: Cornering Lamps; DeVille
Cell 110: Front Turn Lamps; DeVille
Ground Distribution Schematics
Ground Distribution Schematics
Cell 110: LH Park Lamps; DeVille
Cell 110: LH Park Lamps; DeVille
Cell 110: RH Park Lamps; DeVille
Cell 110: RH Park Lamps; DeVille
Cell 110: Turn Signal Flasher, Hazard Flasher, and Stoplamp/BTSI Switch; DeVille
Cell 110: Turn Signal Flasher, Hazard Flasher, and Stoplamp/BTSI Switch; DeVille
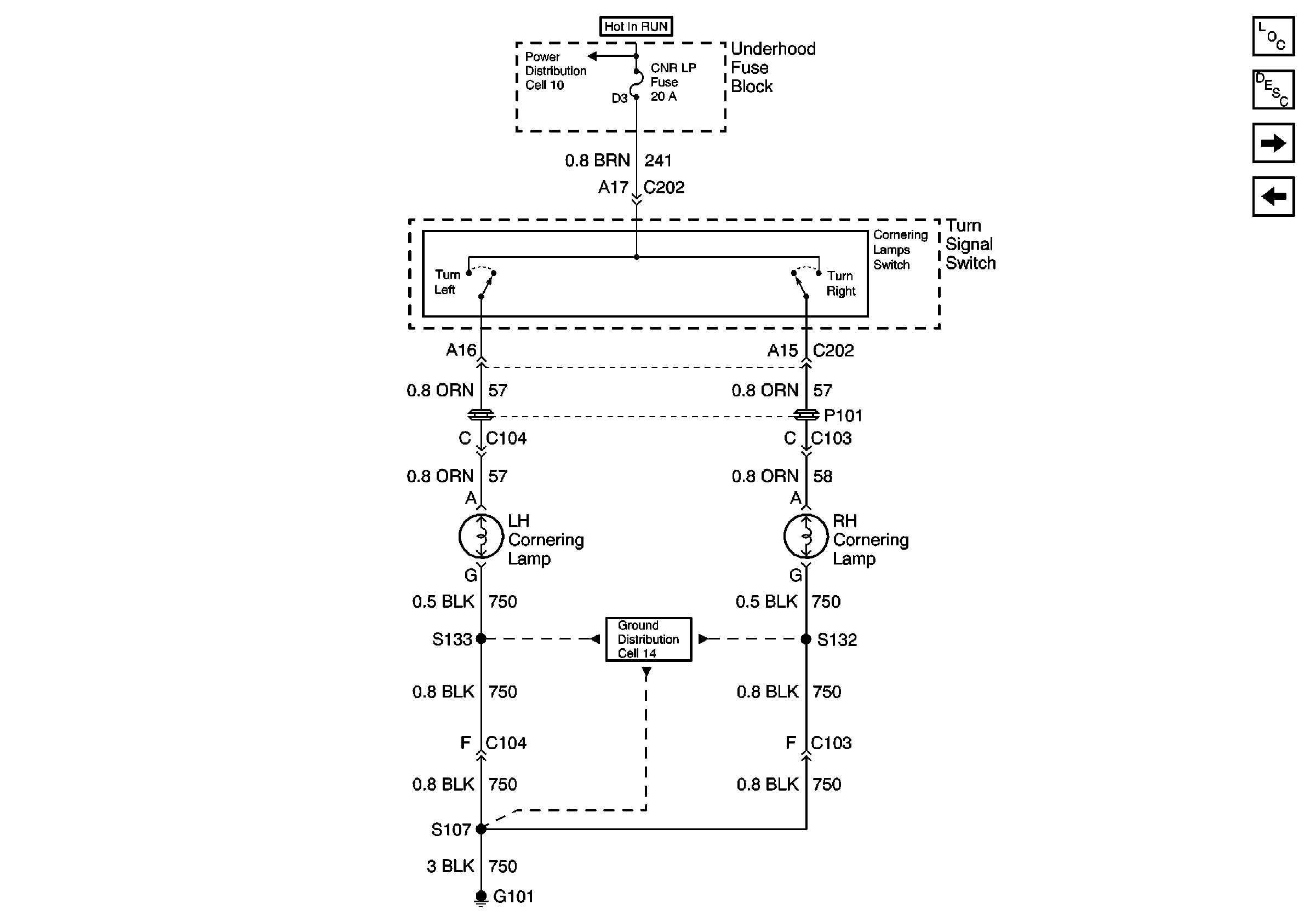
Figure 7:

Cell 110: Cornering Lamps; DeVille


Object Number: 502019  Size: FS
Lighting Systems Components
Exterior Lights Circuit Description
Cell 110: Rear Turn Lamps; DeVille
Ground Distribution Schematics
Power Distribution Schematics
Cell 110: LH Park Lamps; DeVille Export
Figure 8:

Cell 110: LH Park Lamps; DeVille Export


Object Number: 502020  Size: FS
Lighting Systems Components
Exterior Lights Circuit Description
Cell 110: RH Park Lamps; DeVille Export
Cell 110: Cornering Lamps; DeVille
Cell 110: Cornering Lamps; DeVille Export
Power Distribution Schematics
Ground Distribution Schematics
Ground Distribution Schematics
Cell 110: Turn Signal Flasher, Hazard Flasher, and Stoplamp/BTSI Switch; DeVilLe Export
Figure 9:

Cell 110: RH Park Lamps; DeVille Export


Object Number: 502021  Size: FS
Lighting Systems Components
Exterior Lights Circuit Description
Cell 110: Turn Signal Flasher, Hazard Flasher, and Stoplamp/BTSI Switch; DeVilLe Export
Cell 110: LH Park Lamps; DeVille Export
Cell 110: Headlamp Switch and Park Lamp Control
Ground Distribution Schematics
Ground Distribution Schematics
Cell 110: Cornering Lamps; DeVille Export
Power Distribution Schematics
Cell 110: Turn Signal Flasher, Hazard Flasher, and Stoplamp/BTSI Switch; DeVilLe Export
Figure 10:

Cell 110: Turn Signal Flasher, Hazard Flasher, and Stoplamp/BTSI Switch; DeVille Export


Object Number: 502022  Size: FS
Power Distribution Schematics
Power Distribution Schematics
Cell 44: Stoplamp Switch, Traction Control Switch, Torque Status, andClass 2
Lighting Systems Components
Exterior Lights Circuit Description
Cell 110: Turn Lamps; DeVille Export
Cell 110: RH Park Lamps; DeVille Export
Ground Distribution Schematics
Cell 110: Turn Lamps; DeVille Export
Cell 110: Turn Lamps; DeVille Export
Cell 110: Turn Lamps; DeVille Export
Cell 110: Turn Lamps; DeVille Export
Ground Distribution Schematics
Cell 110: Cornering Lamps; DeVille Export
Cell 110: LH Park Lamps; DeVille Export
Cell 110: RH Park Lamps; DeVille Export
Figure 11:

Cell 110: Turn Lamps; DeVille Export


Object Number: 502032  Size: FS
Cell 110: Turn Signal Flasher, Hazard Flasher, and Stoplamp/BTSI Switch; DeVilLe Export
Ground Distribution Schematics
Ground Distribution Schematics
Ground Distribution Schematics
Instrument Panel, Gages, and Console Connector End Views
Cell 110: Turn Signal Flasher, Hazard Flasher, and Stoplamp/BTSI Switch; DeVilLe Export
Cell 110: Turn Signal Flasher, Hazard Flasher, and Stoplamp/BTSI Switch; DeVilLe Export
Cell 110: Turn Signal Flasher, Hazard Flasher, and Stoplamp/BTSI Switch; DeVilLe Export
Lighting Systems Components
Exterior Lights Circuit Description
Cell 110: Cornering Lamps; DeVille Export
Cell 110: Turn Signal Flasher, Hazard Flasher, and Stoplamp/BTSI Switch; DeVilLe Export
Cell 110: Cornering Lamps; DeVille Export
Cell 110: Cornering Lamps; DeVille Export
Cell 110: Cornering Lamps; DeVille Export
Cell 110: Cornering Lamps; DeVille Export
Figure 12:

Cell 110: Cornering Lamps; DeVille Export


Object Number: 502034  Size: FS
Lighting Systems Components
Exterior Lights Circuit Description
Cell 110: Turn Lamps; DeVille Export
Cell 110: LH Park Lamps; Eldorado
Cell 110: Turn Signal Flasher, Hazard Flasher, and Stoplamp/BTSI Switch; DeVilLe Export
Cell 110: LH Park Lamps; DeVille Export
Cell 110: RH Park Lamps; DeVille Export
Power Distribution Schematics
Ground Distribution Schematics
Ground Distribution Schematics
Cell 110: Turn Lamps; DeVille Export
Cell 110: Turn Lamps; DeVille Export
Cell 110: Turn Lamps; DeVille Export
Cell 110: Turn Lamps; DeVille Export
Figure 13:

Cell 110: LH Park Lamps; Eldorado


Object Number: 502043  Size: FS
Ground Distribution Schematics
Ground Distribution Schematics
Power Distribution Schematics
Lighting Systems Components
Exterior Lights Circuit Description
Cell 110: RH Park Lamps; Eldorado
Cell 110: Cornering Lamps; DeVille Export
Cell 110: Turn Lamps; Eldorado
Cell 110: Turn Lamps; Eldorado
Cell 110: Turn Lamps; Eldorado
Cell 110: Turn Lamps; Eldorado
Figure 14:

Cell 110: RH Park Lamps; Eldorado


Object Number: 502044  Size: FS
Ground Distribution Schematics
Ground Distribution Schematics
Power Distribution Schematics
Cell 110: Headlamp Switch and Park Lamp Control
Cell 110: Turn Lamps; Eldorado
Cell 110: Turn Lamps; Eldorado
Cell 110: Turn Lamps; Eldorado
Cell 110: Turn Lamps; Eldorado
Lighting Systems Components
Exterior Lights Circuit Description
Cell 110: Turn Signal Flasher, Hazard Flasher, and Stoplamp/BTSI Switch; Eldorado
Cell 110: LH Park Lamps; Eldorado
Figure 15:

Cell 110: Turn Signal Flasher, Hazard Flasher, and Stoplamp/BTSI Switch; Eldorado


Object Number: 502045  Size: FS
Power Distribution Schematics
Power Distribution Schematics
Ground Distribution Schematics
Cell 110: Turn Lamps; Eldorado
Cell 110: Turn Lamps; Eldorado
Cell 110: Turn Lamps; Eldorado
Cell 110: Turn Lamps; Eldorado
Ground Distribution Schematics
Cell 44: Stoplamp Switch, Traction Control Switch, Torque Status, andClass 2
Lighting Systems Components
Exterior Lights Circuit Description
Cell 110: Turn Lamps; Eldorado
Cell 110: RH Park Lamps; Eldorado
Figure 16:

Cell 110: Turn Lamps; Eldorado


Object Number: 502047  Size: FS
Ground Distribution Schematics
Ground Distribution Schematics
Cell 110: Turn Signal Flasher, Hazard Flasher, and Stoplamp/BTSI Switch; Eldorado
Instrument Panel, Gages, and Console Connector End Views
Handling ESD Sensitive Parts Notice
Cell 110: Turn Signal Flasher, Hazard Flasher, and Stoplamp/BTSI Switch; Eldorado
Cell 110: Turn Signal Flasher, Hazard Flasher, and Stoplamp/BTSI Switch; Eldorado
Cell 110: Turn Signal Flasher, Hazard Flasher, and Stoplamp/BTSI Switch; Eldorado
Lighting Systems Components
Exterior Lights Circuit Description
Cell 110: LH Park Lamps; Eldorado Export
Cell 110: Turn Signal Flasher, Hazard Flasher, and Stoplamp/BTSI Switch; Eldorado
Cell 110: LH Park Lamps; Eldorado
Cell 110: RH Park Lamps; Eldorado
Cell 110: LH Park Lamps; Eldorado
Cell 110: LH Park Lamps; Eldorado
Cell 110: LH Park Lamps; Eldorado
Cell 110: RH Park Lamps; Eldorado
Cell 110: RH Park Lamps; Eldorado
Cell 110: RH Park Lamps; Eldorado
Figure 17:

Cell 110: LH Park Lamps; Eldorado Export


Object Number: 502048  Size: FS
Lighting Systems Components
Exterior Lights Circuit Description
Cell 110: RH Park Lamps; Eldorado Export
Cell 110: Turn Lamps; Eldorado
Power Distribution Schematics
Ground Distribution Schematics
Ground Distribution Schematics
Cell 110: Turn Signal Flasher, Hazard Flasher, and Stoplamp/BTSI Switch; Eldorado Export
Figure 18:

Cell 110: RH Park Lamps; Eldorado Export


Object Number: 502049  Size: FS
Power Distribution Schematics
Cell 110: Headlamp Switch and Park Lamp Control
Ground Distribution Schematics
Ground Distribution Schematics
Cell 103: Rear Fog Lamps
Lighting Systems Components
Exterior Lights Circuit Description
Cell 110: Turn Signal Flasher, Hazard Flasher, and Stoplamp/BTSI Switch; Eldorado Export
Cell 110: LH Park Lamps; Eldorado Export
Cell 110: Turn Signal Flasher, Hazard Flasher, and Stoplamp/BTSI Switch; Eldorado Export
Figure 19:

Cell 110: Turn Signal Flasher, Hazard Flasher, and Stoplamp/BTSI Switch; Eldorado Export


Object Number: 502053  Size: FS
Power Distribution Schematics
Ground Distribution Schematics
Cell 110: Turn Lamps; Eldorado Export
Cell 110: Turn Lamps; Eldorado Export
Cell 110: Turn Lamps; Eldorado Export
Cell 110: Turn Lamps; Eldorado Export
Ground Distribution Schematics
Cell 44: Stoplamp Switch, Traction Control Switch, Torque Status, andClass 2
Lighting Systems Components
Exterior Lights Circuit Description
Cell 110: Turn Lamps; Eldorado Export
Cell 110: RH Park Lamps; Eldorado Export
Power Distribution Schematics
Cell 110: LH Park Lamps; Eldorado Export
Cell 110: RH Park Lamps; Eldorado Export
Figure 20:

Cell 110: Turn Lamps; Eldorado Export


Object Number: 502055  Size: FS
Cell 110: Turn Signal Flasher, Hazard Flasher, and Stoplamp/BTSI Switch; Eldorado Export
Ground Distribution Schematics
Instrument Panel, Gages, and Console Connector End Views
Cell 110: Turn Signal Flasher, Hazard Flasher, and Stoplamp/BTSI Switch; Eldorado Export
Cell 110: Turn Signal Flasher, Hazard Flasher, and Stoplamp/BTSI Switch; Eldorado Export
Cell 110: Turn Signal Flasher, Hazard Flasher, and Stoplamp/BTSI Switch; Eldorado Export
Lighting Systems Components
Exterior Lights Circuit Description
Cell 110: Turn Signal Flasher, Hazard Flasher, and Stoplamp/BTSI Switch; Eldorado Export
Ground Distribution Schematics
Ground Distribution Schematics