GM Service Manual Online
For 1990-2009 cars only
Makes
🢒
Cadillac
🢒
1998
🢒
Eldorado
🢒
Body and Accessories
🢒
Wiring Systems
🢒 Cigar Lighter/Power Outlet Schematics
Figure
1:
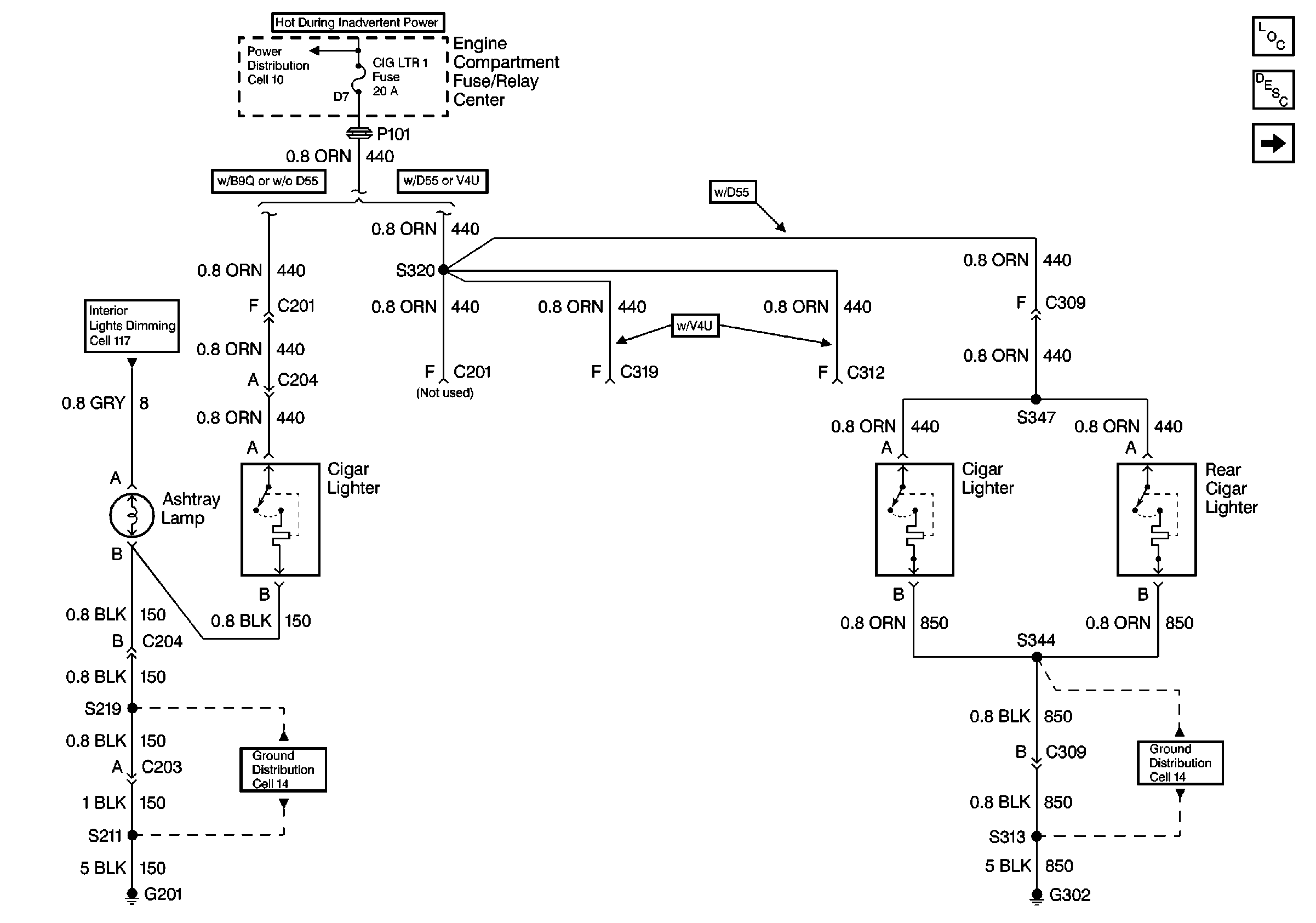
Cell 19: Cigar Lighters on CIG LTR 1 Fuse
Power and Grounding Components
Cigar Lighter/Auxiliary Outlet Circuit Description
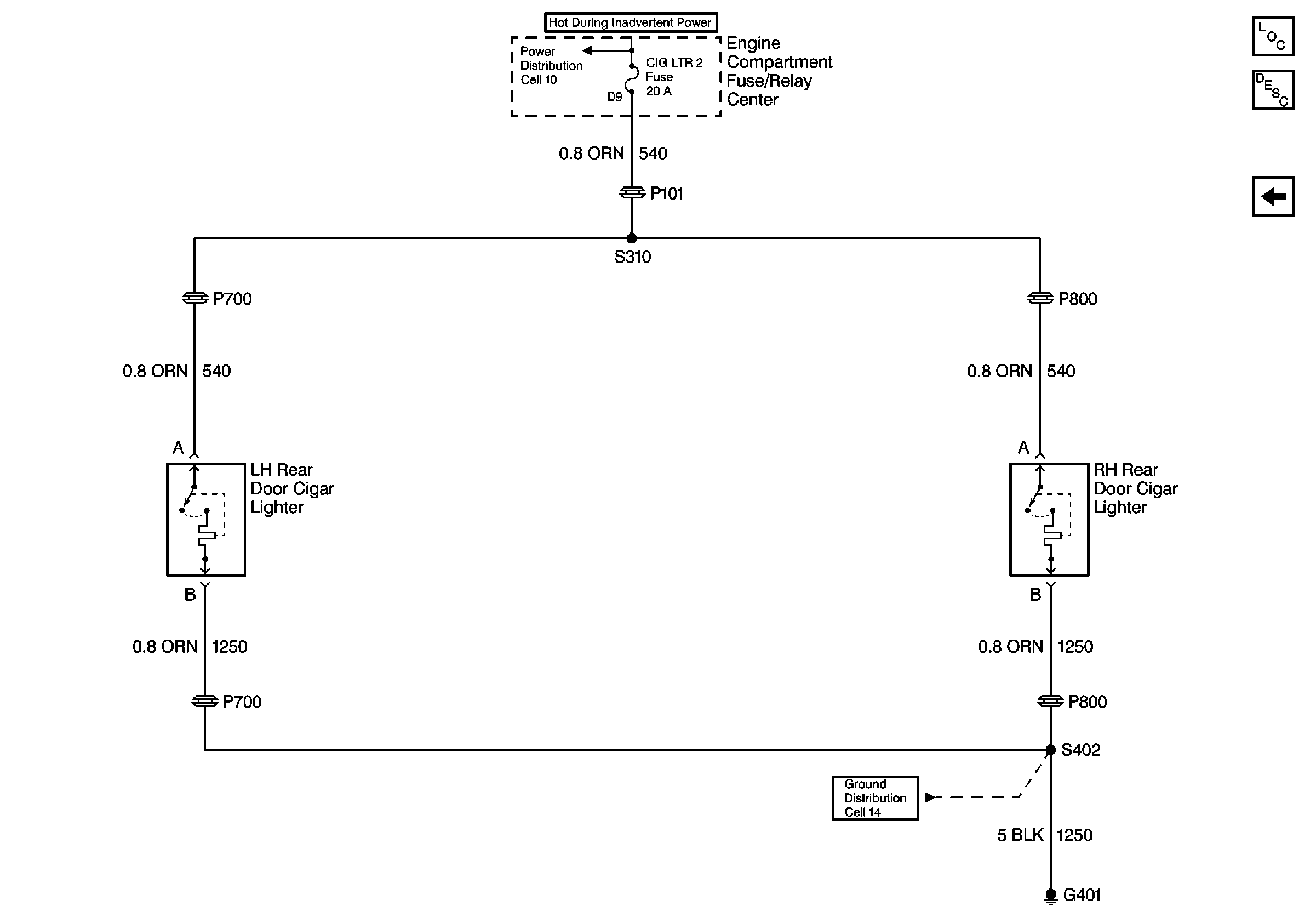
Cell 19: Cigar Lighters on the CIG LTR 2 Fuse
Interior Lights Dimming Schematics
Ground Distribution Schematics
Ground Distribution Schematics
Power Distribution Schematics
Figure
2:
Cell 19: Cigar Lighters on the CIG LTR 2 Fuse
Power Distribution Schematics
Ground Distribution Schematics
Power and Grounding Components
Cigar Lighter/Auxiliary Outlet Circuit Description
Cell 19: Cigar Lighters on CIG LTR 1 Fuse