GM Service Manual Online
For 1990-2009 cars only

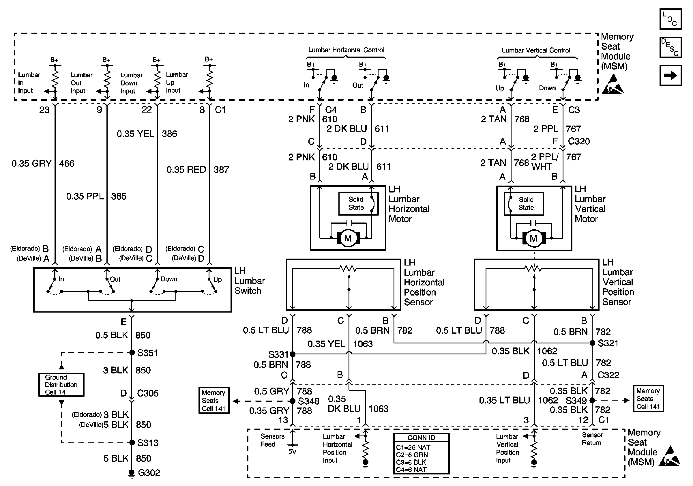
Cell 142: Left Lumbar Components (AL2 with A45)


Object Number: 501150  Size: FS
Power Seat Systems Components
Power Lumbar Circuit Description
Handling ESD Sensitive Parts Notice
Power Seat Connector End Views
Memory Seats Schematics
Ground Distribution Schematics
Memory Seats Schematics
Handling ESD Sensitive Parts Notice
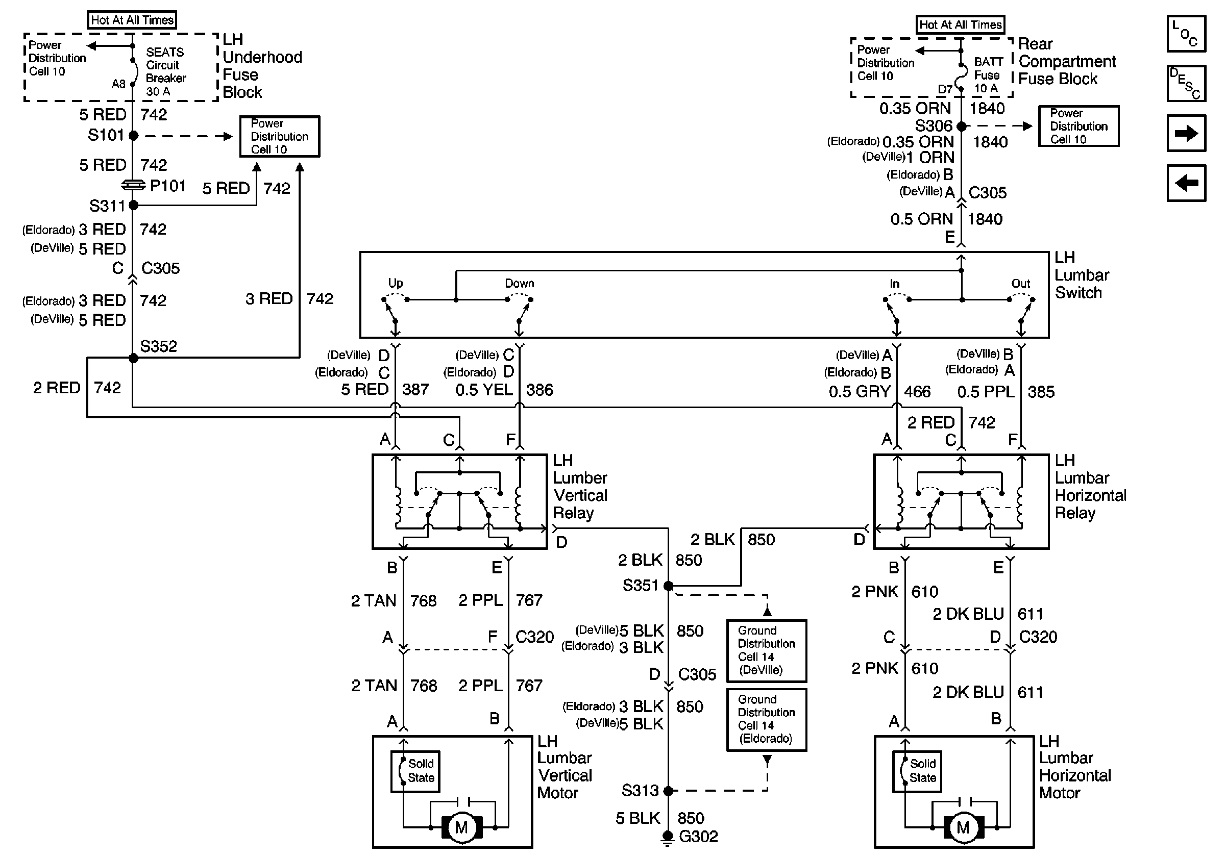
Cell 142: Left Power Lumbar (AL2 without A45)

Cell 142: Left Power Lumbar (AL2 without A45)


Object Number: 501146  Size: FS
Power Seat Systems Components
Power Lumbar Circuit Description
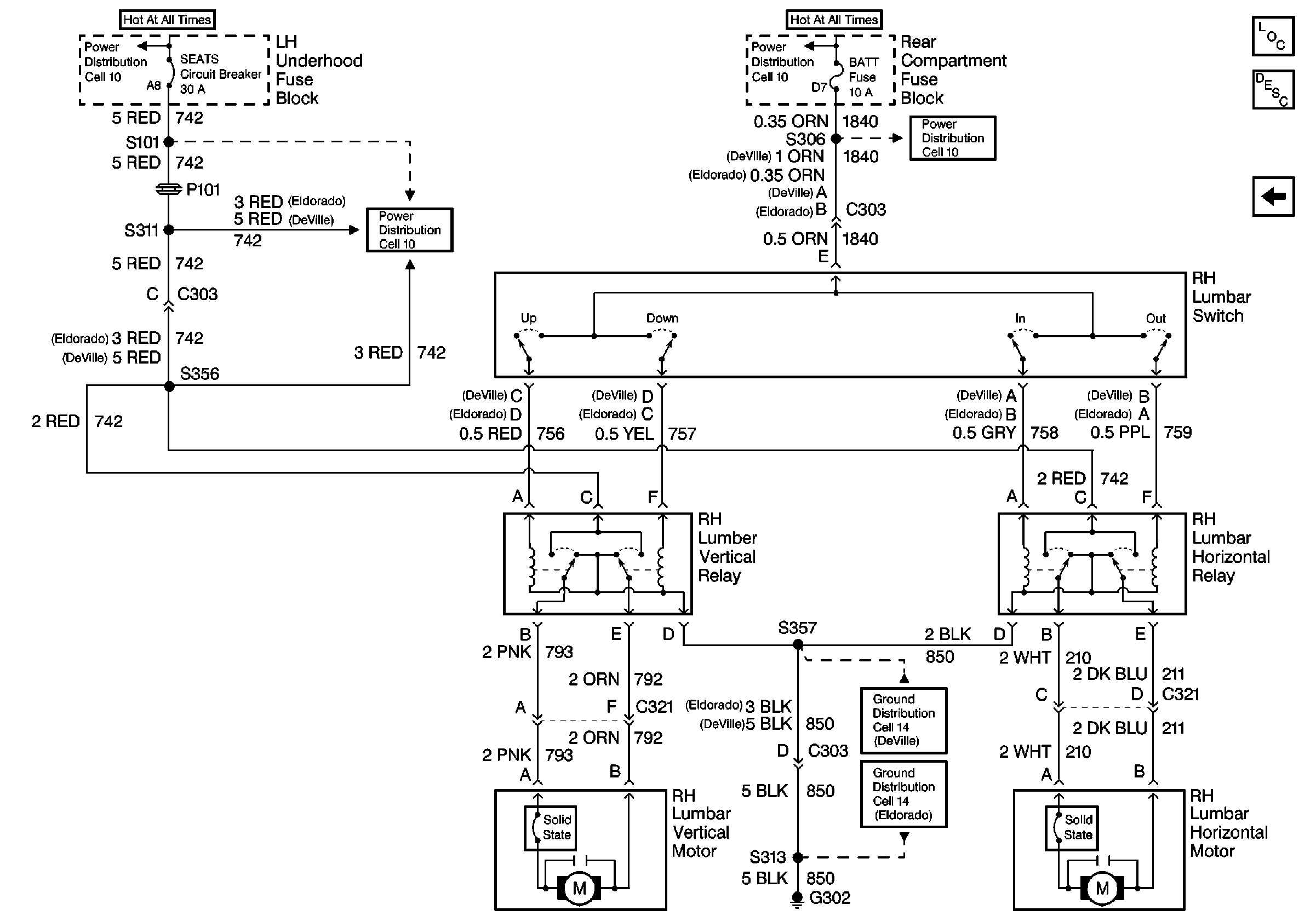
Cell 142: Right Power Lumbar (AL2 without A45)
Power Distribution Schematics
Power Distribution Schematics
Power Distribution Schematics
Power Distribution Schematics
Ground Distribution Schematics
Ground Distribution Schematics
Cell 142: Left Lumbar Components (AL2 with A45)

Cell 142: Right Power Lumbar (AL2 without A45)


Object Number: 501148  Size: FS
Power Seat Systems Components
Power Lumbar Circuit Description
Cell 142: Left Power Lumbar (AL2 without A45)
Power Distribution Schematics
Power Distribution Schematics
Power Distribution Schematics
Power Distribution Schematics
Ground Distribution Schematics
Ground Distribution Schematics