GM Service Manual Online
For 1990-2009 cars only
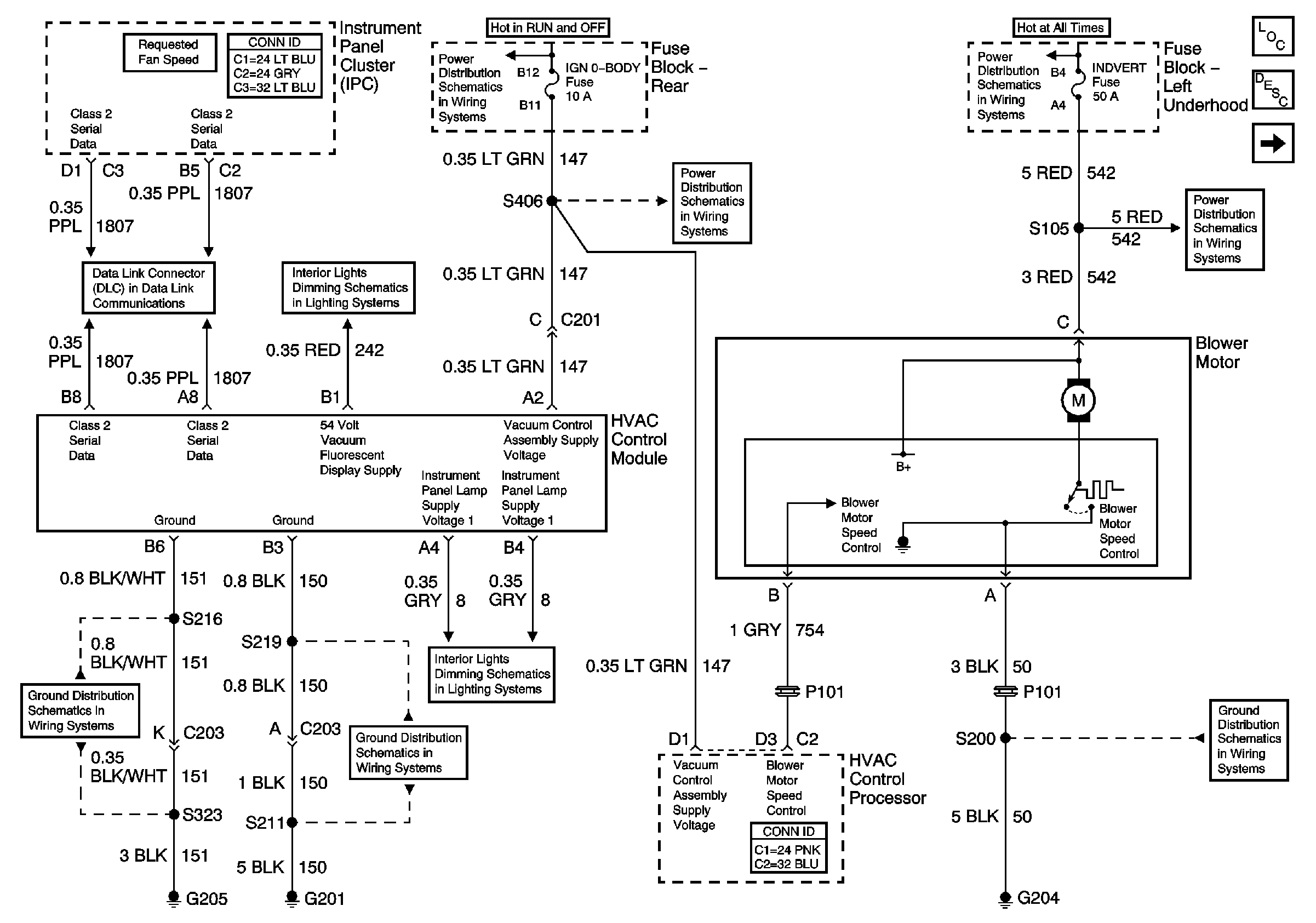
Figure 1:

Front Blower Control


Object Number: 713758  Size: FS
Master Electrical Component List
Rear Blower Control
BODY 3 and INADVERT Fuses
G204
Power, Ground, and Class 2 (2 of 2)
Battery Feeds
BATT 3 and Ignition Switch (1 of 2)
IGN 0 BODY Fuse
G201
G205
Instrument Panel Backlighting
Instrument Panel Backlighting
Figure 2:

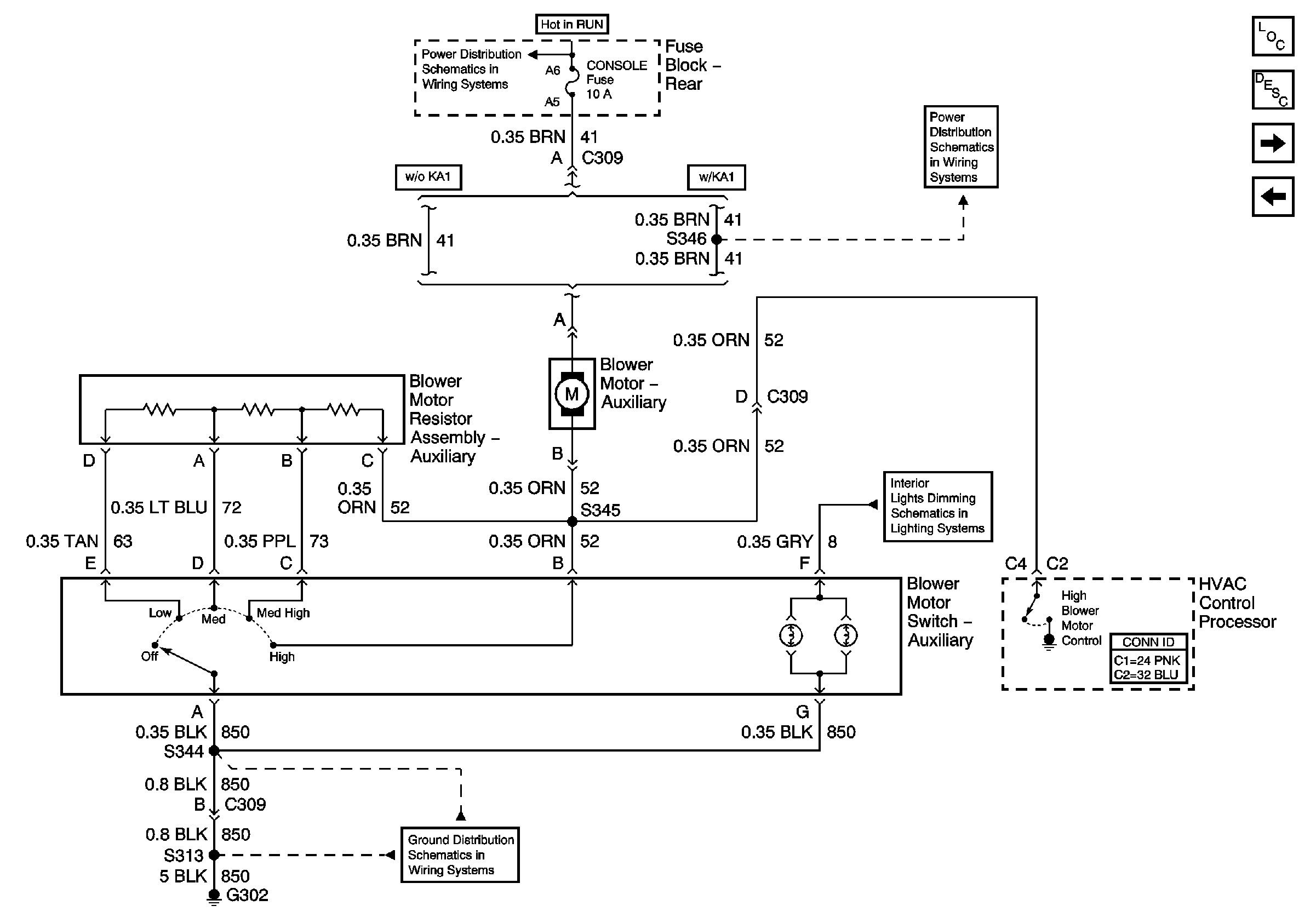
Rear Blower Control


Object Number: 713789  Size: FS
Master Electrical Component List
Front Blower Control
Compressor Control Pressure Switch
CONSOLE Fuses
Console Backlighting
G302 (1 of 2)
BATT 3 and Ignition Switch (1 of 2)
Figure 3:

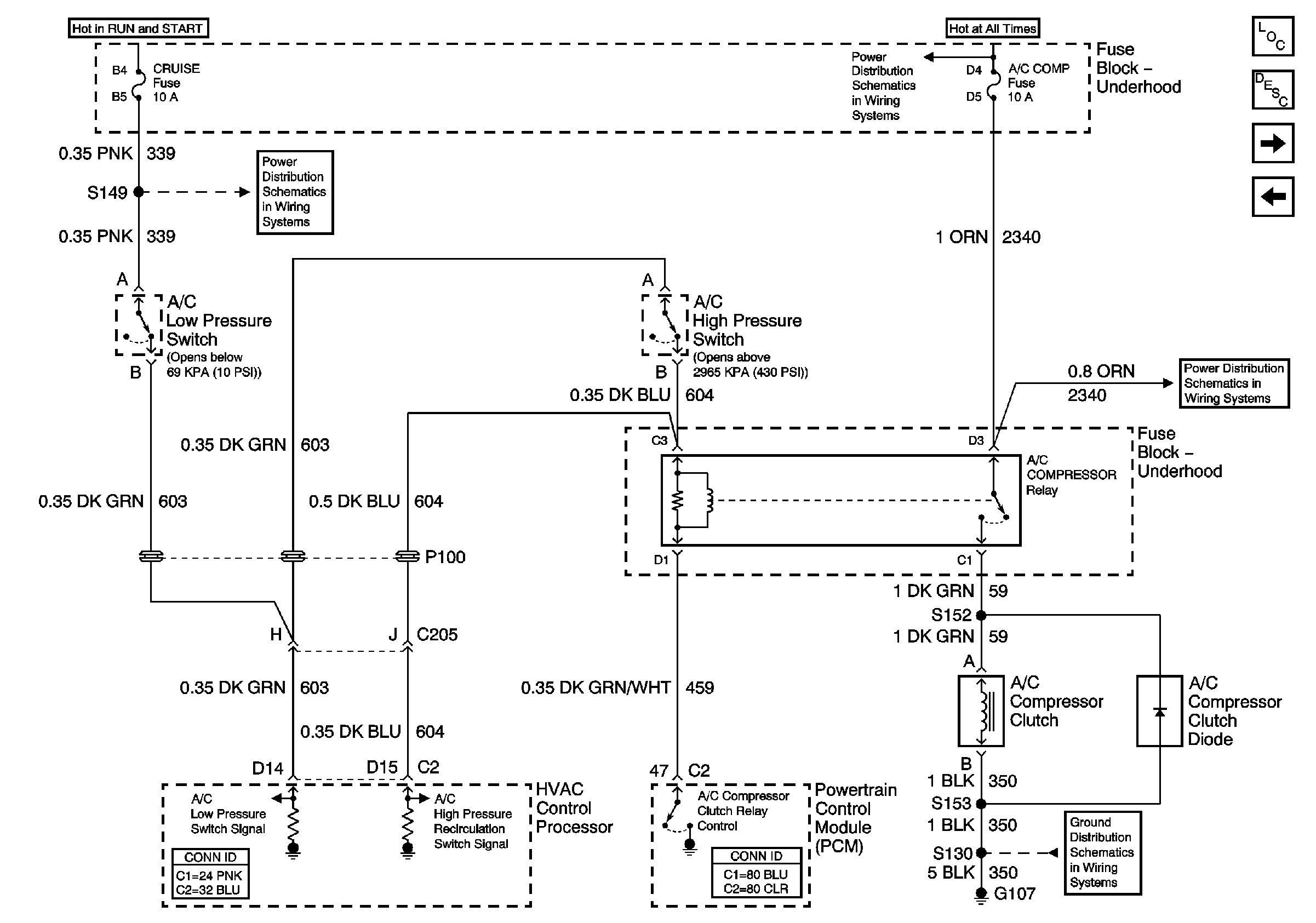
Compressor Control Pressure Switch


Object Number: 713794  Size: FS
Master Electrical Component List
Compressor Control Temperature Sensors
Rear Blower Control
PCM (BAT), A/C COMP, PARK/REV Fuses and A/C COMPRESSOR Relay
G103, G107, G109, and G110
PCM (BAT), A/C COMP, PARK/REV Fuses and A/C COMPRESSOR Relay
IGN 1, COOL FANS, BATT 1, and BRAKES Fuses
Figure 4:

Compressor Control Temperature Sensors


Object Number: 713800  Size: FS
Master Electrical Component List
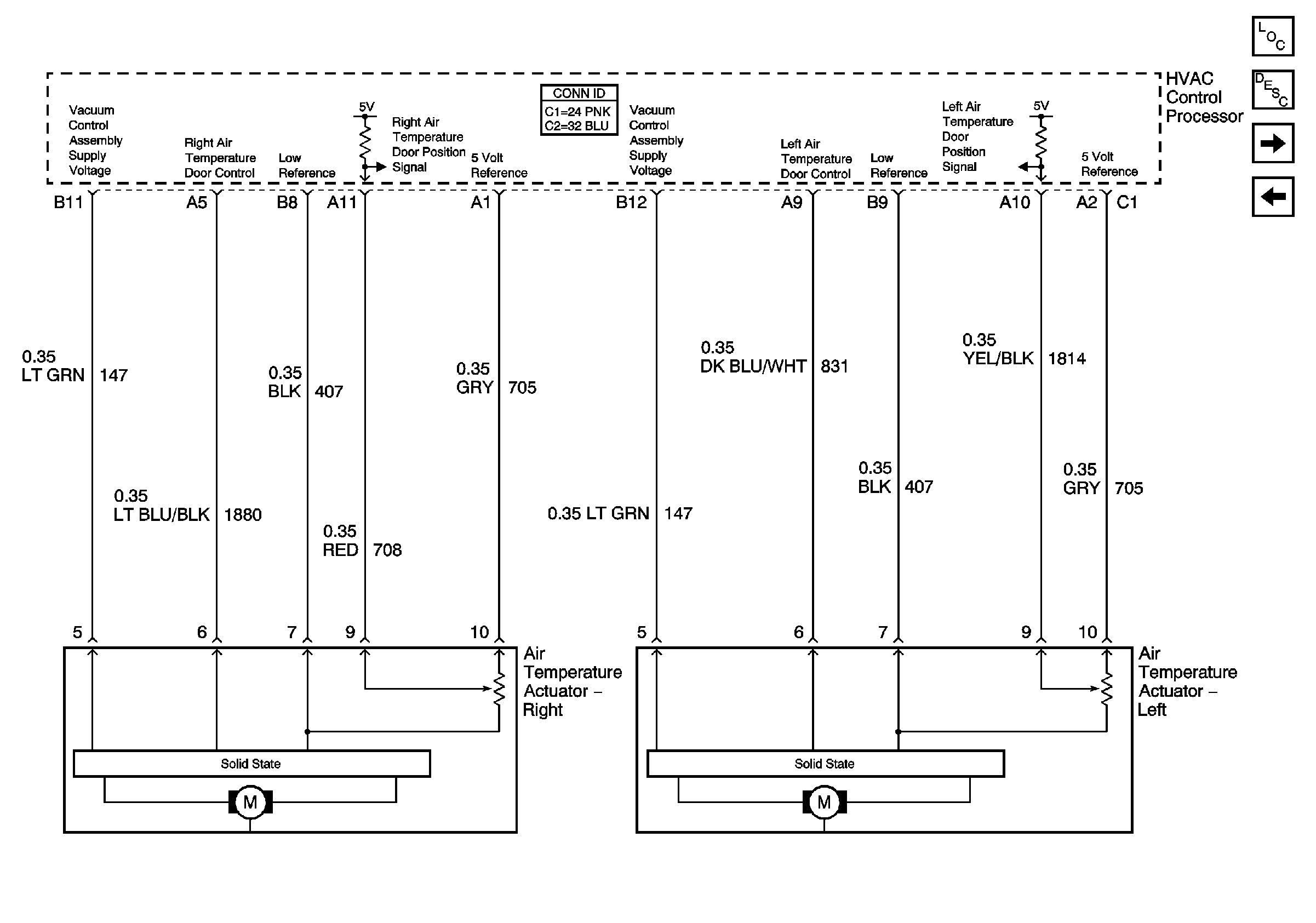
Air Delivery/Temperature Control Actuators
Compressor Control Pressure Switch
COMFORT Fuses
G205
Power, Ground, and Class 2 (2 of 2)
Air Delivery/Temperature Control Temperature Sensors
BODY 3 and INADVERT Fuses
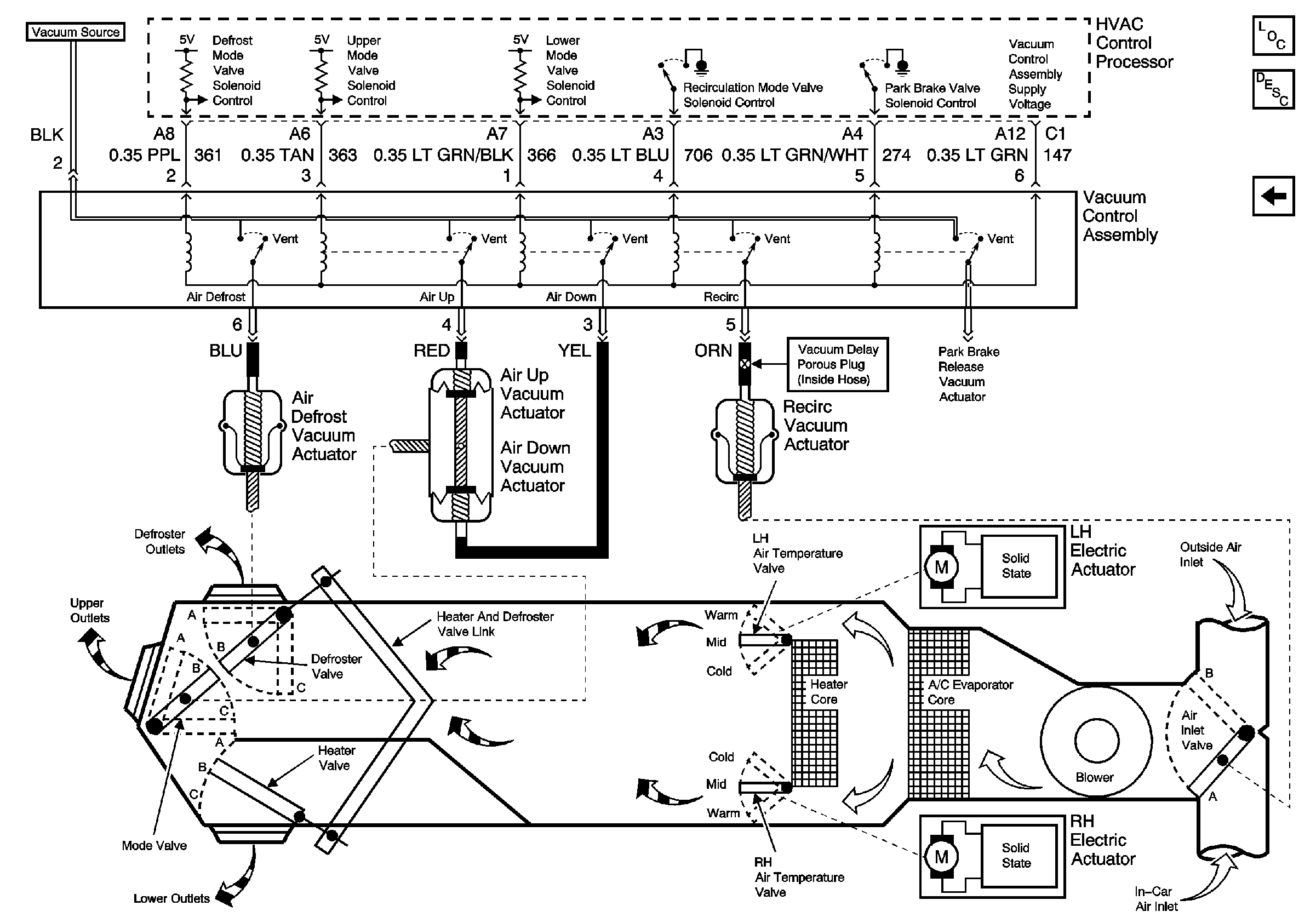
Figure 5:

Air Delivery/Temperature Control Actuators


Object Number: 713810  Size: FS
Master Electrical Component List
Air Delivery/Temperature Control Temperature Sensors
Compressor Control Temperature Sensors
Figure 6:

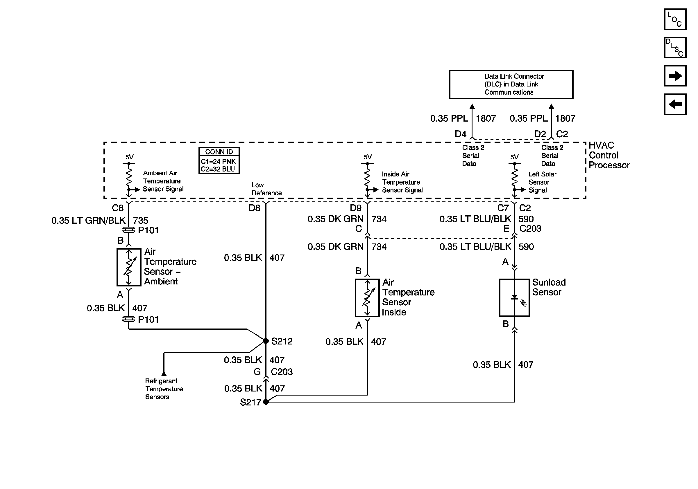
Air Delivery/Temperature Control Temperature Sensors


Object Number: 713818  Size: FS
Master Electrical Component List
Steering Wheel Control Switch
Air Delivery/Temperature Control Actuators
Power, Ground, and Class 2 (2 of 2)
Compressor Control Temperature Sensors
Figure 7:

Steering Wheel Control Switch


Object Number: 724651  Size: FS
Master Electrical Component List
Air Delivery/Temperature Control Vacuum and Electric Solenoids
Air Delivery/Temperature Control Temperature Sensors
SIR Handling Caution
SIR Handling Caution
Power, Ground, and Class 2 (2 of 2)
WIPERS, ACC, and CLUSTER Fuses
BODY 3 and INADVERT Fuses
Figure 8:

Air Delivery/Temperature Control Vacuum and Electric Solenoids


Object Number: 713805  Size: FS
Master Electrical Component List
Steering Wheel Control Switch