GM Service Manual Online
For 1990-2009 cars only
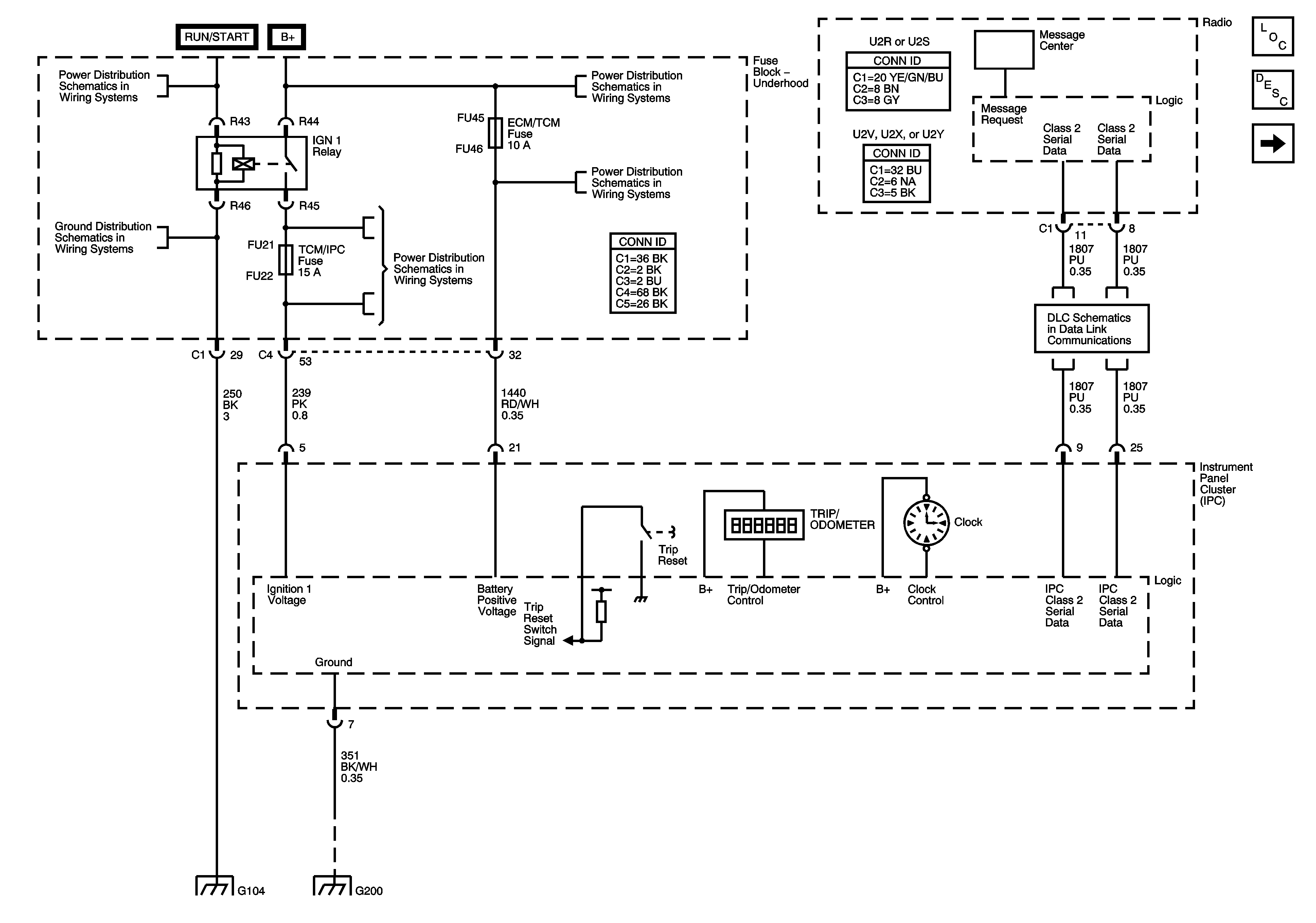
Figure 1:

Power, Ground, Serial Data, Odometer, and Clock


Object Number: 1222676  Size: FS
Master Electrical Component List
Instrument Cluster Description and Operation
Indicators
RIM and THEFT Fuses and Ignition Switch - 2 of 2
Fuse Block - Underhood B+ Bus Schematic
CCP (B+), DIM/ALDL, EBCM (B+), ECM/TCM, FLASHER, and VOLT CHECK Fuses
G104
ABS, STARTER RLY, STRG CTLS, TCM/IPC, and WASH NOZ Fuses
Class 2 Serial Data - 1 of 2
G104
G200
Figure 2:

Indicators


Object Number: 1222680  Size: FS
Master Electrical Component List
Instrument Cluster Description and Operation
Gages
Power, Ground, Serial Data, Odometer and Clock
Engine Data Sensors - 5-Volt Reference Bussing
G100 - LH2
Turn/Hazard Flasher Module Schematic
Class 2 Serial Data - 1 of 2
Engine Data Sensors - Low Reference Bussing
G200
Power, Grounds, Serial Data and Switches
Power, Ground, Serial Data, and MIL Schematics
Power, Ground, Serial Data and MIL
04 E-suv SRX Hydraulic Brake Schematic
Indicators, Traction Control, and Brake Pedal Position
Figure 3:

Gages


Object Number: 1222685  Size: FS
Master Electrical Component List
Instrument Cluster Description and Operation
Indicators
Engine Data Sensors - Pressure, Temperature, MAF, VSS and Extended Travel Brake Switch
Engine Data Sensors - Pressure, Temperature, MAF, VSS, and Extended Travel Brake Switch
Class 2 Serial Data - 1 of 2
Engine Data Sensors - Low Reference Bussing
Engine Data Sensors - 5-Volt and Low Reference
Engine Data Sensors - Low Reference Bussing