GM Service Manual Online
For 1990-2009 cars only
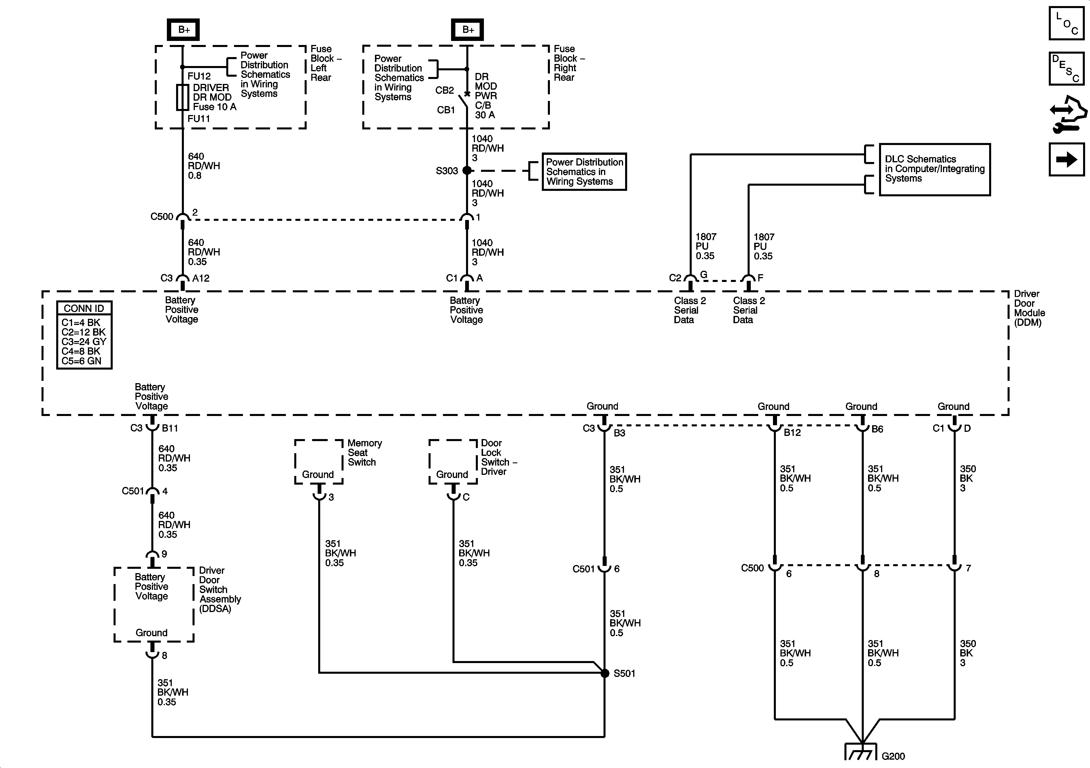
Figure 1:

DDM Power, Ground and Serial Data


Object Number: 1614116  Size: FS
Master Electrical Component List
Power Windows Description and Operation
Control Module References
DDM Signals/Controls 1 of 2
06 ESUV-Fuse Block Left Rear B+ Bus
Fuse Block Right Rear B+ Bus
CANISTER VENT, DR MOD PWR, REAR HATCH, R FRT HTD SEAT MOD, POWER LIFT GATE and SUNROOF MOD Fuses
Class 2 Serial Data 1 of 2
G200
Figure 2:

DDM Signals/Controls 1 of 2


Object Number: 1614118  Size: FS
Master Electrical Component List
Power Windows Description and Operation
Control Module References
Signals/Controls 2 of 2
DDM Power, Ground and Serial Data
Driver and Passenger Power Outside Mirrors (w/o A45)
Inside Rearview Mirror Schematics
Front Power Windows
Dimming Lamps 2 of 2
Figure 3:

DDM Signals/Controls 2 of 2


Object Number: 1614121  Size: FS
Master Electrical Component List
Power Windows Description and Operation
Control Module References
FPDM Power, Ground and Serail Data
DDM Signals/Controls 1 of 2
Driver Door Lock Schematics
Figure 4:

FPDM Power, Ground and Serial Data


Object Number: 1614126  Size: FS
Master Electrical Component List
Power Windows Description and Operation
Control Module References
FPDM Signals/Controls 1 of 2
Signals/Controls 2 of 2
Front Passenger Door Lock
Fuse Block Right Rear B+ Bus
Fuse Block Right Rear B+ Bus
Class 2 Serial Data 2 of 2
CANISTER VENT, DR MOD PWR, REAR HATCH, R FRT HTD SEAT MOD, POWER LIFT GATE and SUNROOF MOD Fuses
G201
Front Passenger Door Lock
Front Power Windows
Figure 5:

FPDM Signals/Controls 1 of 2


Object Number: 1614128  Size: FS
Master Electrical Component List
Power Windows Description and Operation
Control Module References
FPDM Signals/Controls 2 of 2
FPDM Power, Ground and Serail Data
Front Power Windows
Front Passenger Door Lock
Dimming Lamps 2 of 2
Figure 6:

FPDM Signals/Controls 2 of 2


Object Number: 1614134  Size: FS
Master Electrical Component List
Power Windows Description and Operation
Control Module References
LRDM Power, Ground and Serail Data
FPDM Signals/Controls 1 of 2
Driver and Passenger Power Outside Mirrors (w/o A45)
Figure 7:

LRDM Power, Ground and Serial Data


Object Number: 1614139  Size: FS
Master Electrical Component List
Power Windows Description and Operation
Control Module References
LRDM Signals/Controls
FPDM Signals/Controls 2 of 2
06 ESUV-Fuse Block Left Rear B+ Bus
Fuse Block Right Rear B+ Bus
Class 2 Serial Data 1 of 2
G200
CANISTER VENT, DR MOD PWR, REAR HATCH, R FRT HTD SEAT MOD, POWER LIFT GATE and SUNROOF MOD Fuses
Rear Power Windows
G200
Figure 8:

LRDM Signals/Controls


Object Number: 1614148  Size: FS
Master Electrical Component List
Power Windows Description and Operation
Control Module References
RRDM Power, Ground and Serial Data
LRDM Power, Ground and Serail Data
Left Rear and Right Rear Door Lock
Rear Power Windows
Dimming Lamps 2 of 2
Figure 9:

RRDM Power, Ground and Serial Data


Object Number: 1614152  Size: FS
Master Electrical Component List
Power Windows Description and Operation
Control Module References
RRDM Signals/Controls
LRDM Signals/Controls
06 ESUV-Fuse Block Left Rear B+ Bus
Fuse Block Right Rear B+ Bus
G200
Class 2 Serial Data 2 of 2
CANISTER VENT, DR MOD PWR, REAR HATCH, R FRT HTD SEAT MOD, POWER LIFT GATE and SUNROOF MOD Fuses
G201
Rear Power Windows
Figure 10:

RRDM Signals/Controls


Object Number: 1614154  Size: FS
Master Electrical Component List
Power Windows Description and Operation
Control Module References
RRDM Power, Ground and Serial Data
Left Rear and Right Rear Door Lock
Rear Power Windows
Dimming Lamps 2 of 2