GM Service Manual Online
For 1990-2009 cars only
Figure 1:

Radio and Audio Amplifier (U2R/U2S)


Object Number: 1615890  Size: FS
Master Electrical Component List
Radio/Audio System Description and Operation
Control Module References
Radio and CD Changes (U2V/U2X/U2Y)
Entertainment Schematic Icons
Entertainment Schematic Icons
Entertainment Schematic Icons
Entertainment Schematic Icons
G402 1 of 2
06 ESUV-Fuse Block Left Rear B+ Bus
AMP, AUDIO, DRIVER DR MOD, ELC COMP, L FRT HTD SEAT MOD, MEM/ADAPT SEAT, AND REAR DR MOD FUSES
Class 2 Serial Data 1 of 2
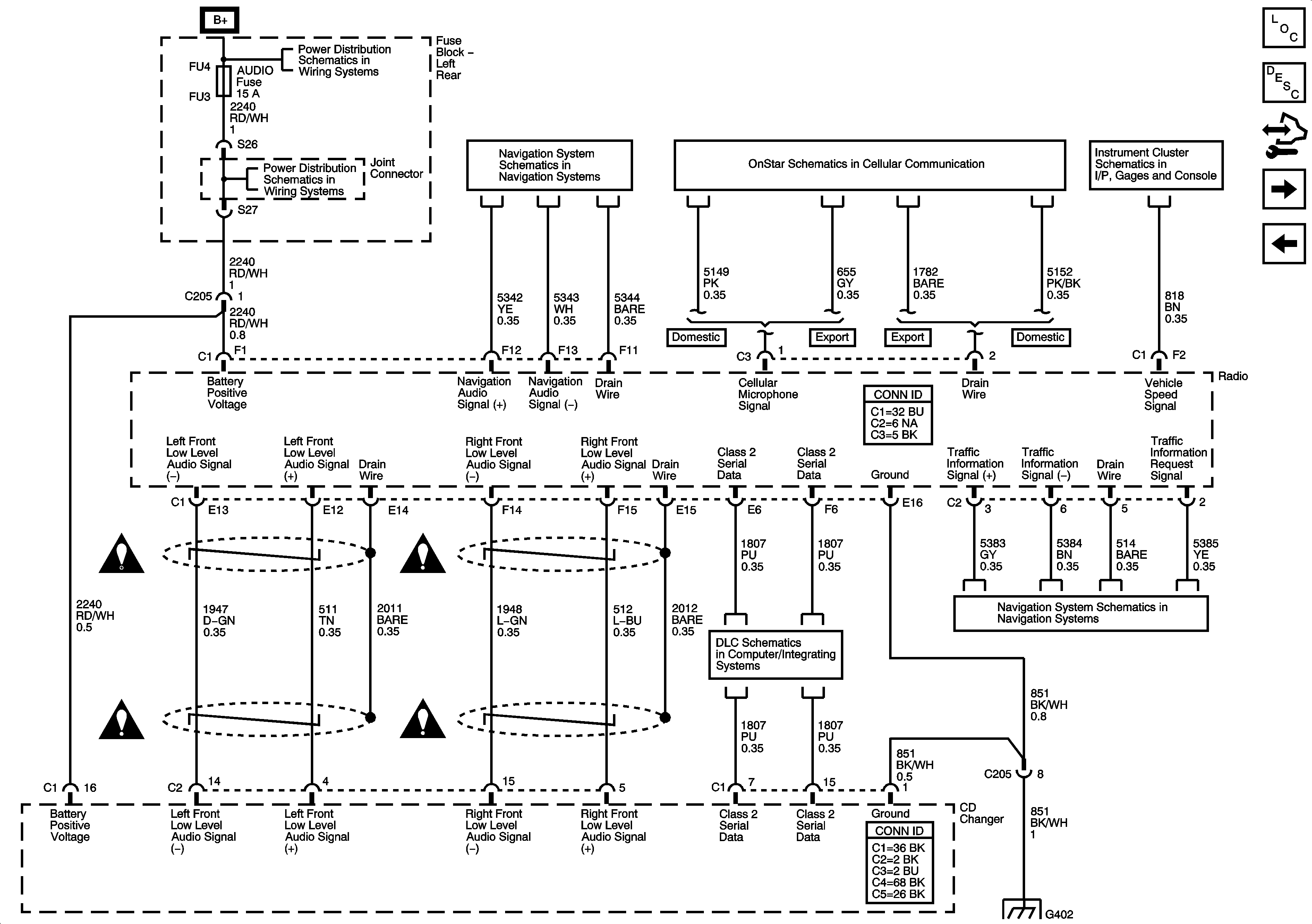
Figure 2:

Radio and CD Changer (U2V/U2X/U2Y)


Object Number: 1615893  Size: FS
Master Electrical Component List
Radio/Audio System Description and Operation
Control Module References
CD Changer to Audio Amplifier (U2V/U2X/U2Y)
Radio and Audio Amplifier (U2R/U2S)
06 ESUV-Fuse Block Left Rear B+ Bus
AMP, AUDIO, DRIVER DR MOD, ELC COMP, L FRT HTD SEAT MOD, MEM/ADAPT SEAT, AND REAR DR MOD FUSES
Navigation Controls (U2V/U2X/U2Y)
OnStar Schematics
Gages
Entertainment Schematic Icons
Entertainment Schematic Icons
Entertainment Schematic Icons
Entertainment Schematic Icons
Class 2 Serial Data 1 of 2
Traffic Information Receiver (U2X)
G402 1 of 2
Figure 3:

CD Changer to Audio Amplifier (U2V/U2X/U2Y)


Object Number: 1615896  Size: FS
Master Electrical Component List
Radio/Audio System Description and Operation
Control Module References
Speaker (U66)
Radio and CD Changes (U2V/U2X/U2Y)
Entertainment Schematic Icons
Entertainment Schematic Icons
Entertainment Schematic Icons
Entertainment Schematic Icons
Figure 4:

Speakers (U66)


Object Number: 1615898  Size: FS
Master Electrical Component List
Radio/Audio System Description and Operation
Control Module References
Speaker (U57)
CD Changer to Audio Amplifier (U2V/U2X/U2Y)
OnStar Schematics
Entertainment Schematic Icons
Entertainment Schematic Icons
Entertainment Schematic Icons
Entertainment Schematic Icons
Entertainment Schematic Icons
Entertainment Schematic Icons
Entertainment Schematic Icons
Entertainment Schematic Icons
Entertainment Schematic Icons
Entertainment Schematic Icons
Entertainment Schematic Icons
Entertainment Schematic Icons
Entertainment Schematic Icons
Entertainment Schematic Icons
Entertainment Schematic Icons
Entertainment Schematic Icons
Figure 5:

Speakers (U57)


Object Number: 1615900  Size: FS
Master Electrical Component List
Radio/Audio System Description and Operation
Control Module References
Steering Wheel Controls
Speaker (U66)
OnStar Schematics
Navigation Controls (U2V/U2X/U2Y)
Entertainment Schematic Icons
Entertainment Schematic Icons
Entertainment Schematic Icons
Entertainment Schematic Icons
Entertainment Schematic Icons
Entertainment Schematic Icons
Entertainment Schematic Icons
Entertainment Schematic Icons
Entertainment Schematic Icons
Entertainment Schematic Icons
Entertainment Schematic Icons
Entertainment Schematic Icons
Entertainment Schematic Icons
Entertainment Schematic Icons
Entertainment Schematic Icons
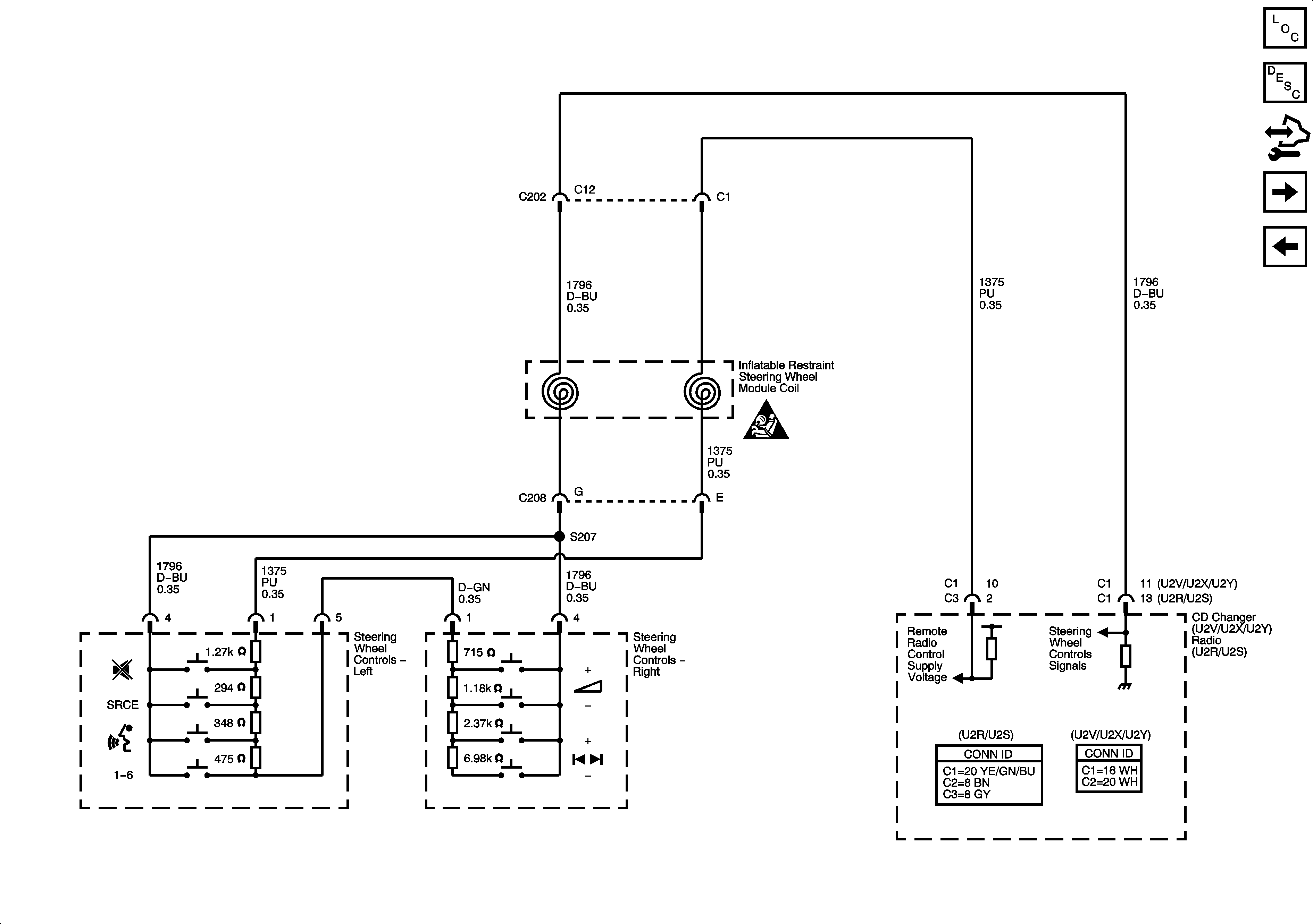
Figure 6:

Steering Wheel Controls


Object Number: 1615907  Size: FS
Master Electrical Component List
Radio/Audio System Description and Operation
Control Module References
Radio Antenna
Speaker (U57)
Entertainment Schematic Icons
Figure 7:

Radio Antenna


Object Number: 1615903  Size: FS
Master Electrical Component List
Radio/Audio System Description and Operation
Control Module References
Digital radio (U2K)
Steering Wheel Controls
06 ESUV-Fuse Block Left Rear B+ Bus
FFSM, FFS SW AND THEFT FUSES AND SEAT CIRCUIT BREAKER
Class 2 Serial Data 2 of 2
Traffic Information Receiver (U2X)
Figure 8:

Digital Radio (U2K)


Object Number: 1615906  Size: FS
Master Electrical Component List
Radio/Audio System Description and Operation
Control Module References
Radio Antenna
Fuse Block Underhood B+ Bus
AMP, AUDIO, DRIVER DR MOD, ELC COMP, L FRT HTD SEAT MOD, MEM/ADAPT SEAT, AND REAR DR MOD FUSES
Class 2 Serial Data 1 of 2
Entertainment Schematic Icons
Entertainment Schematic Icons
Entertainment Schematic Icons