GM Service Manual Online
For 1990-2009 cars only
Makes
🢒
Cadillac
🢒
2007
🢒
SRX
🢒
Diagnostic Navigation
🢒
Vehicle Diagnostic Information
🢒 Video System Schematics
Figure
1:
Rear Video Display (U42)
Master Electrical Component List
Video Entertainment System Description and Operation
Control Module References
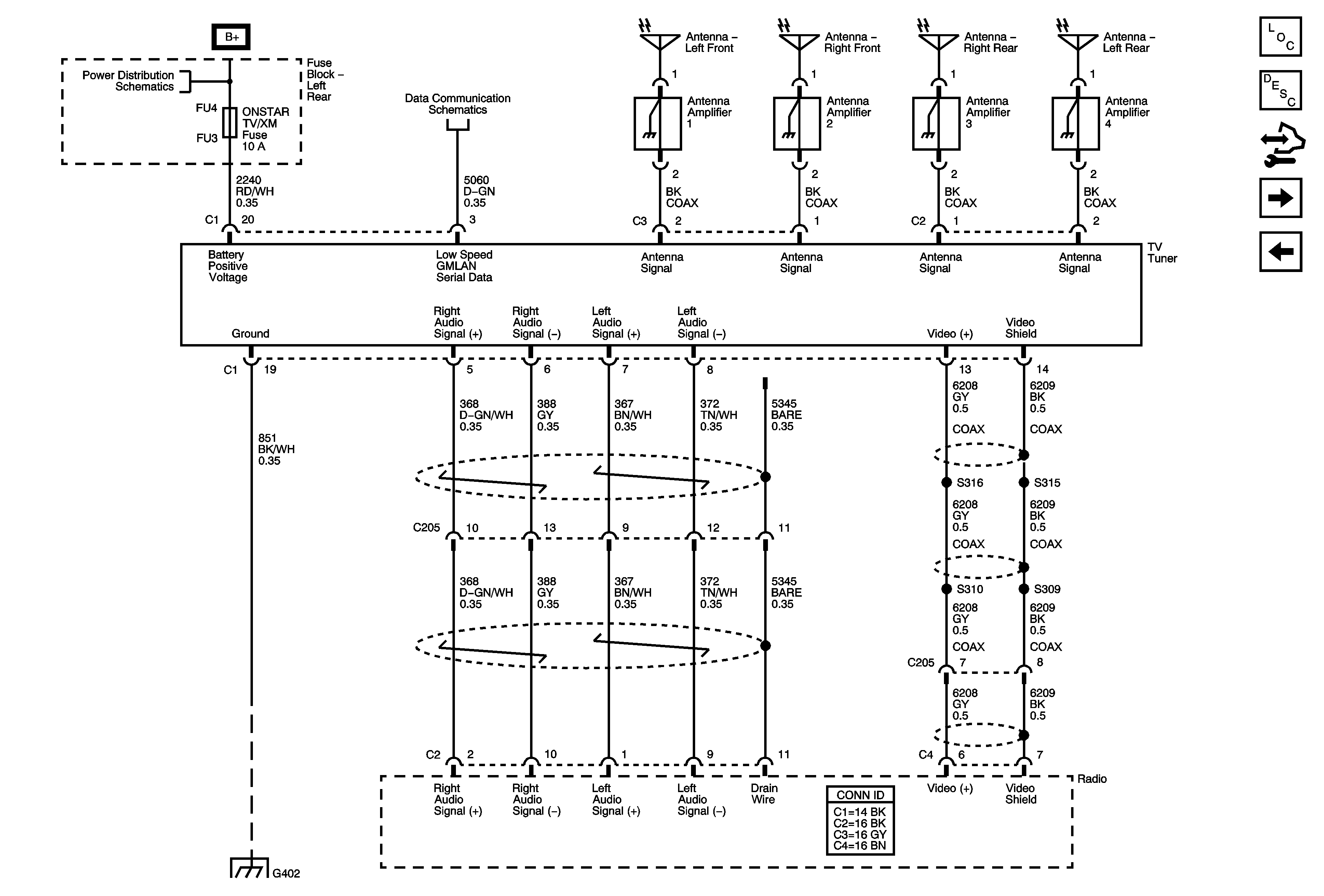
TV Tuner (Export)
Underhood Fuse Block B+ Bus - 1 of 2
Low Speed GMLAN Serial Data 1 of 2
Left Rear Fuse Block B+ Bus
Radio and Amplifier Power, Ground, and Communication (UQA)
Low Speed GMLAN Serial Data 1 of 2
G402 (1 of 2)
Figure
2:
TV Tuner (Export)
Master Electrical Component List
Video Entertainment System Description and Operation
Control Module References
Rear Seat Audio and Audio/Video Jacks
Rear Video Display (U42)
Left Rear Fuse Block B+ Bus
Low Speed GMLAN Serial Data 1 of 2
G402 (1 of 2)
Figure
3:
Rear Seat Audio and Audio/Video Jacks
Master Electrical Component List
Video Entertainment System Description and Operation
Control Module References
TV Tuner (Export)
Underhood Fuse Block B+ Bus - 1 of 2
Low Speed GMLAN Serial Data 1 of 2
Left Rear Fuse Block B+ Bus
Low Speed GMLAN Serial Data 1 of 2
Interior Lamps Dimming Controls
3RD ROW SW/RFA Fuse, AMP Fuse, ONSTAR TV/XM Fuse, RSA/RSE Fuse, and RSM Fuse
G402 (1 of 2)
G402 (1 of 2)