GM Service Manual Online
For 1990-2009 cars only
Makes
🢒
Cadillac
🢒
2007
🢒
SRX
🢒
Body Systems
🢒
Fixed and Moveable Windows
🢒 Moveable Window Schematics
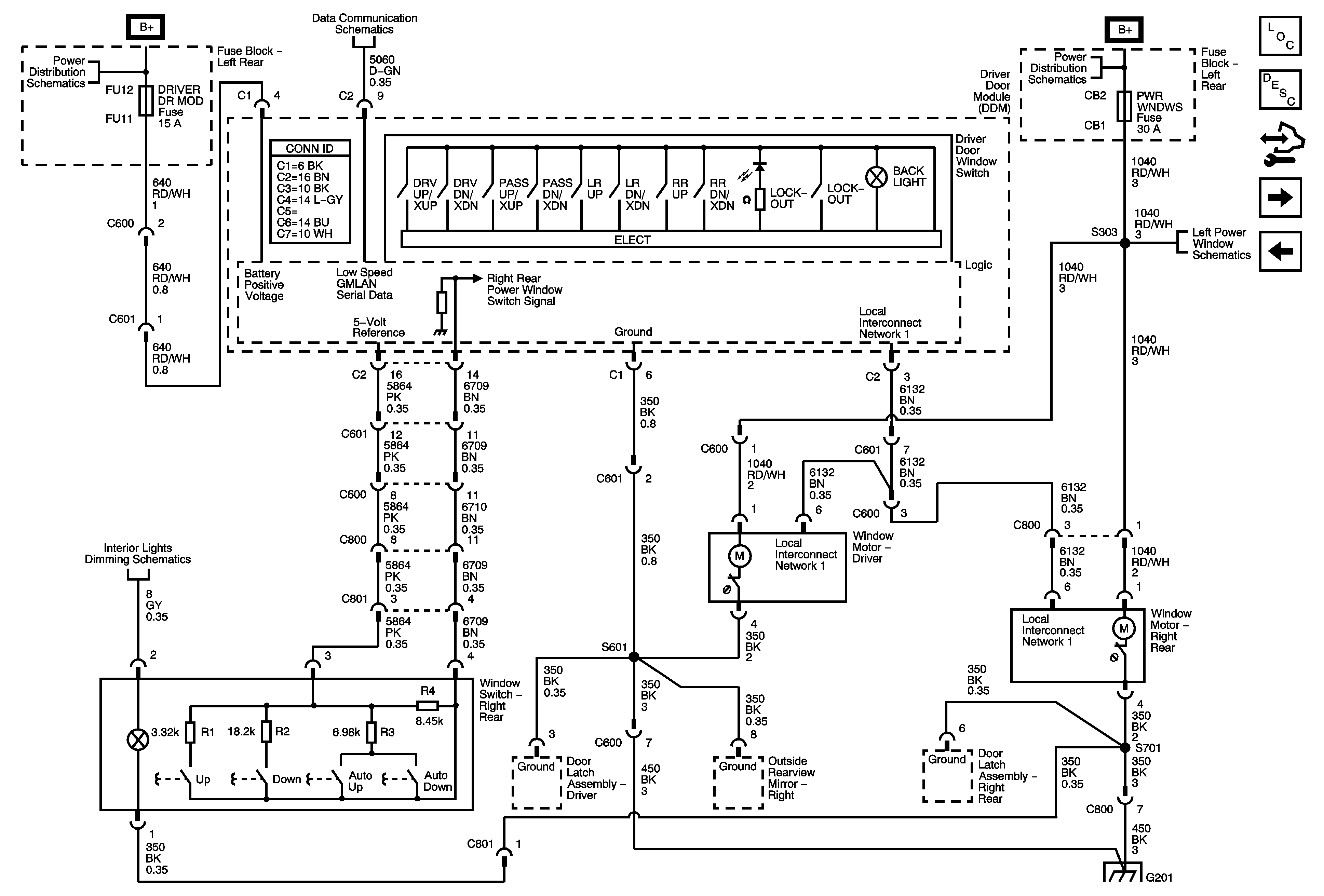
Figure
1:
Right Front and Rear Power Windows (LHD)
Master Electrical Component List
Power Windows Description and Operation
Control Module References
Right Front and Rear Power Windows (RHD)
Right Rear Fuse Block B+ Bus
Low Speed GMLAN Serial Data 2 of 2
Left Rear Fuse Block B+ Bus
Left Front and Rear Power Windows (LHD)
Dimming Lamps (2 of 3)
G201 (LHD)
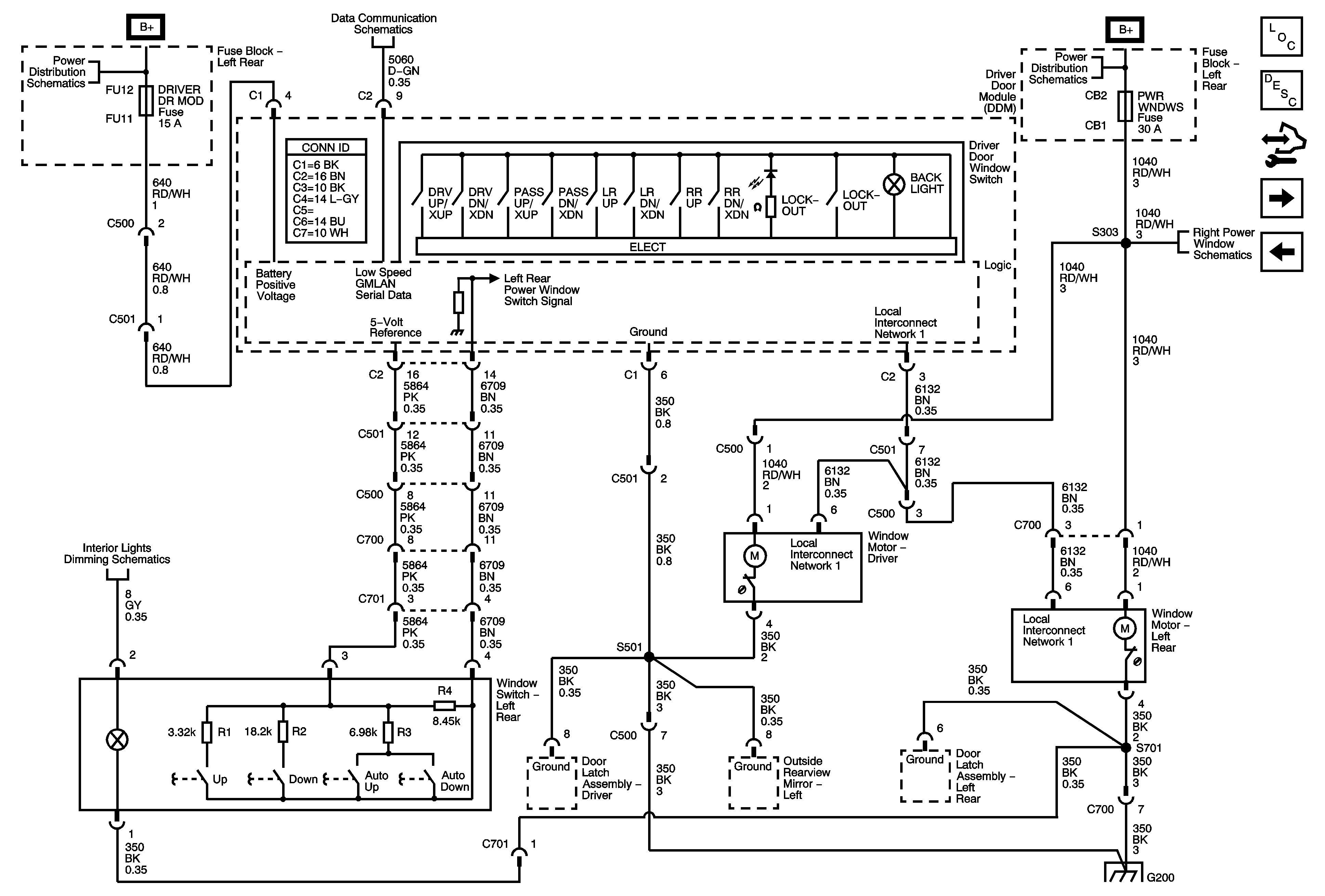
Figure
2:
Right Front and Rear Power Windows (RHD)
Master Electrical Component List
Power Windows Description and Operation
Control Module References
Left Front and Rear Power Windows (LHD)
Right Front and Rear Power Windows (LHD)
Left Rear Fuse Block B+ Bus
Low Speed GMLAN Serial Data 1 of 2
Left Rear Fuse Block B+ Bus
Left Front and Rear Power Windows (RHD)
Dimming Lamps (2 of 3)
G201 (RHD)
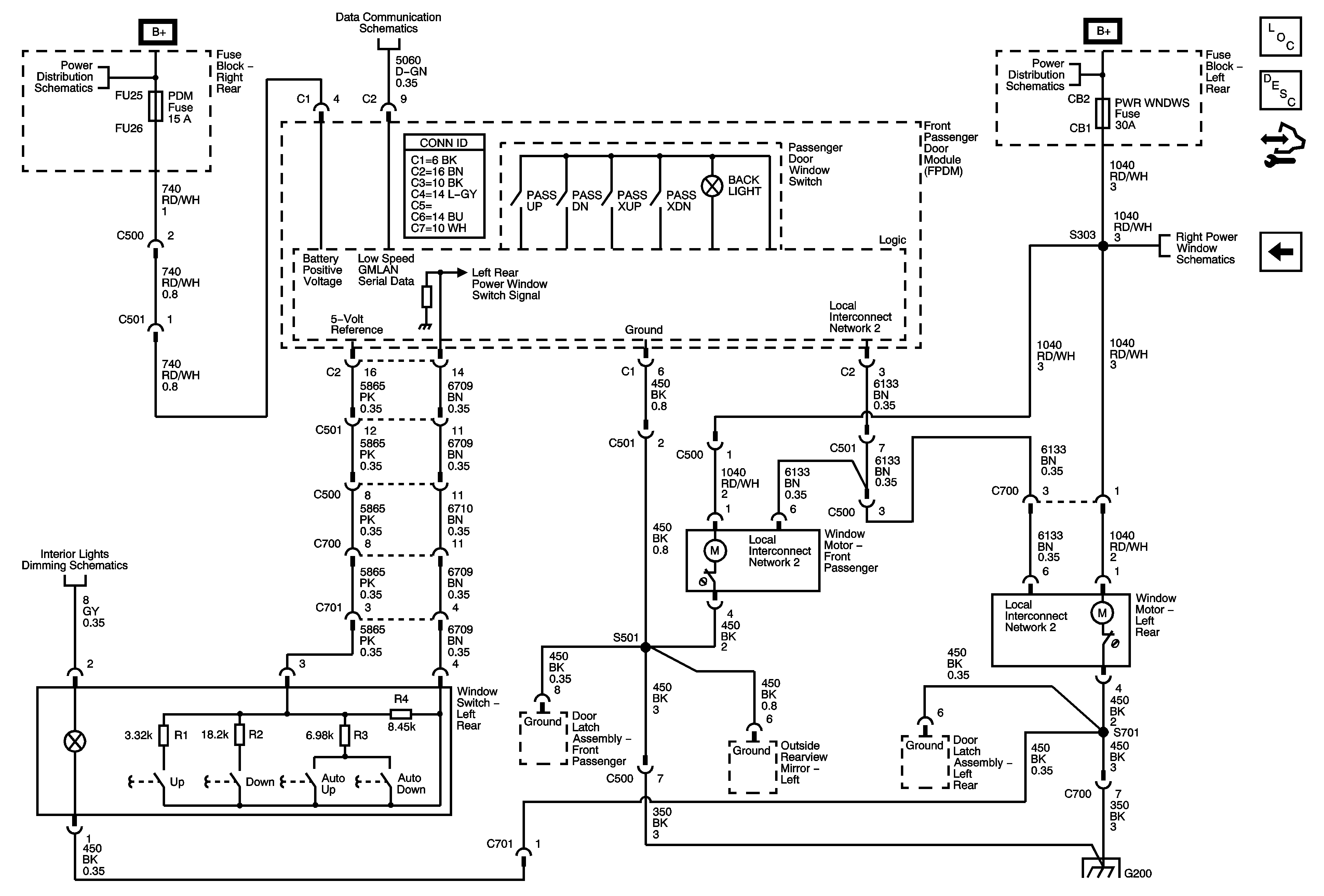
Figure
3:
Left Front and Rear Power Windows (LHD)
Master Electrical Component List
Power Windows Description and Operation
Control Module References
Left Front and Rear Power Windows (RHD)
Right Front and Rear Power Windows (RHD)
Left Rear Fuse Block B+ Bus
Low Speed GMLAN Serial Data 1 of 2
Left Rear Fuse Block B+ Bus
Right Front and Rear Power Windows (LHD)
Dimming Lamps (2 of 3)
G200 (2 of 2) LHD
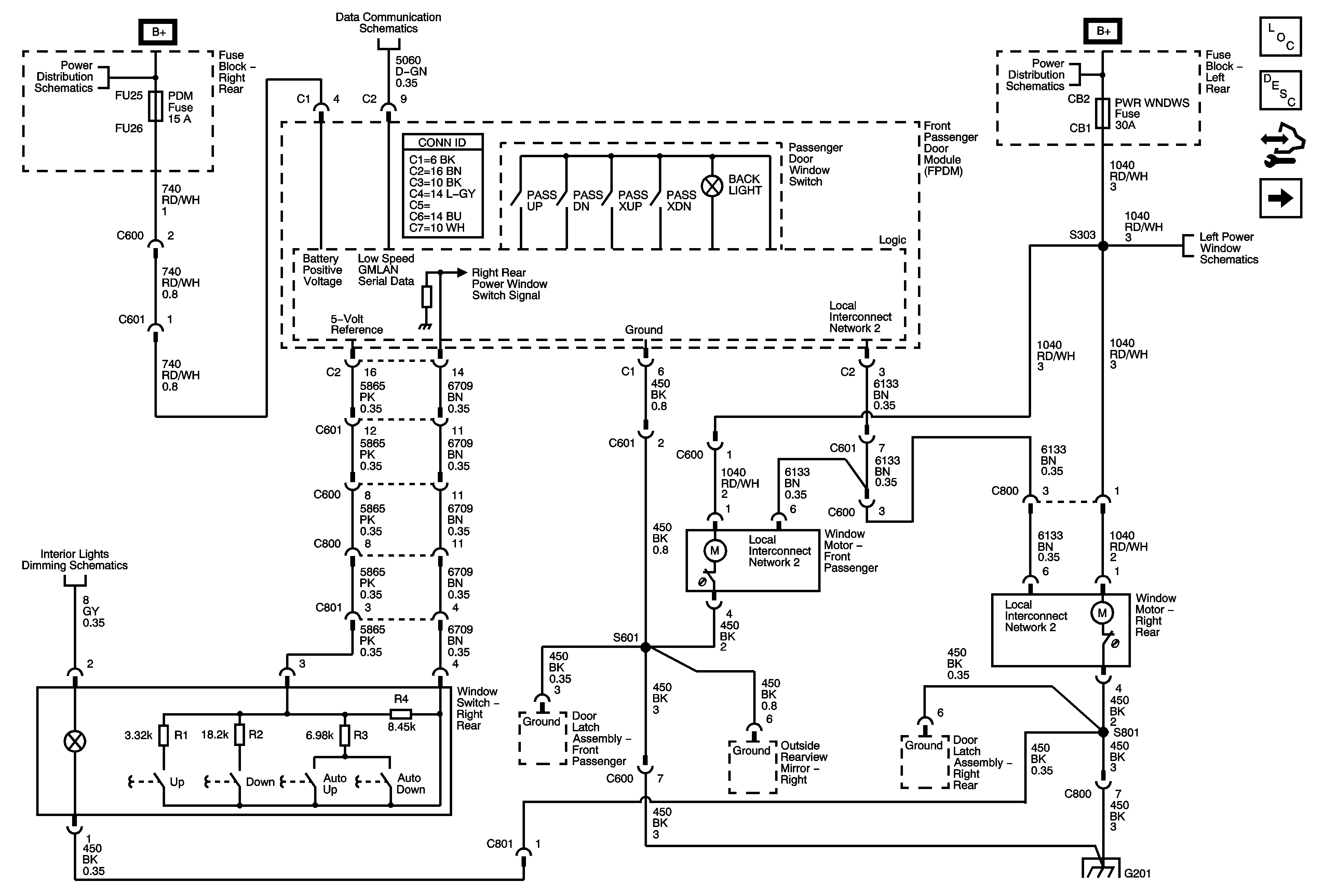
Figure
4:
Left Front and Rear Power Windows (RHD)
Master Electrical Component List
Power Windows Description and Operation
Control Module References
Left Front and Rear Power Windows (LHD)
Right Rear Fuse Block B+ Bus
Low Speed GMLAN Serial Data 2 of 2
Left Rear Fuse Block B+ Bus
Right Front and Rear Power Windows (RHD)
Dimming Lamps (2 of 3)
G200 1 OF 2 (RHD)