GM Service Manual Online
For 1990-2009 cars only
Makes
🢒
Cadillac
🢒
2007
🢒
SRX
🢒 Content Theft Deterrent (CTD) - Domestic
Content Theft Deterrent (CTD) - Domestic
Content Theft Deterrent (CTD) -- Domestic
Master Electrical Component List
Content Theft Deterrent (CTD) Description and Operation
Control Module References
Content Theft Deterrent (CTD) - Export
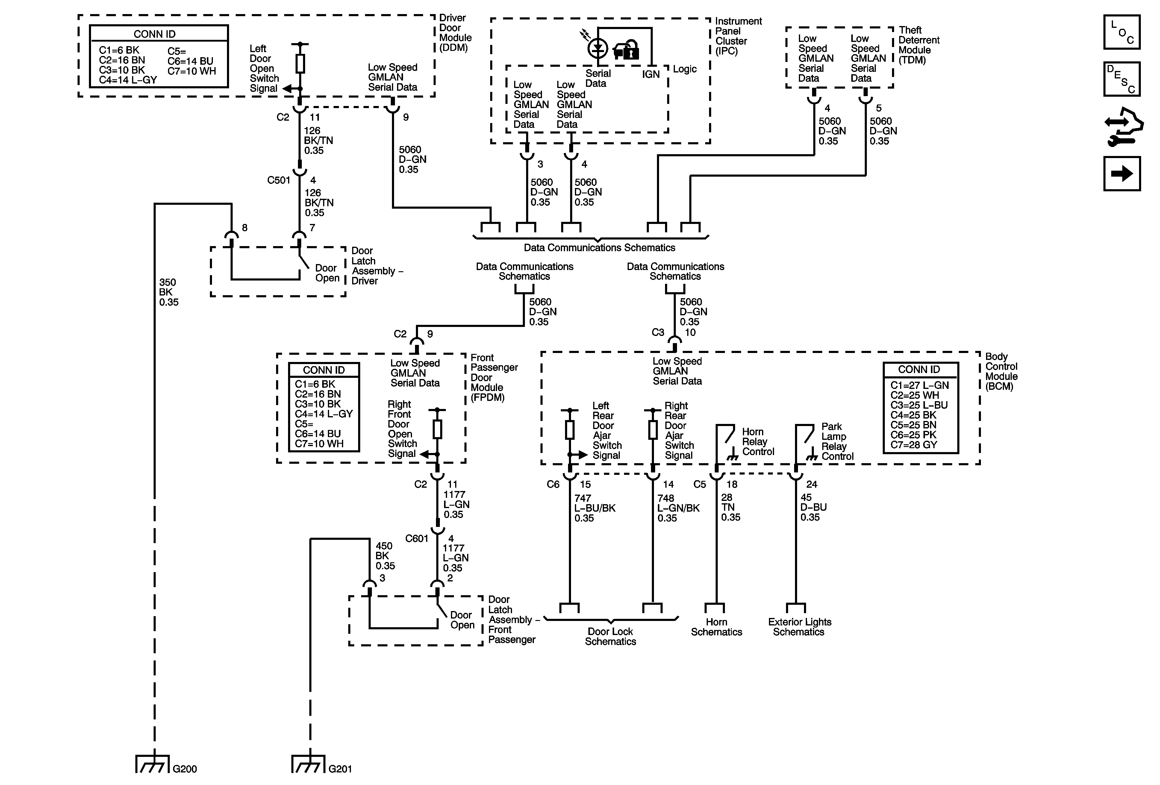
Low Speed GMLAN Serial Data 2 of 2
Low Speed GMLAN Serial Data 1 of 2
Low Speed GMLAN Serial Data 1 of 2
Rear Door Locks (Domestic)
Horns Schematics
Park Lamps Domestic 1 of 2
G200 (2 of 2) LHD
G201 (LHD)