GM Service Manual Online
For 1990-2009 cars only
Figure 1:

Radio Power, Ground, DLC and Audio Communications


Object Number: 1823009  Size: FS
Master Electrical Component List
Radio/Audio System Description and Operation
Control Module References
Speakers - w/ UX8
Fuse Block - Left Rear Bussing
Entertainment/Communication Schematic Icons
Entertainment/Communication Schematic Icons
Fuse Block - Right Rear - Radio/OnStar, Rt Turn Signal, Canister Vent, and RF Heated/Vented Seat Fuses, Window Motors Circuit Breaker
GM LAN - Low Speed 1 of 2
GM LAN - Low Speed 2 of 2
G402 (2 of 2)
Figure 2:

Speakers - w/UX8


Object Number: 1823016  Size: FS
Master Electrical Component List
Radio/Audio System Description and Operation
Control Module References
Speakers w/ UY5 1 of 3
Radio Power, Ground, DLC and Audio Communications
Onstar 1 of 2
Entertainment/Communication Schematic Icons
Entertainment/Communication Schematic Icons
Entertainment/Communication Schematic Icons
Entertainment/Communication Schematic Icons
Entertainment/Communication Schematic Icons
Entertainment/Communication Schematic Icons
Entertainment/Communication Schematic Icons
Entertainment/Communication Schematic Icons
Entertainment/Communication Schematic Icons
Entertainment/Communication Schematic Icons
Entertainment/Communication Schematic Icons
Entertainment/Communication Schematic Icons
Entertainment/Communication Schematic Icons
Entertainment/Communication Schematic Icons
Figure 3:

Speakers (w/UY5) 1 of 3


Object Number: 1823021  Size: FS
Master Electrical Component List
Radio/Audio System Description and Operation
Control Module References
Speakers w/ UY5 2 of 3
Speakers - w/ UX8
Entertainment/Communication Schematic Icons
Entertainment/Communication Schematic Icons
Entertainment/Communication Schematic Icons
Entertainment/Communication Schematic Icons
Entertainment/Communication Schematic Icons
Entertainment/Communication Schematic Icons
Entertainment/Communication Schematic Icons
Entertainment/Communication Schematic Icons
Entertainment/Communication Schematic Icons
Entertainment/Communication Schematic Icons
Entertainment/Communication Schematic Icons
Entertainment/Communication Schematic Icons
Entertainment/Communication Schematic Icons
Entertainment/Communication Schematic Icons
Entertainment/Communication Schematic Icons
Entertainment/Communication Schematic Icons
Entertainment/Communication Schematic Icons
Entertainment/Communication Schematic Icons
Entertainment/Communication Schematic Icons
Entertainment/Communication Schematic Icons
Entertainment/Communication Schematic Icons
Entertainment/Communication Schematic Icons
07 STS Radio/Navigation - TV Tuner Assembly - Export
Figure 4:

Speakers (w/UY5) 2 of 3


Object Number: 1823024  Size: FS
Master Electrical Component List
Radio/Audio System Description and Operation
Control Module References
Speakers w/ UY5 3 of 3
Speakers w/ UY5 1 of 3
Fuse Block - Left Rear - Ign 3 Relay, Ign 3, Rear Heated Seat, Memory, Airbag and Rear Shelf Speaker Fuses
Onstar 1 of 2
Entertainment/Communication Schematic Icons
Entertainment/Communication Schematic Icons
Entertainment/Communication Schematic Icons
Entertainment/Communication Schematic Icons
G401 (1 of 2)
Entertainment/Communication Schematic Icons
Entertainment/Communication Schematic Icons
Fuse Block - Left Rear: TV/VICS, ELC SOL, ESC Module, DVR DR Module, Rear Door Module, Theft Shifter and Amp Fuses
G402 (1 of 2)
G402 (1 of 2)
Fuse Block - Right Rear - Lt Turn Signal, RIM 1, Rear Fog Lamp, Ft Pass Door Module, Htd Stg Clm, IGN 1, RIM 2 and Airbag Fuses, Rear Fog Lamp and Ign 1 Relays
Figure 5:

Speakers (w/UY5) 3 of 3


Object Number: 1823028  Size: FS
Master Electrical Component List
Radio/Audio System Description and Operation
Control Module References
Radio Antennas, Audio/Video Adapter
Speakers w/ UY5 2 of 3
Entertainment/Communication Schematic Icons
Entertainment/Communication Schematic Icons
Entertainment/Communication Schematic Icons
Entertainment/Communication Schematic Icons
Entertainment/Communication Schematic Icons
Entertainment/Communication Schematic Icons
Entertainment/Communication Schematic Icons
Entertainment/Communication Schematic Icons
Figure 6:

Radio Antennas, Audio/Video Adapter


Object Number: 1823038  Size: FS
Master Electrical Component List
Radio/Audio System Description and Operation
Control Module References
Digital Radio Receiver w/ U2K
Speakers w/ UY5 3 of 3
IPM Input and Outputs 2 of 3
Figure 7:

Digital Radio Receiver - w/U2K


Object Number: 1823042  Size: FS
Master Electrical Component List
Radio/Audio System Description and Operation
Control Module References
Microphone, VSS and GPS Antenna
Radio Antennas, Audio/Video Adapter
Fuse Block - Right Rear - Radio/OnStar, Rt Turn Signal, Canister Vent, and RF Heated/Vented Seat Fuses, Window Motors Circuit Breaker
Entertainment/Communication Schematic Icons
Entertainment/Communication Schematic Icons
GM LAN - Low Speed 1 of 2
G401 (1 of 2)
Figure 8:

Traffic Information Receiver Module (VICS) - Japan Only


Object Number: 1823092  Size: FS
Master Electrical Component List
Navigation System Description and Operation
Control Module References
Radio and VICS Antennas, Audio/Video Adapter
Microphone, VSS and GPS Antenna
Fuse Block Underhood Wiring Bussing
G104 (1 of 2)
Fuse Block - Left Rear Bussing
Fuse Block - Underhood Fuses/Relays: IPM/ALDL, Auto Headlamp Dimming, CCP, ECM/TCM, WPR MOD, WPR SW/VICS and Rain Sensor/HDLP Wash Fuses; ACC Relay
Fuse Block - Left Rear: TV/VICS, ELC SOL, ESC Module, DVR DR Module, Rear Door Module, Theft Shifter and Amp Fuses
Power, Grounds and Wiper Switch
G104 (1 of 2)
Entertainment/Communication Schematic Icons
Entertainment/Communication Schematic Icons
G401 (2 of 2)
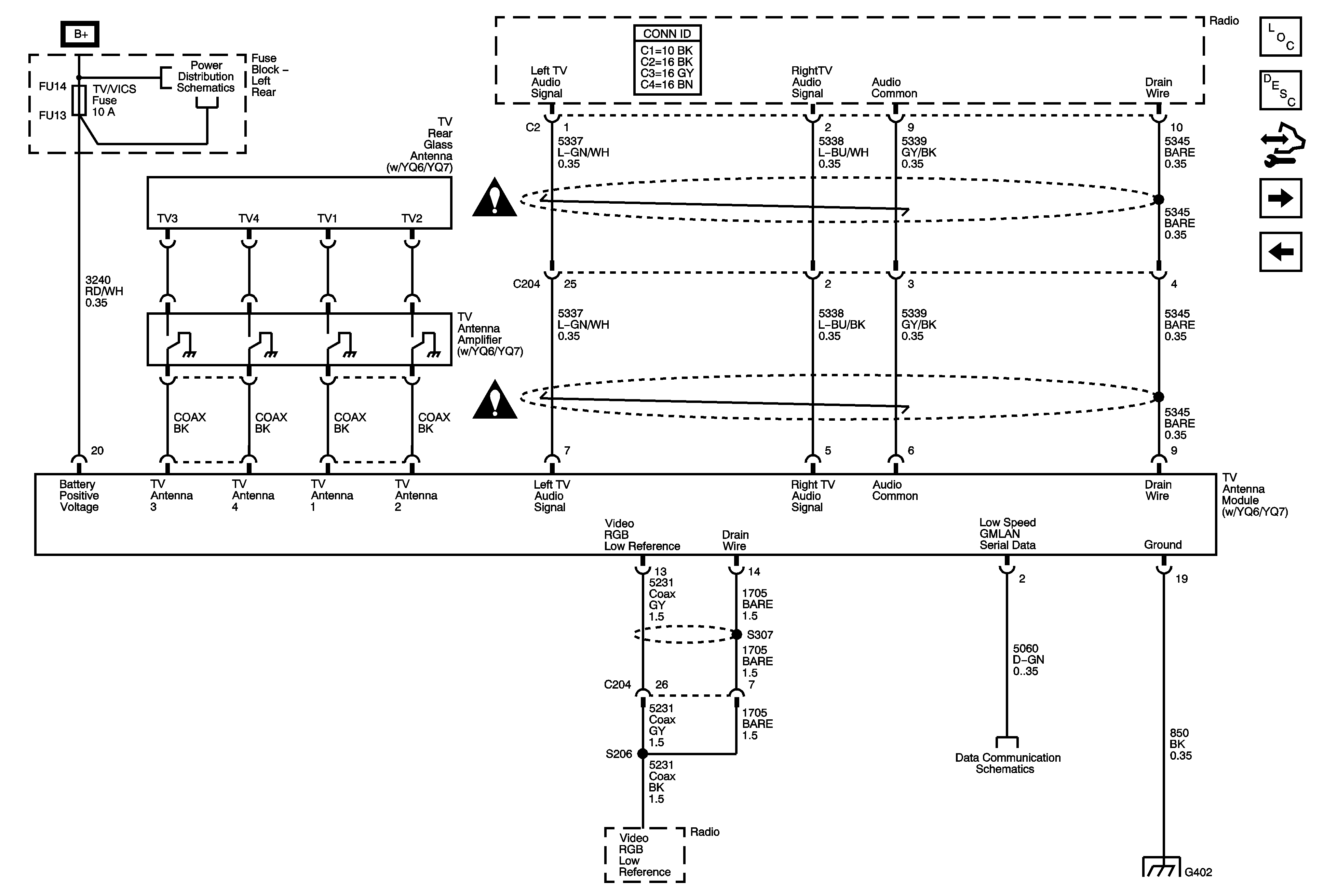
Figure 9:

TV Tuner Assembly - Export


Object Number: 1823102  Size: FS
Master Electrical Component List
Navigation System Description and Operation
Control Module References
Microphone, VSS and GPS Antenna
Traffic Information Receiver Module (VICS) - Japan Only
Fuse Block - Left Rear: Seats Circuit Breaker
Entertainment/Communication Schematic Icons
Entertainment/Communication Schematic Icons
GM LAN - Low Speed 1 of 2
G402 (2 of 2)
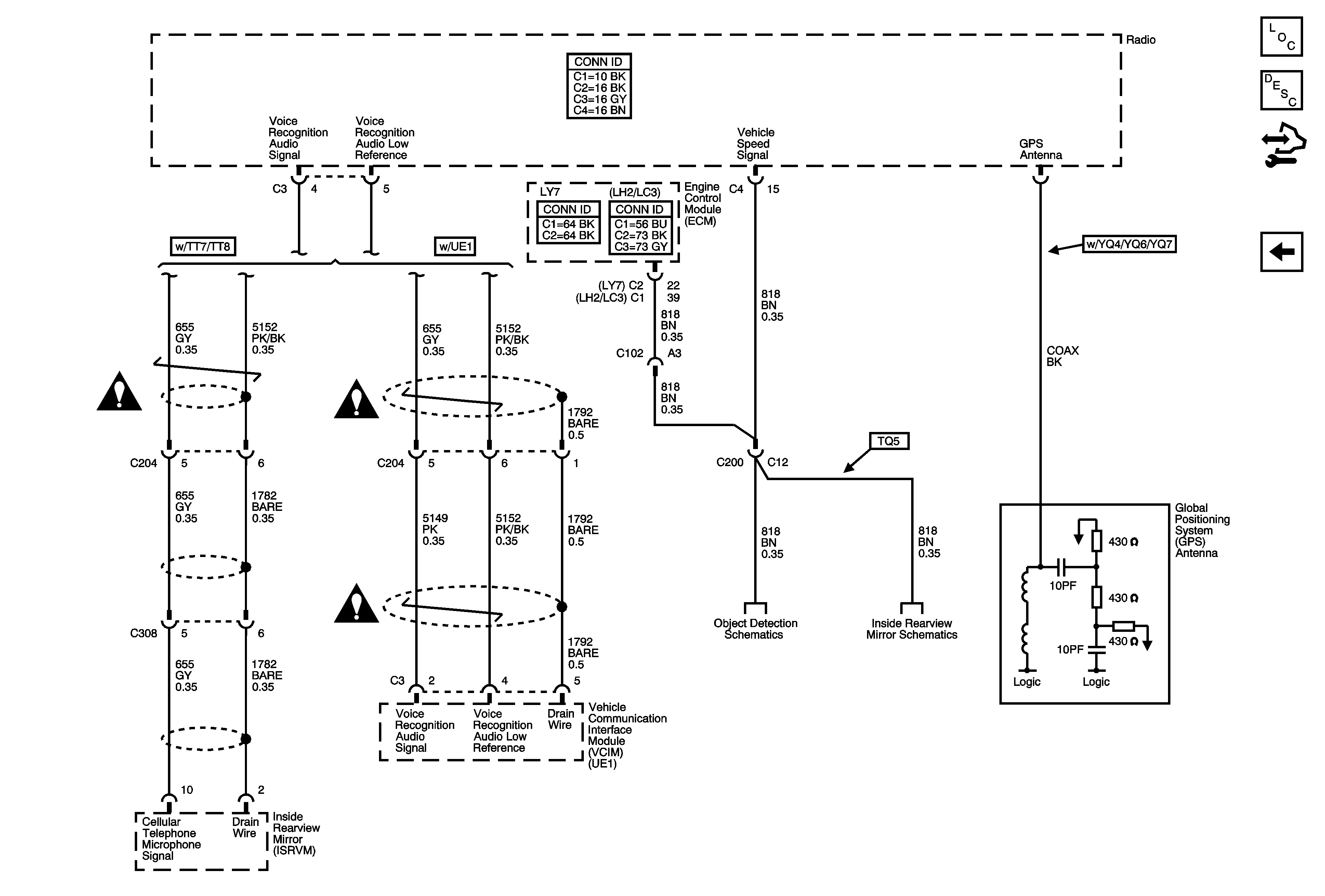
Figure 10:

Microphone, VSS and GPS Antenna


Object Number: 1823104  Size: FS
Master Electrical Component List
Navigation System Description and Operation
Control Module References
TV Tuner Assembly - Export
Entertainment/Communication Schematic Icons
Entertainment/Communication Schematic Icons
Entertainment/Communication Schematic Icons
Object Detection Schematics
Automatic Headlamp Dimming Signals