GM Service Manual Online
For 1990-2009 cars only
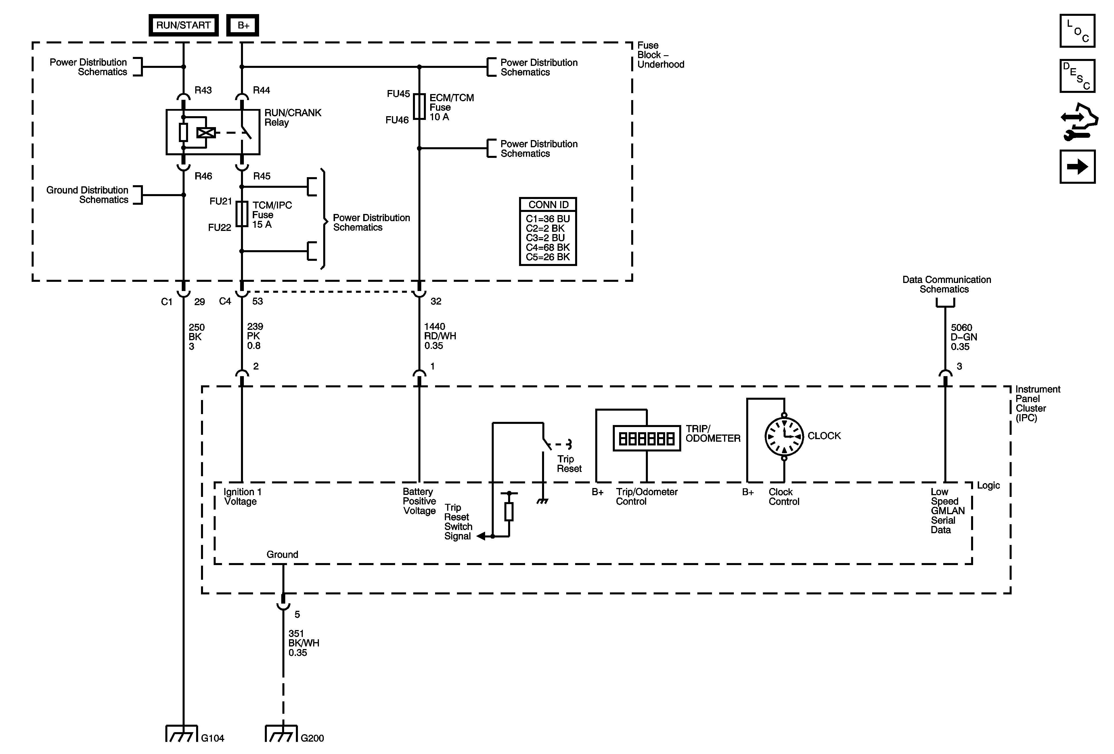
Figure 1:

Power, Ground, DLC, Odometer and Clock


Object Number: 1823155  Size: FS
Master Electrical Component List
Instrument Cluster Description and Operation
Control Module References
Indicators
Fuse Block - Right Rear - Lt Turn Signal, RIM 1, Rear Fog Lamp, Ft Pass Door Module, Htd Stg Clm, IGN 1, RIM 2 and Airbag Fuses, Rear Fog Lamp and Ign 1 Relays
G104 (1 of 2)
Fuse Block - Underhood: Starter, RUN/CRANK Relays; Starter, Starter Relay, CCP, TCM/IPM/ECM, MAF, ABS and Washer Nozzle/ACC Fuses
G104 (1 of 2)
G200 (2 of 2)
Fuse Block Underhood Wiring Bussing
Fuse Block - Underhood Fuses/Relays: IPM/ALDL, Auto Headlamp Dimming, CCP, ECM/TCM, WPR MOD, WPR SW/VICS and Rain Sensor/HDLP Wash Fuses; ACC Relay
GM LAN - Low Speed 2 of 2
Figure 2:

Indicators


Object Number: 1823161  Size: FS
Master Electrical Component List
Indicator/Warning Message Description and Operation
Control Module References
DIC/Dimmer Switch
Power, Ground, DLC, Odometer and Clock
Engine Data Sensors - 5-Volt Reference Bus
GM LAN - Low Speed 2 of 2
GM LAN - High Speed, Domestic w/ UE1
Engine Data Sensors - Low Reference Bus
ECM Power, Ground, DLC, and MIL
ECM Power, Ground, Serial Data, and MIL
ECM. Power, Ground, Serial Data, and MIL
Brake Warning System Schematics
Figure 3:

DIC/Dimmer Switch


Object Number: 1823164  Size: FS
Master Electrical Component List
Instrument Cluster Description and Operation
Control Module References
Engine Oil and Fuel Tank Level
Indicators
Dimming 1 of 3
G200 (2 of 2)
Figure 4:

Engine Oil and Fuel Tank Level


Object Number: 1823172  Size: FS
Master Electrical Component List
Instrument Cluster Description and Operation
Control Module References
DIC/Dimmer Switch
GM LAN - High Speed, Domestic w/ UE1
GM LAN - High Speed, Domestic w/ UE1
G100 (LH2/LC3)
Controlled/Monitored Subsystem References
Fuel Controls - EVAP Controls
07 STS Engine Controls 4.4L - Fuel Controls - EVAP, Fuel Tank Pressure (FTP) Sensor, and Vacuum Bypass Valve
Fuel Controls - EVAP and Fuel Tank Pressure (FTP) Sensor
Fuel Controls - EVAP Controls