GM Service Manual Online
For 1990-2009 cars only
Figure 1:

ECM Power, Ground, Serial Data, and MIL


Object Number: 1820495  Size: FS
Master Electrical Component List
Engine Control Module Description
Control Module References
Engine Data Sensors - 5-Volt Reference Bus
Fuse Block Underhood Wiring Bussing
Fuse Block - Underhood Fuses/Relays: IPM/ALDL, Auto Headlamp Dimming, CCP, ECM/TCM, WPR MOD, WPR SW/VICS and Rain Sensor/HDLP Wash Fuses; ACC Relay
Fuse Block - Underhood: Starter, RUN/CRANK Relays; Starter, Starter Relay, CCP, TCM/IPM/ECM, MAF, ABS and Washer Nozzle/ACC Fuses
Fuse Block - Right Rear - Lt Turn Signal, RIM 1, Rear Fog Lamp, Ft Pass Door Module, Htd Stg Clm, IGN 1, RIM 2 and Airbag Fuses, Rear Fog Lamp and Ign 1 Relays
G104 (1 of 2)
Fuse Block - Underhood Fuses/Relays: IPM/ALDL, Auto Headlamp Dimming, CCP, ECM/TCM, WPR MOD, WPR SW/VICS and Rain Sensor/HDLP Wash Fuses; ACC Relay
G103 (LY7), G109 (LY7), G112 (LY7)
GM LAN - High Speed, Domestic w/ UE1, w/ F55 , w/o F55
G104 (1 of 2)
Figure 2:

Engine Data Sensors - 5-Volt Reference Bus


Object Number: 1820601  Size: FS
Master Electrical Component List
Engine Control Module Description
Control Module References
Engine Data Sensors - Low Reference Bus
ECM Power, Ground, DLC, and MIL
Figure 3:

Engine Data Sensors - Low Reference Bus


Object Number: 1820605  Size: FS
Master Electrical Component List
Engine Control Module Description
Control Module References
Engine Data Sensors - Pressure, Temperature, MAF, VSS
Engine Data Sensors - 5-Volt Reference Bus
Ignition Controls - CKP, Knock Sensors, and IMRC Solenoid
Figure 4:

Engine Data Sensors - Pressure, Temperature, MAF, VSS


Object Number: 1820612  Size: FS
Master Electrical Component List
Engine Control Module Description
Control Module References
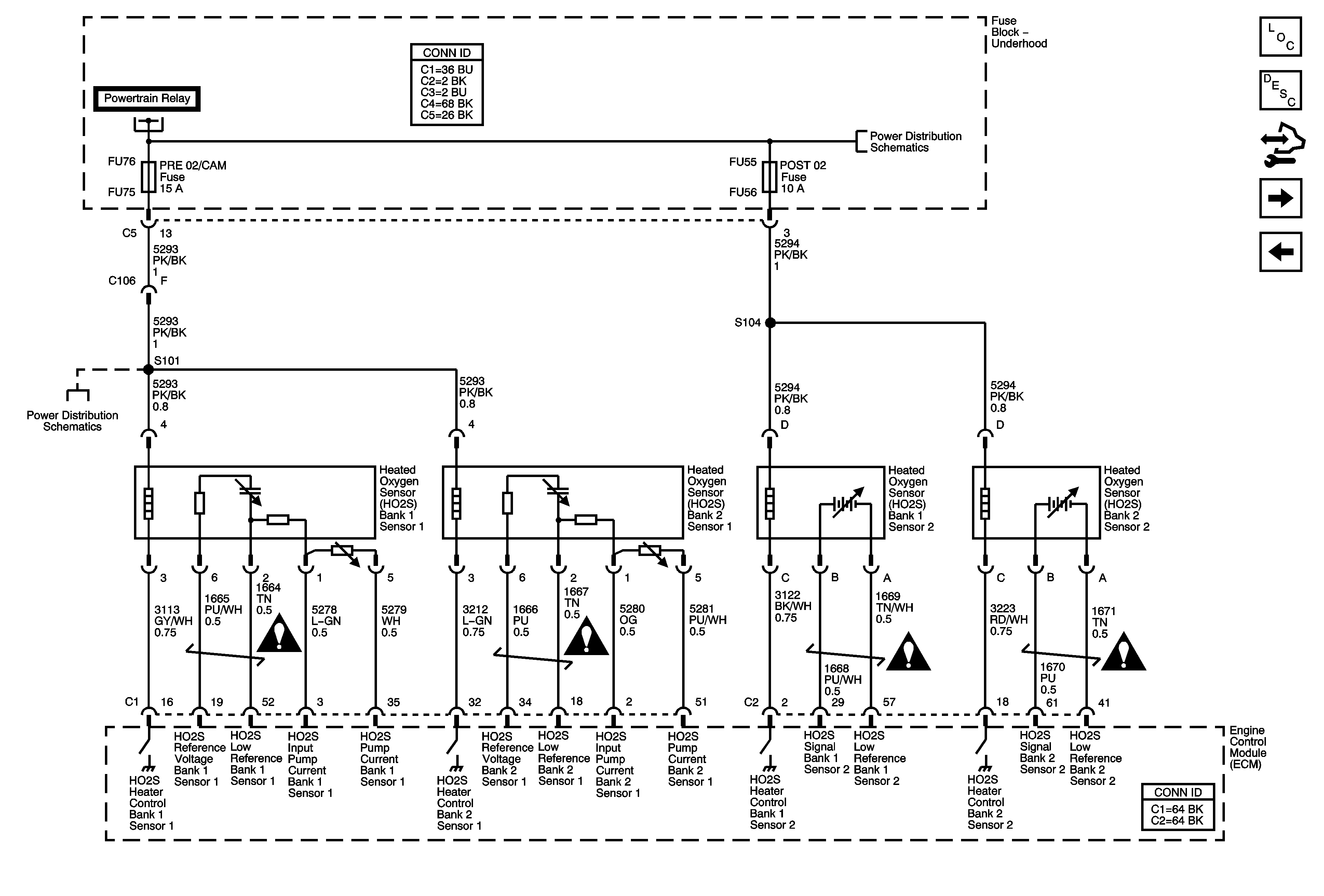
Engine Data Sensors - Oxygen Sensors
Engine Data Sensors - Low Reference Bus
Fuse Block - Right Rear - Lt Turn Signal, RIM 1, Rear Fog Lamp, Ft Pass Door Module, Htd Stg Clm, IGN 1, RIM 2 and Airbag Fuses, Rear Fog Lamp and Ign 1 Relays
G104 (1 of 2)
Fuse Block Underhood Wiring Bussing
Fuse Block - Underhood: Starter, RUN/CRANK Relays; Starter, Starter Relay, CCP, TCM/IPM/ECM, MAF, ABS and Washer Nozzle/ACC Fuses
Engine Data Sensors - 5-Volt Reference Bus
Engine Data Sensors - 5-Volt Reference Bus
Automatic Headlamp Dimming Signals
Engine Data Sensors - Low Reference Bus
G104 (1 of 2)
Figure 5:

Engine Data Sensors - Oxygen Sensors


Object Number: 1820616  Size: FS
Master Electrical Component List
Engine Control Module Description
Control Module References
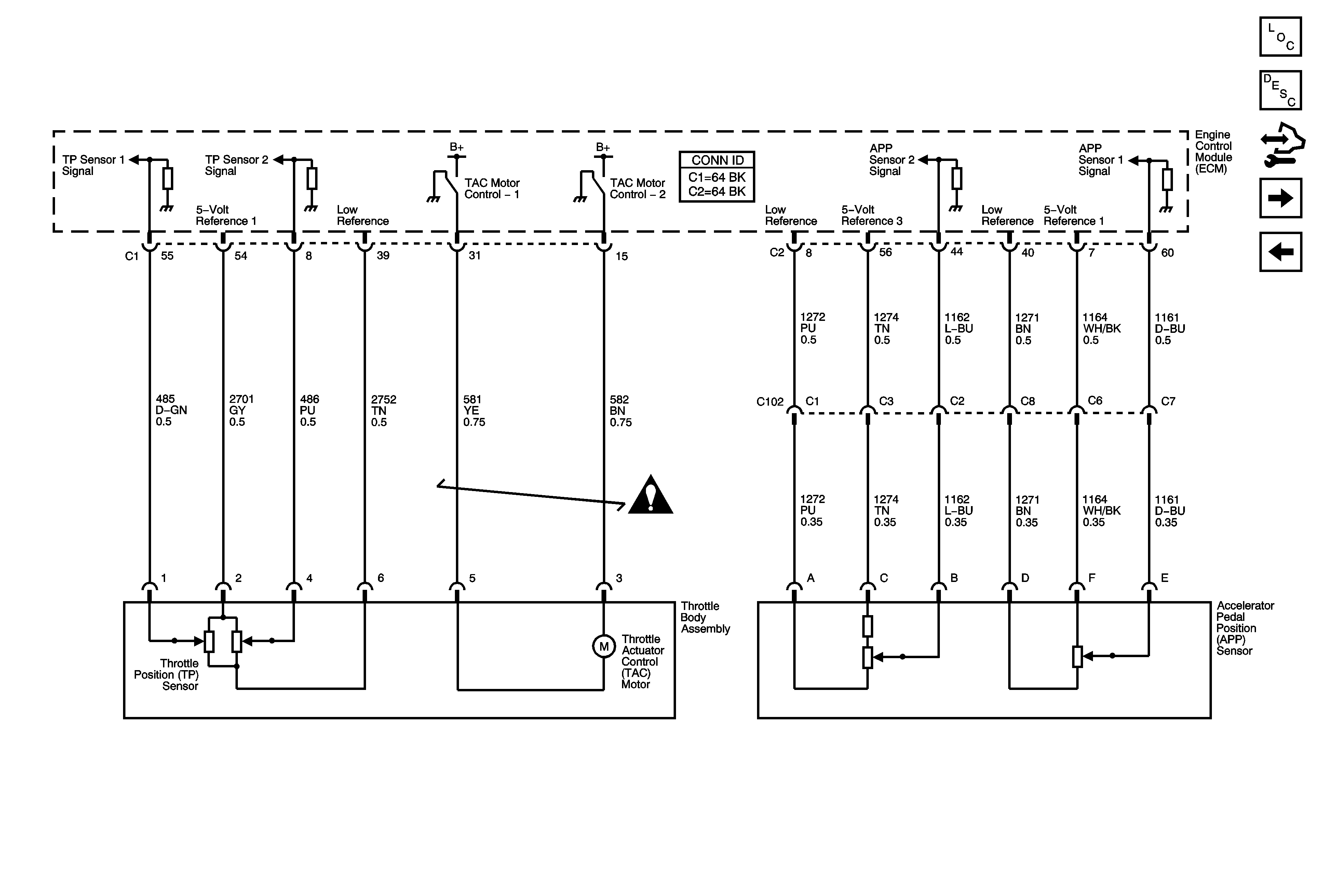
Engine Data Sensors - Electronic Throttle Controls
Engine Data Sensors - Pressure, Temperature, MAF, VSS
Fuse Block - Underhood: Main, Low Speed, Hi Speed, and S/P Fan Relays, V8 ECM, PRE O2/CAM, HFV6 ECM, Low Speed Fan, Hi Speed Fan Fuses
Fuse Block - Underhood: Main, Low Speed, Hi Speed, and S/P Fan Relays, V8 ECM, PRE O2/CAM, HFV6 ECM, Low Speed Fan, Hi Speed Fan Fuses
Engine Controls Schematic Icons
Engine Controls Schematic Icons
Engine Controls Schematic Icons
Engine Controls Schematic Icons
Figure 6:

Engine Data Sensors - Electronic Throttle Controls


Object Number: 1820619  Size: FS
Master Electrical Component List
Engine Control Module Description
Control Module References
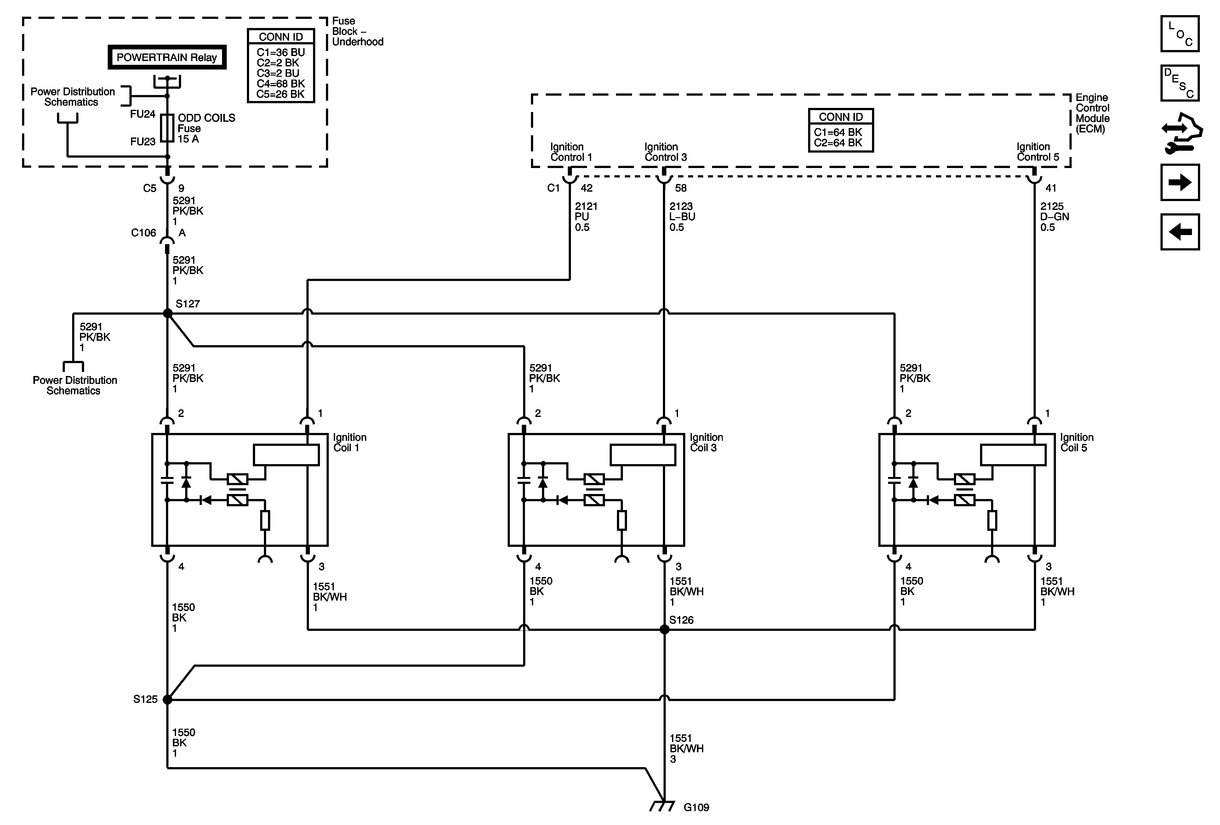
Ignition Controls - Bank 1 Ignition Coils
Engine Data Sensors - Oxygen Sensors
Engine Controls Schematic Icons
Figure 7:

Ignition Controls - Bank 1 Ignition Coils


Object Number: 1820623  Size: FS
Master Electrical Component List
Engine Control Module Description
Control Module References
Ignition Controls - Bank 2 Ignition Coils
Engine Data Sensors - Electronic Throttle Controls
Fuse Block - Underhood: Odd Inj/Coils, Even Inj/Coils and Post O2 Fuses
Fuse Block - Underhood: Odd Inj/Coils, Even Inj/Coils and Post O2 Fuses
G103 (LY7), G109 (LY7), G112 (LY7)
Figure 8:

Ignition Controls - Bank 2 Ignition Coils


Object Number: 1820664  Size: FS
Master Electrical Component List
Engine Control Module Description
Control Module References
Ignition Controls - CMP Sensors and Solenoids
Ignition Controls - Bank 1 Ignition Coils
Fuse Block - Underhood: Odd Inj/Coils, Even Inj/Coils and Post O2 Fuses
Fuse Block - Underhood: Odd Inj/Coils, Even Inj/Coils and Post O2 Fuses
G103 (LY7), G109 (LY7), G112 (LY7)
Figure 9:

Ignition Controls - CMP Sensors and Solenoids


Object Number: 1820718  Size: FS
Master Electrical Component List
Engine Control Module Description
Control Module References
Ignition Controls - CKP, Knock Sensors, and IMRC Solenoid
Ignition Controls - Bank 2 Ignition Coils
Fuse Block Underhood Wiring Bussing
Ignition Controls - CKP, Knock Sensors, and IMRC Solenoid
Fuse Block - Underhood: Main, Low Speed, Hi Speed, and S/P Fan Relays, V8 ECM, PRE O2/CAM, HFV6 ECM, Low Speed Fan, Hi Speed Fan Fuses
Engine Data Sensors - Low Reference Bus
Figure 10:

Ignition Controls - CKP, Knock Sensors and IMRC Solenoid


Object Number: 1820721  Size: FS
Master Electrical Component List
Engine Control Module Description
Control Module References
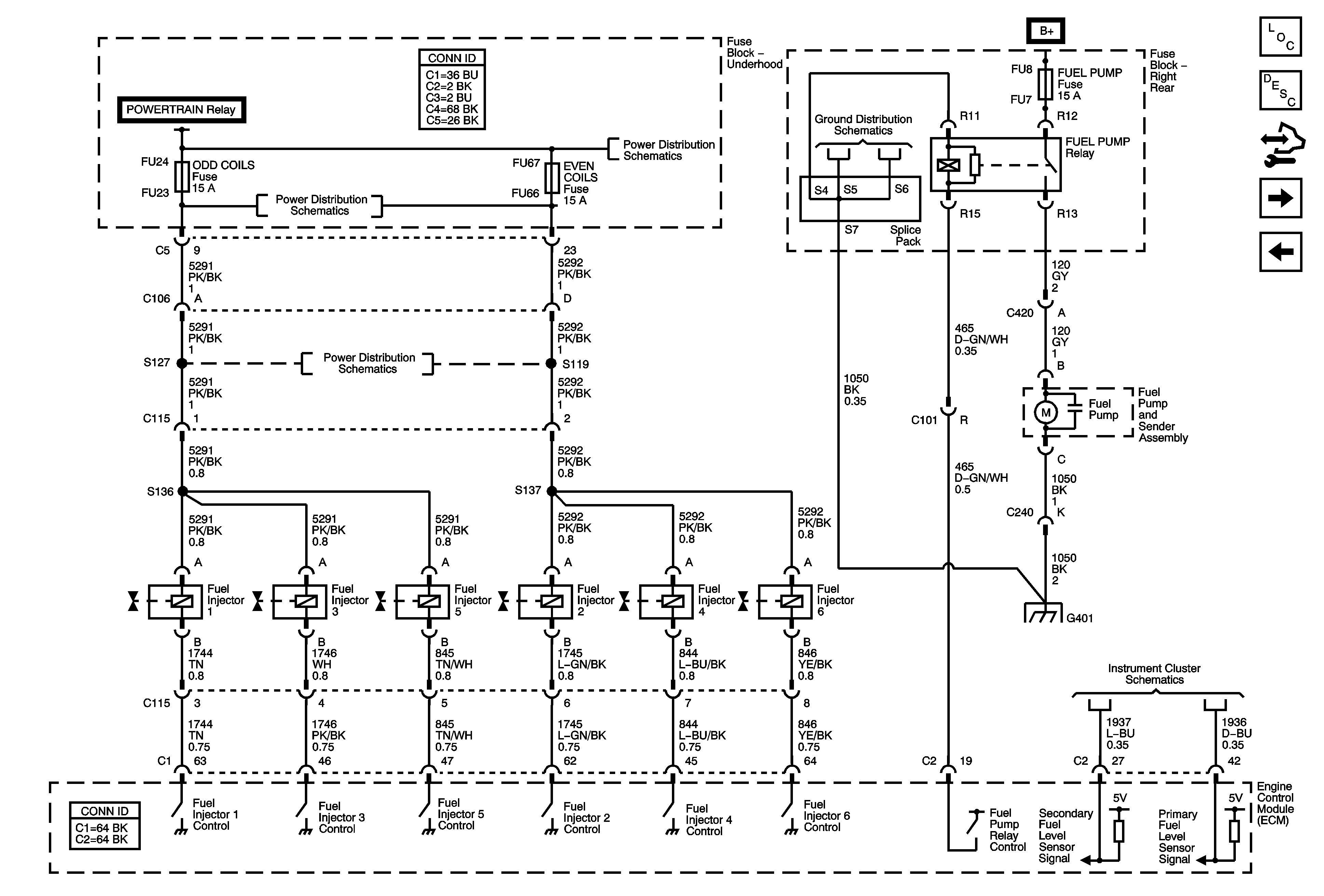
Fuel Controls - Fuel Pump and Injectors
Ignition Controls - CMP Sensors and Solenoids
Engine Data Sensors - Low Reference Bus
G107 (LH2/LC3), G113 (LY7)
Ignition Controls - CMP Sensors and Solenoids
Cruise Control Schematic Icons
Cruise Control Schematic Icons
Figure 11:

Fuel Controls - Fuel Pump and Injectors


Object Number: 1820723  Size: FS
Master Electrical Component List
Engine Control Module Description
Control Module References
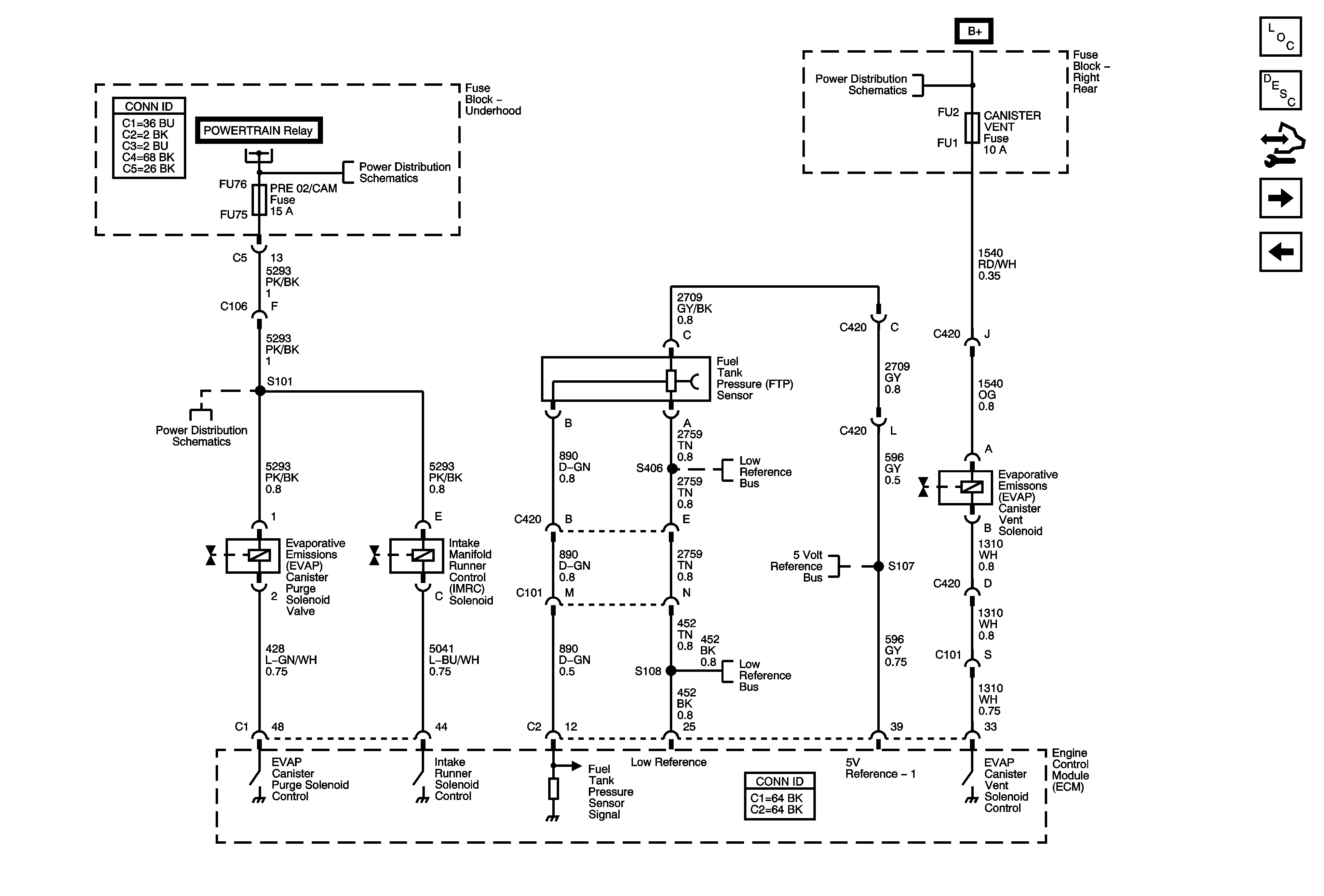
Fuel Controls - EVAP Controls
Ignition Controls - CKP, Knock Sensors, and IMRC Solenoid
Fuse Block - Underhood: Odd Inj/Coils, Even Inj/Coils and Post O2 Fuses
Fuse Block Underhood Wiring Bussing
G401 (1 of 2)
Fuse Block - Underhood: Odd Inj/Coils, Even Inj/Coils and Post O2 Fuses
G401 (1 of 2)
Engine Oil and Fuel Tank Level
Figure 12:

Fuel Controls - EVAP Controls


Object Number: 1820725  Size: FS
Master Electrical Component List
Engine Control Module Description
Control Module References
Controlled/Monitored Subsystem References
Fuel Controls - Fuel Pump and Injectors
Fuse Block - Underhood: Main, Low Speed, Hi Speed, and S/P Fan Relays, V8 ECM, PRE O2/CAM, HFV6 ECM, Low Speed Fan, Hi Speed Fan Fuses
Fuse Block - Right Rear Bussing
Fuse Block - Underhood: Main, Low Speed, Hi Speed, and S/P Fan Relays, V8 ECM, PRE O2/CAM, HFV6 ECM, Low Speed Fan, Hi Speed Fan Fuses
Engine Data Sensors - Low Reference Bus
Engine Data Sensors - 5-Volt Reference Bus
Engine Data Sensors - Low Reference Bus
Figure 13:

Controlled/Monitored Subsystem References


Object Number: 1820727  Size: FS
Master Electrical Component List
Engine Control Module Description
Control Module References
Fuel Controls - EVAP Controls
Starting System - LH2
Starting System - LH2
Cooling Fans
Automatic Transmission Shift Lock Control Schematics
Indicators
A/C Refrigerant Pressure Sensor and Compressor Clutch
Backup Lamps, CHMSL - Domestic and Export
TCM Power, Grounds, and DLC (LY7/LH2)