GM Service Manual Online
For 1990-2009 cars only
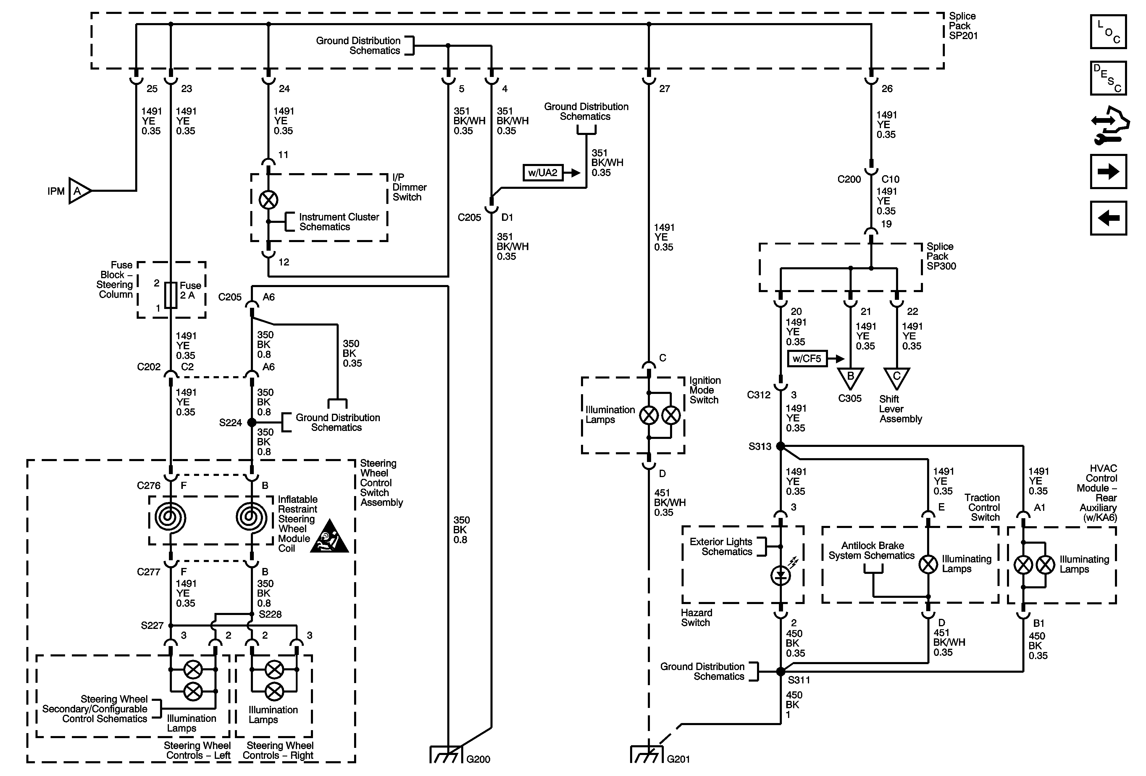
Figure 1:

Power, DLC and DIC/Dimmer Switch


Object Number: 1822626  Size: FS
Master Electrical Component List
Exterior Lighting Systems Description and Operation
Control Module References
Dimming 1 of 3
Fuse Block Underhood Wiring Bussing
Fuse Block - Underhood Fuses/Relays: IPM/ALDL, Auto Headlamp Dimming, CCP, ECM/TCM, WPR MOD, WPR SW/VICS and Rain Sensor/HDLP Wash Fuses; ACC Relay
Fuse Block - Underhood Relay/Fuses: Park Lamp Relay, Rt Park Fuses, Tilt/Lk/LMP/CLM Relay Coils Fuse
Fuse Block - Underhood Fuses: LT PARK Fuse, License/Dimming Fuse
Fuse Block - Underhood Relay/Fuses: Park Lamp Relay, Rt Park Fuses, Tilt/Lk/LMP/CLM Relay Coils Fuse
GM LAN - Low Speed 2 of 2
Dimming 1 of 3
G201 (2 of 2)
G101
Figure 2:

Dimming Lamps 1 of 3


Object Number: 1822629  Size: FS
Master Electrical Component List
Exterior Lighting Systems Description and Operation
Control Module References
Dimming 2 of 3
Power, DLC, and DIC/Dimmer Switch
Power, DLC, and DIC/Dimmer Switch
G200 (2 of 2)
DIC/Dimmer Switch
G200 (2 of 2)
G200 (2 of 2)
Dimming 2 of 3
Dimming 2 of 3
Indicator and Traction Control
Front Turn Signal and Repeater Lamps, Hazard Switch - Domestic and Export
G201 (1 of 2)
G201 (1 of 2)
G200 (2 of 2)
Figure 3:

Dimming Lamps 2 of 3


Object Number: 1822634  Size: FS
Master Electrical Component List
Exterior Lighting Systems Description and Operation
Control Module References
Dimming 3 of 3
Dimming 1 of 3
Dimming 1 of 3
Dimming 1 of 3
Power Sunroof Schematics
Cigar Lighter/Auxiliary Outlets Schematics
IPM Input and Outputs 2 of 3
TCM Power, Grounds, and DLC (LY7/LH2)
Automatic Transmission Shift Lever Assembly, IPM
GM LAN - Low Speed 1 of 2
GM LAN - Low Speed 2 of 2
Left Rear Window Switch, Motor
Right Rear Window Switch, Motor
G201 (1 of 2)
G402 (1 of 2)
G201 (1 of 2)
G200 (1 of 2)
G201 (1 of 2)
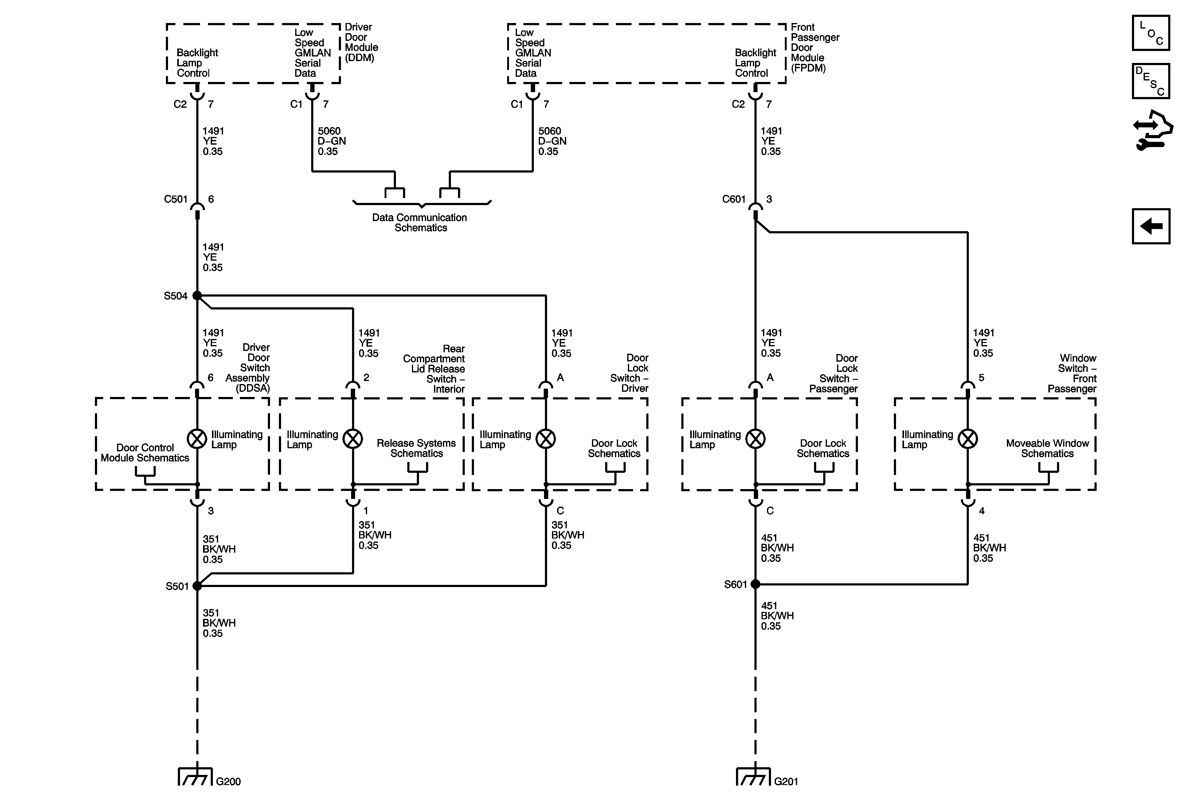
Figure 4:

Dimming Lamps 3 of 3


Object Number: 1822638  Size: FS
Master Electrical Component List
Dimming 2 of 3
Control Module References
Dimming 2 of 3
GM LAN - Low Speed 1 of 2
DDM Power, Ground and DLC
Release System Schematics
Driver Door Lock
Front Passenger Door Lock
Front Passenger Window Switch, Motor
G201 (2 of 2)
G200 (1 of 2)